LEDone LOC-RGAL MW MCCT Series

SAFETY INSTRUCTIONS:
Read instructions carefully before attempting to install fixture
- All wiring should be performed by a qualified electrician.
- Disconnect power before installing or servicing. This fixture must be wired in accordance with the National Electrical Code and applicable local codes and ordinances.
- Proper grounding is required to ensure personal safety.
CAUTION: Risk of fire
CLEANING & MAINTENANCE:
CAUTION: Be sure the fixture temperature is cool enough to touch. Do NOT clean or maintain while the fixture is energized.
- Clean glass lens with non-abrasive glass cleaning solution.
- Do NOT open fixture to clean the LED. Do NOT touch the LED.
Note: These instructions do not cover all details or variation in equipment, nor do they provide for every possible situation during installation, operation or maintenance.
TROUBLESHOOTING:
- Check that the line voltage at fixture is correct. Refer to wiring directions.
- Check that the fixture is grounded properly.
WIRING:
Universal voltage driver permits operation at 120V through 277V, 50/60Hz. Follow wiring directions.
- Connect the BLACK fixture lead to the (+) LINE supply lead.
- Connect the WHITE fixture lead to the (-) COMMON supply lead.
- Connect the GROUND wire from fixture to supply ground.

0-10V DIMMABLE WIRING:
Universal voltage driver permits operation at 120V through 277V, 50/60Hz. For 0-10V dimming, follow the wiring instructions.
- Connect the BLACK fixture lead to the (+) LINE supply lead.
- Connect the WHITE fixture lead to the (-) COMMON supply lead.
- Connect the GROUND wire from fixture to supply ground. Do NOT connect the GROUND of the dimming fixture to the output.
- Connect the PURPLE fixture lead to the (V+) DIM lead.
- Connect the GRAY fixture lead to the (V-) DIM lead.
- Cap the YELLOW fixture lead, if present. Do NOT connect.

MOUNTING OPTIONS:
- SLIP FITTER MOUNTING: Follow mounting directions as in Fig. 1
a. The slip fitter mounting fits a 2 3/8” O.D. tenon. Place the slip fitter over the tenon and secure the fixture with the set screws (2) on the side of the slip fitter.
b. Remove 2 screws on side of round cover plate. Remove the round cover plate and adjust the angle of the fixture.
c. Loosen the locking bolt and swivel fixture to desired angle.
d. Tighten the locking bolt and re-attach the round cover plate.
- TRUNNION MOUNTING: Follow mounting directions as in Fig. 2
CAUTION: UL and CUL listed or CSA certified liquid tight cord grip suitable for use with 3 conductor type STW flexible cord shall be used for connection to a wet location outlet box provided by others.
a. Loosen the pivot bolts and angle locking screw.
b. Adjust the fixture to desired angle.
c. Tighten pivot bolts and angle locking screw.
- U-BRACKET MOUNTING: Follow mounting directions as in Fig. 3.
a. To adjust the angle of the fixture using the bracket, loosen the angle locking screw.
b. Adjust the fixture to desired angle.
c. Tighten angle locking screw.
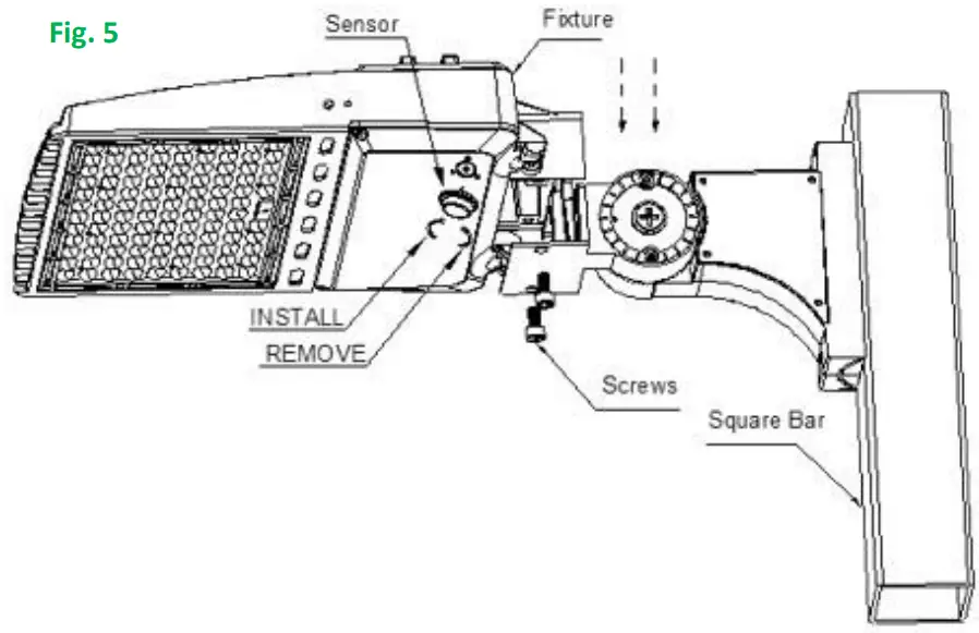
- ADJUSTABLE ARM MOUNTING: Follow mounting directions as in Fig. 4-7.
a. Square Pole Installation: Install the arm base on the square pole (Fig.4), connect the wires correctly and slide the fixture down to the arm base and screw the 2 safety screws (Fig. 5).
b. Round Pole Installation: Make the mount base arch-shaped to fit the round pole (Fig. 6), screw the plate and mounting base together (Fig. 7), connect the wires correctly and slide the fixture down to the arm base and screw the 2 safety screws (Fig. 8)



WATTAGE ADJUSTABLE AND COLOR TEMPERATURE ADJUSTABLE TABLE SWITCH SETTING:
Must use wide cross head to open!!!
(Only for models with wattage adjustable & CCT adjustable function.)
- Unscrew the G1/2 cover on the fixture side with a wide cross head.
- Select the desired wattage and color temperature.
- Screw the G1/2 cover back onto the fixture side with a wide cross head
































