252BK Refrigerator-Freezer
Instruction Manual

LUSSO 252BK Refrigerator-Freezer
This appliance is intended to be used in household and similar situations such as
– Staff kitchen areas in shops, offices and other working environments;
– Farm houses and by clients in hotels, motels and other residential-type environments;
– Bed-and-breakfast environments;
– Catering and similar non-retail applications.
IMPORTANT SAFETY INSTRUCTIONS
To reduce the risk of fire, electrical shock, or injury whe using your refrigerator, follow these basic precautions:
WARNING: This appliance is not intended for use by persons (including children) with reduced physical, sensory or mental capabilities, or lack of experience and nowledge, nless they havbeen given supervision or instruction concerning use of theappliance by a person responsible for their safety.
– WARNING: Keep ventilation openings, in the appliance enclosuor in the built-in structure, clear of obstruction.
– WARNING: Do not use mechanical devices or other means to accelerate the defrosting process, other than those recommended by the manufacturer.
– WARNING: Do not damage the refrigerant circuit.
– WARNING: Do not use electrical appliances inside the food storage compartments of the appliance, unless they are of the typ recommended by the manufacturer.
Do not store explosive substances such as aerosol cans with a flammable propellant in this appliance.
Symbol ISO 7010 W021 is used, its meaning is explained as follows
Warning: risk of fire / flammable materials
The instructions for refrigerating appliances and ice-makers shall include the substance of the following:
– WARNING: When positioning the appliance, ensure the supply cord is not trapped or damaged.
– WARNING: Do not locate multiple portable socket-outlets or portable power supplies at he rear of the appliance.
- DANGER: Risk of child entrapment.
- This appliance should not be used by children aged 8 years and above or persons with reduced physical, sensory or mental capabilities or lack of experience and knowledge unless they are supervised or instructed concerning use of the appliance in a safe way and they understand the hazards involved.
- Children should be supervised to ensure that they do not play with the appliance.
- Cleaning and user maintenance must not be performed by children without supervision. Children aged from 3 to 8 years are allowed to load and unload refrigerating appliances.
- To avoid the possibility of child entrapment; please take the following precautions before disposing of the refrigerator.
– Remove all doors from the unit.
– Leave the shelves in place so that children cannot easily climb inside.
WARNING:
This refrigerator should be properly grounded for your safety. The power cord of this refrigerator is equipped with a three-prong plug which is compatible with standard three prong wall outlets to minimise the possibility of electrical shock. This refrigerator requires a standard 220-240V/50Hz electrical outlet with three-prong grounded socket. Do not, under any circumstances, cut or remove the third ground prong from the power cord supplied.
Improper use of the grounded plug can result in the risk of electrical shock.
This refrigerator is not designed to be used with an inverter. The cord should be secured behind the refrigerator and not left exposed or dangling, so as to prevent accidental injury. Never unplug the refrigerator by pulling the power cord. Always grip the plug firmly and pull straight out from the socket. Do not use an extension cable with this appliance. If the power cord is too short, have a qualified electrician or service technician install an outlet near the appliance. Use of an extension cord can negatively affect the performance of the unit.
– WARNING: If the supply cord is damaged, it must be replaced by the manufacturer, its service agent or similarly qualified persons in order to avoid a hazard.
■ Special note for user as following:
- The refrigerator should be keeping in ventilation place, cut off the power when any exceptional things happen and contact factory timely.
- Around the refrigerator especial the compressor area no fair is allowed, in case of refrigerant leakage causing personal injury.
- Never use any spray near the refrigerator. It can cause danger of explosion.
- Do not use any sharp tools when cleaning the inside. The cooling system can be damaged or there may be electric shock.
- Do not place the foods too close to vents, as this can obstruct free air circulation.
Attention!
- When storing food, wrap it in plastic wrap or store it in a container with a lid; this prevents odours and keeps it dry. Opening the door for long periods can cause a significant increase of the temperature in the compartments of the appliance.
- There should be sufficient space between each item of food; do not store too much food.
- To save electricity, do not open the door too frequently. Clean regularly surfaces that can come in contact with food and accessible drainage systems.
- Store raw meat and fish in suitable containers in the refrigerator, so that it is not in contact with or drip onto other food.
- If the refrigerating appliance is left empty for long periods, switch off, defrost, clean, dry, and leave the door open to prevent mould developing within the appliance.
INSTALLATION INSTRUCTIONS
Before Using Your Refrigerator
![]() | ![]() |
- Remove the exterior and interior packing.
- Before connecting the refrigerator to the power source, let it stand upright for approximately 4 hours. This will reduce the possibility of a malfunction in the cooling system from improper handling during transportation
- Clean the interior surface with lukewarm water using a soft cloth.
Installing Your Refrigerator
- This appliance is designed to be free standing only, and should not be recessed or built-in.
- Place your refrigerator on a floor that is strong enough to support the refrigerator when it is fully loaded. Allow 5 inches of space between the back and sides of the refrigerator, which allows the proper air ventilation. Adjust the feet to keep the refrigerator level. Turn clockwise to raise the unit, Turn counterclockwise to lower the unit.· Let the right adjustable feet touch the floor firmly, while the left smoothly.
- Locate the refrigerator away from direct sunlight and sources of heat (stove, heater, radiator, etc.). Direct sunlight may affect the acrylic coating and heat sources may increase electrical consumption. Ambient temperature below 50F or above 85°F will hinder the performance of this appliance. This unit is not designed for use in a garage or any other outside installation.
- Avoid locating the refrigerator in moist areas.
- Plug the refrigerator into dedicated, properly installed-grounded wall outlet. Do not under any circumstances cut or remove the third (ground) prong from the power cord. Any questions concerning power and/or grounding should be directed toward a certified electrician or an authorized service center.
This unit is not designed to be installed in an RV or used with an inverter. - After plugging the appliance into a wall outlet, turn the unit on and allow the unit to cool down for 2-3 hours under before placing food in the refrigerator or freezer compartment.
Cautions
- A single tri-pin plug must be earthed with a SA fuse.
No earthing through pipes, telephone wires or gas pipes.
Using improper voltage may result in damage to the appliance and possible injury to the user Correct voltage is listed on the rating label, beyond which a manostat 300W or ore should be installed depending on situations. No application of disqualified plugs or socket. To avoid damage to the vital part, wail at least 5 minutes before replugging after a power cut. - No toxic, inflammable, explosive objects and caustic objects (propane lighter
gas, glue, petroleum, alcohol, toluol and so on). - Keep the refrigerator body from water and don’t put containers with water on the top cover to avoid electric shock or fire.
- Shut off the valve immediately and open the windows for ventilation in case of gas release.
The refrigerator plug must not be touched to avoid an explosion. - To avoid the refrigerator slant down or other accidents, please don’t pull therefrigerator door violently, or let kids hang on the door or play inside.
- Power cut
Open the door as few as possible.
Don’t put any food into the refrigerator any more. - When stop applications for quite a long time.
Refrigerators should be used consecutively. To avoid affecting the service life, the refrigerator should be kept on operating even if there’s no food preserved
Unplug the refrigerator when out of work for quite a long time, so as to avoid electric shock or fire caused by insulation aging. Dry the inside with tablecloth. Dispose the refrigerator in a ventilate place after air drying. - Please move the plug away from the socket if you do not use it for quite a longtime.
- Do not place bottles in the freezer, to avoid split for being frozen.
- Be careful when move the refrigerator. Please refer to the related instructions in the book.
- Hold the plug instead of the wire when move away the plug.
- Do not switch or plug the refrigerator with wet hands.
WARNING: Never touch the interior of the Freezer Chamber or frozen foods in the compartment with wet hands as this could result in frost bite.
NAMES OF THE PARTS
LUSSO 382BK/LUSSO 4328K

| 1.FREEZER BIN 2.REFRIGERATOR BIN 3.BOTTLE SHELF 4.FREEZER SHELF 5.FREEZER TEMPERATURE CONTROL KNOB 6.LAMP COVER | 7. REFRIGERATOR TEMPERATURE CONTROL KNOB 8 AIR PURIFICATION UNIT 9. REFRIGERATOR SHELF 10. CRISPER COVER 11. CRISPER 12. LEVELING LEG |
NAMES OF THE PARTS
LUSSO 252BK/LUSSO 3328K

| 1.FREEZER BIN 2.REFRIGERATOR BIN 3.BOTTLE SHELF 4.FREEZER SHELF 5.FREEZER TEMPERATURE CONTROL KNOB 6.LAMPCOVER | 7 REFRIGERATOR TEMPERATURE CONTROL KNOB 8. REFRIGERATOR SHELF 9. CRISPER COVER 10. CRISPER 11. LEVELING LEG |
Caution:
The accessories vary from type to type. Please refer to the packing list for details.
Application
■ Refrigerator
The temperature in the refrigerator is some 0°C-10C, which is applicable to preserve food, such as vegetables and fruits, for a short period. Optimize the preservation and ake full use of the space by sorting the food. Sorting sample:
■ Freezer
The temperature is less than-18°C in the freezer, which is applicable to preserve food need to be kept for a long period, such as meat and fish. Glass items contained liquid cannot be kept in the freezer. Limit the food reserved in the range of the freezing capacity.
Caution:
Keep the following things out of the freezer-carbonating beverage and instant cold pack in the market (such as ammonium-nitrate and carbamide).
lce-making

Drop cold boiled water or beverage into cleaned ice tray until it reaches 80 per of the tray. Then put the tray into the freezer.
Bend the tray a little (as A), avoid spoiling ice tray with over strength (as B). If the product is equipped with ice maker, it is operated according to the pattern of the panel.
OPERATING YOUR REFRIGERATOR
LUSSO 382BK/LUSSO 432BK
Temperature Control
REFRIGERATOR COMPARTMENT

- Your refrigerator has one control for regulating the temperature. The temperature control is located on the top left hand corner of the refrigerator compartment.
- The first time you turn the unit on. adjust the temperature control knob lo “5” and run for at least 2 hours before putting foods inside. This will ensure the cabinet is thoroughly chilled before food is put in.
- The range of the REFRIGERATOR temperature control is from position “1” the warmest to “5” the coldest. Adjust the temperature control to the setting that best suits your needs. The setting of “3” should be appropriate for home or office refrigerator use.
NOTE;
- If the unit is unplugged, loses power; you must wait 3 to 5 minutes before restarting the unit. If you attempt to restart before this time delay, the refrigerator will not start.
- Large amounts of food will lower the cooling efficiency of the appliance
- Do not place the foods on the air outlet, and leave spaces for airflow
- If you choose to change the thermostat setting, adjust thermostat control by one increment at a time. Allow several hours for temperature lo stabilize between adjustments.
- Adjusting the temperature control in the refrigerator compartment will affect the temperature in both the refrigerator and the freezer compartment.
FREEZER COMPARTMENT

- Your refrigerator has one control for regulating the temperature. The temperature control is located on the middle of the freezing chamber.
- The first time you turn the unit on, adjust the temperature control knob to” MAX” and run for at least 2 hours before putting foods inside. This will ensure the cabinet is thoroughly chilled before food is put in.
- The range of the FREEZER temperature control is from position” MIN” the warmest to ” MAX” the coldest. Adjust the temperature control to the setting that best uits your needs. The setting of “MED” should be appropriate for home or office refrigerator use. MIN
NOTE;
- If the unit is unplugged, loses power; you must wait 3 to 5 minutes before restarting the unit. If you attempt to restart before this time delay, the refrigerator will not start.
- Large amounts of food will lower the cooling efficiency of the appliance.
- Do not place the foods on the air outlet, and leave spaces for airflow.
- If you choose to change the thermostat setting, adjust thermostat control by one increment at a time. Allow several hours For temperature to stabilize between adjustments.
- Adjusting the temperature control in the refrigerator compartment will affect the temperature in both the refrigerator and the freezer compartment.
FREEZER COMPARTMENT

- Your refrigerator has one control for regulating the temperature. The temperature control is located on the middle of the freezing chamber.
- The first time you turn the unit on, adjust the temperature control knob to “MAX” and run for at least 2 hours before putting foods inside This will ensure the cabinet is thoroughly chilled before food is put in.
- The range of the FREEZER temperature control is from position “MIN” the warmest to “MAX” the coldest. Adjust the temperature control to the setting that best suits your needs. The setting of MED” should be appropriate for home or office refrigerator use.
The Freezer Compartment
- This compartment is designed for the long-term storage of frozen food. Storage time period is up to three months.
- The storage life of frozen foods vanes and the recommended storage time should not be exceeded.
- Place frozen food into the freezer as quickly as possible after purchase. If there are instructions on the packet, carefully follow these instructions regarding storage times.
Changing the Light board
LED lamp can not replaced by user, if the LED lamp is damaged
Please contact the nearest authority to replace it.
CARE AND MAINTENANCE
Cleaning Your Refrigerator
- Upon installation of your new appliance, it is recommended that it be cleaned thoroughly.
- Turn off the refrigerator first and then unplug the unit from the wall outlet.
- Remove all food content.
- Wash the inside with a damp warm cloth soaked in lukewarm water and baking soda solution. The solution should be about 2 tablespoons of baking soda to a quart of water.
- Be sure to keep the door gasket (seal) clean to keep the unit running efficiently
- The outside of the refrigerator should be cleaned with mild detergent and warm water.
- Dry the interior and exterior with a soft cloth.
- The condenser coils should be vacuumed when they are dusty or dirty
- To keep the inside sanitary without odor or dirty, regular cleaning required at least once a month.
Vacation Time
- Turn off the refrigerator first and then unplug the unit from the wall outlet.
- Remove all the food.
- Clean the refrigerator.
- Leave the lid open slightly to avoid possible formation of condensation, mold, or odors
- Use extreme caution in the case of children. The unit should not be accessible to child’s play.
- Short vacations: Leave the refrigerator operating during vacations of less than three weeks.
- Long vacations: If the appliance will not be used for several months, remove all food and unplug the
- power cord. Clean and dry the interior thoroughly. To prevent odor and mold growth, leave the door open slightly: blocking it open if necessary or have the door removed.
Moving Your Refrigerator
- Turn off the refrigerator first and then unplug the unit from the wall outlet.
- Take the food out of the refrigerator and empty the ice from the ice tray.
- Remove the compressor baffle on the back of the refrigerator, take out the water tray on the top of the compressor and empty the water.
- Securely tape down all loose items inside your refrigerator.
- Tape the doors shut
- Be sure the refrigerator stays in the upright position during transportation.
- Ensure that the refrigerant is not damaged during transportation and installation.
Energy Saving Tips
- The refrigerator should be located in the coolest area of the room, away from heat producing appliances or heating ducts, and out of the direct sunlight
- Let hot foods cool to room temperature before placing in the refrigerator. Overloading the refrigerator forces the compressor to run longer. Foods that freeze too slowly may lose quality, or spoil.
- Be sure to wrap foods properly, and wipe containers dry before placing them in the refrigerator. This cuts down on frost build-up inside the refrigerator.
- Organize and label food to reduce door openings and extended searches. Remove as many items as needed at one time, and close the door as soon as possible.
TROUBLESHOOTING GUIDE
You can solve many common refrigerator problems easily, saving you the cost of a possible service call. Try the suggestions below to see if you can solve the problem before alling for service.
| PROBLEM | POSSIBLE CAUSE |
| Refrigerator does not operate. | Not plugged in. The circuit breaker tripped or a blown fuse |
| Compressor turns on and off frequently | The room temperature is hotter than normal. A large amount of food has been added to the refrigerator. The door is opened too often. The door is not closed completely. The temperature control is not set correctly. The door gasket does not seal properly. The refrigerator does not have the correct clearances. The refrigerator has recently been disconnected for a period of time. 4 hours are required for the refrigerator to cool down completely. |
| Temperature inside the refrigerator is too warm. | Temperature control is set too warm Turn the control to a cooler setting and llow several hours for the temperature to stabilize.Door is kept open too long or is opened too frequently. Warm air enters the refrigerator every time the door is pened. Open the door less often. The door is not closed completely. The door gasket does not seal properly. A large amount of warm or hot food might have been stored recently. Wait until he refrigerator has had a chance to reach its selected temperature. The refrigerator as recently been disconnected for a period of time. 4 hours are equired for the refrigerator to cool down completely. |
| Temperature inside the refriaerator is too cold. | Temperature control is set too cold. Turn the control to a warmer setting and allow several hours for the temperature to stabilize |
| Temperature of external refrigerator surface is warm. | The exterior refrigerator walls can be as much as 30F warmer than room temperature. This is normal while the compressor works to transfer heat from nside the refriqerator cabinet. |
| Popping or cracking sound when compressor comes on. | Metal parts undergo expansion and contraction, as in hot water pipes This is normal. Sound will level off or disappear as refrigerator continues to run. |
| Bubbling or gurgling soundlike water boiling. | Refrigerant (used to cool refrigerator) is circulating throughout the system. This is normal. |
| Vibrations. | Check to assure that the refrigerator is on a level surface. Floor is uneven or weak. Refrigerator rocks on the floor when it is moved slightly. e sure floor can adequately support refrigerator. Level the refrigerator by utting wood or metal shims under part of the refrigerator. The refrigerator is ouching the wall. Re-level the refrigerator and move it from the wall. See Installation Instructions” |
| Moisture forms on inside refrigerator walls | Weather is hot and humid, which increases internal rate of frost build-up. This is normal. Door is slightly open. Door is kept open too long, or is opened too frequently. Open the door less often. The door is not sealed properly. |
| Moisture forms on outside of refrigerator. | Door is slightly open, causing cold air from inside the refrigerator to meet warm moist air from outside. |
| The door will not close properly. | The refrigerator is not on a level surface. The gasket is dirty. The storage basket is ut of position. |
TECHNICAL SPECIFICATIONS
| Model No. | LUSSO 432BK | LUSSO 382BK | LUSSO 332BK | LUSSO 252BK |
| Climate Type | ST/T | ST/T | ST/T | ST/T |
| Class.cation of Production Against Electric Shock | I | I | I | I |
| Rated Voltage (V) | 220-240 | 220-240 | 220-240 | 220-240 |
| Rated Frequency (Hz) | 50 | 50 | 50 | 50 |
| Rated Current (A) | 1. | 1. | 1. | 1. |
| Max. Lamps Rated Power (W) | 2 | 2 | 2 | 2 |
| Defrosting Power (W) | 180 | 180 | 150 | 150 |
| Refrigerant | R600a | R600a | R600a | R600a |
| Refrigerant Weight (g) | 53 | 53 | 47 | 45 |
| Vesicant | Cyclopentane | Cydopentane | Cydopentane | Cydopenten |
| Net Weight (kg) | 58 | 55 | 46 | 41 |
| Noise dB(A) | 40 | 40 | 40 | 40 |
| Overall Dimension (mm) W*D’H | 600*6451730 | 600’645’1610 | 545’580’1664 | 545’580’1439 |
NOTE
- If there is parameter inconsistency, the nameplate on the rear of product shall govern.
- Other than special note, the parameter in this table is also applicable for following improved models.
- The energy consumption is measured under standard conditions
- The energy class is measured under national standard
Loading List
| Model | LUSSO4328K | LUSSO 3828K | LUSSO 3328K | LUSSO 2528K |
| Vegetable crisper | 1 | 1 | 1 | 1 |
| shelf | 5 | 4 | 4 | 3 |
| Ice Tray | 1 | 1 | 1 | I |
| Egg Tray | 2 | 2 | 2 | 2 |
| Door rack | 5 | 5 | 6 | 5 |
| Instructions | 1 | 1 | 1 | I |
Note: If the product is equipped with ice maker, it has no ice tray.
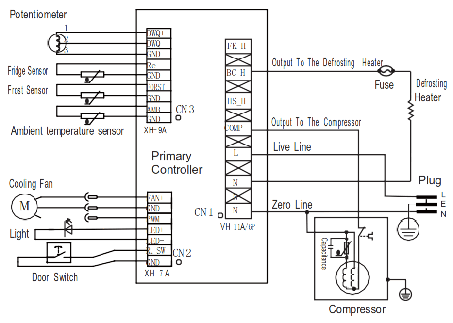
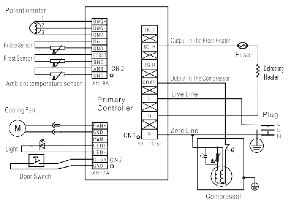
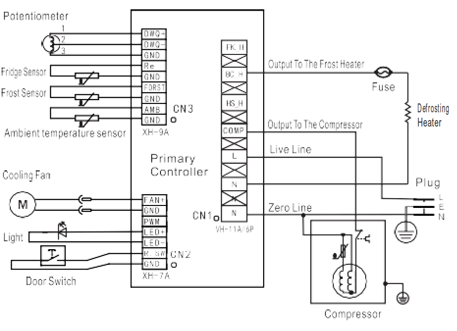
Circuit Diagram
Models LUSSO 252BK/LUSSO 332BK

Model LUSSO 382BK

Model LUSSO 4328K

We will warrant this product free from defects in material and quality for one year from date of purchase.If any problems occur from correct usage,please contact the service de partment for under warranty service.
This warranty does not cover the following:
The filter mesh and bulb Commercial use.
Amendment of the date of manufacture on the rating plate.
After 12 months from date of purchase.
Damaged caused to the body by usage of detergent sprayer.
Pollution made to the led parts.glass parts and S/S parts.
Incorrect installation,misuse,abuse or neglect.
Incorrectly fitted to insufficient or unsuitable power.
Damage caused by foreign object
Taken apart or serviced by unauthorized service engineers or replaced with other manufacture’s components.
For commercial use the maintenance and free service should be discussed with our authorized agent.
Beyond the 12 month warranty period,the purchaser should pay for charge of components and call out.
In the event of a service call,please provide the warranty card and receipt of date of purchase.
Place of
Purchase…………………………..
Date of
purchase…………………………
Model………………………………
Shop…………………………….
stamp…………………………..
Safety Contents
This appliance is not intended for use by persons (including children) with reduced physical, sensory or mental capabilities, or lack of experience and knowledge, unless they ave been given supervision or instruction concerning use of the appliance by a person responsible for their safety. Children should be supervised to ensure that they do not lay with the appliance.
– WARNING Keep ventilation openings, in the appliance enclosure or in the built-in structure, clear of obstruction.
– WARNING Do not use mechanical devices or other means to accelerate the defrosting process, other than those recommended by the manufacturer.
– WARNING – Do not damage the refrigerant circuit.
– WARNING Do not use electrical appliances inside the food storage compartments of the appliance, unless they are of the type recommended by the manufacturer.
Do not store explosive substances such as aerosol cans with a flammable propellant in this appliance.
– WARNING: When positioning the appliance, ensure the supply cord is not trapped or damaged.
– WARNING: Do not locate multiple portable socket outlets or portable power supplies at the rear of the appliance.
– WARNING: -Flammable-material.
Correct Disposal of this product
This marking indicates that this product should not be disposed with other household wastes throughout the EU. To prevent possible harm to the environment or human ealth from uncontrolled waste disposal, recycle it responsibly to promote the sustainable reuse of material resources. To return your used device, please use the return and ollection systems or contact the retailer where the product was purchased. They can take this product for environmental safe recycling.
Correct Disposal of this product
When unit becomes useless, don’t throw it in nature, it may contain harmful material for environment.
This marking indicates that this product should not be disposed with other household wastes throughout the EU. To prevent possible harm to the environment or human ealth from uncontrolled waste disposal, recycle it responsibly to promote the sustainable reuse of material resources. To return your used device, please use the return and ollection systems or contact the retailer where the product was purchased. They can take this product for environmental safe recycling, Please make sure to dispose of unit as per applicable legal system that respects the environment.
![]() | ![]() |
| http://q-r.to/bah9Ze |
Dibuat untuk dan diedarkan oleh
FIMACO SDN BHD
8-2, WISMA FIAMMA,
No.20, Jalan 7A/62A,
Bandar Manjalara, 52200 Kuala Lumpur, Malaysia.
CUSTOMER CARE CENTRE : +603 6279 8888





















