JMTHY JMS-F Rapid Shutdown Box Instruction Manual
Unpacking and storage

| Part | Description | Number |
| 1-1 | JMS-F Rapid Shutdown Box | 40 |
| 1-2 | washer M4 | 42 |
| Screw M4*10 | 42 | |
| 1-3 | Installation/User Manual | 1 |
Revision History
| Date | Date | Reason |
| V1.0 | 15- 06 -2020 | First version |
| V20 | 27- 06 -2020 | Parameter update |
| V3.0 | 28- 06- 2020 | Enclosure changes |
IMPORTANT SAFETY INSTRUCTIONS
SAVE THESE INSTRUCTIONS – This manual contains important instructions for JMS-F that must be followed during installation and maintenance of the JMS-F. To minimize the risk of electric shock and to ensure a safe installation of JMS-F and for it to function properly, A warning symbol will appear throughout this document to indicate dangerous conditions may apply and highlight the important safety instructions.
Levels of warning messages
The following levels of warning messages may occur when handling the JMS -F.
Danger: Indicates a hazardous situation which, if not avoided, will result in death or serious injury
Warning: Indicates a hazardous situation which, if not avoided, could result in death or serious injury
CAUTION: Indicates a hazardous situation which, if not avoided, could result in minor or moderate injury
Notice: Indicates a situation which, if not avoided, can result in property damage.
Target group
All installation must only be conducted by highly skilled and fully trained professional technicians with expert knowledge of safety regulation of electrical system. A complete understanding of this instruction manual is compulsory before undertaking any installation.
- Passed professional training.
- Completely read this manual and understand the safety related matters of operation.
- Familiar with the relevant safety regulations electrical systems.
- Only qualified professionals should install and/or replace the JMS-F.
- The National Electrical Code, ANSI/NFPA 70 wiring methods are to be used.
- Before undertaking any installation or using JMS-F, please read all instructions and warning marks in this technical documents. Please also take a moment to review any safety warnings on the inverter system and the PV array itself.
Danger:
Danger to life due to electric shock when live components or DC conductors are touched .
When exposed to sunlight, the PV modules generate high DC voltage which is present in the DC conductors. Touching live DC conductors results in death or lethal injuries due to electric shock.
- Do not touch non-insulated parts or cables.
- Do not disconnect the DC connectors under load.
- Do not disconnect the PV module from the JMS-F without first disconnecting the AC power Wear suitable personal protective equipment for all work on the JMS-F.
- Do not attempt to undertake any repair work on the JMS-F unit, in the event of a non-functional unit, please contact our customer support team for a replacement unit. Any sign of attempt to undertake any repair on JMSF unit will automatically void the warranty
Warning:
Risk of burns due to incompatible connectors
- Do not use connectors from different manufacturers.
Function Description
The JMTHYJMS-F is qualified as PV rapid shutdown equipment (PVR SE) which can achieve module-level rapid shutdown. Which in turn will significantly improve the safety of PV power generation systems. JMS-F uses PLC communication. The signal is transmitted by the inverter with built-in transmitter function through the DC bus. After JMS-F receives the signal, the switch turns on and the energy generated by the PV module will be delivered to the AC grid through the inverter When an emergency situation occurs, the AC power can be turned off by switching off the AC breaker in the cabinet, so that the inverter with built-in transmitter function stops sending signals, and the JMS-F will shutdown the power output, then eliminate the high voltage on DC bus, it can improve the safety of the PV system.
The JMTHYJMS-F system is comprised of three key elements
- PV array
- Rapid shutdown box (JMS -F)
- Inverter with built-in transmitter function

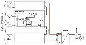
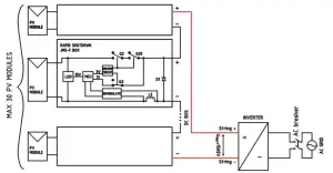
The JMS-F is mounted on the aluminum frame of the PV module. The output connector of each PV module is connected to the JMS-F input connector (black cable), and the adjacent two JMS-F in each string are connected through the output connector (red cable). Finally, the entire string is connected to the inverter Up to 10 strings of PV modules can be connected in parallel in the system. Each string of PV modules contains at least 6PCS JMS-F and no more than 30PCS JMS-F.
Warning:
Risk of electric shock due to malfunction of the PV rapid shutdown system
This PV rapid shutdown equipment (PVRSE) does not perform all of the functions of a complete PV rapid shutdown system (PVRSS). This PVRSE will only works in conjunction with other equipment to form a complete PVRSS that meets the requirement of NEC (NFPA 70) section 690.12 for controlled conductors outside the array. Other equipment installed within this PV system may adversely affect the overall operation of the PVRSS.
- The installer has to ensure that the completed PV system meets the rapid shutdown functional requirements. These equipment must be installed in accordance to the manufacturer’s installation procedure guidelines.
Size of JMS-F

Figure: Position of the anchoring points dimensions in mm [in].
Technical Parameter
| Model | JMS-F |
| Input Operating Voltage Range (DC) | 10V-60V |
| Max Input Voltage {Vac) | 60v |
| Max system voltage | 1500v |
| Max Input Current (DC} | 15A |
| Max Input short circuit current (DC) | 15A |
| 15A Rapid Shutdown Time | Within 10s |
| Operating Temperature Range | -40°C -75°C(-40°F-167°F |
| Rated DC Input Power | 420w |
| Output Power Range | 0w-420w |
| Cable Type | PV wire 4mm*/12 AWG |
| Outer Diameter of the Cable | 06.7±0.2 5mm (00.26±0.01in) |
| Connector Type | MC4 |
| Product Weight | 435g±5g(0.961b±0.01ib |
| Communication Protocol | Compliant with Suspect transmitter |
| Enclosure Rating | Type 4X |
| Rapid Shutdown UL Listed | E504335, meeting NEC 2017 690.12 |
| Communication | PLC |
Caution: Risk of fire due to overheating or damage of the JMS-F
The usage of the JMS- F outside the above specified technical range may be leads to overheating.
JMS -F must be used within the specified temperature range and its electrical performance boundaries as rated in these technical parameters.
Turn-on Mode of JMS-F

When the AC breaker is closed, the inverter with built-in transmitter function sends the signal ‘ permission -to-operate’ through the DC b us. J M S- F receives the signal and enters the turn-on mode. Then the MOSFET Q3 is turned off and the MOS FET Q2/Q20 is turned on. JMS -F turns on and the energy generated by the PV module will be delivered to the AC grid through the inverter
Initiating Rapid Shutdown

When the AC breaker is turned off, the inverter with built-in transmitter function stops sending the signal ‘permission-to-operate’ through the DC bus. JMS-F does not receive the signal and waits for 10 seconds to enter the turn-off mode. Then the MOSFET Q3 is activated and the MOSFET Q2/Q20 is deactivated, the output voltage of JMS-F is 1 Volt, and the PVsystem is in the no-load state.
Rapid shutdown steps:
STEP 1: Switch off the AC breaker on the AC side of the PV system.
STEP 2: The inverter with built-in transmitter function stops sending signals, thus initiating rapid shutdown.
STEP 3: Each JMS-F does not receive the signal then executing rapid shutdown, the output voltage of each JMS-F is 1 Volt.
STEP 4: At the final stage the DC bus voltage of the PV system drops to below 30 Volts within 30 seconds.
Controlled Conductor

The JMTHYJMS-F can detect any rapid disconnection between each PV module in critical situations, thus eliminating the DC high voltage present in the PV system array, reduces the risk of electric shocks for rescue operation. JM S-F achieves shutdown within 10 seconds, the voltage is reduced to less than 80 Volts within the distance limit of 1 foot from the PV array, while the DC cable voltage from 1 foot outside the PV array to the inverter input drops below 30 Volts. The conductors within the dashed line shown above are all controlled conductors.
Installation Steps
JMS-F installation is straightforward. All JMS-F units comes equipped with a metal buckle that can be easily attached to the aluminum frame of the PV module. Simply insert the buckle of the JMS -F into the aluminum frame of the PV module and tighten the washer screw (M4*15) through the mounting holes to a torque of 2.0-2.5 Nm (17.7-22.1in.lb)
Warning:
Risk of electric shock or fire due to malfunction of the PV rapid shutdown system
Using the JMS -F outside the technical specification lea ds to damages of the device and its isolation.
- Make sure you verify the voltage, current and power specification of your PV modules and match with the JMS-F specifications.
- Make sure the DC operation voltage range of the PV module is within the allowable input voltage range of the JMS -F.
- For use with the JMS -F, the marked maximum open circuit voltage and maximum short circuit current for PV modules must be calculated using the module manufacturers published ratings, temperature coefficients and the expected local ir radiance which will be present in the end use installation.
- Please make sure the inverter ha s open circuit protect ion function, if not using fuse/breaker
Install the J MS -F onto the PV module
Insert two metal clips into the PV module aluminum frame (shown in Red), align the pin hole of JMS-F with the aluminum frame mounting hole, as shown in the picture below, then insert the screw (shown in Green). Tighten the screw to a torque of 2.0-2.5 Nm (17.7-22.1in.lb) to ensure JMS -F is securely installed. The clearance between JMS -F and the back of PV module should be within 9.2-12.2mm (0.36-0.48in).

Figure: Position of the anchoring points dimensions in mm [in].
Caution:
Risk of electric shock due to insufficient grounding of the PV Module Frame
Touching an ungrounded PV module or array frame can cause to an electric shock.
To avoid any impact to the grounding connection of the PV module frame, the mounting of JMS-F must realize by using a separate hole.
Please use only holes of the PV aluminum frame for JMS -F mounting are not in use for grounding purpose.
The connection between two adjacent J M S -F

Warning: Danger to life due to high voltages
Wrong connection of the input and output connectors lead to a malfunction of the JMS -F device and the rapid shutdown system.
- Ensure proper connection of the JMS -F input and out put connector terminals.
- Ensure the right polarity of the input and out put connectors
Notice:
Risk of some JMS -F in the system not be operated normally due to exceeding the specified quantity
- 6 to 30 PV modules/JMS -F in series. 1 to 10 strings of PV modules/JMS -F in parallel. Ensure proper connection of the JMS-F input and output connector terminals.
Connecting the parallel J MS -F string s to the inverter.

System Installation Test
After completion of the JMS -F installation based on the specified instructions above, a system installation test must be performed.
- Start by switching on the DC side switch, then continue with the AC side. Verify that each JM S-F in the system is on power up’ mode and the output voltage matches the voltage of the PV module.
- The next step is to switch off the AC side, and verify each JM S-F in the system is on the ‘power off’ mode and output voltage is at 1 Volt.
Replace a JMS-F
Follow the procedure to replace a JMS-F:
In the order shown below
- Disconnect the AC by switching off the AC side switch.
- Disconnect the DC by switching off the DC side switch of the inverter
- Wait for at least 5 minutes after switching off the power and then disconnect the PV module with the JMS-E
- Remove the JMS-F from the aluminum frame of the PV module.
- Install a replacement JMS-F to the aluminum frame of the PV module.
- Switch on the DC side switch and then switch on the AC side switch and recover the system.
Danger:
Danger to life due to electric shock when live components or DC conductors are touched.
When exposed to sun light, the PV modules generate high DC voltage which is present in the DC conduct or s. Touching live DC conductors results in death or lethal injuries due to electric shock.
- Only qualified and highly skilled professionals should undertake the replacement work of JMS-F.
JMTl-lYServiœ Contact Information,
Contact: jmthy.service
Address: JMTHY, NO.158 Jinci Road, H angzhouwan Zone,Cixi, Ningbo, China
Email: [email protected]
Tel: +86-574-63537888
Website: http://www.jmthy.com



















