FERM PSM1024 Random Orbit Sander Instructions
Orbital Sander 180W
Thank you for buying this Ferm product.
By doing so you now have an excellent product, delivered by one of Europe’s leading suppliers.
All products delivered to you by Ferm are manufactured according to the highest standards of performance and safety. As part of our philosophy we also provide an excellent customer service, backed by our comprehensive warranty.
We hope you will enjoy using this product for many years to come.
Safety warnings
WARNING
Read the enclosed safety warnings, the additional safety warnings and the instructions.
Failure to follow the safety warnings and the instructions may result in electric shock, fire and/or serious injury.
Keep the safety warnings and the instructions for future reference.
The following symbols are used in the user manual or on the product:
Read the user manual.
Risk of personal injury
Risk of electric shock.
Immediately remove the mains plug from the mains if the mains cable becomes damaged and during cleaning and maintenance.
Wear safety goggles. Wear hearing protection.
Wear a dust mask.
Double insulated.
Do not dispose of the product in unsuitable containers.
The product is in accordance with the applicable safety standards in the European directives.
ADDITIONAL SAFETY WARNINGS FOR FINISHING SANDERS
Contact with or inhalation of dust coming free during use (e.g. lead-painted surfaces, wood and metal) can endanger your health and the health of bystanders.
Always wear appropriate protective equipment, such as a dust mask. Always use proper dust extraction during use.
- Do not work materials containing asbestos.
Asbestos is considered carcinogenic. - Do not use the machine for sanding magnesium workpieces.
- Wear safety goggles, hearing protection and if necessary other protective means, such as afety gloves, safety shoes, etc.
- Be very careful when sanding painted surfaces.
- Before use, remove all nails and other metal objects from the workpiece.
- Make sure that the workpiece is properly supported or fixed.
- Only use sanding paper that is suitable for use with the machine.
- Only use sanding paper with the correct dimensions. Make sure that the sanding paper is properly mounted.
- Inspect the sanding paper before each use.
Do not use sanding paper that is worn because of prolonged use. - Never put the machine down on a table or a workbench before it has been switched off.
ELECTRICAL SAFETY
Always check that the voltage of the power supply corresponds to the voltage on the rating plate.
- Do not use the machine if the mains cable or the mains plug is damaged.
- Only use extension cables that are suitable for the power rating of the machine with a minimum thickness of 1.5 mm2 . If you use a extension cable reel, always fully unroll the cable.
Mains plug replacement (UK only)
If the moulded 3-pin plug attached to the unit is damaged and needs replacing, it is important that it is correctly destroyed and replaced by an approved BS 1363/3A fused plug and that the following wiring instructions are followed.
The wires in the mains cable are coloured in accordance with the following code: blue neutral brown live.
As the colours of the wires in the mains cable of the unit may not correspond to the coloured markings identifying the terminals in the plug, proceed as follows:
- The wire which is coloured blue must be connected to the terminal which is marked with the letter N or coloured black.
- The wire which is coloured brown must be connected to the terminal which is marked with the letter L or coloured red.
TECHNICAL DATA
| |
| Mains voltage | V~ 230 |
| Mains frequency | Hz 50 |
| Power input | W 180 |
| No-load speed | min-1 12,000 |
| Sanding surface | mm 187 x 92 |
| Protection class | IP 20 |
| Weight | kg 1.42 |
NOISE AND VIBRATION
PSM1024 | |
| Sound pressure (Lpa) | dB(A) 76 |
| Acoustic power (Lwa) | dB(A) 90 |
| Uncertainty (K) | dB(A) 3 |
| Vibration | m/s2 6.4 |
| Uncertainty (K) | m/s2 1.5 |
Wear hearing protection.
Vibration level
The vibration emission level stated in this instruction manual has been measured in accordance with a standardised test given in EN 60745; it may be used to compare one tool with another and as a preliminary assessment of exposure to vibration when using the tool for the applications mentioned.
- using the tool for different applications, or with different or poorly maintainted accessories, may significantly increase the exposure level
- the times when the tool is switched off or when it is running but not actually doing the job, may significantly reduce the exposure level
Protect yourself against the effects of vibration by maintaining the tool and its accessories, keeping your hands warm, and organizing your work patterns.
DESCRIPTION
Your finishing sander has been designed for sanding wood, metal, plastics and painted surfaces.
- On/off switch
- Lock-on button
- Sanding pad
- Sanding paper clamp
- Grip
- Dust extraction connection

ASSEMBLY
Before assembly, always switch off the machine and remove the mains plug from the mains.
Mounting and removing the sanding paper (hook-and-loop system) (fig. B)

Mounting
Mount sanding paper (7) with the required grain size onto the sanding pad (3). Make sure that the perforation in the sanding paper (7) corresponds with the perforation on the sanding pad (3).
Removing
Remove the sanding paper (7) from the sanding pad (3).
Mounting and removing the sanding paper (sanding paper clamps) (fig. C)

Mounting
- Open the sanding paper clamps (4).
- Mount sanding paper (7) with the required grain size onto the sanding pad (3). Make sure that the perforation in the sanding paper (7) corresponds with the perforation on the sanding pad (3).
- Fold the sanding paper (7) at both ends around the edges of the sanding pad (3).
- Close the sanding paper clamps (4) one by one. Make sure that the ends of the sanding paper (7) are clamped.
Removing
- Open the sanding paper clamps (4).
- Remove the sanding paper (7) from the sanding pad (3).
- Close the sanding paper clamps (4).
USE
Switching on and off (fig. A)
- To switch on the machine, press the on/off switch (1).
- To switch the machine to continuous mode, keep the on/off switch (1) pressed and simultaneously press the lock-on button (2).
- To switch off the machine, release the on/off switch (1).
Dust extraction (fig. D)

- Insert the dust extraction adapter (8) into the dust extraction connection (6).
- Connect the hose of a vacuum cleaner to the dust extraction adapter (8).
Hints for optimum use
- Clamp the workpiece.
- Firmly hold the machine by the grip.
- Switch on the machine.
- Place the sanding pad with sanding paper on the workpiece.
- Slowly move the machine over the workpiece, firmly pressing the sanding pad against the workpiece.
- Do not apply too much pressure on the machine. Let the machine do the work.
- Switch off the machine and wait for the machine to come to a complete standstill before putting the machine down.
CLEANING AND MAINTENANCE
Before cleaning and maintenance, always switch off the machine and remove the mains plug from the mains.
- Regularly clean the housing with a soft cloth.
- Keep the ventilation slots free from dust and dirt. If necessary, use a soft, moist cloth to remove dust and dirt from the ventilation slots.
- Regularly clean the sanding pad to avoid inaccuracies during use.
Replacing the sanding paper (fig. B)
- To remove the old sanding paper (7), proceed as described in the section “Mounting and removing the sanding paper”.
- To mount the new sanding paper (7), proceed as described in the section “Mounting and removing the sanding paper”.
Warranty
Consult the enclosed warranty terms.
Environment
Disposal
The product, the accessories, and the packaging must be sorted for environmentally friendly recycling.
Only for EC countries
Do not dispose of power tools into domestic waste. According to the European Guideline 2012/19/EU for Waste Electrical and Electronic Equipment and its implementation into national right, power tools that are no longer usable must be collected separately and disposed of in an environmentally friendly way.
The product and the user manual are subject to change. Specifications can be changed without further notice.
DECLARATION OF CONFORMITY
PSM1024 Orbital sander
We declare under our sole responsibility that this product is in conformity with directive 2011/65/EU of the European parliament and of the council of 9 June on the restriction of the use of certain hazardous substances in electrical and electronic equipment is in conformity and accordance with the following standards and regulations:
EN 55014-1, EN 55014-2, EN 60745-1, EN 60745-2-4,
EN 61000-3-2, EN 61000-3-3
2014/30/eu, 2006/42/EC, 2012/19/EU, 2011/65/EU
Zwolle, 01-05-2016
H.G.F. Rosberg
CEO Ferm B.V.
Ferm BV • Lingenstraat 6 • 8028 PM • Zwolle The Netherlands
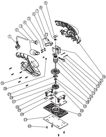
Spare parts list
| Position | Description | No. |
| 2 | Dust adapter | 400870 |
| 6 | Switch | 400871 |
| 8 | Bearing 607ZZ | 800607 |
| 11 | Stator | 400872 |
| 15 | Carbon brush | 400873 |
| 16 | Rotor | 400874 |
| 18 | Bearing 627ZZ | 800627 |
| 20 | Bearing 6001ZZ | 806001 |
| 21 | Base plate | 400875 |
| 23 | Sanding foot | 400876 |
Exploded view





















