IVES 5BB1 and 5BB1HW suffixed TW4(M)-CON Concealed Electric Hinges Installation Guide

UL and cUL Listed Models:
5BB1 and 5BB1HW suffixed TW4(M)-CON, TW8(M)-CON, TW12-CON or MON
3CB1 and 3CB1HW suffixed TW4(M)-CON, TW8(M)-CON, TW12-CON or MON
Concealed Through-wire (TW)
Concealed Monitor (MON)
Concealed Through wire with monitor (TWM)
PRE-INSTALLATION NOTES
FAILURE TO FOLLOW THESE INSTRUCTIONS WILL VOID MANUFACTURER’S WARRANTY
- Install 7″ tall by 1 21/32″ depth mortar guard on mortar-filled frames. Failure to install mortar guard will void manufacturer’s warranty. Mortar guard is supplied by door frame manufacturer or others.
- Electric hinge must be installed in non-load bearing center hinge position.
- Do not attempt to disassemble hinge.
- Electric hinges are for interior use only.
1 Prepare door and frame.
Prepare center hinge position of door and frame for 3 knuckle hinge or 5 knuckle hinge, as shown below. Deburr holes to prevent wire damage.
NOTE: Hinge height or model in parentheses.
5 Knuckle Hinge (except Swing Clear Models)
Left Hand Door Right Hand Door

3 Knuckle Hinge (and Swing Clear 5 knuckle models)
Left Hand Door Right Hand Door

2 Connect wiring, and install hinge.
| 2 Connect wiring, and install hinge. | ||
| 2a Check hinge fit in prepared door and frame. Hinge should fit easily without binding. i Warning: Do not hammer hinge for any reason. It can cause serious damage and shortened life. | 2d Connect four and/or eight pin connectors used by your specific hinge model. i Warning: Do not hang hinge by wires during installation. Serious damage could occur. i Note: if not using provided connectors, ensure that the same color wires are connected on both sides of hinge. Insulate all ends, and do not cut off unused wires. | |
| 2b Open door to 90° or more for access to jamb preps. | ||
| 2c Extract exterior wiring through the prep holes from the door jamb. | ||
| 2e Carefully slide connector(s) through prep hole, making sure that wires are placed so they will not be cut or pinched as hinge is installed. | ||
| Frame Door Electrical Specifications Through-wires: Each wire is 28 AWG and rated 50 Volts AC/DC at 3.5 amps max. continuous, or 16 amps max. pulse (maximum pulse width 400 msec. with minimum “off” time between pulses 10 seconds) For current greater than 1.5 amps, use two or more wires in parallel. It is recommended to use an equal number of ground and power wires. Electric Monitor Switch: Each wire is 22 AWG and maximum rating of the switch 30 VDC at 0.25 amps
| ||
| 3 For hinges with monitor switch, insert switches into hinge. | ||
| 3a Ensuring that the wired monitor switch is installed on the frame side of the hinge, insert each part into hinge until it snaps into place. | 3c Carefully slide connector through prep hole, making sure that wires are placed so they will not be cut or pinched as hinge is installed. | |
| 3b Connect four pin connector. i Warning: Do not hang hinge by wires during installation. Serious damage could occur. | ||
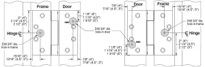
| For 3 and 5 Knuckle Hinge (3 knuckle shown) Door Frame Frame Door
3 1/4″ (4.5″) 3 1/4″ (4.5″) 3 11/16″ (5″) 3 11/16″ (5″)
Monitor switch Monitor switch Green (NO) Normally Green (NO) Drill 3/4″ dia. Black (Common) Open Black (Common) hole in frame Drill 3/4″ dia. White (NC) White (NC) Normally 1″ 1″ hole in door Closed
i E-hinges with monitors are recommended for door position notification only. Notification of change in door position is expected between 9 and 45 degrees. A door position switch or security rated monitoring device should be used for security applications. Customer Service.
| ||

Additional Notes:
1. Ensure that barcode is visible after folding
| Revision History | Revision Description: C > Revised artwork | ||||||||
| A | B | C | D | E | F | ||||
| 078533 | 064474 | XXXXXX | |||||||
| Material White Paper | Edited By | Approved By | EC Number | Release Date | |||||
| D. Rollison | M. Roberts | xxxxxx | 09-17-20 | ||||||
| Notes 1. printed two sides 2. printed black 3. tolerance ± .13 4. printed in country may vary 5. drawings not to scale | Title INSTALLATION INSTRUCTIONS FOR ELECTRIFIED HINGES | ||||||||
| Creation Date N/A | Number 47268753 | Revision C | |||||||
| Created By N/A | Activity 3899 Hancock Expwy Security, CO 80911 |
© Allegion 2020 | |||||||
| Software: InDesign CS6 | |||||||||

PRE-INSTALLATION NOTES



















