JON-DON DDV26 Dynamic Diamond Vacuum

INTRODUCTION
Thank you for choosing Dynamic Diamond Vacuum (DDV), a high-quality product based on the newest state-of-the-art technology. We hope that this device will be to your satisfaction and meet your expectations. We are continuously striving to improve our products in our product segment and will continue to supply the market with new equipment.
NOTICE!
- These instructions are only for DDV26 Dust Extractors.
- DDV26 Dust Extractors are designed to clean construction areas and be connected to small and medium machines such as drills, grinders etc. The machine is suitable for picking up dry, non-flammable dust and debris in and indoor environment. It is not suitable for picking up liquids.
- Please pay particular attention to the safety regulations and safety instructions
- Read the complete instruction manual before using.
- All spare parts and accessories used with this device must be those specified by DDV.
- Check before and after use that all the switches are in OFF position.
Environmental protection The packaging material can be recycled. Please do not throw the packaging material into household waste; please send it for recycling. Old devices contain valuable materials that can be recycled; these should be sent for recycling. Batteries, oil, and similar substances must not enter the environment. Please dispose of your old devices using appropriate collection systems.
SAFETY INSTRUCTIONS
When using an electrical appliance, basic precautions should always be followed, including the following:
WARNING – To reduce the risk of fire, electric shock or injury:
- Cables damaged through crushing or splitting can be dangerous if used and should be replaced immediately. Risk of personal injury.
- Make sure the assembly area is firm, so the dust extractor does not tip over. Risk of personal and material injury.
- Risk of pinching when handling the toggle fasteners.
- The machine must not be used in environments where explosive gases may be present. Serious risk of explosion.
- Improper connection of the equipment-grounding conductor can result in a risk of electrical shock. Check with a qualified electrician or service person if you are in doubt as to whether the outlet is properly grounded. Do not modify the plug provided with the machine. If it will not fit the outlet. Have a proper outlet installed by a qualified electrician.
- Before using the machine, make sure that the power & voltage corresponds with the voltage shown on the machines rating plate.
- Do not leave machine when plugged in. Unplug cord from outlet when not in use and before cleaning or servicing machine.
- Do not use outdoors or on wet surface, this machine is for indoor and dry use only.
- Do not allow to use as a toy. Close attention is necessary when used by or near children.
- Use only as described in this manual. Use only manufacturers recommended attachments.
- Operators shall be adequately instructed on the use of the machine
- This machine is not intended for use by persons (including children) with reduced physical, sensory or mental capabilities, or lack of experience and knowledge.
- Do not use with damaged cord or plug. If the machine is not working as it should, has been dropped, damaged, left outdoors or dropped in water. Make sure it is repaired by a qualified person.
- Do not pull or carry by cord, use cord as handle, close a door on cord, or pull cord around sharp edges or corners. Do not run the machine over cord. Keep cord away from heated surfaces.
- Do not unplug by pulling on cord. To unplug, grasp the plug. Not the cord.
- Do not handle plug or machine with wet hands.
- Regularly inspect cord and plug for damage. If cord is damaged, it must be replaced by a qualified person in order to avoid hazard.
- Do not put any object into openings. Do not use with any opening blocked (accept during filter cleaning procedure). Keep free of dust, hair and anything that may reduce airflow.
- Keep hair, loose clothing, fingers and all parts of body away from openings and moving parts.
- Turn off all controls before unplugging.
- Do not use to pick up flammable or combustible liquids, such as gasoline, or use in areas where they may be present.
- Do not pick up any type of liquids.
- Do not pick up anything that is burning or smoking, such as cigarettes, matches or hot ashes.
- Use extra care when cleaning on stairs.
- Do not use without dust bag and/or filters in place. Replace collection system and/or filters as described in manual.
- If using an extension cord make sure the cord rating is suitable for this machine.
- Do not modify machine from its original design.
- Keep children and unauthorized persons away from machine when in use.
- All repairs must be performed by a qualified service person. Use only manufacturer-supplied
or equivalent replacement parts. - Do not expose machine to rain or moisture. Store indoors only.
- Connect to a properly grounded outlet only. See grounding instructions.
THERMAL PROTECTION
The dust extractor is equipped with a safety thermal protector to prevent motor from overheating. Should thermal protector activate, turn off machine, unplug power cord and check for full dust bag, vacuum hose clog or filter blockage. It may take up to 45 minutes for the thermal protector to reset.
GROUNDING INSTRUCTION
The dust extractor must be grounded. If it should malfunction or breakdown, grounding provides a path of least resistance for electric current to reduce the risk of electric shock. The dust extractor is equipped with a cord having an equipment-grounding conductor and grounding plug. The plug must be inserted into an appropriate outlet that is properly installed and grounded in accordance with all local codes and ordinances.
SAFETY LABEL
The following label appears in front of the machine. Check all the details stated in the label before using.Replace label if it is missing, becomes damaged or illegible. Failure to follow this warning label may result in fire, electric shock or injury.

UNPACKING
When unpacking the machine, please check that the following accessories are included:
- The hose with end fittings
- Wand
- Floor brush
If any of the above-mentioned parts are missing, please contact your local distributor or our sales representative. For models that do not already have the front casters assembled due to packaging limitations. Assemble the front casters using the using bolt or nut and washer that are included in the package depending on your application. Protect the environment: Please dispose of packaging materials and used machine components in an environmentally safe way according to local disposal regulations. Always remember to recycle.
To assemble the accessories:

- Connect the floor brush and wand
- Connect the Wand and hose
- Connect the hose and adaptor
- Connect the accessories kit and the inlet
FUNCTION
| Type | Models with Jet pulse filter cleaning |
| Red switch 2 step | 0: Motor off, 1: Motor on |
Before connecting the power, please confirm the voltage is consistent with the label on the machine.
- Make sure the electric plug and socket are matching
- Make sure the hose and inlet are matching
- Connect the accessories and hose end
Notice
- Turn on the machine until the motor stop working completely.
- Please disconnect the plug when the machine doesn’t work.
Dust-laden air is then sucked through the inlet valve at high speed via the suction hose. The air is slowed down by the cyclone and coarse dust particles are separated out, partly by centrifugal force and partly by gravity. Air and finer particles then pass through the double filter system where separation is made. The machine is designed for filter cleaning by reverse air pulse. The separated dust accumulates in the cyclone until the machine is switched off, when it drops through the bottom flap into the plastic bag. The filter cleaning process is not completed before it is clear that the dust inside the tank has fallen down into the collection bag. In some extreme cases the adhesive ability of the dust must be broken manually. This can be done by hitting the dust through the bag or tapping the tank using i.e. a rubber hammer.
HEIGHT ADJUSTMENT(Optional)
DDV26/DDV36 WITH HEIGHT ADJUSTMENT SYSTEM:
Lifting operating:
Grip the 2 handles on barrel, lift to the top and then loose the grip slowly.
Dropping operating:
Grip the 2 handles on barrel, lift to the top, hold for one second, then drop it down to the bottom.

FILTER CLEANING
The filter must be cleaned from time to time. This must be done before changing the bag collection system and should also be done when work is completed or when there is poor suction.
Procedure:
- Push down the damper , cover the inlet.
- Turn on the machine and wait 3 seconds, let the machine build up vacuum.
- Quickly push down on the key and wait 3 seconds.
- Repeat the procedure five times.
- Turn off the motor and wait until it stops completely, then uncover the inlet.

If suction remains poor, the pre-filter needs to be replaced. If suction still remains poor afterwards, the HEPA filters needs to be replaced. See instructions in chapter 6. FILTER CHANGE.
DUST STORAGE SYSTEM
The dust extractors are mainly equipped with continuous folding bagging system for effective dust storage or a regular plastic bag system depending on model. The continuous bag is a 72ft long plastic tube that will be divided into plastic bags using the zip ties attached with the machine.
To assemble a new continuous bag:
Release the belt holding the last bag. Remove the holder, put in a new bag & pull out the inner end upwards. Assemble the holder on to the machine and strap the opening facing upwards with the belt. Pull down the outside end and close it using a zip tie. All dust extractors can be used with continuous folding dust bags for single use. Also all models can be fitted with the continuous bag system. Only change continuous bag or regular bag after filter cleaning cycle have been completed.
To operate the continuous bag:

- Assemble the continuous bag, turn on the machine.
- Turn off the machine, the dust will drop down to the bags.
- Use a nylon tie to seal the bag
- Cut the bag
FILTER CHANGE
Risk of dust dispersion – Use personal safety equipment Unhealthy dust can be spread during filter change. Accordingly, the user should wear protective glasses, protective gloves, and a breathing mask conforming to protection class FFP3.

Pre-filter
Loosen the 3 clamps and remove the top. Take the bag from the new filter. Lift out the filter and place it gently in a plastic bag. This bag must be properly disposed. Insert a new filter.
Important:
If you are removing the Pre-filter in order to clean it. Hitting the filter with force or use of compressed air will destroy the filter. It can handle water, but high pressure water cleaning will destroy it.
HEPA Filter
Loosen the two nuts on each filter cover cap. Carefully lift the filter into a clean plastic bag, use the bag from the new filter. This bag must be properly disposed. Insert a new filter in reverse order.
Important:
HEPA filters can’t be cleaned, trying this might destroy it. When installing the replacement filter, make sure to not touch the inside of the filter. Any kind of force/damage on the inside of filter media will destroy the new filter.
SERVICE
- When cleaning and servicing the machine, you must switch off the machine and remove the plug from the outlet.
- Avoid cleaning with a high pressure cleaner. If necessary, do not direct at the openings on the machine, especially the opening for cooling air.
- Before moving the machine from the work area, the machine must be cleaned.
- All other equipment must be regarded as contaminated and be treated thereafter.
- If possible, use a special suitable room.
- Proper personnel protective equipment must be used. Dust can be spread when the coarse filter and the absolute filter are replaced that can be hazardous to health. Accordingly, the user should wear protective glasses, protective gloves, and a breathing mask conforming to protection class FFP3.
- All parts which are contaminated after service must be properly disposed of in plastic bags according to all regulations.
- If the machine has to be used for other purposes, it is extremely important that the machine is cleaned, to avoid the spread of hazardous dust.
- Do not puncture the HEPA filter. Risk of dust dispersion.
WARRANTY
All DDV devices and accessories have a 12-month factory warranty counting from the manufacturing date on the machine. Do not attempt to repair the suction apparatus without the consent of the manufacturer. The warranty does not cover defects which are the result of normal wear and tear, negligence, defective use, unauthorized repair or the suction apparatus being connected to the incorrect voltage. In the event of any complaint, the suction apparatus or an agreed part of it must be returned to us or our authorized representative for warranty examination and for any warranty repair or replacement.
PROBLEM SOLVING
The dust extractors are designed and manufactured for severe environments and tasks, but the user must note that the machine must be protected from knocks and blows. Filter, seals, attachments, and connections are carefully adapted and selected with regard to the operator’s work environment. Therefore, the operator and service personnel must treat the machine with care in order for it to work correctly for many years.
| Issue | Cause | Solution |
| Motor doesn’t start | No Power | Plug in machine |
| Cable defective | Replace cable | |
| Switch defective | Replace switch | |
| Soft start defective | Replace soft star | |
| Motor stops immediately after starting | Wrong fuse | Connect to correct fuse |
| Shortcut in cable/machine | Order service | |
| Motor runs but there is no suction | Hose not connected | Connect hose |
| Hose clogged/blocked | Clean hose | |
| No dust collection bag | Fit dust collection system | |
| Motor runs but poor suction | Hole in hose | Replace hose |
| Filter clogged | Clean filter/Replace filter | |
| Loose top cover | Adjust | |
| Defective gaskets | Replace affected gaskets | |
| Dust blown from motor | Wrongly assembled or damaged filter system | Adjust/Replace filters |
| Abnormal noise | Order service |
Dynamic Diamond Tooling
Tel: 407-298-7050
www.dynamicdiamondtooling.com
1924 Silver Star Road, Orlando, Florida 32804
TECHNICAL DATA
| Data | Unit | TS2000/120V | TS2000/230V |
| Voltage | V | 120V | 230V |
| Power(max) | KW | 2.4 | 2.4 |
| HP | 3.2 | 3.2 | |
| Current(UL) | A | 16 | 8 |
| Airflow (max) | m³/h | 400 | 400 |
| cfm | 236 | 236 | |
| Vacuum(Max) Water lift(inch) | mbar | 220 | |
| inch | 90 | 90 | |
| Main hose | Metric (mm) | 7.5mx D50 | 7.5mx D50 |
| USCS (inch) | 24’X2’’ | 24’X2’’ | |
| Inlet | Metric (mm) | 70 | 70 |
| USCS (inch) | 2.8’’ | 2.8’’ | |
| Pre filter EN 779-F8 | % @1μm | 99.5 | 99.5 |
| Pre filter area | Metric (m2) | 3 | 3 |
| USCS (ft2) | 32 | 32 | |
| HEPA filter EN1833-H13 | % @0.3μm | 99.99 | 99.99 |
| H13 HEPA filter area | Metric (m2) | 2.4 | 2.4 |
| USCS (ft2) | 26 | 26 | |
| Dust collection system | Type | Continuous folding bag | Continuous folding bag |
| Dimensions (L*W*H) | Metric (mm) | 570x710x1270 | 570x710x1270 |
| USCS (inch) | 22.4x28x50 | 22.4x28x50 | |
| Weight | Metric (kg) | 48 | 48 |
| USCS (Ibs) | 107 | 107 |
DDV26 – 120V

| S/N | P/N | Description | Quantity | Unit |
| 1 | DDV26 dust extractor | 1 | PC | |
| 2 | S8046 | D50 S wands,2PCS/SET | 1 | SET |
| 3 | C2031 | D70/50 reducer | 1 | PC |
| 4 | S8008 | D50 EVA anti static hose | 7.5 | Meter |
| 5 | S8006 | D50 hose cuff | 2 | PC |
| 6 | S8045 | D50 floor brush | 1 | PC |
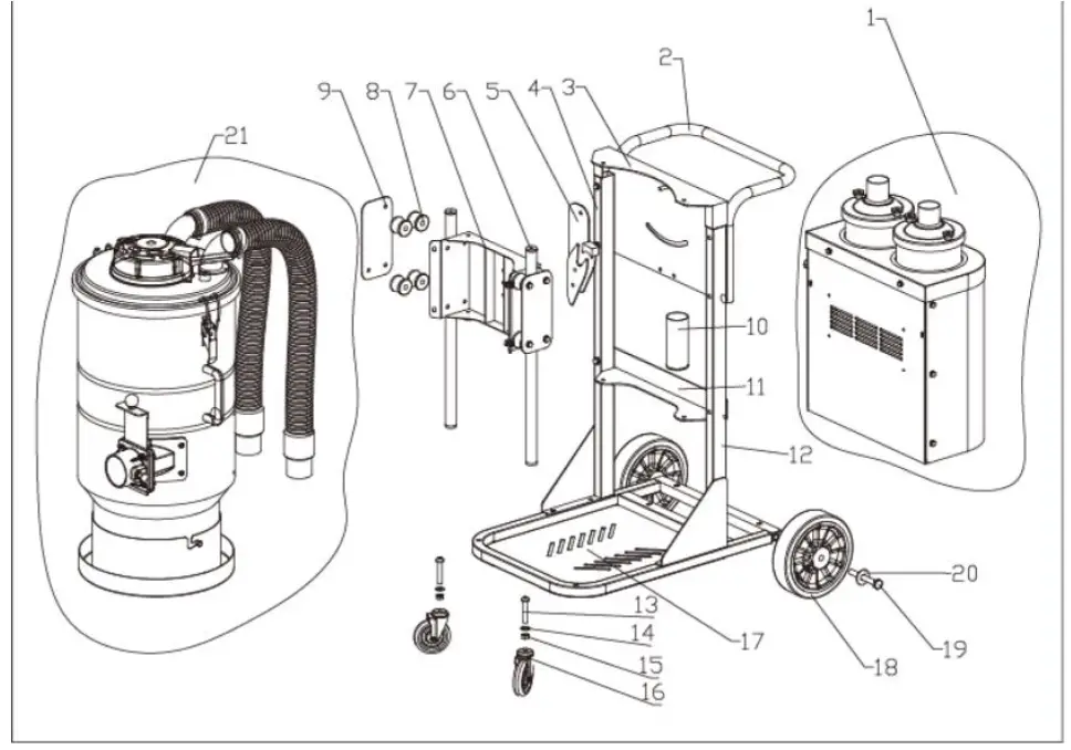
DDV26 – 120V Exploded views

| S/N | P/N | Description | Quantity | Dimension | Note |
| 1 | DDV26 engine kit | 1 | |||
| 2 | C2142 | DDV26 wagon complete packing | 1 | ||
| 3 | C2095 | DDV26 slider bar upper bracket | 1 | ||
| 4 | C2141 | DDV26 right stand column | |||
| 5 | C2146 | DDV lifting hook | 1 | ||
| 6 | C2098 | DDV26 slider bar | 2 | ||
| 7 | C2087 | DDV barrel holder | 1 | ||
| 8 | C2045 | D25 round tube pulley | 8 | ||
| 9 | C2101 | DDV pulley fixed plate | 2 | ||
| 10 | C2083 | Nylon cable tie storage container | 1 | ||
| 11 | C2096 | DDV26 slider bar lower bracket | 1 | ||
| 12 | C2140 | DDV26 left stand column | 1 | ||
| 13 | S0032 | hexagon bolt | 2 | M10*60 | |
| 14 | S0045 | Plain cushion | 2 | M10 | |
| 15 | S0015 | locknut | 2 | M10 | |
| 16 | S9030 | Universal wheels | 2 | 3’’ | Lockable |
| 17 | C2136 | DVV26 bed plate | 1 | ||
| 18 | S9011 | Heavy dusty caster | 2 | 8’’ | |
| 19 | S0033 | hexagon bolt | 2 | M12*100 | |
| 20 | S0046 | Extra-large plain cushion | 2 | M12*30*2.5 | |
| 21 | DDV26 barrel kit | 1 |
DDV26 – 120V Dustbin kit

| S/N | P/N | Description | Quantity | Dimension |
| 1 | C3026 | Plastic cover | 1 | |
| 2 | C2118 | TS2000 top cap | 1 | |
| 3 | C2134 | Lever (for jet pulse filter cleaning) | 1 | |
| 4 | S0013 | Nut | 5 | M6 |
| 5 | C2057 | Lever holder | 1 | |
| 6 | S0028 | Bolt | 2 | M6*60 |
| 7 | S0088 | Cushion | 1 | |
| 8 | S0010 | Bolt | 6 | M6*12 |
| 9 | S0011 | Nut | 8 | M6 |
| 10 | S0059 | Holder kit | 2 | |
| 11 | C2121 | DDV26 barrel | 1 | |
| 12 | B0039 | D70 inlet kit | 1 | |
| 17 | C2092 | Holder | 1 | |
| 18 | S0023 | Bolt | 2 | M6*35 |
| 19 | C2090 | Flap assembly kit | 1 | |
| 20 | C2091 | Balancing weight | 6 | |
| 21 | C2084 | Continuous bag holder packing | 1 | |
| 22 | S0089 | Nut | 2 | M8*15 |
| 23 | S0090 | Belt packing | 1 | |
| 24 | S8035 | Continuous folding bag | 1 | |
| 25 | S8006 | D50 anti static hose cuff | 2 | |
| 26 | S8007 | D50 EVA hose | 2 | D50*520mm |
| 27 | S8029 | DDV26 main filter | 1 | |
| 28 | S0092 | Hose Clamp | 2 | 40-63 |
| 29 | S8036 | Rubber ring | 1 |
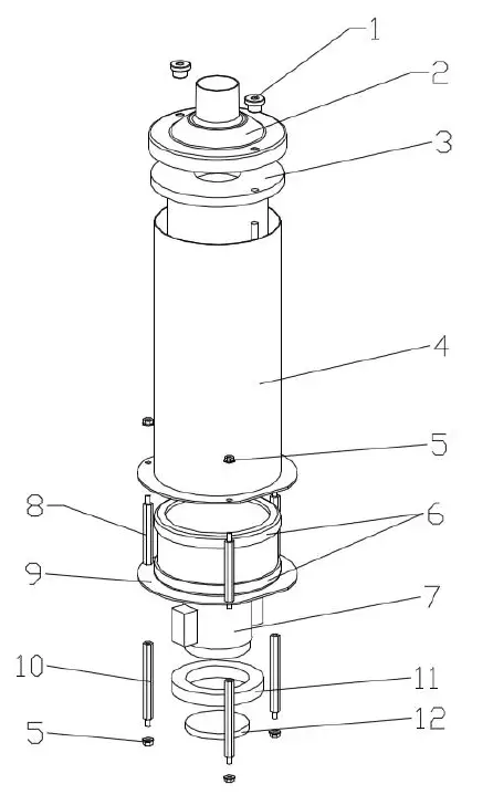
DDV26 – 120V Engine kit

| S/N | P/N | Description | Qty | Dimension | Note |
| 1 | C2126 | DDV26 engine cover | 1 | ||
| 2 | Engine kit | 2 | |||
| 3 | S0006 | Connector | 1 | PG11 | |
| 4 | S2005 | Cable with electricity plug | 1 | 3*1.5/8 meters length,-RVV-10A plug | 240V |
| S2006 | Cable with electricity plug | 1 | 3*2.0/8 meters length, -RVV-US plug | 110V | |
| 5 | C1106 | Baffle | 1 | ||
| 6 | C2128 | DDV26 engine cover(front) | 1 | ||
| 7 | C2131 | DDV26 engine over(front) | 1 | ||
| 8 | S9022 | Vacuum meter | 1 | ||
| 9 | S1001 | Switch | 2 | ||
| 10 | S1038 | Hour counter | 1 | ||
| 11 | S0010 | Bolt | 20 | M6*12 |
DDV26 motor package

| S/N | P/N | Description | Quantity | Dimension |
| 1 | S0091 | Nut | 2 | M8 |
| 2 | C2115 | HEPA filter top cover | 1 | |
| 3 | S8031 | H13 HEPA filter | 1 | |
| 4 | C2116 | HEPA filter cover | 1 | |
| 5 | S0011 | Nut | 6 | M6 |
| 6 | C3007 | Shock absorption rubber ring | 2 | |
| 7 | S1035 | Single phase motor | 1 | 120V 1200W |
| 8 | S0086 | Screws-1 | 3 | M6-76.5 |
| 9 | C2123 | DDV motor fixed plate | 1 | |
| 10 | S0087 | Screws-2 | 3 | M6-96.5 |
| 11 | S9028 | Soundproof sponge | 1 | D98-78-15 |
| 12 | S9029 | Filtering cotton | 1 | D78-8 |
DDV26 – 120V D70 inlet kit

| S/N | P/N | Description | Quantity | Dimension | Note |
| 1 | C3031 | 70mm inlet gasket | 1 | ||
| 2 | C3032 | 70mm inlet | 1 | ||
| 3 | S0075 | Cross screw with flat head | 2 | M5*10 | |
| 4 | C3019 | Slideway | 1 | ||
| 5 | C2043 | Inlet close door | 1 | ||
| 6 | S0076 | Copper collision | 4 | ||
| 7 | C2022 | Index plunger | 1 | ||
| 8 | C3021 | 70 outer inlet | 1 | ||
| 9 | S0013 | Locknut | 4 | M6 | |
| 10 | S0013 | Half round inner hexagon bolt | 3 | M6*35 | |
| 11 | S0022 | Half round inner hexagon bolt | 1 | M6*20 | |
| 12 | S0024 | hexagon bolt | 1 | M8*20 | |
| 13 | S0014 | Locknut | 1 | M8 | |
| 14 | S0077 | ball knob | 1 | M8*30 |

















