Munters 116857 Green CO2 Sensor Climate Controller

CO2 Sensor
Manual for use and maintenance
Rev 1.2, 12/2021
This manual for use and maintenance is an integral part of the apparatus together with the attached technical documentation.
This document is destined for the user of the apparatus: it may not be reproduced in whole or in part, committed to computer memory as a file or delivered to third parties without the prior authorization of the assembler of the system. Munters reserves the right to effect modifications to the apparatus in accordance with technical and legal developments.
Introduction
Disclaimer
Munters reserves the right to make alterations to specifications, quantities, dimensions etc. for production or other reasons, subsequent to publication. The information contained herein has been prepared by qualified experts within Munters. While we believe the information is accurate and complete, we make no warranty or representation for any particular purposes. The information is offered in good faith and with the understanding that any use of the units or accessories in breach of the directions and warnings in this document is at the sole discretion and risk of the user.
Introduction
Congratulations on your excellent choice of purchasing a CO2 Sensor!
In order to realize the full benefit from this product it is important that it is installed, commissioned and operated correctly. Before installation or using the sensor, this manual should be studied carefully. It is also recommended that it is kept safely for future reference. The manual is intended as a reference for installation, commissioning and day-to-day operation of the Munters equipment.
Notes
Date of release: Jan 2018
Munters cannot guarantee to inform users about the changes or to distribute new manuals to them.
All rights reserved. No part of this manual may be reproduced in any manner whatsoever without the expressed written permission of Munters. The contents of this manual are subject to change without notice.
Introduction
The CO2 Sensor measures CO2 levels in an agricultural environment. Working in conjunction with a controller, the CO2 Sensor sends a signal when the measured CO2 levels fall outside the user-defined specifications. This signal activates the controller’s ventilation. Refer to Figure 1.

NOTE The unit comes supplied with a 12 VDC supply.
Features
- Self-contained environment and impact-resistant sealed box
- Quick open clasps
- Easy installation
- Simple to connect and configure
- Continuous uninterrupted CO2 sensing
- Diagnostic LEDs
- Door-mounted sensor
Operating Mode
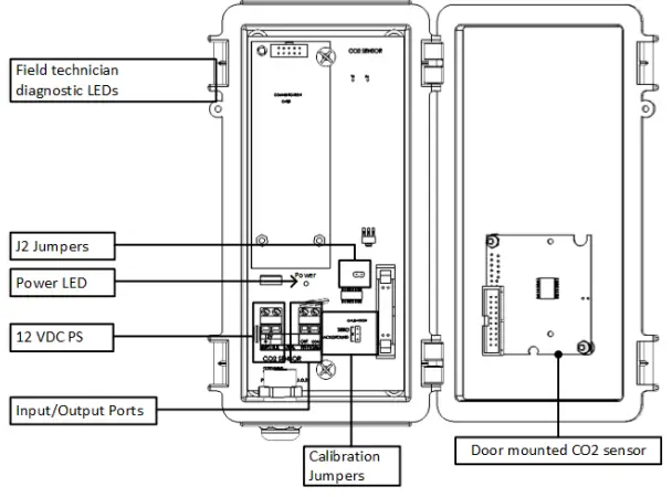
The CO2 Sensor operates in a Current Loop mode (4 – 20 milliamps). In this mode, the CO2 Sensor provides a signal proportional to CO2 levels. Verify that J2 is not shorted (refer to Figure 2).

Installation
This section details:
- Installing the Sensor
- Controller Connection
- Calibrating the Device
- Disconnecting the Sensor
Installing the Sensor
The CO2 Sensor comes with an extension cable that is used to:
- Connect the sensor to a power source
- Connect the sensor to the Green Climate Controller
- Detach the unit from the house during cleaning and maintenance procedures (Disconnecting the Sensor, page 13)

To install the unit:
- Mount the sensor in place.
- On the female plug, remove the retaining screw from the protective cover (Figure 4).

- Pull out the connector from the protective cover (Figure 5).

- Place the cable through the protective cover (Figure 6).

- On the top of the connector are numbers (Figure 7. Each wire must be attached to the corresponding port (Table 1). Connect the four wires to the connector Figure 8.

Table 1: Connecter Port FunctionsPort Number Function Wire Color 1 +12 V Red 2 -12 V (COM) Black 3 SIG Out White 4 SIG COM Green 
- Place the wired connector back into the protective cover and place the retaining screw in place (Figure 9).

Controller Connection

Place a jumper on the 4 – 20 mA on the corresponding jumper selection. In the above drawing, the input wire is attached to IN1; the jumper would be placed on INPUT 1 4 – 20 mA.
The Green Climate Controller supplies the VAC current. Refer to Figure 11.

Calibrating the Device

The C02 sensor comes calibrated. In normal conditions fresh air should have approximately 350 – 450 ppm CO2. Calibrate the device if the following conditions are met:
- The CO2 sensor is exposed to fresh air or a room with open windows
- The sensor reading is above 550
To calibrate the sensor:
- If connected, disconnect the device from the controller.
- Place the sensor on a steady base (in an area with fresh air or in a room with open windows).
- Apply 12V DC power.
- Operate the CO2 sensor for five minutes to stabilize the device.
- Using the supplied jumper, short the Background jumpers for 10 seconds as shown in Figure 13.

- Remove the jumper.
- Disconnect the power and (re)connect the sensor to the controller.
CAUTION Do not short the Zero jumpers; they are for factory-calibration only. If shorted, remove the jumper and calibrate again.
NOTE If the device reading is still above 550 when exposed to fresh air, repeat the process.
Disconnecting the Sensor
Before cleaning the poultry/animal house, disconnect the CO2 sensor.
To disconnect the sensor:
- Dismount the sensor from the wall.
- Separate the male and female plugs.

- Place the plug cap on the female cap.

- Snap the cap into place.

Maintenance and Care
The CO2 Sensor requires little or no maintenance. The following are general maintenance rules:
- Avoid damaging the CO2 Sensor box.
- Avoid contact with water or other fluids (when you clean the poultry house, remove the box).
- Ensure sensor grill on front box panel is clean and clear of obstructions.
NOTE Water may damage the sensor; therefore minimize exposure while washing, or using water for any purpose.
Specifications
| Output signal | 4 – 20 mAmp |
| CO2 range | 0 – 5000 ppm |
| Accuracy | 1% |
| Maximum cable length | 300 meters |
| Minimum wire size | 22 AWG |
| Power supply | 12 VDC/350 mA |
| CAUTION Unit shuld be powered by LimitedEnergy Source per IEC 61010-1 or Limited Power Source per IEC 60950-1 or IEC 62368-1 | |
| Operating temperature | 10 º – 70º C |
| Environmental Specifications | |
| · Indoor use only · Altitude: -400 m to 2000 m · Relative Humidity: 0 – 95% · Main supply voltage fluctuation up to 5% · Overvoltage category: OVCII · Pollution degree: PD2 · Ingress Protection: IPXO | |
Troubleshooting
The field technician diagnostic LEDs are visual diagnostic indicators for the field technician only. They are not end-user serviceable parts or indicators. Table 2 details possible system failure issues.
Table 2: CO2 Sensor System Failure Issues
| Problem | Solution |
| The Sensor Fail LED is lit when CO2 sensing element fails. | Replace CO2 sensing element |
| The Min. Fail or Max. Fail LED is lit: The sensor is out of acceptable range. | Replace CO2 sensing element |
| If the diagnostic LEDs are lit (D2, R12), indicates that the circuit may be incomplete. | Check circuitry for breaks |
| Readings are off the scale, even when fresh air is present. | Verify that there is a jumper on the Green Climate RAIC11 card, placed, set for 4 – 20 mA (refer to Figure 12). |
| Readings are lower than expected. | Remove jumper from J2 terminal (refer to Figure 2). |
| Power LED remains unlit | Check if power/COM wiring has been reversed (refer to Table 1). |
Warranty
Warranty and technical assistance
- Munters products are designed and built to provide reliable and satisfactory performance but cannot be guaranteed free of faults; although they are reliable products they can develop unforeseeable defects and the user must take this into account and arrange adequate emergency or alarm systems if failure to operate could cause damage to the articles for which the Munters plant was required: if this is not done, the user is fully responsible for the damage which they could suffer.
- Munters extends this limited warranty to the first purchaser and guarantees its products to be free from defects originating in manufacture or materials for one year from the date of delivery, provided that suitable transport, storage, installation and maintenance terms are complied with. The warranty does not apply if the products have been repaired without express authorization from Munters, or repaired in such a way that, in Munters’ judgment, their performance and reliability have been impaired, or incorrectly installed, or subjected to improper use. The user accepts total responsibility for incorrect use of the products.
- The warranty on products from outside suppliers fitted to the CO2 Sensor, (for example analog inputs, cables, etc.) is limited to the conditions stated by the supplier: all claims must be made in writing within eight days of the discovery of the defect and within 12 months of the delivery of the defective product. Munters has thirty days from the date of receipt in which to take action, and has the right to examine the product at the customer’s premises or at its own plant (carriage cost to be borne by the customer).
- Munters at its sole discretion has the option of replacing or repairing, free of charge, products which it considers defective, and will arrange for their dispatch back to the customer carriage paid. In the case of faulty parts of small commercial value which are widely available (such as bolts, etc.) for urgent dispatch, where the cost of carriage would exceed the value of the parts, Munters may authorize the customer exclusively to purchase the replacement parts locally; Munters will reimburse the value of the product at its cost price.
- Munters will not be liable for costs incurred in demounting the defective part, or the time required to travel to site and the associated travel costs. No agent, employee or dealer is authorized to give any further guarantees or to accept any other liability on Munters’ behalf in connection with other Munters products, except in writing with the signature of one of the Company’s Managers.
- WARNING! In the interests of improving the quality of its products and services, Munters reserves the right at any time and without prior notice to alter the specifications in this manual.
The liability of the manufacturer Munters ceases in the event of:
- dismantling the safety devices;
- use of unauthorized materials;
- inadequate maintenance;
- use of non-original spare parts and accessories.
Barring specific contractual terms, the following are directly at the user’s expense:
- preparing installation sites;
- providing an electricity supply (including the protective equipotential bonding (PE) conductor, in accordance with CEI EN 60204-1, paragraph 8.2), for correctly connecting the equipment to the mains electricity supply;
- providing ancillary services appropriate to the requirements of the plant on the basis of the information supplied with regard to installation;
- tools and consumables required for fitting and installation;
- lubricants necessary for commissioning and maintenance.
It is mandatory to purchase and use only original spare parts or those recommended by the manufacturer. Dismantling and assembly must be performed by qualified technicians and according to the manufacturer’s instructions. The use of non-original spare parts or incorrect assembly exonerates the manufacturer from all liability. Requests for technical assistance and spare parts can be made directly to the nearest Munters office.































