SenseAir eSENSE Ind Disp CO2 Sensor

General
The IAQ-sensor product eSENSE Ind for wall mounting in industrial application are designed to measure carbon dioxide (CO2). Option Disp displays the measured CO2 value in ppm (parts-per million) on the LCD.
The units are designed for connecting to Direct Digital Control (DOC) with 0-10V or 2-10V signal inputs. The two parallel signal outputs Out(1) (0-10V) and Out(2) (2-10V) give linear signal voltages corresponding to the measuring range.
The 2-10V output also indicates the status by setting the output voltage to 1V or 2 mA when the sensor self-diagnostics detects any error.
Exploded View of eSENSE Ind Disp

- Wall plate
- PCB (Factory supplied mounted in box)
- Hole for wall plate hooks
- Snap-in lid
- Locking screw of the lid (not shown)
- Air holes
eSENSE Ind Housing

- Lidlocking screw
- Wall plate
- Screw to hold the wall plate
- Drill marking for cable entry bushings
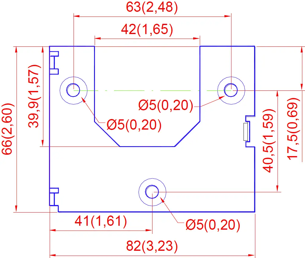
Housing Dimensions

Dismounting the Wall Plate

The sensor is delivered with the wall plate mounted. The wall plate has to be removed before the sensor is mounted onto the wall. Unscrew the screw on the side of the box.
Wall Mounting Instructions
- Electrical Cable Entry: The box has a factory mounted cable entry bushing in dimension PG9. Never feed more than one cable through each cable entry bushing, or else gas might leak through!
- Screw the Wall Plate onto the Wall: The wall plate has holes for three screws. Drill holes for 3.5mm screws and put dowel into them. Dowels and screws 3.5 x 25mm are included in a plastic bag.
- Attaching the Sensor Box: To the wall plate is done by a snap-in fitting. The wall plate has three hooks that fit in the sensor box. Fasten the screw on the side of the box.
- The Lid Can be Locked: With the screw at the bottom of the sensor box.
Electrical Connection
The power supply has to be connected to ~ +ve and ground is considered as system ground. The same ground reference has to be used for the eSENSE unit and for the DDC/Signal receiver.
The same ground reference has to be used for the eSENSE unit and for the control system!
| Terminal | Function | Electrical Data | Standard Settings | Settings of This Sensor |
| ~ + Ground | Power (+) Power Ground (-) | 24 VAC/DC+ (±20%), 2W 24 VAC/DC- | System Voltage Reference | |
| OUT (1) OUT (2) | Analogue Output 1 (+) Analogue Output 2 (+) | 0-10 VDC 2,0…10,0 VDC or 0,9…1,6 VDC or 0 VDC or 0mA | 0-2000 ppm CO2 0-2000 ppm CO2 Status = ERROR Status = NOT READY |

Senseair AB (Headquarter)
Stationsgatan 12
Box 96
824 08 Delsbo
SWEDEN
Phone: +46-(0)653-71 77 70
Email: [email protected]
Website: www.senseair.com




















