Garland E24-72G Counter Top Hot Plates and Griddles
FOR YOUR SAFETY:
DO NOT STORE OR USE GASOLINE OR OTHER FLAMMABLE VAPORS OR LIQUIDS IN THE VICINITY OF THIS OR ANY OTHER APPLIANCE
WARNING:
IMPROPER INSTALLATION, ADJUSTMENT, ALTERATION, SERVICE OR MAINTENANCE CAN CAUSE PROPERTY DAMAGE, INJURY, OR DEATH. READ THE INSTALLATION, OPERATING AND MAINTENANCE INSTRUCTIONS THOROUGHLY BEFORE INSTALLING OR SERVICING THIS EQUIPMENT
IMPORTANT INFORMATION
WARNING:
This product contains chemicals known to the state of california to cause cancer and/or birth defects or other reproductive harm. Installation and servicing of this product could expose you to airborne particles of glass wool/ceramic fibers. Inhalation of airborne particles of glass wool/ceramic fibers is known to the state of California to cause cancer.
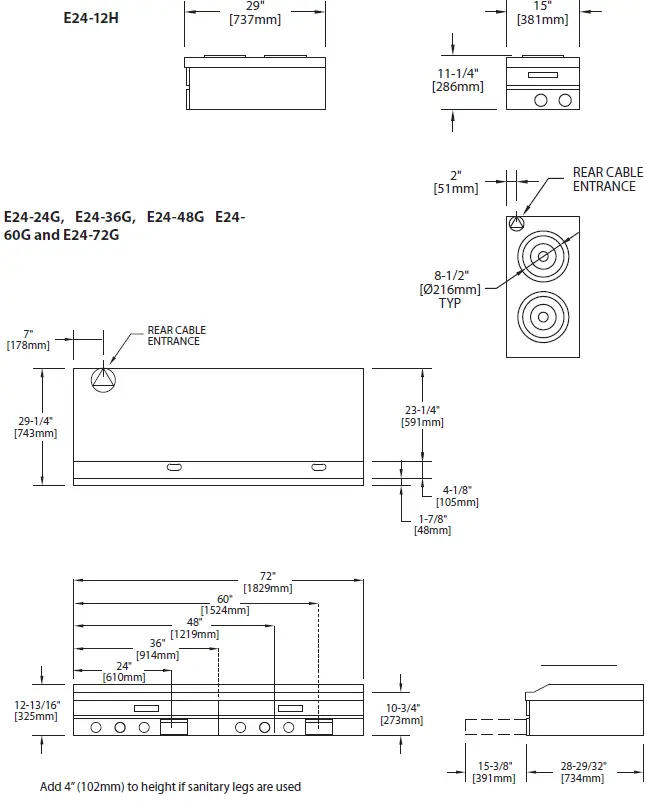
DIMENSIONS
| GRIDDLE SUFFIX DEFINITIONS | |
| -24G | 24 “ (610mm) Griddle |
| -36G | 36” (914mm) Griddle |
| -48G | 48” (1219 mm) Griddle |
| -60G | 60” (1524 mm) Griddle |
| -72G | 72” (1829 mm) Griddle |
ELECTRICAL SPECIFICATIONS
| E24 Grill Loading Chart – Delta (Domestic Wiring) | |||||||||
| Model | Voltage | Total KW | Total kW Load | Amps Per Phase | Single Phase | ||||
| kW X-Y | kW Y-Z | KW X-Z | AX | AY | AZ | ||||
| E24-24G | 208 | 8 | 0 .0 | 4 .0 | 4 .0 | 19 .2 | 19 .2 | 33 .3 | 38 .5 |
| 240 | 8 | 0 .0 | 4 .0 | 4 .0 | 16 .7 | 16 .7 | 28 .9 | 33 .3 | |
| 480 | 8 | 0 .0 | 4 .0 | 4 .0 | 8 .3 | 8 .3 | 14 .4 | 16 .7 | |
E24-36G | 208 | 12 | 4 .0 | 4 .0 | 4 .0 | 33 .3 | 33 .3 | 33 .3 | 57 .7 |
| 240 | 12 | 4 .0 | 4 .0 | 4 .0 | 28 .9 | 28 .9 | 28 .9 | 50 .0 | |
| 480 | 12 | 4 .0 | 4 .0 | 4 .0 | 14 .4 | 14 .4 | 14 .4 | 25 .0 | |
E24-48G | 208 | 16 | 4 .0 | 4 .0 | 8 .0 | 50 .9 | 33 .3 | 50 .9 | 76 .9 |
| 240 | 16 | 4 .0 | 4 .0 | 8 .0 | 44 .1 | 28 .9 | 44 .1 | 66 .7 | |
| 480 | 16 | 4 .0 | 4 .0 | 8 .0 | 22 .0 | 14 .4 | 22 .0 | 33 .3 | |
| E24-60G | 208 | 20 | 4 .0 | 8 .0 | 8 .0 | 50 .9 | 50 .9 | 66 .6 | 96 .2 |
| 240 | 20 | 4 .0 | 8 .0 | 8 .0 | 44 .1 | 44 .1 | 57 .7 | 83 .3 | |
| 480 | 20 | 4 .0 | 8 .0 | 8 .0 | 22 .0 | 22 .0 | 28 .9 | 41 .7 | |
E24-72G | 208 | 24 | 8 .0 | 8 .0 | 8 .0 | 66 .6 | 66 .6 | 66 .6 | 115 .4 |
| 240 | 24 | 8 .0 | 8 .0 | 8 .0 | 57 .7 | 57 .7 | 57 .7 | 100 .0 | |
| 480 | 24 | 8 .0 | 8 .0 | 8 .0 | 28 .9 | 28 .9 | 28 .9 | 50 .0 | |
| E24 Grill Loading Chart – Export (wye) | ||||||||||
| Model | Voltage | Total KW | Total kW Load | Amps Per Phase | A 1 Phase | Single Phase Voltage | ||||
| kW L1 | kW L2 | KW L3 | AL1 | AL2 | AL3 | |||||
E24-24G | 415V 2N~ (240/415V) | 8 .0 | 4 .0 | 4 .0 | 0 .0 | 16 .7 | 16 .7 | 0 .0 | 33 .3 | 240 |
| 380V 2N~ (220/380V) | 6 .7 | 3 .4 | 3 .4 | 0 .0 | 15 .3 | 15 .3 | 0 .0 | 30 .5 | 220 | |
E24-36G | 415V 2N~ (240/415V) | 12 .0 | 4 .0 | 4 .0 | 4 .0 | 16 .7 | 16 .7 | 16 .7 | 50 .0 | 240 |
| 380V 2N~ (220/380V) | 10 .1 | 3 .4 | 3 .4 | 3 .4 | 15 .3 | 15 .3 | 15 .3 | 45 .8 | 220 | |
E24-48G | 415V 2N~ (240/415V | 16 .0 | 4 .0 | 8 .0 | 4 .0 | 16 .7 | 33 .3 | 16 .7 | 66 .7 | 240 |
| 380V 2N~ (220/380V) | 13 .4 | 3 .4 | 6 .7 | 3 .4 | 15 .3 | 30 .5 | 15 .3 | 61 .1 | 220 | |
E24-60G | 415V 2N~ (240/415V) | 20 .0 | 8 .0 | 8 .0 | 4 .0 | 33 .3 | 33 .3 | 16 .7 | 83 .3 | 240 |
| 380V 2N~ (220/380V) | 16 .8 | 6 .7 | 6 .7 | 3 .4 | 30 .5 | 30 .5 | 15 .3 | 76 .4 | 220 | |
E24-72G | 415V 2N~ (240/415V) | 24 .0 | 8 .0 | 8 .0 | 8 .0 | 33 .3 | 33 .3 | 33 .3 | 100 .0 | 240 |
| 380V 2N~ (220/380V) | 20 .2 | 6 .7 | 6 .7 | 6 .7 | 30 .5 | 30 .5 | 30 .5 | 91 .6 | 220 | |
| LOADING CHART E24-H Hot Plate | |||||||||
| Model | Total Kw Load | Nominal Amperes Per Line | |||||||
| 3 Phase | Single Phase | ||||||||
| 240V | 208V | 240V | 208V | ||||||
| X | Y | Z | X | Y | Z | ||||
| E24-12H | 4 .2 | 15 .2 | 8 .8 | 8 .8 | 17 .5 | 10 .1 | 10 .1 | 17 .5 | 20 .2 |
Export voltage available on request – Specify wiring required
kW loadings are reduced on 220 volt systems. Standard wiring 240 volt (220/240) or 208 volt (197/219) single or three phase
INTRODUCTION
Your new equipment should be given regular care and maintenance. Periodic inspections by your dealer or a qualified service agency are recommended. This product has been certified as commercial cooking equipment and must be installed by professional personnel as specified.
Rating Plate
When corresponding with the factory or your local authorized factory service center regarding service problems or replacement parts, be sure to refer to the particular unit by the correct model number (including the prefix and suffix letters and numbers) and the warranty serial number. The rating plate affixed to the unit contains this information. The rating plate is located on the main back panel behind the unit, on hot plates. For griddles the plate is located on the grease drawer slide, remove the grease drawer to access. Before attempting the electrical connection, the rating pate should be checked to ensure that the unit’s electrical characteristics and the supply characteristics agree.
INSTALLATION
Unpacking
Unpack units carefully and provide the necessary space on counter of back bar. All units must be installed following the minimum back and side clearances stated on the tag affixed to each individual unit. To insure proper field wiring size check tag attached to the rear of the unit near knockout.
Leg Installation
- All units are shipped with N.S.F. approved legs. These legs must be installed to provide a minimum clearance of 4” (102mm) between he counter top and bottom of the appliance in order to meet the National Sanitation Foundation requirements.
- When using the legs described above, raise the front of the appliance and screw the leg into the leg-retaining nut provided at each corner of the appliance, repeat at each rear.
- The unit may be leveled by adjusting the legs. Use a spirit level and level the appliance four (4) ways: across the front and back; and down left and right edges.
NOTE:
Griddles may not rest evenly on the appliance body if the appliances are not leveled.
Electrical Connections
Before attempting the electrical connection, the rating plate should be checked to ensure that the unit’s electrical characteristics and the supply characteristics agree. Installation of the wiring must be made in accordance with UL 197 Commercial Electric Cooking Appliance Standards, Local and/or National Electrical Code, and ANSI/NFPA 70-1990 and include.
- Switch panel size
- Overload protection
- Wire type
- Wire size
- Temperature limitations of the wires
- Method of connection (Cable, Conduit, etc.)
The service line enters though the rear of the unit and is to be connected to the terminal block. Input voltage and phasing must match the unit’s voltage and phasing. Visually check all electrical connections. Energize the electrical connections.
NOTE:
Appliances are not internally fused. They must be connected to a suitable disconnect box in accordance with local code.
E24-12H Hot Plate
Electrical connection to the terminal may be made though the knockout on the main back. Front access is gained by raising the rear surface element and removing bowl. The terminal block shield is located toward the back lower left of the unit.
E24 Series Griddles
The electrical connections may be made though the knockout at the rear of the unit to the terminal block located behind the terminal block shield. Front access is gained by raising and propping the griddle plate. The terminal block shield is toward the back and left of the appliance. Remove the shield to expose the terminal block. Make the necessary connection and replace the shield. These appliances have no fusing.
INITIAL OPERATION
Before use allow the griddle plate to reach room temperature. Clean the griddle surface thoroughly by washing with hot water and mild soap to remove rust preventative. Rinse and dry well.
Griddle Seasoning Instructions
- Remove all factory applied protective material by washing with hot water, mild detergent or soap solution.
- Apply a thin coat of cooking oil to the griddle surface, about one ounce per square foot of griddle surface. Spread over the entire griddle surface with a cloth to create a thin film. Wipe off any excess oil with a cloth.
- Turn on all thermostats, some discoloration will occur when heat is applied to the steel.
- Heat the griddle slowly for 15 to 20 minutes, then wipe away the oil. Repeat the procedure 2 to times until the griddle has a slick, mirror like finish. Do this until you have reached the desired cooking temperature.
IMPORTANT:
Do not attain 450° F (232° C) (on the thermostat control) during the “break-in” period. The griddle will not require re-seasoning if it is used properly, if the griddle is over heated and product begins to stick to the surface it may be necessary to repeat the seasoning process again. If the griddle is cleaned with soap and water it will be necessary to re-season the griddle surface again.
OPERATION
Open Type Burners
It should be pointed out that the open burners are not designed or intended heavy-duty service. Use of large stockpots will severely damage the surface elements and is not normally covered under the warranty policy! It is recommended that cooking utensils no larger than 10” (254 mm) in diameter and with a capacity no larger than 1 gallon (3.79 liters) be used on the surface elements. Infinite switches are used to control the front and rear heating elements. Numbers on switch knobs provide the following:
| HI – 5 | High Heat |
| 5 – 3 | Medium Heat |
| 3 – LO | Low Heat |
Setting the switches between these numbers will give intermediate heats. Switches are reversible and may be turned right or left. Surface heating units should not be left on high heat if not covered by a cooking utensil. Turn the switch to number 4 position or lower when units are idling. Failure to do this will shorten the life of the surface heating elements. Two (2) pilot indicator lamps are provided, one for each heating unit and these will illuminate when heat is being produced by the elements.
E24 Series Griddles
All E24 series griddles are thermostatically controlled from 125° to 450°F (52° to 232° C). To operate, turn the thermostats to desired temperature. Indicator lamps will come “ON” and as the griddle areas reach the desired temperature the indicator lamp will go “OFF”. As the thermostats call for more heat, the indicator lamps will come “ON” and will continue to cycle “OFF” and “ON” as the thermostat operates. Do not waste electricity or abuse equipment by leaving thermostat at high temperature settings if not required. Throughout all idling periods, set the thermostat to low temperature settings to keep the griddle warm. Re-set thermostat as required for periods of heavy use. Turn the thermostat to “OFF” at end of daily operation.
Calibration of the Griddle Thermostat
Equipped with commercial duty snap action electric thermostats, these units are designed to open on temperature rise. Field re-calibration is seldom necessary and should not be resorted to unless experience with cooking results definitely proves that the control is not maintaining the temperature to which the dial is set.
NOTE:
NO ATTEMPT TO RECALIBRATE THE GRIDDLE CONTROL SHOULD BE MADE WITHIN THE WARRANTY PERIOD. IF THE CONTROL IS OUT ± 20° F FROM THE DIAL SETTING, THE CONTROL WILL BE REPLACES UNDER WARRANTY. IF SOMEONE ATTEMPTS RECALIBRATION DURING THE WARRANTY PERIOD THERE WILL BE NO WARRANTY ON THE CONTROL THAT WAS TAMPERED WITH.
Calibration Instructions
- Use a test instrument (surface pyrometer) with a special disc type thermocouple or reliable “surface” type thermometer. Note: A drop of oil on the face of the disc will provide better contact with the griddle plate.
- Turn all griddle thermostats to 350° F (177° C). In order to allow the griddle temperature to stabilize the controls must be allowed to cycle three times before taking a test reading.
- Check the temperature reading when the thermostat cycles off by placing the sensor firmly on the center of each section of the griddle surface. Take a second temperature reading when they thermostat cycles back on. Make a note of this reading. The average of the two readings should be ± 20° of 350° set temperature. If the average is more than the 20° tolerance, recalibrate as follows.
- Carefully remove the thermostat dial, not disturbing the dial setting.
- Hold the dial shaft steady and with a screwdriver turn the calibration screw, (that is located inside the thermostat shaft), clockwise to decrease and counter-clockwise to increase the temperature. A 1/4 turn = 25°F change
- Replace the thermostat dial and repeat steps 1 through to verify if the correct adjustment has been made.


MAINTENANCE AND CLEANING
NOTE:
Disconnect line cord from the power supply or turn the power off at the circuit breaker before cleaning of servicing for your protection against electric shock.
Exterior Cleaning
Establish a regular cleaning schedule. Any spills should be wiped off immediately.
- Wipe exposed, cleanable surface when cool with a mild detergent and hot water. Stubborn residue spots may be removed with a lightweight non-metallic scouring pad. Dry thoroughly with a clean cloth.
- Stainless steel should be cleaned using a mild detergent, a soft scouring pad and hot water. If it necessary to use a non-metallic scouring pad, always rub in the direction of the grain in the metal to prevent scratching. Use a water based stainless steel cleaner (Dracket Twinkle), if you want a high shine. Never use steel wool on Stainless steel.
- The control panel surface is easily cleaned with hot water, soap and a soft cloth. Do not use hard abrasives, solvent type materials or metallic scouring pads since these will scratch or cloud the surface.
- Never spay the perforated areas or control panel with steam or water, this will allow moisture into the control cavity which could damage electrical components.
Cleaning Of Top Surface Heating Elements
Surface elements may be raised to permit removal of the spillover burner bowl located under the surface elements. Spillover burner bowls may be cleaned, wiped dry and replaced. The Cooking top may be wiped with a damp cloth using a mild detergent and warm water. Rinse with clear, warm water and dry thoroughly.
Griddle Cleaning.
To produce evenly cooked, perfectly browned griddle products, keep the griddle free from carbonized grease. Carbonized grease on the surface hinders the transfer of heat from the griddle surface to the food product. This results in uneven browning and loss of cooking efficiency and worst of all, carbonized grease tends to cling to griddle foods, giving them a highly unsatisfactory and unappetizing appearance. To keep the griddle clean and operating at peak performance, follow these simple instructions.
- After each use clean the griddle thoroughly with a grill scraper or spatula. Wipe off any excess debris left from the cooking process.
- Once a day clean the griddle surface with a grill brick and grill pad. Remove the grease container and clean thoroughly, in the same manner as any ordinary cooking utensil.
- Once a week clean the griddle surface thoroughly. If necessary, use a grill stone or grill pad over the griddle surface. Rub with the grain of the metal while still warm. A detergent may be used on the plate surface to help clean it, but care must be taken to be sure it is thoroughly removed. After removal of the detergent, the surface
of the plate should be covered with a thin film of oil to prevent rusting. To remove discoloration, use a non-abrasive cleaner. Before re-using the griddle must be re-seasoned. Keep the griddle drain tube to the grease container clear at all times.
Empty grease trough below the griddle frequently. The front grease trough should be washed using a hot, mild detergent or soap solution. Rinse with clear, warm water and dry thoroughly.
CAUTION:
This griddle plate is steel, but the surface is relatively soft and can be scored or dented by careless use of a spatula. Be careful not to dent, scratch, or gorge the plate surface. This will cause food to stick in those areas. Also, note, since this is a steel griddle if a light coat of oil is not always present, rust will develop on exposed area.





















