CALIFORNIA AIR TOOLS 20060CAD Ultra Quiet and Oil Free Air Compressor

INTRODUCTION
|
| This manual contains important instructions for operating this product. For your safety, and the safety of others, be sure to read this manual thoroughly before operating the product. Failure to properly follow all the instructions and precautions can cause you and others to be seriously hurt or killed. |
Thank you for purchasing a California Air Tools, Inc. Air Compressor.
Record the model and serial numbers indicated on your air compressor’s nameplate:
Model No. ________________________________________
Serial No. ________________________________________
Date of Purchase: _________________________________
Store/Dealer: _____________________________________
How to find a local service center:
Even quality built equipment might need service or repair parts. Contact the California Air Tools Customer Service Department:
Phone: 1-866-409-4581
Online: WOWED.CALIFORNIAAIRTOOLS.COM
Please provide the information below:
Model number and Serial number and specifications shown on the Model number/Serial number plate.
Part number or numbers shown in the parts list section of the owner’s manual for your air compressor model.
A brief description of the trouble with the air compressor.
Do not return your air compressor for service or parts to the store/dealer where purchased.
IMPORTANT SAFETY INSTRUCTIONS
Safety Messages & Signal Words:
|
| Indicates an immediate hazardous situation which, if not avoided, will result in death or serious injury to the operator or to bystanders. |
|
| Indicates a potentially hazardous situation which, if not avoided, could result in death or serious injury to the operator or to bystanders. |
|
| Indicates a potentially hazardous situation which, if not avoided, may result in moderate or minor injury to the operator or to bystanders. |
NOTICE |
| Indicates a situation which, if not avoided, may result in damage to product components or other property. |
|
|
| Moving parts can cause severe trauma. Keep hands and feet away from rotating parts, tie up long hair, remove jewelry, and DO NOT wear loose clothing. |
|
|
| There is a danger of electric shock. Use only undamaged electrical cords. DO NOT touch bare wires or receptacles. DO NOT operate air compressor in wet weather or in wet conditions. DO NOT touch air compressor or cords if hands or feet are wet. Ensure that all cords are free of damage before connecting to the power supply. Ensure that you have a suffifficient electrical supply for supporting the requirements of the motor. Improper installation of the grounding plug is able to result in a risk of electric shock. When repair or replacement of the cord or plug is required, do not connect the grounding wire to either flat terminal. The wire with insulation having anouter surface that is green with or without yellow stripes is the grounding wire. This product must be grounded. In the event of an electrical short circuit, grounding reduces the risk of electrical shock by providing an escape wire for the electric current. This product is equipped with a cord having a grounding wire with an appropriate grounding plug. The plug must be plugged into an outlet that is properly installed and grounded in accordance with the local codes and ordinances. This product is for use on a nominal 220-V circuit and has a grounding plug similar to the plug illustrated in sketch . Only connect the product to an outlet having the same configuration as the plug. Do not use an adapter with this product. |
|
|
| Dust or dust-like particulates caused bypower-sanding, sawing, grinding, drilling or any other construction-like activities can contain contaminants that are harmful to breathe. Always use your air compressor in a well-ventilated and clean area. Never breathe the air that comes directly out of the air compressor or air hose. This air is not suitable for breathing. Always wear approved safety equipment. When performing dust-creating activities, securely wear properly-fit face masks or respirators. If you feel ill from breathing while operating your air compressor, stop and seek medical attention immediately. |
|
|
| Air compressor surfaces become hot during operation. DO NOT touch hot surfaces, because they can cause severe burns. Do not touch the air compressor’s cylinder head. During operation, the cooling fins of the cylinder head and delivery pipe become hot. Allow the air compressor to cool before touching it. DO NOT place a storage cover on the unit during operation. Only place a cover on the air compressor after it has thoroughly cooled down. |
|
|
| Flying objects can cause injury to the eyes, head and other parts of the body. Air-powered equipment and power tools are capable of propelling items (metal chips, fasteners and particulates) at high speed into the air and could result in injury. Always wear approved head and eye protection. Never point the air stream at any part of your body, or at another person or animal. When operating the air compressor, make sure all other people and animals maintain a safe distance. Do not move the air compressor when the air tank is under pressure. Never use the air hoses to pull or move the air compressor. Keep the air compressor on a flat surface. |
|
|
| Exercise caution when using pressurized air. To prevent injury and for your general safety, only use high-pressure hoses, fittings and couplings designed for use with air compressors. Inspect all hoses, fittings and couplings for leak sand wear. When leaks and wear are detected, stop use and replace those items immediately. Do not repair. Never leave pressurized air in the air tank when performing maintenance. Never leave the air compressor unattended with the power supply in use and the air hose connected. |
|
|
| Improper care could lead to the air tank bursting or exploding. Drain air tank daily or after each use to prevent moisture buildup in the air tank. Rust can weaken the air tank and cause leaks or bursting. If rust is detected, replace tank immediately. Do not try to repair the air tank by welding, drilling or modifying it in any other way. These modifications can weaken the air tank and cause a hazardous condition. If air tank develops a leak, replace the air tank immediately. Never repair, weld or make modifications to the air tank or its attachments. Never make adjustments to the factory-set pressures. Never exceed manufacturer’s maximum-allow able pressure rating attachments. Because of extreme heat, do not use plastic pipe or lead tin solder joints for a discharge line. |
|
|
| Use caution to minimize risk of fire or explosion. It is normal for the air compressor motor and pressure switch to produce sparks while operating. If sparks come in contact with vapors from gasoline or solvents, they may ignite and cause a fire or explosion. Abrasive tools such as grinders, drills and other tools are capable of making sparks that can ignite flammable materials. Always operate the air compressor a safe distance away from flammable items. Use in well-ventilated areas. Never exceed the maximum rated pressure. |
|
| THIS EQUIPMENT INCORPORATES PARTS, SUCH AS SNAP SWITCHES, RECEPTACLES AND THE LIKE THAT TEND TO PRODUCE ARCS OR SPARKS, THERE, WHEN LOCATED IN A GARAGE, IT SHOULD BE IN A ROOM OR ENCLOSURE PROVIDED FOR THE PURPOSE, OR SHOULD BE 18 IN (45.7 CM) OR MORE ABOVE THE FLOOR. |
LOCATIONS OF IMPORTANT LABELS
Read these important labels before operating. These labels provide important safety and maintenance information. These labels should be considered as permanent parts of the air compressor. Should any of these labels become illegible, damaged or removed, please contact California Air Tools Customer Service department at 1-866-409-4581 for replacements.

| PRODUCT LABEL | |
| A | ![]() |
| B | ![]() |
| C | ![]() |
| D | ![]() |
| E | ![]() |
| F | ![]() |
| G | ![]() |
| H | ![]() |
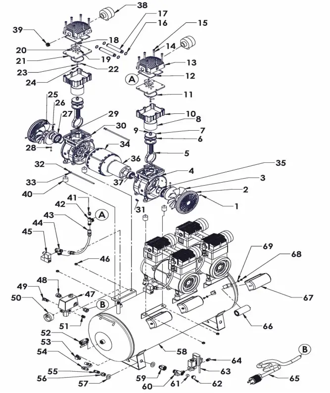
OVERVIEW

| NO. | Part | NO. | Part | NO. | Part | NO. | Part | NO. | Part |
| 1 | Fan Screw | 21 | Valve Plate | 41 | Easy Start Valve | 61 | Burr Filter | 81 | |
| 2 | Fan Cover | 22 | Air Inflow Valve Plate | 42 | ELBOW(10020C) | 62 | Filter Ball Valve Cap | 82 | |
| 3 | Left Fan | 23 | Metal Strengthen Sheet | 43 | Fluid hose 3/8″14.5″ Long | 63 | Auto Drain | 83 | |
| 4 | Left Crankcase | 24 | Screw | 44 | 2HP Check Valve | 64 | Connector Male1/ 4″ NPT 8mm | 84 | |
| 5 | Connecting Rod | 25 | Right Fan | 45 | Electro magntesim Valve 220v | 65 | Power Cord 10 AWG | 85 | |
| 6 | Piston Ring | 26 | Crank | 46 | NutM8-125 Nylon | 66 | Capacitor 35µF | 86 | |
| 7 | Pressure Plate | 27 | Bearing 600S-2Z | 47 | Pressure Switch | 67 | Capacitor Cap | 87 | |
| 8 | Cylinder | 28 | Cheese head screw | 48 | Strain Relief | 68 | Capacitor Cap Screw | 88 | |
| 9 | Pressure Plate Screw | 29 | Connecting Rod Screw | 49 | Safety Valve 140PSI | 69 | Washer for M6 | 89 | |
| 10 | Adjustment Stent | 30 | Right Crank Case | 50 | Pressure Gauge | 70 | 90 | ||
| 11 | Cylinder Obsturating Ring | 31 | Leading-out line Guard Circle | 51 | 1HPSeal | 71 | 91 | ||
| 12 | Cylinder Head Osbturating Ring | 32 | Bolt | 52 | 1/ 2″ MXF Full Ball Valve | 72 | 92 | ||
| 13 | Cylinder Head | 33 | Washer | 53 | ExhaustElBOW l -A3 | 73 | 93 | ||
| 14 | Spring Washer | 34 | Stator | 54 | Exhaust Pipe Hose10″ L-A3 | 74 | 94 | ||
| 15 | Cylinder Head Screw | 35 | Clip | 55 | Connecting Bar MX | 75 | 95 | ||
| 16 | Connecting Hose ObturatinRi | 36 | Rotor | 56 | Brass Connector 3/8″ x1/4″NP | 76 | 96 | ||
| 17 | Connecting Hose | 37 | Bearing 6204-22 | 57 | Washer MB | 77 | 97 | ||
| 18 | Screw | 38 | 20015HP Filter | 58 | Tank{20gal.) | 78 | 98 | ||
| 19 | limited Block | 39 | 2HP Motor Head Plug1/2″NPT | 59 | Brass Fitti111g Pipe Adapter F1/. | 79 | 99 | ||
| 20 | Gassing Valve Plate | 40 | Shock Strut | 60 | Filter Ball Valve | 80 | 100 |
PRE-OPERATION CHECKLIST
Package Contents
Model: 20060CAD
Package contents:
- Air Compressor
- 3’ Tubing (for auto drain valve)
- Owner’s Manual
Assembly
Install the Air Filters.
- Screw the six air filters into the 6 ports located on the top side of the motor heads.

|
|
| Use caution to minimize risk of fire or explosion. It is normal for the air compressor motor and pressure switch to produce sparks while operating. If sparks come in contact with vapors from gasoline or solvents, they may ignite and cause a fire or explosion. Abrasive tools such as grinders, drills and other tools are capable of making sparks that can ignite flammable materials. Always operate the air compressor a safe distance away from flammable items. Use in well-ventilated areas. Never exceed the maximum rated pressure. |
Inspect for Damage
Before using the air compressor, make sure the air tank is not damaged, inspect all parts for damage, and check that all pipes are firmly connected.
Do not use the air compressor if any damage is found. If damaged, have an authorized service center inspect and test the air compressor to ensure that is working properly.
Save Packaging
Save all outside packaging in case you ever need to return the product for service or repair.
|
![]() RISK TO BREATHING |
| Dust or dust-like particulates caused by power-sanding, sawing, grinding, drilling or any other construction-like activities can contain contaminants that are harmful to breathe. Always use your air compressor in a well-ventilated and clean area. Never breathe the air that comes directly out of the air compressor or air hose. This air is not suitable for breathing. Always wear approved safety equipment. When performing dust-creating activities, securely wear properly-fit face masks or respirators. If you feel ill from breathing while operating your air compressor, stop and seek medical attention immediately. |
Compressor Location
Use on Flat Surface
For proper operation, the air compressor must be placed on a flat surface with an incline no greater than 15 degrees.
Maintain a Clear Area
It is very important that the air compressor is positioned so that there is adequate airflow around the machine. There must be at least 2 feet of obstacle-free space surrounding and above the air compressor.
Use in Areas with Clean Air
For proper operation and to maximize the longevity of the air compressor, it is very important that the air drawn into the air compressor is clean. The air compressor should not be used in areas where dust particulates are in the air. This will damage the motor and impair proper operation.
IMPORTANT: Always use the air filter, properly installed.
Electrical Power
Electrical Power Requirements
|
|
| There is a danger of electric shock. Use only undamaged electrical cords. DO NOT touch bare wires or receptacles. DO NOT operate air compressor in wet weather or in wet conditions. DO NOT touch air compressor or cords if hands or feet are wet. Ensure that all cords are free of damage before connecting to the power supply.Ensure that you have a sufficient electrical supply for supporting the requirements of the motor. Improper installation of the grounding plug is able to result in a risk of electric shock. When repair or replacement of the cord or plug is required, do not connect the grounding wire to either flat terminal. The wire with insulation having an outer surface that is green with or without yellow stripes is the grounding wire. This product must be grounded. In the event of an electrical short circuit, grounding reduces the risk of electrical shock by providing an escape wire for the electric current. This product is equipped with a cord having a grounding wire with an appropriate grounding plug. The plug must be plugged into an outlet that is properly installed and grounded in accordance with the local codes and ordinances. This product is for use on a nominal 220-V circuit and has a grounding plug similar to the plug illustrated in sketch A. Only connect the product to an outlet having the same configuration as the plug. Do not use an adapter with this product. |
Before using the air compressor, refer to the serial label for voltage and amperage requirements. Make sure you have a sufficient electrical supply for supporting the motor’s requirements. Use a dedicated 220 Volt 60 Hertz circuit 208 Volts requires a buck boost transformer Low voltage and/or an overload circuit can cause the motor’s overload protection system circuit breaker to trip. NEMA L6-30R Outlet (receptacle) is required.
OPERATING THE AIR COMPRESSOR
Save this manual for future reference.
Introduction
This air compressor features a compact structure, stable, performance, a high airflow rate, easy operation and low maintenance. Because the air compressor produces no oil in the airflow, it can be used for air supplies that need oil-free air. The motor directly drives the pistons and does not need any lubrication or oil to function for a long period of time.
Assembly
- Attach the air hose to the 1/2” NPT Female Port located on the right end of the air compressor air
- Install the (6) air filters into the 6 ports located on the top right and left of the motor
- Make sure the manual drain valve is in the off position and that the air compressor power switch is in the OFF position
- Ensure that the power supply you are going to use is operating Use a dedicated ( 220 Volts 60 Hertz) outlet. 208 Volts requires a buck boost transformer
- Insert the power supply cord into a NEMA L6-30R (receptacle)
- Extension cords are not
|
| This manual contains important instructions for operating this product. For your safety, and the safety of others, be sure to read this manual thoroughly before operating the product. Failure to properly follow all the instructions and precautions can cause you and others to be seriously hurt or killed. |
Test Run
Before using the air compressor for the first time, complete a test run as follows:
- Turn the power switch to the OFF Plug the power supply cord into a power supply socket. Start the air compressor by turning the power switch to the ON position. The pressure gauge reading will slowly rise as pressure increases inside the air tank. When the gauge reading reaches 120 -125 PSI, the pressure switch will automatically turn the power off. This indicates the compressor is working normally.
- Turn the power switch to the Off position, unplug the power supply cord and release the air from the manual drain At this point proceed to the next step (daily operations) starting the air compressor to continue to use.
Note: If the Air Compressor is not working properly, the pressure gauge will indicate that there is a decrease in pressure in the air tank. If there is an air leak from the compressor the pressure in the air tank decreases, the pressure switch resets and the motor automatically turns back on.
If you detect an air leakage, turn the power switch to the Off position, release the air from the tank by pulling on the safety valve. Unplug the power supply cord and contact Customer Support for Assistance.
| WARNING |
![]() HOT SURFACE |
| Air compressor surfaces become hot during operation. DO NOT touch hot surfaces, because they can cause severe burns. Do not touch the air compressor’s cylinder head. During operation, the cooling fins of the cylinder head and delivery pipe become hot. Allow the air compressor to cool before touching it. DO NOT place a storage cover on the unit during operation. Only place a cover on the air compressor after it has thoroughly cooled down. |
|
![]() FLYING OBJECTS |
| Flying objects can cause injury to the eyes, head and other parts of the body. Air-powered equipment and power tools are capable of propelling items (metal chips, fasteners and particulates) at high speed into the air and could result in injury. Always wear approved head and eye protection. Never point the air stream at any part of your body, or at another person or animal. When operating the air compressor, make sure all other people and animals maintain a safe distance. Do not move the air compressor when the air tank is under pressure. Never use the air hoses to pull or move the air compressor. Keep the air compressor on a flat surface. |
Daily Operation
Starting the compressor
- Turn the power switch to the OFF
- Attach the air hose or air fitting to the Female 1/2” NPT port located on the right end of the air compressor air
- Close the manual drain
- Plug the power supply cord into a power supply
- Turn the power switch to the ON
- Let the motor run and tank fill until motor turns
- Operate air tool
- To regulate the air to the air have the air compressor and air tool both turned on and running. Turn the regulator knob to the right to increase the pressure and to left to decrease the air pressure to the hose and air tool.. Do not use continously (running) for more than (1) hour.
Shutting down the compressor
- Turn the power switch to the OFF
- Unplug the power supply
- Reduce the pressure in the air tank through the air
- Draining the air tank regulatorly from the manual drain valve will help prevent corrosion in the air
MAINTENANCE
Draining the Air Tank
The frequency at which you should drain the air tank depends on the environmental conditions and the amount of operating time logged.
Your air compressor is equiped with an EZ-1 Auto Drain Valve that automatically drains the air tank.
- Place the drain tube from the auto drain valve into a waste container capable of holding
- The Auto Drain Valve will open at the beginning of a cycle to drain the water out of the air
- Empty the waste container of water
- Highly recommended to manually drain the air tank regularly (Daily) from the ball drain valve to remove excess
- Draining the air tank protects parts from rust and
Changing the Air Filter
The air filters are designed to reduce noise and help prevent particulates in the air from entering and damaging the air compressor.
After being used for a period of time, the air filter will become clogged. This will reduce the air intake capabilities of the air compressor, reducing performance. Therefore, the air filter must be replaced regularly.
- Open the lid of the air filter and remove the old air filter
- Replace with a new air filter element and close the
Testing for Leaks
Make sure all connections are tight. Do not overtighten.
A small leak in any hose or pipe connection will reduce the air compressor’s performance.
To test for small leaks, spray a small amount of soapy water on the area suspected of leaking. If the soap bubbles, replace the broken part.
Cleaning
Clean items with a soft brush, or wipe with a moistened cloth using a biodegradable solvent. Do not use flammable liquids such as gasoline or alcohol. Always keep parts clean from dirt and dust for better performance.
STORAGE
Before storing for a prolonged period of time:
- Turn off the power
- Disconnect the power cord from the power
- Release all of the pressure and moisture from the air tank through the manual drain
- Clean the air compressor to remove all dirt and
- Cover the air compressor with a cover to protect the unit from dust and
- Do not stack or store any items on top of or around the air compressor. Damage could occur.
|
| TO REDUCE THE RISK OF ELECTRIC SHOCK, DO NOT EXPOSE TO RAIN. STORE INDOORS. |
TROUBLESHOOTING
WWW.CALIFORNIAAIRTOOLS.COM
Go to the “Maintenance & Trouble Shooting Guide” Tab
| PROBLEM | POSSIBLE CAUSE | POSSIBLE SOLUTIONS |
| Pressure drop in the tank. | Air leaks at connections. | Let the compressor build pressure in the tank, to the maximum pressure if possible. Brush soapy water on air connections and look carefully for air bubbles. Tighten leaky connections. |
| The unloader valve leaks when the compressor is idle. | Unloader valve spring compressed. | Let the air in the tank flow out until all the pressure is released. Then remove the unloader valve plug and clean the valve spring and elongate. If necessary, replace the spring and then reinstall all components. |
| The compressor stopped and does not start. | Overload cutout operated because of motor overheating. | Check that the main voltage corresponds to specifications. An extension cord that is too thin or too long can cause a voltage drop and cause the motor to overheat. Allow the motor to cool down. Press the Reset Button to restart the air compressor Ensure that the compressor is plugged into a socket as close as possible to the consumer unit or fuse box. |
| Motor windings are burned out. | Contact Customer Support. | |
| The motor does not start and makes a humming noise. | Capacitor is burned out. | Replace capacitor. |
| The motor does not start or starts slowly. | Low voltage supply to the motor. | Check that the main voltage corresponds to specifications. An extension cord that is too thin or too long can cause a voltage drop and cause the motor to overheat. Allow the motor to cool down. Ensure that the compressor is plugged into a socket as close as possible to the unit or fuse box. |
| The compressor is noisy with metallic clangs. | Compressor head gasket broken or valve faulty. | Stop the compressor and contact service center |
| The compressor does not reach the maximum pressure. | Compressor head gasket broken or valve faulty. | Stop the compressor and contact service center |
| The compressor doesn’t seem to provide as much air as it did when new and/or the compressor cuts off within a much shorter time period. | The pressure switch needs adjusting. | Stop the compressor and contact service center |
| The tank is full of water due to condensation. | Open the ball valve and release the pressure. Open the drain valve and release the water within the tank. | |
| The motor pump unit does not stop when the tank pressure reaches its maximum working pressure and the safety valve vents air. | Pressure switch defective or needs adjusting. | Stop the compressor immediately and contact Customer Support. |
SPECIFICATIONS
Electrical Circuit
Air Passage Drawing
CALIFORNIA AIR TOOLS INC. LIMITED WARRANTY
This warranty is limited to Air Compressors distributed by: California Air Tools, Inc.
8560 Siempre Viva Road San Diego, CA 92154
Limited Warranty
California Air Tools Inc. will repair or replace, free of charge, to the original retail customer who purchased a California Air Tools, Inc. Air Compressor from an authorized dealer, distributor or distributor’s dealer in North America.
This warranty does not transfer to subsequent owners. California Air Tools Inc. will repair or replace, at its option, any parts of the portable air compressor that are proven by an authorized service center to be defective in material or workmanship under normal use during the applicable warranty time period as stated below. This limited warranty covers the cost of the replacement parts and labor for all defects when installed by an authorized service center. Transportation charges are the responsibility of the customer. Any part replaced under warranty becomes the property of California Air Tools Inc.
All parts replaced under warranty will be considered as part of original product, and any warranty on those parts will expire coincident with the original product warranty.
Limited Warranty Periods
Non-commercial / Non-rental (personal use by a retail customer): 12 months parts and labor Commercial / Rental (usage for income, business use): 12 months parts and labor
The limited warranty period begins on the date of retail purchase by the original purchaser. Invoice or receipt is required for warranty claims.
Disclaimers, Limitations of Remedies & Exclusions
This warranty gives you specific legal rights, and you may also have other rights which may vary from state to state.
Disclaimer of Other Warranties
To the fullest extent permitted by applicable law, this limited warranty is exclusive and expressly in lieu of any and all other warranties, including, without limitation, any implied warranties of merchantability or fitness for a particular purpose or any other implied warranties that may arise from the course of dealing or usage of the trade. California Air Tools Inc. hereby declaims and excludes all other warranties. To the extent that California Air Tools Inc. products are consumer products under applicable federal and state law with respect to any customer, the duration of any implied warranties (including but not limited to implied warranties of merchantability or fitness for a particular purpose) are limited to the shortest duration permitted by applicable law or the Limited Warranty period provided herein, whichever is longer.
Limitations of Remedies
California Air Tools Inc. shall not be liable to customer, or anyone claiming under customer, for any other obligations or liabilities, including but not limited to, obligations or liabilities airing out of breach of contract or warranty, negligence or other tort or any theory of strict liability, with respect to the air compressor or California Air Tools Inc. acts or omissions or otherwise. To the fullest extent permitted by applicable law, California Air Tools Inc. shall not in any event be liable for incidental, compensatory, punitive, consequential, indirect, special or other damages, including but not limited to loss of use, loss of income, loss of time, loss of sales, injury to personal property, or liability customer incurs with respect to any other person, or any other type or form of consequential damage or economic loss.
Exclusions
In addition to the foregoing disclaimers, limitations and terms, this limited warranty shall not apply to and does not cover accessories, nor does it cover products that are in any way subject to any of the following:
- Improper setup, installation or
- Lack of proper maintenance and
- Accident, damage, abuse or
- Abnormal operating conditions or
- Repair or modification by customer or any third party without written consent of California Air Tools
- Use under operating conditions or in applications not recommended by California Air Tools
- Abnormal
- The use of accessories or attachments not recommended by California Air Tools
- Repairs without California Air Tools prior written approval
- Incorrect voltage, improperly wired or failure to have a certified licensed electrician install the air
- Acts of The application of these exclusions will be determined at the sole discretion of California Air Tools Inc.
Registration
Warranty registration with California Air Tools Inc. is required on all products.
You can mail the enclosed registration form or complete on-line at www.californiaairtools.com under the “Contact Us” Tab.
Warranty is also available by keeping and showing your original receipt from the date of purchase to an Authorized California Air Tools Service Center.
Maintenance & Trouble Shooting
WWW.CALIFORNIAAIRTOOLS.COM
Go to the “Maintenance & Trouble Shooting Guide” Tab
Service
Do not return your air compressor to the place of purchase.
Warranty is available by showing your original receipt with the date of purchase to an Authorized California Air Tools Service Center.
For all customer service inquiries.
Contact California Air Tools Customer Service 1-866-409-4581 M – Th (8am – 4pm) Fri (8an-2pm) Pacific Time [email protected]
WWW.CALIFORNIAAIRTOOLS.COM
Go to the “Contact Us” Tab Click on the Parts or Service Tab for faster service.


































