
ULTRA QUIET & OIL FREE AIR COMPRESSOR
OWNER’S MANUAL
CALIFORNIA AIR TOOLS 20040CAD 4.0 HP 20 GALLON
220 VOLTS 60 HERTZ

Customer Support 1-866-409-4581
AIR COMPRESSOR
INTRODUCTION
WARNING
This manual contains important Instructions for operating this product. For your safety, and the safety of others, be sure to read this manual thoroughly before operating the product. Failure to properly follow all the instructions and precautions can cause you and others to be seriously hurt or killed.
Thank you for purchasing a California Air Tools, Inc. Air Compressor.
Record the model and serial numbers Indicated on your air compressor’s nameplate:
Model No. …….
Serial No. ….
Date of Purchase: ……
Store/Dealer: …………..
How to find a local service center:
Even quality built equipment might need service or repair parts.
Contact the California Air Tools Customer Service Department:
Phone: 1-866-409-4581
Online: WWW.CALIFORNIAAIRTOOLS.COM
Please provide the information below:
Model number and Serial number and specifications shown on the Model number/Serial number plate.
Part number or numbers shown in the parts list section of the owner’s manual for your air compressor model.
A brief description of the trouble with the air compressor.
Do not return your air compressor for service or parts to the store/dealer where purchased.
IMPORTANT SAFETY INSTRUCTIONS
Safety Messages & Signal Words:
DANGER
Indicates an immediate hazardous situation which, if not avoided, will result in death or serious injury to the operator or to bystanders.
WARNING
Indicates a potentially hazardous situation which, if not avoided, could result in death or serious injury to the operator or to bystanders.
CAUTION
Indicates a potentially hazardous situation which, if not avoided, may result in moderate or minor injury to the operator or to bystanders.
NOTICE
Indicates a situation which, if not avoided, may result in damage to product components or other property.
DANGER
Moving parts can cause severe trauma.
Keep hands and feet away from rotating parts, tie up long hair, remove jewelry, and DO NOT wear loose clothing.
DANGER
There is a danger of electric shock.
Use only undamaged electrical cords.
DO NOT touch bare wires or receptacles.
DO NOT operate air compressor in wet weather or in wet conditions.
DO NOT touch air compressor or cords if hands or feet are wet.
Ensure that all cords are free of damage before connecting to the power supply.
Ensure that you have a sufficient electrical supply for supporting the requirements of the motor.
Improper installation of the grounding plug is able to result in a risk of electric shock. When repair or replacement of the cord or plug is required, do not connect the grounding wire to elther flat terminal. The wire with Insulation having an outer surface that Is green with or without yellow stripes is the grounding wire.
This product must be grounded. In the event of an electrical short drcult, grounding reduces the risk of electrical shock by providing an escape wire for the electric current.
This product is equipped with a cord having a grounding wire with an appropriate grounding plug. The plug must be Plugged into an outlet that is property installed and grounded in accordance with the local codes and ordinances.
This product Is for use on a nominal 220-V circuit and has a grounding Plug similar to the plug illustrated in sketch A. Only connect the product to an outlet having the same configuration as the plug. Do not use an adapter with this product.
WARNING
Dust or dustfike particulates caused by power-sanding, sawing, grinding, drilling or any other construction-like activities can contain contaminants that are harmful to breathe. Always use your air compressor in a well-ventilated and clean area. Never breathe the air that comes directly out of the air compressor or air hose. This air is not suitable for breathing. Always wear approved safety equipment When performing dust-creating activities. securely wear properly-fit face masks or respirators. If you feel ill from breathing while operating your air compressor, stop and seek medical atteatico immediately.
WARNING
Air compressor surfaces become hot during operation. DO NOT touch hot surfaces, because they can cause severe burns. Do not touch the air compressor’s cylinder head. During operation, the cooling fins of the cylinder head and delivery pipe become her Allow the air compressor to cool before touching it. DO NOT place a storage cover on the unit during operation Only place a cover on the air compressor after it has thoroughly cooled down.
WARNING
Flying objects can cause injury to the eye head and other parts of the body. Air-powered equipment and power tools ate capable of propelling items (metal chips. fasteners and particulates) at high speed into the air and could result in injury. Always wear approved head and eye protection. Never point the air stream at any part of your body. or at another person or animal. When operating the air compressor. make sure all other people and animals maintain a safe distance. Do not move the air compressor when the air tank is under pressure. Never use the air hoses to pull or move the air compressor. Keep die air compressor on a flat surface.
WARNING
Exercise caution when using pressurized air. To prevent injury and for your general safety, only use high-pressure hoses. fittings and couplings designed for use with air compressors. Inspect all hoses. fittings and couplings for leaks and wear. When leaks and WWII are detected, slap use and replace those items immediately. Do not repair. Never leave pressurized air in the air tank when performing maintenance. Never leave the air compressor unattended with the power supply in use and the air hose connected.
WARNING
Improper care could lead to the air tank bursting or exploding. Dram air tank daily or after each use to prevent moisture buildup in the air tank. Rust can weaken the air tank and cause leaks or bursting If rust is detected. replace tank immediately. Do not try to repair the air tank by welding. drilling or modifying it in any other way These modifications can weaken the air tank and cause a hazardous condition. If air tank develops a leak replace the air tank immediately. Never repair. weld or make modifications to the an tank or its attachments. Never make adjustments to Me factory-sat pressures. Never exceed manufacturer’s maximum-allowable pressure rating attachments. Because of extreme heat, do not use plastic pipe or lead tin solder joints for a discharge line. 
WARNING![]()
Use caution to minimize risk of fire or explosion. I t is normal for the air compressor motor and pressure switch to produce sparks while operating. II sparks come in contact with vapors from gasoline or solvents. they may ignite and cause a ire or explosion. Abrasive tools such as grinders. drills and other tools are capable of making sparks that can ignite Ilatnmable materials.
Always operate the air compressor a taM distance away horn flammable items. Use in well• ventilated areas Never exceed the maximum rated pressure.
CAUTION
THIS EQUIPMENT INCORPORATES PARTS, SUCH AS SNAP SWITCHES, RECEPTACLES AND THE LIKE THAT TEND TO PRODUCE ARCS OR SPARKS, THERE, WHEN LOCATED IN A GARAGE, IT SHOULD BE IN A ROOM OR ENCLOSURE PROVIDED FORTHE PURPOSE, OR SHOULD BE 18 IN (45.7 CM) OR MORE ABOVE THE FLOOR.
CAUTION
Use caution when using extension cords. Use an extension cord which is no more than 25′ (7.6 m) long and at least 14 gauge. Using an excessively long or thin-wired extension cord will cause severe damage to the motor. Use only a 3-wire extension cord that has a 3-blade grounding plug. As undersized cord results in a drop in the line voltage and loss of power and overheating. When in doubt, use a heavier gauge. The smaller the gauge the more current the cord can carry.
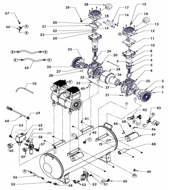
AIR COMPRESSOR

| NO. | Part | NO. | Part | NO. | Part | NO. | Part | NO. | Part |
| 1 | Fan Screw | 21 | Valve Plate | 41 | Nut M8-125 Nylon | 61 | Strain Relief | 81 | |
| 2 | Fan Cover | 22 | Air Inflow Valve Plate | 42 | Electromagnetism Valve 220V | 62 | Automatic Pressure Switch | 82 | |
| 3 | Laft Fan | 23 | Metal Strengthen Sheet | 43 | 2HP Check Valve | 63 | Safety Valve 165 PSI | 83 | |
| 4 | Left Crank Case | 24 | Screw | 44 | Lock Washer | 64 | Power Cord Black 220/60 | 84 | |
| 5 | Connecting Rod | 25 | Right Fan | 45 | Tank (20 gal.) | 65 | Fluid Hose 3/8″ x 14.5″ | ||
| 6 | Piston Ring | 26 | Crank | 46 | Capacitor Cap Screw | 66 | Elbow(10020C) | 86 | |
| 7 | Pressure Plate | 27 | Bearing 6008-22 | 47 | Capacitor Cap Screw | 67 | Easy Start Valve | 87 | |
| 8 | Cylinder | 28 | Cheese head screw | 48 | Capacitor Cap Screw | 68 | Capacitor Cap Strain Relief | 88 | |
| 9 | Pressure Plate Screw | 29 | Connecting Rod Screw | 49 | Cushion Foot | 69 | Power Cord Strain Relief | 89 | |
| 10 | Adjustment Stent | 30 | Right Crank Case | 50 | Exhaust Elbow L-A3 | 70 | 8mm Hose (3ft Sample) | 90 | |
| 11 | Cylinder Obturating Ring | 31 | Leading-out Line Guard Circle | 51 | 8mm Hose Conector | 71 | 91 | ||
| 12 | Cylinder Head Obturating Ring | 32 | Bolt | 52 | Auto Drain | 72 | 92 | ||
| 13 | Cylinder Head | 33 | Washer | 53 | Filter Ball Valve | 73 | 93 | ||
| 14 | Spring Washer | 34 | Stator | 54 | 1/2″ NPT F x 1/4″ NPT F Adapte | 74 | 94 | ||
| 15 | Cylinder Head Screw | 35 | Clip | 55 | Connecting Bar MX | 75 | 95 | ||
| 16 | Connecting Hose Obturating Ri | 36 | Rotor | 56 | Exhaust Hose 1/4 x 14″ | 76 | 96 | ||
| 17 | Connecting Hose | 37 | Bearing 6204-2Z | 57 | Quick Conector 1/4″ (Female) | 77 | 97 | ||
| 18 | Screw | 38 | 20015HP Filter | 58 | Filter | 78 | 98 | ||
| 19 | Limited Block | 39 | 2HP Motor Head Plug 1/2″ NPT | 59 | Filter Pressure Gauge | 79 | 99 | ||
| 20 | Gassing Valve Plate | 40 | Shock Strut | 60 | Pressure Gauge | 80 | 100 |
PRE-OPERATION CHECKLIST
Package Contents
Model: 20040CAD
Package contents:
* Air Compressor
* Air Filters (4)
* Owner’s Manual
Assembly:
Install the Air Filters.
- Screw the four air filters into the 4 ports located on the top left and right sides of the motor heads.

WARNING![]()
Use caution to ininmize tisk of fir or explosiot.
Itis normal for the aig compressor motor and pressure switch to produce sparks while operating. if sparks coma in contact with vapors from gasoline or solvents, they may ignite and cause 4 fire of explosion, Abrasive tools such 46 grinders. crifls and other tools are capable of making sparks that can ignite flarnmabie matenals. Aiviays operate the ait compressor 8 safe distance way from Aainmeble items. Use ih vedt-ventiated aT ORS. Never exceed the maxitnum rated pressure.
Inspect for Damage
Before using the air compressor, make sure the air tank is not damaged, inspect all parts for damage, and check that all pipes are firmly connected.
Do not use the air compressor if any damage is found. If damaged, have an authorized service center inspect and test the air compressor to ensure that is working properly.
Save Packaging
Save all outside packaging in case you ever need to return the product for service or repair.
WARNING
Dust of dust-like particulates caused by power-sanding. saving, grinding, drilling or any olher cons truction-like activities can contain contaminants that are harmful to breathe.
Atways use your air compressor in a well-venBlated end clean area.
Never breathe the air thal comes directly oul of the ait compressor of air hose. This air is not suitable for beea thing.
Alaways wear approved safety equipment. Whan performing dust-clearing activilies. securaly wear properly-fit face masks or respirators.
If you feel it! from breathing while operating your air compressor, stop and saek medical attention immediatoly.
Compressor Location
Use on Flat Surface
For proper operation, the air compressor must be placed on a flat surface with an incline no greater than 15 degrees.
Maintain a Clear Area
It is very important that the air compressor is positioned so that there is adequate airflow around the machine. There must be at least 2 feet of obstacle-free space surrounding and above the air compressor.
Use in Areas with Clean Air
For proper operation and to maximize the longevity of the air compressor, it is very important that the air drawn into the air compressor is clean. The air compressor should not be used in areas where dust or particulates are in the air. This will damage the motor and impair proper operation.
IMPORTANT: Always use the air filter, properly installed.
Electrical Power
Electrical Power Requirements
DANGER
There ts a danger of electric shock.
Use only undamaged electrical cords.
DO NOT touch bare wires or receptacles.
DO NOT operate air compressor in wet weather or in wet conditions.
DO NOT touch air compressor or cords if hands or feet are wet.
Ensure that all cords are free of damage before connecting to the power supply.
Ensure that you have a sufficient electrical supply for supporting the requirements of the motor.
Improper installation of the grounding plug is able to result in a risk of electric shock. When repair or replacement of the cord or plug ts required, do not connect the grounding wire to either flat terminal. The wire with insulation having an outer surface that Is green with or without yellow stripes Is the grounding wire.
This product must be grounded. In the event of an electrical short circult, grounding reduces the risk of electrical shock by providing an escape wire for the electric current.
This product is equipped with a cord having a grounding wire with an appropriate grounding plug. The plug must be plugged into an outlet that is properly installed and grounded in accordance with the local codes and ordinances.
This product is for use on a nominal 220-V circuit and has a grounding plug similar to the plug illustrated in sketch A. Only connect the product to an outlet having the same configuration as the plug. Do not use an adapter with this product.
Before using the air compressor, refer to the serial label for voltage and amperage requirements. Make sure you have a sufficient electrical supply for supporting the motor’s requirements.
Use a dedicated 220 Volt 60 Hertz circuit (NEMA 6-15R) Low voltage and/or an overload circuit can cause the motor’s overload protection system circuit breaker to trip.
Electrical Extension Cord
CAUTION
Use caution when using extension cords.
Use an extension cord which is no more than 25’ (7.6 m) long and at least 14 gauge.
Using an excessively long or thin-wired extension cord will cause severe damage to the motor.
Use only a 3-wire extension cord that has a 3-blade grounding plug.
As undersized cord results in a drop in the line voltage and loss of power and overheating.
When in doubt, use a heavier gauge. The smaller the gauge the more current the cord can carry.
Inspect all electrical extension cords to ensure that they are free of damage.
When using an extension cord, use a heavy-duty cord that is no more than 25 feet long and at least 14 gauge.
Use only a 3-wire extension cord that has a 3-blade grounding plug.
OPERATING THE AIR COMPRESSOR
Save this manual for future reference.
WARNING
This manual contains important instructions for operating this product. For your safety, and the safety of others, be sure to read this manual thoroughly before operating the product.
Failure to properly follow all the instructions and precautions can cause you and others to be seriously hurt or killed.
Introduction
This air compressor features a compact structure, stable, performance, a high airflow rate, easy operation and low maintenance. Because the air compressor produces no oil in the airflow, it can be used for air supplies that need oil-free air.. The motor directly drives the pistons and does not need any lubrication or oil to function for a long period of time.
Assembly
- Attach the air hose to the 1/4” Industrial Male “Push to Connect’ Quick Coupler.
- Make sure the drain valve is off and that the power switch is in the OFF position.
- Ensure that the power supply you are going to use is operating normally.Use a dedicated 220 Volt 60 Hertz circuit
- Insert the power supply cord into the power supply socket. (NEMA 6-15R)
Test Run
Before using the air compressor for the first time, complete a test run as follows:
- Turn the power switch to the OFF position. Plug the power cord into a power supply socket. Start the air compressor by turning the power switch to the ON position. The pressure gauge reading will slowly rise as pressure increases inside the air tank. When the gauge reading reaches 125 PSI (+/- 5 PSI) the pressure switch will automatically turn the power off. This indicates the compressor is working normally. Turn the power switch to the Off position, unplug the power supply cord and release the air from the drain valve.
- At this point proceed to the next step (daily operations) starting the air compressor to continue to use.
Note: If the Air Compressor is not working properly, the pressure gauge will indicate that there is a decrease in pressure in the air tank. If there is an air leak from the compressor the pressure in the air tank decreases, the pressure switch resets and the motor automatically turns back on.
If you detect an air leakage, turn the power switch to the Off position, release the air from the tank by pulling on the safety valve. Unplug the power supply cord and contact
Customer Support for Assistance.
WARNING
Air compressor surfaces become hot during operation, DO NOT touch hot surfaces, becuse thoy can cause severe burns.
Do not touch the air compressor’s cylinder head. During operation. the cooling fine of the cylinder head and delivery pipe become hot
Allow the ay compressor to cool before touching it.
DBO NOT place « storage cover on the unit during ‘ation. Only place a cover on the ais compressor iter it has thoroughly cooled down.
WARNING
Flying objects can cause injury to the eyes, haad and all parts of the body.
Air-powered equipment and power tools ara capable ol propelling items (metal chips. lasteners and Particulates) at high speed into tha air and coubd result in injury.
Aiways wear approved head and eye protection. Never point the air siroam at any part of your body. of at another parson of animal,
When operating the air compressor. make sure all other people and animals maintain a safe distance.
Do not move the alr compressor when the air tank is under pressure.
Never use the air hoses to pull or move the air compressor.
Keep the air compressor on a flat surface.
Daily Operation
Starting the compressor:
- Turn the power switch to the OFF position.
- Attach the air hose to the 1/4” Male Industrial Coupler.
- Close the drain valve.
- Plug the power supply cord into a power supply socket.
- Turn the power switch to the ON position.
- Let the motor run and tank fill until motor turns off.
- Operate air tool normally.
- To regulate the air to the air hose. Have the air compressor and air tool both turned on and running. Turn the regulator knob to the right to increase the pressure and to left to decrease the air pressure to the hose and air tool.
DO NOT Exceed 1/2 Hr of continuous non-stop motor running.
Shutting down the compressor:
- Turn the power switch to the OFF position.
- Unplug the power supply cord.
- Reduce the pressure in the air tank through the air supply hose.
MAINTENANCE
Draining the Air Tank
The frequency at which you should drain the air tank depends on the environmental conditions and the amount of operating time logged.
Daily draining is recommended to not damage the air compressor motor, tank and other components.
- Place the air compressor above a container capable of holding water. A pan with a dry towel would be advised.
Locate the drain valve at the bottom of the air tank. - Without compressed air in the air tank, slowly turn the drain valve knob to the forward (open) or straight down position.
The water in the air tank will drain out. - After all of the accumulated water has drained out, turn the drain valve knob to the closed or left position in order to avoid leakage.
*** Draining the air tank protects parts from rust and corrosion***
Changing the Air Filter
The air filters are designed to reduce noise and help prevent particulates in the air from entering and damaging the air compressor.
After being used for a period of time, the air filter will become clogged. This will reduce the air intake capabilities of the air compressor, reducing performance. Therefore, the air filter must be replaced regularly.
- Open the lid of the air filter and remove the old air filter element.
- Replace with a new air filter element and close the lid.
Testing for Leaks
Make sure all connections are tight. Do not overtighten.
A small leak in any hose or pipe connection will reduce the air compressor’s performance.
To test for small leaks, spray a small amount of soapy water on the area suspected of leaking. If the soap bubbles, replace the broken part.
Cleaning
Clean items with a soft brush, or wipe with a moistened cloth using a biodegradable solvent.
Do not use flammable liquids such as gasoline or alcohol. Always keep parts clean from dirt and dust for better performance.
STORAGE
Before storing for a prolonged period of time:
- Turn off the power supply.
- Disconnect the power cord from the power supply.
- Pull the relief valve and release all the pressure from the air tank.
- Clean the air compressor to remove all dirt and dust.
- Cover the air compressor with a cover to protect the unit from dust and moisture.
- Do not stack or store any items on top of or around the air compressor. Damage could occur.
CAUTION
TO REDUCE THE RISK OF ELECTRIC SHOCK, DO NOT EXPOSE TO RAIN. STORE INDOORS.
TROUBLESHOOTING
| PROBLEM | POSSIBLE CAUSE | POSSIBLE SOLUTIONS |
| Pressure drop in the tank. | Air leaks at connections. | Let the compressor build pressure in the tank, to the maximum pressure if possible. Brush soapy water on air connections and look carefully for air bubbles. Tighten leaky connections. If the problem persists, contact the seller for further advice. |
| The solenoid valve leaks when the compressor is idle. | valve seal is defective. tive. | Let the air in the tank flow out until all the pressure is released. Then remove the non-return valve plug and clean the valve seal. If necessary, replace the seal and then reinstall all components. |
| The compressor stopped and does not start. | Overload cutout operated because of motor overheating. | Check that the main voltage corresponds to specifications. An extension cord that is too thin or too long can cause a voltage drop and cause the motor to overheat. Allow the motor to cool down. Press the Reset Button to restart the air compressor Ensure that the compressor is plugged into a socket as close as possible to the consumer unit or fuse box. |
| Motor windings are burned out. | Contact Customer Support. | |
| The motor does not start and makes a humming noise | Capacitor is burned out. | Replace starter capacitor. |
| The motor does not start or starts slowly. | Low voltage supply to the motor. | Check that the main voltage corresponds to specifications. An extension cord that is too thin or too long can cause a voltage drop and cause the motor to overheat. Allow the motor to cool down. Press the Reset Button to restart the air compressor Ensure that the compressor is plugged into a socket as close as possible to the consumer unit or fuse box. |
| The compressor is noisy with metallic clangs. | Compressor head gasket broken or valve faulty. | Stop the compressor and contact the dealer. |
| The compressor does not reach the maximum pressure | Compressor head gasket broken or valve faulty. | Stop the compressor and contact the dealer. |
| The compressor doesn’t seem to provide as much air as it did when new and/or the compressor cuts off within a much shorter time period. | The pressure switch needs adjusting. | Stop the compressor and contact the dealer. |
| The tank is full of water due to condensation. | Open the ball valve and release the pressure Open the drain valve and release the water within the tank. | |
| The motor pump unit does not stop when the tank pressure reaches its maximum working pressure (125 PSI) and the safety valve vents air. | Pressure switch defective or needs adjusting. | Stop the compressor immediately and contact Customer Support. |
SPECIFICATIONS
Electrical Circuit
Air Passage Drawing
CALIFORNIA AIR TOOLS INC. LIMITED WARRANTY
This warranty is limited to Air Compressors distributed by:
California Air Tools, Inc.
8560 Sieper Viva Road
San Diego, CA 92154
Limited Warranty
California Air Tools Inc. will repair or replace, free of charge, to the original retail customer who purchased a California Air Tools, Inc.
Air Compressor from an authorized dealer, distributor or distributor’s dealer in North America.
This warranty does not transfer to subsequent owners.
California Air Tools Inc. will repair or replace, at its option, any parts of the portable air compressor that are proven by an authorized service center to be defective in material or workmanship under normal use during the applicable warranty time period as stated below. This limited warranty covers the cost of the replacement parts and labor for all defects when installed by an authorized service center. Transportation charges are the responsibility of the customer. Any part replaced under warranty becomes the property of California Air Tools Inc.
All parts replaced under warranty will be considered as part of original product, and any warranty on those parts will expire coincident with the original product warranty.
Limited Warranty Periods
Non-commercial / Non-rental (personal use by a retail customer): 12 months parts and labor Commercial / Rental (usage for income, business use): 12 months parts and labor The limited warranty period begins on the date of retail purchase by the original purchaser.
Original invoice or receipt is required for warranty
Disclaimers, Limitations of Remedies & Exclusions
This warranty gives you specific legal rights, and you may also have other rights which may vary from state to state.
Disclaimer of Other Warranties
To the fullest extent permitted by applicable law, this limited warranty is exclusive and expressly in lieu of any and all other warranties, including, without limitation, any implied warranties of merchantability or fitness for a particular purpose or any other implied warranties that may arise from the course of dealing or usage of the trade. California Air Tools Inc. hereby declaims and excludes all other warranties. To the extent that California Air Tools Inc. products are consumer products under applicable federal and state law with respect to any customer, the duration of any implied warranties (including but not limited to implied warranties of merchantability or fitness for a
particular purpose) are limited to the shortest duration permitted by applicable law or the Limited Warranty period provided herein, whichever is longer.
Limitations of Remedies
California Air Tools Inc. shall not be liable to customer, or anyone claiming under customer, for any other obligations or liabilities, including but not limited to, obligations or liabilities airing out of breach of contract or warranty, negligence or other tort or any theory of strict liability, with respect to the air compressor or California Air Tools Inc. acts or omissions or otherwise. To the fullest extent permitted by applicable law, California Air Tools Inc. shall not in any event be liable for incidental, compensatory, punitive, consequential, indirect, special or other damages, including but not limited to loss of use, loss of income, loss of time, loss of sales, injury to personal property, or liability customer incurs with respect to any other person, or any other type or form of consequential damage or economic loss.
Exclusions
In addition to the foregoing disclaimers, limitations and terms, this limited warranty shall not apply to and does not cover accessories, nor does it cover products that are in any way subject to any of the following:
- Improper setup, installation or storage.
- Lack of proper maintenance and service.
- Accident, damage, abuse or misuse.
- Abnormal operating conditions or applications.
- Repair or modification by customer or any third party without written consent of California Air Tools Inc.
- Use under operating conditions or in applications not recommended by California Air Tools Inc.
- Abnormal wear.
- The use of accessories or attachments not recommended by California Air Tools Inc.
- Acts of God.
The application of these exclusions will be determined at the sole discretion of California Air Tools Inc
Maintenance & Troubleshooting Guide
California Air Tools provides
Maintenance & Troubleshooting Guide on our website WWW.CALIFORNIAAIRTOOLS.COM.
Valuable information regarding set-up, operation and maintenance.
Please visit our website and view these videos for beneficial information.
Service or Parts
Warranty is also available by keeping and showing your original receipt from the date of purchase to an
Authorized California Air Tools Service Center.
For all customer service inquiries call 1-866-409-4581 or visit WWW.CALIFORNIAAIRTOOLS.COM
Go to the “Contact Us” Tab
Click on “Service & Parts” Buttons for the Fastest Service.
Customer Support: 1-866-409-4581
WWW.CALIFORNIAAIRTOOLS.COM
Customer Support 1-866-409-4581

















