SIRMAN SO 1550 F3 Aluminium Bone Saw

EC TYPE-EXAM/NATION CERTIFICATE
0407-MD-11-11-027 (IG-355-2011)
This document certifies that the “Type” has been assessed according to the procedure foreseen by Annex IX of Machinery Directive 2006/42/EC and complies with the essential requirements of European Directive 2006/42/EC.
Applicant
SIRMAN S.p.A.
Description
BAND SAW MACHINE FOR FOOD INDUSTRY
Models
SO 1550 F3, SO 1650 F3, SO 1840 F3, SO 1650 INOX START, SO 1840 INOX START, SO 1650 INOX, SO 2020 INOX, SO 2400 INOX, SO 2020 INOX START, SO 3100 INOX
Category according to Annex JV of Machinery Directive 2006/42/EC
Standard reference
EN 12268:2014
On the basis of this certificate and according to the procedures established by European Directive 2006/42/EC (MD), the Applicant shall proceed with the CE marking of the above mentioned products, according to Annex Ill, and with the signature of the EC declaration of conformity, according to Annex 11.1.A.
Bellaria-lgea Marina – Italy, 14 May 2021
Date of first issue: 30 November 2011
Machinery Department Technical Manager
(Dott.Ing. Giuseppe persano Adorna)
Valido fino al:maggio 2006
Valid until:13 MAY 2026
Chief Executive Officer
(Dott. Arch. Sara Lorenza Giordana)
TECNICNTECHNICAL DOCUMENTATION
| Reference technical documentation |
| /Reference EC type-examination certificates: IG-340-2011 rev. 4 del/o/14/05/2021 IG-345-2011 rev. 4 del/o/14/05/2021 IG-346-2011 rev. 3 del/o/14/05/2021 IG-347-2011 rev. 3 del/o/14/05/2021 |
| tecnico/Technical file: “FT-SIRMAN-2021” rev. 0 del/of 14/05/2021 |
TECHNICAL SPECIFICATIONS
| Models | SO 1550 F3 | SO 1650 F3 | SO 1840 F3 |
| Description | Band saw machine with a fixed feed table and a product pusher | ||
| Type of cover | Aluminium | Aluminium | Aluminium |
| Type according to EN 12268:2014 | A | A | A |
| Band saw length [mm] | 1550 | 1650 | 1840 |
| Moto | 1,5 HP – 1400 rounds | 1,5 HP – 1400 rounds | 1,5 HP – 1400 rounds |
| Pulley diameter [mm] | 210 | 210 | 250 |
| Working area [mm] | 450x 490 | 450x 490 | 450X 490 |
| Position of controls | at the bottom | at the bottom | at the bottom |
| Models | SO 1650 INOX |
| Description | Band saw machine with a fixed feed table and a product pusher |
| Type of cover | lnox |
| Type according to EN 12268:2014 | A |
| Band saw length [mm] | 1650 |
| Motor | 1,5 HP – 1400 giri/rounds |
| Pulley diameter [mm] | 210 |
| Working area [mm] | 430 X 520 |
| Position of controls | in alto/at the top |
Delivery and Warranty Terms
Introduction
CAUTION
These symbols have been used to draw the reader’s attention to hazardous operations and possible machine hazards to guarantee operator and machine safety. Do not use the machine if you have not understood in full the warnings provided in this manual.
CAUTION
Some of the drawings provided in this manual illustrate the machine or its parts without protective
panels or devices in place to provide a clearer and better under-stating of the machine components. Do not use the machine without all the necessary protections and safety devic-es correctly assembled, efficient and in place.
It is forbidden to reproduce either in full or in part contents of this manual.
Any violation of copyright will be liable to prosecution.
Storing and Using this manual
This manual is meant to provide users with information and details about transport, installation, use and maintenance of the machine. For this purpose, this manual has been provided with descriptions and drawings.
Before using the machine, read this manual thoroughly.
Store this manual with care near the machine in an easily accessible place to al-low for easy reference when required.
If the manual is damaged or lost, ask your local dealer for a new copy or contact the manufacturer directly.
In the event the machine is sold, provide the manufacturer with the new owner’s details: name and address.
The information and technical specifications provided in this manual correspond to those at the moment of product marketing and as such cannot be considered in-adequate due to new product
improvements or updates. The manufacturer has the right to alter or modify its products and / or manuals without having to alter previous models or manuals, except in specific cases.
In case of doubt, contact your local service centre or the manufacturer directly. Due to ongoing
product improvement the manufacturer continuously improves and modifies the product, therefore any suggestions or ideas that could improve ma-chine performance or this manual are most welcome.
Warranty terms and conditions are those valid at the time of purchase. If you have any queries in regard, please contact your local dealer.
Warranty Terms
The user shall not tamper, alter or modify the machine in any way for whatever reason. If a malfunction occurs, contact the manufacturer.
Any attempts at dismantling, modifying or in general tampering with any component of the machine by the user or by unauthorised personnel shall null and void warranty cover and the manufacturer shall not be liable for any injury to persons or damage to things. Furthermore, the manufacturer shall not be liable for injury to persons or damage to the machine and property caused by:
- incorrect installation;
- improer use of the machine by unskilled personnel;
- failure to co ply with the regulations in force in the country in which the machine is used;
- lack of or insfficient maintenance;
- use of no -original spare parts and spare parts not specifically designed for the model;
- no -observance of the instructions provided in this manual.
Machine Description
This bone saw is a simple, compact and a high-performing machine.
The support structure and pulleys are aluminium.
It is provided with mechanical protections (casings, doors etc.) and electrical safe-ty devices (microswitch, emergency stop button etc.) in order to minimize hazards to the operator.
The pulley angle can be adjusted both horizontally and vertically in order to ensure maximum
blade contact.
The motor is non-ventilated, water-protected, self-braking and operates intermittently. The pushbutton panel is located in an easily accessible position with the controls powered at 24 Volt.
The machine has been designed to facilitate cleaning operations, thanks to the following technical features:
- easy blade and upper pulley removal without using tools.
- once the pulley has been removed, the machine has a smooth surface facilitating
- cleaning operations and allowing the dirt on the blade to deposit directly in the tray.
- all the electrical components are IP 56 rated (minimum).
Machine Use
The saw has been designed to cut bones, meat and fish.
It must only be used on a counter top or on the stand supplied by the manufacturer. As this saw is designed for food, the materials utilised for manufacturing the blade and all other components which
can come into contact with the food product being cut, have been carefully selected. The machine is designed for professional use and as such should be used by a skilled operator who must carefully read this manual before using the machine. This equipment complies with the essential health and safety requirements of directive 2006/42 / EC and the requirements of directives 2014/30/EU, 2014/35/EU, 2006/42/EC, RoHs 2011/65/EU and Regulation 1935/2004/EC.
The machine was designed and built according to the requirements of EN 12268: 2014.
The saw is also suitable for cutting frozen fish and does not require specific work-place conditions.
However, we recommend the saw is located in a closed environment, protected from weather conditions and sudden changes in temperature.
Improper Use
The saw must only be used for the purposes expressly intended by the manufacturer. In particular:
- Do not use the machine unle s it has been correctly installed with all the protections efficient and correctly fitted to avoid serious injury.
- Do not use the machine f the blade is worn or damaged or blunt as these conditions could cause the blade to break.
- Do not stand on the machine, even if not operational. Apart from the danger of falling, the machine could be damaged.
- Do not acces the electrical components without having first disconnected the machine from the power supply: electrical hazard electrocution.
- Do not use the machine for cutting products other than meat, bones, fish or similar.
- Do not cu items larger than the specified dimensions.
- Do not stop the blade with your hands; wait until it stops to avoid serious injuries.
- Do not wear rings, watches, jewellery, loose or hanging garments such as scarves, ties, torn clothes, unbuttoned jackets or smocks with open zips which can get tangled in the moving parts. Use approved personal protective equipment (PPE): non-slip shoes, safety goggles, work gloves, ear defenders and safety mask. Consult your employer on safety regulations and safety equipment required.
- Do not st rt the machine if it is not in perfect working order. Before using the machine, ensure that any dangerous condition has been appropriately eliminated. If a malfunction occurs, stop the machine immediately and contact your maintenance service.
- Do not allow unauthorised personnel to perform work on the machine. In the event of an electrical accident, first remove the injured person from the conductor (it is likely that the injured person will be unconscious).
This operation is dangerous as the injured person is a conductor and touching the person in question can cause an electric shock. Isolate (shut-off power) the machine from the main power supply if this is not possible, move the injured person away from the machine using insulating material (wood or PVC sticks, fabric, leather etc.). Immediately seek medical care and admit the person to hospital. The safety instructions provided at the beginning of the chapters on machine use and maintenance must be thoroughly read and understood in full.
Machine Data and Specifications
For precise and turnaround replies to queries or when ordering spare parts from the service centre
always provide “Model”, “Serial number” and “Year of manufacture”.
For quick reference when contacting the service centre we suggest you fill in the box in fig. 1.7.1, with the machine specifications.
This information can be found on the machine rating plate as illustrated below.
CAUTION
Do not, for any reason, alter the data given on the rating plate.

Safety Devices
CAUTION
Before using the machine, ensure that the safety devices are correctly positioned and in perfect working order.
At the beginning of each work shift, check that they are fitted and efficient; if not, inform the maintenance manager.
- Blade mobile guard.
If no food product is being cut, this protection guard prevents contact with the cutting blade. - Emergency stop hit button.
It instantly stops the cutting blade when in emergency conditions. - Casing closed control microswitch.
If the casing opens, the microswitch cuts off the electrical power supply to the machine instantly stopping it.
When the casing is closed, the machine will not restart unless the start button is pressed. In the event the machine stops due to a power failure, the machine will not restart when power is restored unless the start button is pressed.
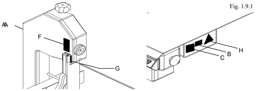
Warning Signs and Labels (Fig. 1.9.1)
CAUTION
Do not position your hands near the blade above all when working: Hazard of serious injury.
Do not perform work on the electrical components with the machine connected to the power supply: hazard of electrocution.
Observe the warnings affixed to the machine. Failure to observe them can cause serious injury and even death.
Ensure that all warning signs are affixed to the machine and legible. If not, affix or replace with new warning signs.

Operating position
The operator’s correct work position is illustrated in fig. 1.10.1.
Workplace conditions
This machine is designed to operate in the following conditions:
- altitudes: not over 1500 m
- max workplace temperature: + 40 °C
- operating humidity: 50% at 40 °C
Lighting
Machine location must have adequate natural and artificial lighting conforming to local safety regulations. Lighting must conform to the regulations and laws of the country in question and must not cause reflections or glares creating a hazard. Lighting must be sufficient to allow for easy reading of the control panel and to easily identify location of the emergency hit button.
Vibrations
The vibrations generated by the machine to the counter are not of significant importance.
Technical specifications
Main parts
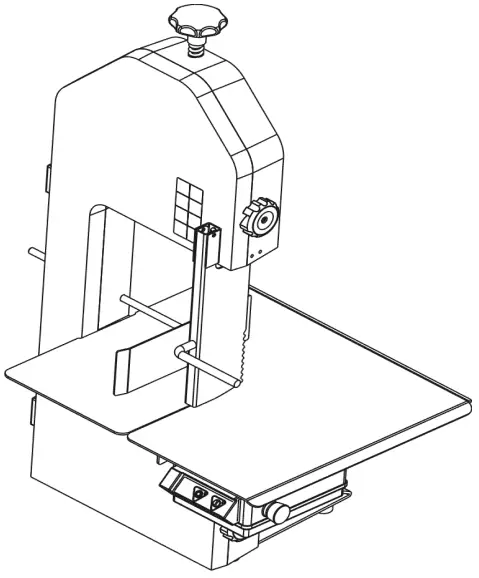
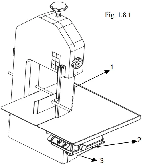
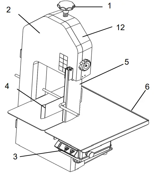
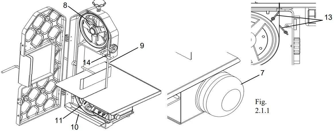
For reading purposes and better understanding of the machine, the main machine components are listed below and illustrated in fig. 2.1.1.
- Blade tension knob 1
- Pulley protection casing in polished aluminium G-AIMg3 12 3 – Control panel
- Portioning device in stainless steel AISI 304
- Pusher in stainless steel AISI 304
- Work top in stainless steel AISI 304
- Electric motor
- Upper driven pulley in polished aluminium EN46100
- Band cutting blade in carbon steel C95
- Dirt and rest collection tray
- Lower drive pulley polished aluminium EN46100
- Body machine in stainless steel AISI 304
- Alimentary plastic blade scraper
- Blade guide insert in hardened steel


Technical data
| Power | Speed R.p. | Pulley diameter mm | Blade length mm | Working Surface | |
| SO 1550 MN | 0,75Kw / 1Hp | m1400 | 210 | 1550 | m44m0 x 420 |
| SO 1550 TF | 1,1Kw / 1,5Hp | 1400 | 210 | 1550 | 440 x 420 |
| SO 1650 MN | 0,75Kw / 1Hp | 1400 | 210 | 1650 | 490 x 450 |
| SO 1650 TF | 1,1Kw / 1,5Hp | 1400 | 210 | 1650 | 490 x 450 |
| SO 1840 MN | 0,75Kw / 1Hp | 1400 | 250 | 1840 | 490 x 450 |
| SO 1840 TF | 1,1Kw / 1,5Hp | 1400 | 250 | 1840 | 490 x 450 |
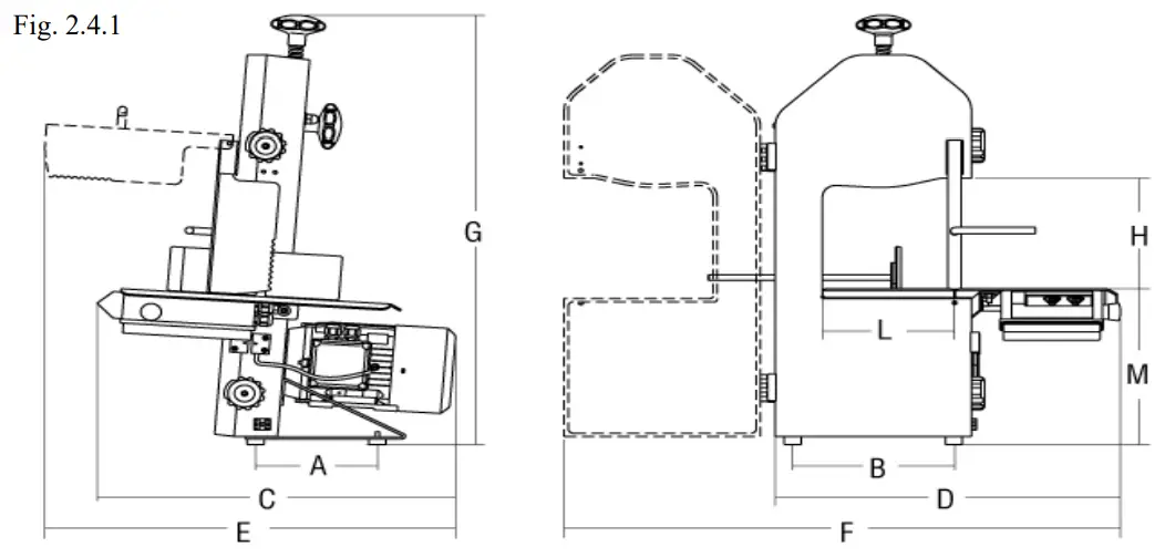
Machine measurements and weight

| A | B | C | D | E | F | G | H | L | M | Net weight | |
| mm | mm | mm | mm | mm | mm | mm | mm | mm | mm | Kg | |
| SO 1550 | 180 | 238 | 530 | 510 | 606 | 822 | 778 | 215 | 195 | 269 | 32 |
| SO 1650 | 180 | 300 | 530 | 600 | 640 | 950 | 915 | 249 | 200 | 305 | 39 |
| SO 1840 | 180 | 300 | 530 | 600 | 640 | 950 | 915 | 249 | 240 | 305 | 40 |
Noise level
The noise level of this machine results to be 72 dB for SO 1550 and 73 dB for SO 1650 and 1840. We recommend that the operator utilises ear defenders when operating the bone saw.
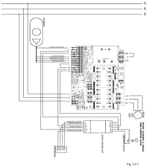
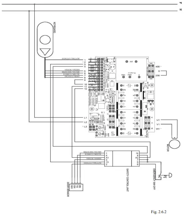
Wiring diagrams
Three-phase wiring diagram 380V
Single-phase wiring diagram
Testing, Transport, Delivery and Installation
Testing
Your machine has been tested at our factory to ensure efficient and correct operation and settings. During testing, cutting tests are performed utilising products identical to the food product to be cut.
Delivery and installation of the machine
All the equipment delivered is thoroughly checked before delivery to the forwarding agent or carrier. Unless otherwise agreed upon with the customer or due to specific transport requirements, the
machine is packed in nylon and in a card-board box. Packaging details and size are illustrated in fig. 3.2.1.
| A | B | C | Gross weight | |
| SO 1550 | 750 mm | 580 mm | 1050 mm | 44 kg |
| SO 1650 | 750 mm | 580 mm | 1250 mm | 51 Kg |
| SO 1840 | 750 mm | 580 mm | 1250 mm | 52 Kg |
Upon receipt of the machine, check that the packing is intact. If it has been damaged, sign the carrier’s delivery note, but add the following comment: “I accept, with reserve……” and give the reason. Once packaging is opened, and some of the machine components result to be damaged, report the fact to the forwarding agent within three days from the date on the transport document.
List of equipment provided
The following equipment is supplied with the machine: n° 1 cutting blade
Installation
CAUTION
The machine installation area must be level and firm and the supporting surface must provide a completely safe and stable base for the machine.
Plenty of space must be left around the machine.
This permits greater freedom of movement when working and allows operators to easily access the machine when maintenance is required.
Suitable lighting must be provided around the machine to ensure correct operator visibility.
- Remove the flm wrapping and all other packaging inside the box.
Disposing of packaging materials
Packaging materials such as cardboard boxes, nylon, wood can be eliminated with normal urban solid waste therefore disposed of without specific restrictions or treatment.
If the machine is delivered to countries where there are special regulations, dis-pose of packaging materials respecting local regulations on waste management.
Handling the machine
CAUTION
Lift the machine with a fork lift truck of a suitable and adequate carrying capacity. Check the stability and the position of the load on the forks, check there are no rough, slippery or inclined surfaces. When you move the machine, keep it as low as possible to increase handling stability and operator visibility. Widen the forks (open) to ensure greater handling grip.
Three-phase machine 380 Volt-50Hz and three phase machine 220 Volt-50 Hz
The machine is equipped with a power supply cable with a 4 x 1 mm section fitted with a four-pole three-phase plug. Connect the cable to the single-phase power supply and mount a 16amp thermomagnetic differential switch.

Single-phase machine 220 Volt-50 Hz
The machine is equipped with a power supply cable with a 3 x 1,5 mm section fitted with a three-pole single-phase plug. Connect the cable to the 220 Volt-50 Hz single-phase power supply and mount a 16 amp thermomagnetic differential switch. For installations where the mains voltage is different to the voltage indicated on the rating plate, before installing contact the manufacturer.
If the power supply cable is too short use a longer cable with the same specifications and section as the cable supplied by the manufacturer.
To check wiring and machine connection refer to paragraph 5.1.
If the machine is to be moved to another location, disconnect it from the mains to avoid damaging the power supply cable.

Controls and Indicator Lights
List of controls and indicator lights
- Emergency stop hit button
• Colour: red.
• Press it to stop the machine instantly.
• To reset and restart the machine, release the emergency stop button by turning it clockwise - Stop pushbutton
• Colour: black (red for old models)
• Press to stop blade motor. - Power indicator light
• Colour: green
• indicates the machine is powered.
• This light is incorporated in the stop button “1”, it is green and when on indi-cates the
machine is powered. - ON Pushbutton
• Colour: grey (green for old models)
• Press it to start the cutting blade. - Indicator light “on”
• Colour: red.
• It indicates that the cutting blade is operating.
• It is positioned near the start pushbutton “4”, it is red and visible only with the blade working.
Starting and Stopping
Checking power supply connection
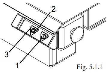
Switch the general power switch (differential switch) which is installed on the power supply line to the machine to position “I”. The green indicator light “2” must be on, this indicates that the machine is powered. Press the on pushbutton “1” and immediately afterwards the stop pushbutton “3” to check blade rotation. The blade must rotate in the direction indicated by the arrows (“G” fig. 1.9.1), that is towards the worktop.
If the blade rotates in the opposite direction, switch the general power switch to position “0”. This
isolates (disconnects) the machine from the mains power supply. Invert a wire in the plug and repeat
foregoing check procedure (paragraph 5.1). Note: For machines connected to a single-phase power supply, blade rotation is preset in the factory.
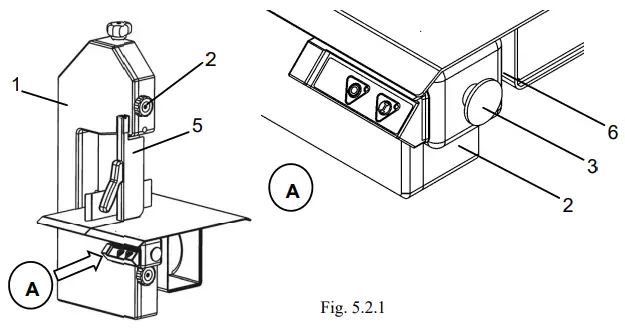
Checking efficiency and fitting of safety devices and protections A – Check microswitch “6” efficiency (fig. 5.2.1)
With the machine connected to the mains and blade working, open the snap-lock “2” to open casing
“1”. Slightly open the casing until the microswitch “6” cuts-in. By doing this the machine stops immediately to prevent objects or hands coming into contact with the pulleys and moving blades. Close the casing “1” and close the snap-lock “2”. The machine should not automatically restart when the casing is closed, to start press the start button. If there is a fault in the microswitch, turn the machine off and contact the service centre.
B – Checking emergency stop push-button “3” efficiency (fig. 5.2.1) Connect the machine to the power supply and with the blade rotating, press the emergency push-button “3”. The machine has to stop in 4 seconds
C – Mobile blade safety guard (pusher) “5” fig. 5.2.1
Make sure this safety guard is fitted, intact and positioned correctly so as to prevent the operator from coming into contact with the blade.
CAUTION
If the aforementioned safety devices and protections are not fitted or are not in perfect condition or are incorrectly set or inefficient switch the machine off and contact the service centre in order to restore the machine to a safe and efficient working order.
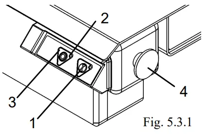
Starting the machine (fig. 5.3.1)
Switch the general power switch (differential
switch) from position “0” to “I”. The indicator light “2” lights up indicating the ma-chine is powered. Press the ON pushbutton “1” to start blade rotation.
Stopping the machine (fig. 5.3.1)
In emergency situations to stop the machine hit the mushroom shaped hit button “4”. In normal conditions to stop the machine press the stop button “3” which stops the electric motor.
The indicator light “2” remains on indicating the machine is still powered.
Switch the general power switch to position “0” to disconnect (isolate) the machine from the power supply
Note: Each time you finish using the machine or when it is not to be used for some time, turn the general power switch to position “0”.
Using Bone Saw
Warnings
CAUTION
Only authorised personnel can operate or work on the machine. Before using the machine, the operator must check that all the protections are correctly installed and efficient. If there are problems stop the machine and call the maintenance manager. When using the machine for the first time, with the assistance of a specialised technician practice using the machine without any food products until be-coming familiar with the various functions so as to operate in safety.
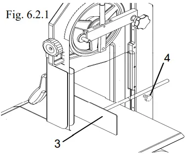
Preliminary settings (fig. 6.2.1)
- To cut the food product to the right size adjust the portioning device “3”.
- to adjust the portioning device “3” slacken knob “4”, and move the portioning device to the required distance from the blade and once adjusted tighten knob “4” to secure in the required position.

Using the bone saw
Having performed the settings described in para-graph. 6.2 the machine is ready for use.
- position the food product to cut on the worktop “3” up against the portioning device “1”.
- start the machine
- with one hand grip the handle on the pusher “2”, and with the other guide the food product towards the blade. Once having cut the required slices using only the pusher “2” and not your hands, push the product towards the blade.

IT IS STRCITLY FORBIDDEN FOR SAFETY REASONS TO CUT FOOD PROD-UCTS SMALLER THAN 50 mm
Never cut food products without utilising the pusher “2”
Note: This bone saw is designed to work intermittently and not continuously.
Using the stand (optional accessory)
CAUTION
This stand is to be positioned on level and solid flooring. Se-cure the machine to the stand utilising the screw fixtures pro-vided “1” (refer to fig. m 6.4.1).
Maintenance
Warnings
CAUTION
Any machine maintenance or cleaning operations must be performed only with the machine disconnected from the power supply.
The area where you perform maintenance operations must always be clean and dry.
Do not allow unauthorised personnel to work on the machine.
CAUTION
Do not introduce any part of the body, fingers into joints or sharp openings with-out using the
necessary protections.
Do not use petrol, solvents or other flammable liquids as detergents; use com-mercial non-toxic,
non-flammable authorised solvents.
Do not use compressed air to clean the machine.
If necessary, use safety glasses with lateral protection and limit the pressure to a maximum 2 atm (1,9 bar).
Do not use naked flames as lighting for checking and maintenance operations. Do not grease the machine when it is working.
Introduction
Constant maintenance and a correct use of the machine are indispensable to ensure maximum efficiency and performance and to guarantee machine safety. To ensure machine performance and to avoid invalidating machine warranty, all parts must be replaced with original spare parts.
Factory tests
The machine has been factory tested to ensure performance, efficiency and correct machine settings.
The factory tests are:
Before starting the machine:
- Machine operating voltage corresponds to the voltage requested by the buyer.
- warnings, caution signs and labels, machine rating plate which provides all technical specifications and the machine serial number are all affixed to the machine. All screws are tighten to their correct torque.
- Correct blade tension.
- The machine complies to the standards in force and with the regulations provided in this manual.
With the machine working:
- Check for efficiency in the protections and safety devices.
- Check for correct alignment of the blade drive pulleys.
- General operational and functional tests.
- a number of cutting tests to ensure the blade and machine are adjusted correctly for the type of cutting requirements requested.
Tests and checks to perform at installation
To make sure the machine has not been damaged during transport or during installation, perform
the following checks thoroughly:
Before starting the machine
- Check that mains voltage corresponds to the voltage indicated on the rating plate.
- Check danger and warning signs and labels are affixed and not damaged.
- check blade tension .
- run operational and functional checks
- check efficiency of the protections and safety devices to ensure they have not been damaged during transport.
- Check bade alignment.
- perform cutting tests utilising materials of the same size of the food product to cut.
Periodical checks
To ensure machine performance and longevity, as well as following the foregoing instructions and
procedures, it is necessary to perform constant checks and tests as described below.
Before each work shift
- Check effici ncy of safety devices and protections.
- Check p wer cable efficiency and inspect for damage or wear.
- Check a d inspect blade condition. If the blade is damaged or blunt replace.
- Check b ade tension.
- Check the b ade is correctly aligned to the drive pulley.
At the end of each work shift - Cle n the machine thoroughly and remove all waste products.
- Remove the blade guide clean and then replace.
Machine check and inspection procedures
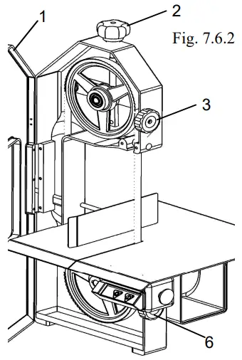
Blade adjustment (Fig. 7.6.1)
When cutting is no longer linear it is necessary to adjust blade tension.
To do this stop the cutting blade and turn knob “1” clockwise as indicated by arrow “A”. When adjusting blade tension make sure the spring “2” is not “packed” there must be gaps between the coils. In this way if an off-cut gets trapped between the blade and drive pulley the spring acts as a shock absorber to the blade.
Replacing / changing blade
CAUTION
This is a very delicate and hazardous
operation therefore only authorised and qualified person-nel may change the blade.
- Switch the general power switch to position “0” and unplug the plug from the power socket.
- Open casing “1”.
- Turn knob “2” anti-clockwise to unscrew
- Remove the blade which is mounted on the two pulleys.
- Before mounting a new blade clean the pulleys thoroughly.
- Mount the new blade.
- Tension the blade by turning knob “2” clockwise.
- Check position on the two pulleys:
The blade should rest on the two pulleys, however the sharp (cutting) edge should jut out past the pulley. Refer to fig. 7.6.3 Rotate the two pulleys by hand to check the blade is positioned correctly. - Close the casing “1” and close the snap lock “3”.
- Connect the plug to the power socket.
- Switch the general power switch to position “1”.
- Start and stop the machine and check the blade remains in its correct position and aligned correctly to the pulleys.


Types of blades
There are several blades on the market of different tooth pitches, blade thickness, height and steel quality.
We recommend for our bone saw tempered steel blades with a 16 cm height and 6 mm tooth pitch.
For different kinds of food products such as chicken or frozen meats, specific blades with different tooth pitches exist on the market offering perfect cutting without waste or altering the product.
Handling the blade
HOW TO HANDLE A BLADE WITHOUT CUTTING YOURSELF Proceed following each step in order.
| 1 | Wear a pair of gloves adequate and suitable for handling sharp objects | ![]() | |
| 2 | Remove the pack of blades from the box and position on top of a work surface. Make sure the teeth are fac-ing downwards. | ![]() | |
| 3 | Grip the blades with one hand, always wearing suitable and adequate gloves as illustrated in the pho- to….. | ![]() | |
| 4 | .. With the other hand, always wearing suitable and adequate gloves, loosen and remove the tie fixture. | ![]() | ![]() |
| 5 | Using both hands grip the blades and open the pack until the blades are stretched out. | ![]() | ![]() |
| 6 | With one hand grip the blades …. | ![]() | |
| 7 | With the other hand remove the second tie fixture… | ![]() | |
| 8 | With both hands grip the blades and carefully open the pack on top of the work surface. | ![]() | |
| 9 | Now the blades are completely open grip one of the blades from the centre bend and slide it along the table as illustrated in the photo, now grip both ends and move it to-wards the centre. At this point lift the blade. | ![]() | ![]() |
| 10 | Once you have lifted the blade off the table using both hands stretch open. The blade is now ready to be mounted on the machine. . | ![]() | The other spare blades must be tied and protect-ed. To do this invert the procedure from point 8. It is recommended not to remove safety gloves before having completed all blade handling operations. |
Cleaning
General guidelines
- The machine must be cleaned at least once a day and if necessary more fre-quently.
- Always accurately and thoroughly clean all the parts of the bone saw which come into direct or indirect contact with the food product.
- Never clean the machine with powered water cleaners or water jets, only use neutral detergents
(pH 7). It is strictly forbidden to use any other types of detergent. Do not use cleaning utensils, brushes or any other the tool which could damage the surface of the machine
Before cleaning the machine unplug the plug from the power socket isolating the machine from the power supply;
CAUTION: When cleaning pay attention to cutting hazards created by sharp and pointed surfaces or parts.
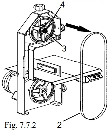
When cleaning the machine
- Always wear suitable safety gloves for handling sharp objects
- Slacken ten ion in the blade by turning knob 1 anticlockwise completely and remove knob.
- Grip blade 2 and remove from pulley as illustrated in fig. 7.7.2

- Unscr w knob 7 completely and remove, the releases pulley 8 which can now be removed and cleaned utilising a sponge soaked with a pH 7 neutral detergent
- Remove ll scrapers 9 and wash utilising a pH 7 neutral detergent.
- Remove the crew fixtures on the blade guide 10 as in illustrated in fig. 7.7.8 and wash utilising a pH 7 neutral detergent
- Having removed all the removal parts it is possible to clean the smooth surface of the machine utilising a pH 7 neutral detergent
- Rinse ll components to eliminate any residual detergent and replace all parts removed.
To replace proceed by inverting this procedure.


WEEE Waste of Electric and Electronic Equipment
Directive 2002/95/EC, 2002/96/EC and 2003/108/EC on the restriction of the use of certain hazardous substances in electrical and electronic equipment, and waste electrical and electronic equipment.
This symbol, crossed out wheelie bin, on the product or on its packaging indicates that this product must not be disposed of with your other household waste.
Separate waste collection of this appliance is organised and managed by the manufacturer. It is the user’s responsibility to contact the manufacturer and follow the waste treatment system the manufacturer has adopted for separate waste collection.
The separate collection and recycling of your waste equipment at the time of disposal will help to conserve natural resources and ensure that it is recycled in a manner that protects human health and the environment.
Spare parts
For spare parts contact the manufacturer for a copy of the spare parts catalogue.
Troubleshooting
Malfunctions, causes and remedies
| MALFUCNTIONS | CAUSES | REMEDIES |
|
|
|
|
|
|
|
|
|
|
|
|
Exploded view SO 1550

SO 1550
| 1 | LF1000416001 |
| 2 | LF1000416010 |
| 3 | LF1000416020 |
| 4 | LF1010033 |
| 5 | LF1010034 |
| 6 | LF1010050 |
| 7 | LF1010069 |
| 8 | LF1010069A |
| 9 | LF1010072 |
| 10 | LF1010072A |
| 11 | LF1010080 |
| 12 | LF1010084 |
| 13 | LF1010086 |
| 14 | LF1010704 |
| 15 | LF1030522050 |
| 16 | LF1034002 |
| 17 | LF1061104 |
| 18 | LF1110005 |
| 19 | LF1201001 |
| 20 | LF1210001 |
| 21 | LF1210002 |
| 22 | LF1400416004 |
| 23 | LF1400416016 |
| 24 | LF1452501 |
| 25 | LF1510002 |
| 26 | LF1510004 |
| 27 | LF1510704 |
| 28 | LF151650U16 |
| 29 | LF1810516 |
| 30 | LF2000415001 |
| 31 | LF2000415004 |
| 32 | LF2000415007 |
| 33 | LF2000415013 |
| 34 | LF2000415016 |
| 35 | LF2000415019 |
| 36 | LF2000415022 |
| 37 | LF2000416019 |
| 38 | LF2000416020 |
| 39 | LF2000416031 |
| 40 | LF2000416034 |
| 41 | LF2000416038 |
| 42 | LF2001014 |
| 43 | LF2001027 |
| 44 | LF2001028 |
| 45 | LF2001030 |
| 46 | LF2001032 |
| 47 | LF2001037 |
| 48 | LF2001039 |
| 49 | LF2001081 |
| 50 | LF2010008 |
| 51 | LF2010013 |
| 52 | LF2010025 |
| 53 | LF2010032 |
| 54 | IX2125005 |
| 55 | IX2125006 |
| 56 | IX2125008 |
| 57 | IX2125010 |
| 58 | IX2125012 |
| 59 | IX21587LC006 |
| 60 | IX21587LC010 |
| 61 | IX2439010 |
| 62 | IX2472042 |
| 63 | IX26798A008 |
| 64 | IX27380004020 |
| 65 | IX27380TX200412 |
| 66 | IX279813,5013 |
| 67 | IX279813,5009,5 |
| 68 | IX27985004012 |
| 69 | IX27991005018 |
| 70 | IX27991008020 |
| 71 | IX27991010016 |
| 72 | IX29021008024 |
| 73 | IX29021008032 |
| 74 | IX29021012036 |
| 75 | IX2912005012 |
| 76 | IX2912006020 |
| 77 | IX2912006025 |
| 78 | IX2913010030 |
| 79 | IX2916006016 |
| 80 | IX2933006020 |
| 81 | IX2933008020 |
| 82 | IX2933008022 |
| 83 | IX2933010035 |
| 84 | IX2934006 |
| 85 | IX2934008 |
| 86 | IX2982004 |
| 87 | IX2982006 |
SO 1650

SO 1840
| 1 | LF1000416001 |
| 2 | LF1000416010 |
| 3 | LF1000416020 |
| 4 | LF1010033 |
| 5 | LF1010034 |
| 6 | LF1010050 |
| 7 | LF1010069 |
| 8 | LF1010069A |
| 9 | LF1010072 |
| 10 | LF1010072A |
| 11 | LF1010080 |
| 12 | LF1010084 |
| 13 | LF1010086 |
| 14 | LF1010704 |
| 15 | LF1030522050 |
| 16 | LF1034002 |
| 17 | LF1061104 |
| 18 | LF1110005 |
| 19 | LF1201001 |
| 20 | LF1210001 |
| 21 | LF1210002 |
| 22 | LF1400416004 |
| 23 | LF1400416016 |
| 24 | LF1452501 |
| 25 | LF1510002 |
| 26 | LF1510004 |
| 27 | LF1510704 |
| 28 | LF151840U16 |
| 29 | LF1810516 |
| 30 | LF2000415007 |
| 31 | LF2000416001 |
| 32 | LF2000416004 |
| 33 | LF2000416019 |
| 34 | LF2000416020 |
| 35 | LF2000416022 |
| 36 | LF2000416028 |
| 37 | LF2000416029 |
| 38 | LF2000416031 |
| 39 | LF2000416034 |
| 40 | LF2000416038 |
| 41 | LF2000418013 |
| 42 | LF2000418016 |
| 43 | LF2001014 |
| 44 | LF2001028 |
| 45 | LF2001030 |
| 46 | LF2001032 |
| 47 | LF2001039 |
| 48 | LF2001081 |
| 49 | LF2005009 |
| 50 | LF2005010 |
| 51 | LF2010008 |
| 52 | LF2010025 |
| 53 | LF2010032 |
| 54 | LF2010108 |
| 55 | LF2010109 |
| 56 | LF2010517 |
| 57 | IX2125005 |
| 58 | IX2125006 |
| 59 | IX2125008 |
| 60 | IX2125010 |
| 61 | IX2125012 |
| 62 | IX21587LC006 |
| 63 | IX21587LC010 |
| 64 | IX2439010 |
| 65 | IX2472042 |
| 66 | IX26798A008 |
| 67 | IX27380004020 |
| 68 | IX27380TX200412 |
| 69 | IX279813,5013 |
| 70 | IX279813,5009,5 |
| 71 | IX27985004012 |
| 72 | IX27991005014 |
| 73 | IX27991005018 |
| 74 | IX27991008020 |
| 75 | IX27991010016 |
| 76 | IX29021008024 |
| 77 | IX29021008032 |
| 78 | IX29021012036 |
| 79 | IX2912005012 |
| 80 | IX2912006020 |
| 81 | IX2912006025 |
| 82 | IX2913006060 |
| 83 | IX2913010030 |
| 84 | IX2916006016 |
| 85 | IX2933006020 |
| 86 | IX2933008020 |
| 87 | IX2933008022 |
| 88 | IX2933010035 |
| 89 | IX2934006 |
| 90 | IX2934008 |
| 91 | IX2982004 |
| 92 | IX2982006 |
Power indicator light
- Colour: green
- indicates the machine is powered.
This light is incorporated in the stop button “1”, it is green and when on indicates the machine is powered.
ON Pushbutton
- Colour: grey (green for old models)
- Press it to start the cutting blade.
Indicator light “on”
- Colour: red.
- It indicates that the cutting blade is operating.
It is positioned near the start pushbutton “4”, it is red and visible only with the blade working
Starting and Stopping
Checking power supply connection
Switch the general power switch (differential switch) which is installed on the power supply line to the machine to position “I”. The green indicator light “2” must be on, this indicates that the machine is powered. Press the on pushbutton “1” and immediately afterwards the stop pushbutton “3” to check blade rotation. The blade must rotate in the direction indicated by the arrows (“G” fig. 1.9.1), that is towards the worktop.
If the blade rotates in the opposite direction, switch the general power switch to position “0”. This isolates (disconnects) the machine from the mains power supply. Invert a wire in the plug and repeat foregoing check procedure (paragraph 5.1).
Note: For machines connected to a single-phase power supply, blade rotation is preset in the factory.
Checking efficiency and fitting of safety devices and protections
A – Check microswitch “6” efficiency (fig. 5.2.1)
With the machine connected to the mains and blade working, open the snap-lock “2” to open casing “1”. Slightly open the casing until the microswitch “6” cuts-in. By doing this the machine stops immediately to prevent objects or hands coming into contact with the pulleys and moving blades. Close the casing “1” and close the snap-lock “2”. The machine should not automatically restart when the casing is closed, to start press the start button. If there is a fault in the microswitch, turn the machine off and contact the service centre.
B – Checking emergency stop push-button “3” efficiency (fig. 5.2.1)
Connect the machine to the power supply and with the blade rotating, press the emergency push-button “3”. The machine has to stop in 4 seconds.
C – Mobile blade safety guard (pusher) “5” fig. 5.2.1
Make sure this safety guard is fitted, intact and positioned correctly so as to prevent the operator from coming into contact with the blade.
CAUTION
If the aforementioned safety devices and protections are not fitted or are not in perfect condition or are incorrectly set or inefficient switch the machine off and contact the service centre in order to restore the machine to a safe and efficient working order.
Starting the machine (fig. 5.3.1)

Switch the general power switch (differential switch) from position “0” to “I”. The indicator light “2” lights up indicating the machine is powered. Press the ON pushbutton “1” to start blade rotation.
Stopping the machine (fig. 5.3.1)
In emergency situations to stop the machine hit the mushroom shaped hit button “4”. In normal conditions to stop the machine press the stop button “3” which stops the electric motor.
The indicator light “2” remains on indicating the machine is still powered.
Switch the general power switch to position “0” to disconnect (isolate) the machine from the power supply.
Note: Each time you finish using the machine or when it is not to be used for some time, turn the general power switch to position “0”.
Customer Support
35010 Curtarolo
Padova (Italy)
Tel: 049 9698666
Fax: 049 9698688
www.sirman.com
[email protected]


















































