Not Recommended for New Designs
![]()
POWER SYSTEMS
CONFIGURATION GUIDE

PRODUCT OVERVIEW
The VIPAC Array is a highly flexible system of DC input, power building-blocks that can be configured with as many as four user definable outputs on a low profile, coldplate chassis. VIPAC Array offers the convenience of a prepackaged, chassis mount solution with the performance and power density of Vicor’s Maxi, Mini, Micro Series modules, DC-DC converters.
Using Vicor’s VCAD configuration tool, (vicorpower.com/vcad), designers are able to quickly specify VIPAC Arrays with standard inputs of 24, 28, 48, 72, 110, 150, 300 or 375 Vdc and standard outputs from 2 to 48 Vdc at power levels up to 600 Watts per output. A total of 8 standard chassis configurations offers the user a choice of power and mechanical options to fit most designs. Short cycle time and rapid delivery make VIPAC Array a valuable tool for power system prototyping and development efforts as well.
For technical information refer to “Design Guide & Applications Manual for Maxi, Mini, Micro Family DC-DC Converters and Accessory Modules”
VIPAC Arrays are ideal for use in distributed and modular power systems where power density and reliable operation are critical. A current share option is available on single output models enabling them to be used in applications requiring either redundant operation or kilowatts of power. The 300 and 375 Vdc input versions can be coupled to a bulk AC Front-end to create a modular, scaleable power supply serving a variety of power architectures from centralized to distributed. VIPAC Arrays include internal fusing, a global enable / disable function and connectorized input and output terminations to speed system installation while a versatile coldplate chassis simplifies thermal management and mounting.
Vicor’s VCAD configuration tool provides expedited part configuration, part number, price and delivery information by selecting standard Maxi, Mini, and Micro modules for use within the VIPAC Array based on the application requirements. The modules are chosen based on the input and output requirements and the closest, but higher power level that is available to that specified. Specifications for these can be found on their respective data sheets.

- Features
Optional current share (single output)
Onboard fusing
Global enable / disable - Vicor’s Maxi, Mini, Micro Series
DC-DC Converters
Output Voltages 0.5 – 48 Vdc
50 – 600 W / Output
(1/4 Brick Modules Shown) - Choice of Output Termination
LugMate
PlugMate - Standard Output Voltages:
2,3.3,5,8,12,15,24,28,36,48 Vdc - Low Profile Coldplate
Wide Operating Temperture Range
Up to 95°C Chassis - Standard Input Voltage Ranges
10 – 36 Vdc*
18 – 36 Vdc*
36 – 75 Vdc*
43 – 110 Vdc*
66 – 154 Vdc*
100 – 200 Vdc*
180 – 375 Vdc
250 – 425 Vdc
* Note: 24, 28, 48, 72, 110, and 150 V input VIPAC Arrays are designed primarily for military COTS and industrial applications and do not carry safety agency approvals.
Product Overview

VA-A
2 MINIS
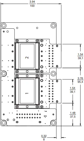
- 3.62″ x 6.69″ x 0.78″[a]
(92,0 x 170,0 x 19,8 mm) - 1.3 lb (590 g)
- Single or dual output
- Up to 600 W

VA-B
1 MINI, 2 MICROS
- 3.62″ x 6.69″ x 0.78″[a]
(92,0 x 170,0 x 19,8 mm) - 1.3 lb (590 g)
- Single, dual or triple outputs
- Up to 600 W total

VA-C
3 MICROS
- 3.62″ x 6.69″ x 0.76″[a]
(92,0 x 170,0 x 19,3 mm) - 1.1 lb (499 g)
- Dual or triple outputs
- Up to 450 W total

VA-D/J
1 MAXI
- 3.62″ x 6.69″ x 0.78″[a]
(92,0 x 170,0 x 19,8 mm) - 1.1 lb (499 g)
- Single output
- Up to 600 W
- Current share option

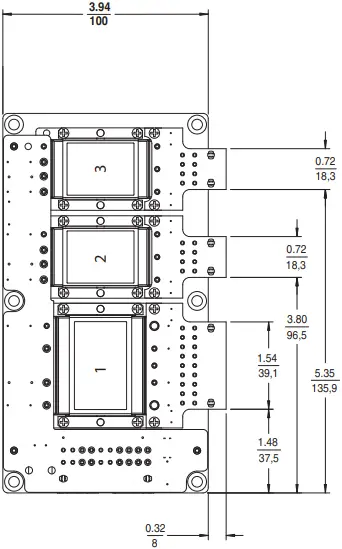
VA-E
I MICRO, 2 MINIS
- 3.62″ x 7.52″ x 0.78″[a]
(92,0 x 191,0 x 19,8 mm) - 1.4 lb (635 g)
- Dual or triple outputs
- Up to 750 W total

VA-F
4 MICROS
- 3.62″ x 7.52″ x 0.76″[a]
(92,0 x 191,0 x 19,3 mm) - 1.3 lb (608 g)
- Dual, triple or quad outputs
- Up to 600 W total

VA-G/K
1 MINI
- 3.62″ x 4.39″ x 0.78″[a]
(92,0 x 112,0 x 19,8 mm) - 0.7 lb (318 g)
- Single output
- Up to 300 W
- Current share option

VA-H
2 MICROS
- 3.62″ x 4.39″ x 0.78″[a]
(92,0 x 112,0 x 19,8 mm) - 0.7 lb (318 g)
- Single or dual outputs
- Up to 300 W
[a] PlugMate version is 0.81″ (20,5 mm) in height
Note: Output numbering convention left to right facing output connections.
Model #’s and total output power capabilities are determined using VCAD and are application specific.
Input / Output Connections
(J1) Input Connector
(View looking into J1)

| Pin# | Funct. |
| 1-4 5-7 8 9 10 11-13 14-17 18 19 20 | -Vin +Vin NC / PR bus PE protective earth Neg. enable -Vin +Vin NC / PR bus PE protective earth Pos. enable |
| VA-J and VA-K configurations only (300 and 375 Vin single Maxi or single Mini) | |
| Pin# | Funct. |
| 1-3 4-6 7 8 9 10 11-13 14-16 17 18 19 20 | -Vin +Vin NC NC / PR bus PE protective earth Neg. enable -Vin +Vin NC NC / PR bus PE protective earth Pos. enable |
To disable output(s) apply +5 Vdc between pins 10 and 20 in the polarity indicated
Mating Connector
| Vicor part # | TE Connectivity part # | |
| Housing | 2-794657-0 | |
| Contacts | 1-106529-2 | |
| Kit | 24828 |

- Discrete Output
- Parallel Output
Shown with the output(s) of two modules connected in parallel using factory installed bus bar.**
Factory installed Micro LugMate

| Pin # | Solder Pad | Function |
| 1 | – Vout | |
| Rd | Trim Down | |
| SC | Secondary Control | |
| Ru | Trim Up | |
| 3 | + Vout |
Consult design calculator for Rd/Ru trim resistor values located at vicorpower.com
Factory installed Mini/Maxi LugMate

| Pin # | Conn. | Function | Mating Conn. | |
| 1 | – Vout | |||
| J4-1 | – Vout | |||
| J4-2 | – Sense | *Removable Jumper | TE Connectivity 644083-5 | |
| J4-3 | Secondary Control | |||
| J4-4 | + Sense | *Removable Jumper | ||
| J4-5 | + Vout | |||
| 5 | + Vout | |||
*Removable jumpers in J4 are factory installed for local sensing. For remote sensing the +Sense pins should be tied to the same point on the +Out power bus; the -Sense pins should be tied to the same point the -Out power bus.
Parallel*** / Redundant Connections*
(J1) Input Connector
(View looking into J1)

| Pin# | Funct. |
| 1-4 5-7 8 9 10 11-13 14-17 18 19 20 | -Vin +Vin NC / PR bus PE protective earth Neg. enable -Vin +Vin NC / PR bus PE protective earth Pos. enable |
| VA-J and VA-K configurations only (300 and 375 Vin single Maxi or single Mini) | |
| Pin# | Funct. |
| 1-3 4-6 7 8 9 10 11-13 14-16 17 18 19 20 | -Vin +Vin NC NC / PR bus PE protective earth Neg. enable -Vin +Vin NC NC / PR bus PE protective earth Pos. enable |
To disable output(s) apply +5 Vdc between pins 10 and 20 in the polarity indicated
Mating Connector
| Vicor part # | TE Connectivity part # | |
| Housing | 2-794657-0 | |
| Contacts | 1-106529-2 | |
| Kit | 24828 |

- TE Connectivity 644083-5
- PR bus leads should be connected to like pin#’s on redundant arrays when equipped with optional current share transformer. Twist wires and daisy chain rather than a star connect. Keep length as short as possible.***
Factory installed Mini/Maxi LugMate

| Pin # | Conn. | Function | Mating Conn. | |
| 1 | – Vout | |||
| J4-1 | – Vout | |||
| J4-2 | – Sense | *Removable Jumper | TE Connectivity 644083-5 | |
| J4-3 | Secondary Control | |||
| J4-4 | + Sense | *Removable Jumper | ||
| J4-5 | + Vout | |||
| 5 | + Vout | |||
* Removable jumpers in J4 are factory installed for local sensing. For remote sensing and redundant parallel arrays as illustrated above the +Sense pins should be tied to the same point on the +Out
power bus; the -Sense pins should be tied to the same point the -Out power bus.
** There should be one parent module, this is realized by choosing one module to be the parent and shorting the SC to -S on the other module. Units configured from the factory as paralled will already have this configured. This should be verified by direct inspection prior to system integration.
*** There should be one parent module, this is realized by choosing one module to be the parent and shorting the SC to -S on the other module. This is done by installing a 0Ω resistor in the space provided on the lugmate / plugmate.
OUTPUT CONNECTION OPTIONS
PlugMate Mating Connector Kits
(Factory Installed Option)
Micro PlugMate
Vicor kit P/N 25073



Pin # | Function | Pin # | Function |
| 1 | +Vout | 5 | +Vout |
2 | +Vout | 6 | N/C |
| 3 | –Vout | 7 | SC |
4 | –Vout | 8 | –Vout |
| Mating Connector | TE Connectivity P/N | Vicor P/N |
| Housing | TYC-794657-8 | |
| Pin | 1-106529-2 | |
| Kit | 25073 |
Mini PlugMate
Vicor kit P/N 25067


Pin # | Function | Pin # | Function |
| 1 | +Vout | 10 | +Vout |
2 | +Vout | 11 | +Vout |
| 3 | +Vout | 12 | +Vout |
4 | N/C | 13 | +S |
| 5 | N/C | 14 | SC |
6 | N/C | 15 | –S |
| 7 | –Vout | 16 | –Vout |
8 | –Vout | 17 | –Vout |
| 9 | –Vout | 18 | –Vout |
| Mating Connector | TE Connectivity P/N | Vicor P/N |
| Housing | TYC1-794657-8 | |
| Pin | 1-106529-2 | |
| Kit | 25067 |
Maxi PlugMate
Vicor kit P/N 25061


Pin # | Function | Pin # | Function |
| 1 | +Vout | 13 | +Vout |
2 | +Vout | 14 | +Vout |
| 3 | +Vout | 15 | +Vout |
4 | +Vout | 16 | +Vout |
| 5 | +Vout | 17 | +Vout |
6 | N/C | 18 | +S |
| 7 | SC | 19 | –S |
8 | –Vout | 20 | –Vout |
| 9 | –Vout | 21 | –Vout |
10 | –Vout | 22 | –Vout |
| 11 | –Vout | 23 | –Vout |
12 | –Vout | 24 | –Vout |
Please Note:
VIPACs that contain multiple modules configured as a single output (paralleled for power or redundancy) MUST have their Outputs and Sense connected to each other at the load.
DO NOT OPERATE A PARALLEL CONFIGURATION WITH ONLY ONE MODULE CONNECTED. Additionally one module must be designated as “parent” by having all other modules configured as “Boosters”. Boosters are created by shorting the SC pin to -S.
Mounting Options


- VIPAC Array with external, user supplied heat sink.
- VIPAC Array mounted to cabinet wall with thermal compound between VIPAC Array and cabinet wall.
- VIPAC Array mounted to custom thermal interface.
- Thermal compound
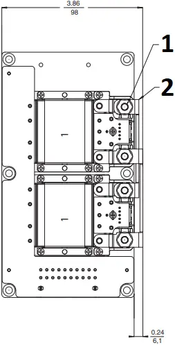
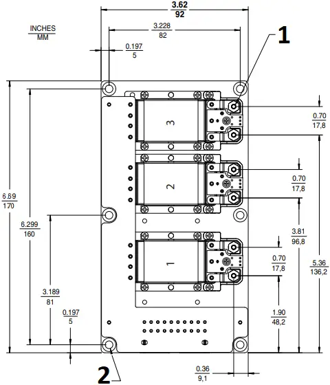
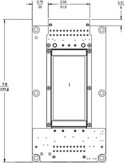
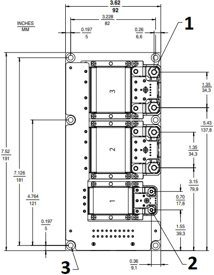
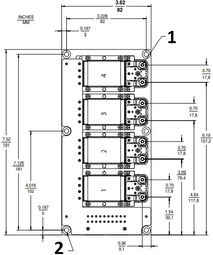
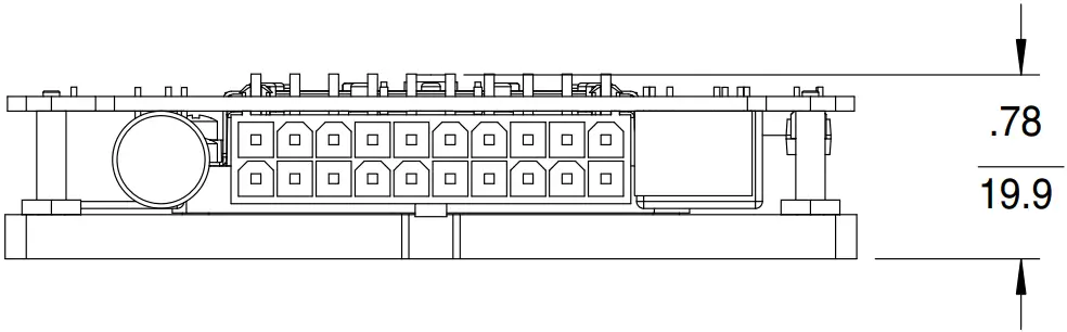
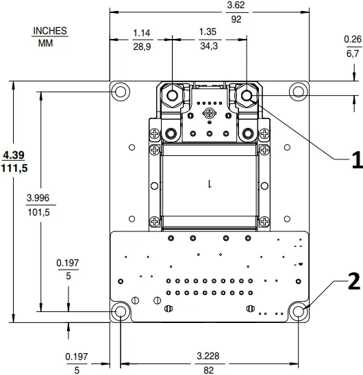
MECHANICAL DRAWINGS Coldplate thickness is 0.19” ref for all configurations.
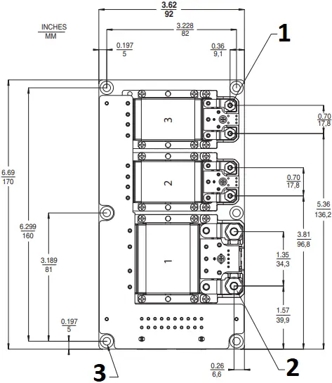
Configuration A
________________________________
LugMates


- #10-32 Stud
fits 2 lugs min
(Vicor P/N 23520)
torque to 16 in. lbs.
4 places - Mount (6) plusing
#8 flat head screw
(M4 flat head screw)
torque to 12 in. lbs.
LugMates/Bus Bars


- #10-32 Stud
fits 2 lugs min
(Vicor P/N 23520)
torque to 16 in. lbs.
4 places - Insulated
Bus Bar (2 ) PL
PlugMates


Configuration B
________________________________
LugMates


- #4-40 STUD
FITS 2 LUGS MIN
(VICOR P/N 23519)
TORQUE TO 4 in. lbs.
4 PLACES - #10-32 STUD
FITS 2 LUGS MIN
(VICOR P/N 23520)
TORQUE TO 16 in. lbs.
2 PLACES - MOUNT (6) PL USING
#8 FLAT HEAD SCREW
(M4 FLAT HEAD SCREW)
TORQUE TO 12 in. lbs.
LugMates/Bus Bars


- #4-40 STUD
FITS 2 LUGS MIN
(VICOR P/N 23519)
TORQUE TO 4 in. lbs.
4 PLACES - INSULATED
BUS BAR (2 ) PL - #10-32 STUD
FITS 2 LUGS MIN
(VICOR P/N 23520)
TORQUE TO 16 in. lbs.
2 PLACES
PlugMates


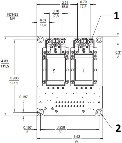
Configuration C
________________________________
LugMates


- #4-40 STUD
FITS 2 LUGS MIN
(VICOR P/N 23519)
TORQUE TO 4 in. lbs.
6 PLACES - MOUNT (6) PL USING
#8 FLAT HEAD SCREW
(M4 FLAT HEAD SCREW)
TORQUE TO 12 in. lbs.
LugMates/Bus Bars


- #4-40 STUD
FITS 2 LUGS MIN
(VICOR P/N 23519)
TORQUE TO 4 in. lbs.
6 PLACES - INSULATED
BUS BAR (2 ) PL
PlugMates


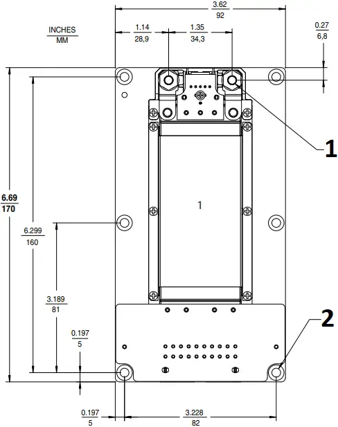
Configuration D and J
________________________________
LugMates


- #10-32 STUD
FITS 2 LUGS MIN
(VICOR P/N 23520)
TORQUE TO 16 in. lbs.
2 PLACES - MOUNT (6) PL USING
#8 FLAT HEAD SCREW
(M4 FLAT HEAD SCREW)
TORQUE TO 12 in. lbs.
PlugMates


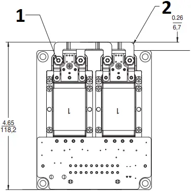
Configuration E
________________________________
LugMates


- #10-32 STUD
FITS 2 LUGS MIN
(VICOR P/N 23520)
TORQUE TO 16 in. lbs.
4 PLACES - #4-40 STUD
FITS 2 LUGS MIN
(VICOR P/N 23519)
TORQUE TO 4 in. lbs.
2 PLACES - MOUNT (6) PL USING
#8 FLAT HEAD SCREW
(M4 FLAT HEAD SCREW)
TORQUE TO 12 in. lbs.
LugMates/Bus Bars


- #10-32 STUD
FITS 2 LUGS MIN
(VICOR P/N 23520)
TORQUE TO 16 in. lbs.
4 PLACES - INSULATED
BUS BAR (2 ) PL - #4-40 STUD
FITS 2 LUGS MIN
(VICOR P/N 23519)
TORQUE TO 4 in. lbs.
2 PLACES
PlugMates


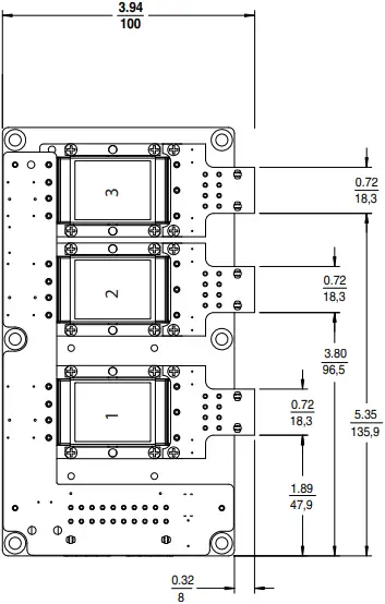
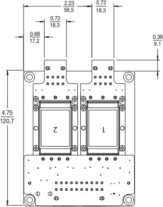
Configuration F
________________________________
LugMates


- #4-40 STUD
FITS 2 LUGS MIN
(VICOR P/N 23519)
TORQUE TO 4 in. lbs.
8 PLACES - MOUNT (6) PL USING
#8 FLAT HEAD SCREW
(M4 FLAT HEAD SCREW)
TORQUE TO 12 in. lbs.
LugMates/Bus Bars


- #4-40 STUD
FITS 2 LUGS MIN
(VICOR P/N 23519)
TORQUE TO 4 in. lbs.
8 PLACES - INSULATED
BUS BAR (4) PL
PlugMates


Configuration G and K
________________________________
LugMates


- #10-32 STUD
FITS 2 LUGS MIN
(VICOR P/N 23520)
TORQUE TO 16 in. lbs.
2 PLACES - MOUNT (4) PL USING
#8 FLAT HEAD SCREW
(M4 FLAT HEAD SCREW)
TORQUE TO 12 in. lbs.
PlugMates


Configuration H
________________________________
LugMates


- #4-40 STUD
FITS 2 LUGS MIN
(VICOR P/N 23519)
TORQUE TO 4 in. lbs.
4 PLACES - MOUNT (4) PL USING
#8 FLAT HEAD SCREW
(M4 FLAT HEAD SCREW)
TORQUE TO 12 in. lbs.
LugMates/Bus Bars


- #4-40 STUD
FITS 2 LUGS MIN
(VICOR P/N 23519)
TORQUE TO 4 in. lbs.
4 PLACES - INSULATED
BUS BAR (2) PL
PlugMates


TECHNICAL SUPPORT CONTACTS
Vicor’s Technical support team is staffed with Applications Engineers to provide the product and application information and technical assistance customers need concerning Vicor products and power solutions. Our facilities house electronics laboratories where Vicor Applications Engineers can evaluate specific customer design issues and offer a wide range of component-based power solutions that include distributed power, current sharing, N + 1 redundancy, thermal management, and compliance with safety and performance standards.
Applications engineers …
- Answer technical questions (by phone, fax, email, or the Vicor website).
- Assist with component-based power system design.
- Support user needs through visits to Vicor and customer facilities.
- Help select the most appropriate product for your application.
If you have a specific technical question, call or email an Applications Engineer located at one of our global offices.
Vicor Corporation
(Corporate Headquarters)
25 Frontage Road
Andover, MA 01810-5413
For General Information
Tel: 978 470 2900
Fax: 978 475 6715
For Technical Support
Tel: 800 927 9474
Fax: 978 749 3341
email: [email protected]
For Sales Support
U.S. and Canada: 800 735 6200
Fax: 978 475 6715
email: [email protected]
Europe
vicoreurope.com
Vicor France
Tel: +33 1 34 52 18 30
0800 419 419 (in France)
Fax: +33 1 34 52 28 30
email: [email protected]
Vicor Germany
Tel: +49 89 962 439 0
0800 018 29 18 (in Germany)
Fax: +49 89 962 439 39
email: [email protected]
Vicor Italy
Tel: +39 02 22 47 23 26
800 899 677 (in Italy)
Fax: +39 02 22 47 31 66
email: [email protected]
Vicor U.K.
Tel: +44 1276 678222
UK: 0800 980 8427
Sweden: 020 794 143
Fax: +44 1276 681269
email: [email protected]
Asia-Pacific
Vicor Japan Co., Ltd.
Tokyo 141-0031 Japan
Tel: +81 3 5487 3880
Fax: +81 3 5487 3885
vicorpowerco.jp
Vicor Hong Kong
Tsim Sha Tsui, Hong Kong
vicor-asia.com
Tel: +852 2956 1782
Fax: +852 2956 0782
Latin America
Argentina: 800 555 4288
Brazil: 0800 8890 0288
Mexico: 011 52 333 647 7881
Ask the operator to connect
you to: 800 735 6200
Information furnished by Vicor is believed to be accurate and reliable. However, no responsibility is assumed by Vicor for its use. No license is granted by implication or otherwise under any patent or patent rights of Vicor. Vicor components are not designed to be used in applications, such as life support systems, wherein a failure or malfunction could result in injury or death. All sales are subject to Vicor’s Terms and Conditions of Sale, which are available upon request. No user serviceable components, contact Vicor to arrange for repair or replacement. Specifications are subject to change without notice.


Vicor Corporation
Tel: 978-470-2900 Fax: 978-475-6715
P/N 25732 Rev 2.5 11/20


















