
Static Brush
92-2457-01 Rev.B
Installation Instructions 
- Turn ‘Off’ and unplug the printer.
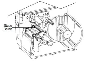
- Open the cover. Using the illustrations below, locate the area where the Static Brush will be installed.
- Using a Cotton Swab or cloth, moistened with isopropyl alcohol, gently clean the surface where the Static Brush will be installed.
Isopropyl alcohol is a flammable solvent; always take the proper precautions when using this substance.
WARNING
Peel the backing from the adhesive strip on the back of the Static Brush and affix the brush to the printer in the location shown in the below illustrations.
Note: The Static brush should be installed so the bristles are as close to the ribbon without actually touching. It may be necessary to install a roll of ribbon in order to properly align the brush to the ribbon.
M-Class Printers
Note: For M-Class printers, the Static Brush must be cut to length in order to fit properly.
I-Class Printers
H-Class Printers 
right by our customers ![]()
datamax.oneil ![]()
















