

MJLR-2000
Built-in receiver
for motor/awning control
TECHNICAL DATA
MJLR-2000
| Power supply | 220–240 V~50 Hz |
| Max. load | 1000 W |
| Protocol | System Nexa (433.92 MHz) |
| Range | up to 30 m |
| Memory slots | 32 |
| Operating temperature | 0–40 °C |
| Own consumption | < 1 W |
| IP classification | IP20 Indoor use |
| Dimensions | 48 x 48 x 24,5 mm |
A declaration of conformity is available online at www.nexa.se
Built-in receiver with potential-free relay contacts for permanent installation; for placement in connection- or wall box. The MJLR2000 features two potential-free relay outputs with a shared input, which allows control of optional voltages. The receiver is fully compatible with other System Nexa products.
SAFETY
Read all the instructions carefully first. Call in a professional if necessary. Next cannot be held liable if the product is used for any purpose other than that for which it was designed, or if the associated instructions are not followed.
Never connect lights or any equipment that exceeds the maximum stated load of the receiver, as this can result in faults, short circuits, or fire.
Do not attempt to repair the product. The product contains no serviceable parts.
INSTALLATION
Make sure that the wires are free from voltage by disconnecting the current in the electrical panel.
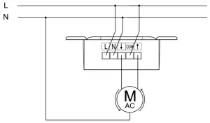
See the circuit diagram for the type of motor that is to be used.
PROGRAMMING
In order to control the MJLR-2000 with a System Nexa remote control (or another unit), the transmitter and receiver must be connected as follows:
- Connect current to the MJLR-200
- Briefly press the “programming” button, the LED indicator will start to flash slowly.
- Press the “ON” button for the selected channel on a System Nexa remote control within 12 seconds.
CONFIRMATION OF PROGRAMMING
The LED indicator on the receiver flashes slowly for 2 seconds.
DELETE MEMORY SLOT
- Connect current to the MJLR-200
- Briefly press the “programming” button, the LED indicator will start to flash slowly.
- Press the “OFF” button for the selected channel to be deleted from a System Nexa remote control within 12 seconds.
CONFIRMATION OF DELETION
The LED indicator on the receiver flashes slowly for 2 seconds.
DELETION OF ALL MEMORY SLOTS
- Connect current to the MJLR-200
- Press and the programming button and hold it down for 6 seconds. The LED indicator will start to flash quickly.
- Release the programming button and then press it briefly once more.
CONFIRMATION OF DELETION OF ALL MEMORY SLOTS
The LED indicator on the receiver flashes slowly for 2 seconds.
MEMORY
The MJLR-2000 has 32 memory slots and can be controlled from up to 32 different units (remote controls, Bridge, etc.). If all memory slots are filled, the oldest slot will be deleted when a new channel is programmed.
CONTROL
The receiver can be controlled in several ways.
- With a programmed System Nexa Remote Control
- With other programmed System Nexa transmitters
- With a Nexa Smart Hub
- With Nexa Bridge
USE
With programmed remote control, wall transmitter or Nexa Bridge
| Start direction UP | Send ON signal |
| Stop direction UP | Send ON signal again |
| Start direction DOWN | Send OFF signal |
| Stop direction DOWN | Send OFF signal again |
WHEN CONNECTING A DC MOTOR
Make sure that your DC motor can be connected to permanent voltage and controlled according to the chart.
SAFETY AND INFORMATION
Range indoors: up to 30 m (optimal conditions). The range is heavily dependent on local conditions – such as if there are any metals nearby. For example, the heavy metal coating in low-emission energy glass has a negative impact on the range of the radio signals.
There may be limitations on the use of the unit outside the EU. If appropriate, check that the unit complies with the local regulations.
Max. load: Never connect lights or equipment that exceeds the maximum load of the receiver. This can result in faults, short circuits,s or fire.
Life-support equipment
: Never use Nexa products for life support equipment or other devices where faults or disruptions can have life-threatening consequences.
Disruptions: All wireless units can be affected by disruptions that may have an impact on performance and range. The minimum distance between two receivers should therefore be at least 50 cm.
Repairs: Do not attempt to repair the product. It does not contain any serviceable parts.
Waterproofing: The product is not waterproof. Make sure that it is always dry. Moisture will corrode the electronic components inside and may result in short circuits, faults, and the risk of electric shock. Cleaning: Clean the product with a dry cloth. Do not use chemicals, solvents, or potent cleaning agents.
Environment: Do not expose the product to extreme heat or cold, as this may damage the electronic circuits or shorten their service life.

Circuit diagram, 230 V AC Motor

Circuit diagram, 12–24 V DC Motor


NEXA AB, DATAVÄGEN 37B, 436 32 ASKIM, SWEDEN
[email protected] | www.nexa.se
















