GENERAL SAFETY
Use information
- In order to prolong the life cycle of the recovery unit, please read the manual carefully before using to fully understand the safety, specification as well as operating procedure of the recovery unit.
- Please check the product received is same as you ordered . Please check the product if there is any damage during transportation. Contact with local distributor if the above problem is found.
- Please read the manual carefully and use the unit according to the product operating procedures.
Safety indication
warning
This mark indicates procedures that must be strictly observed to prevent hazards to people.
Notice
This mark indicates procedures must be strictly observed to prevent damage or destruction of the unit.
Matters needing attention
Only a qualified technician should operate this recovery unit.
Before starting the equipment, make sure that it is well grounded. If using electrical extension cord, the cord must be in good condition and properly
Only a qualified electrician can do the wire connection according to the technical standardand circuit diagram. connected and grounded.
The power must be cut off and no display in LCD before inspecting or repairing.
If the original power supply cord is damaged, an OEM replacement may be ordered throughyour
NAVAC distributor. Please take power supply and the capacity of your ammeter and electrical wire.
GENERAL SAFETY
Only authorized refillable refrigerant tanks can be used. The setting of the pressure limiting device shall not be lower than 45 bar(653psi). Do not overfill the recovery tank, maximum at 80%
capacity to make sure that there is enough space for liquid expansion. Overfilling of the tankmay cause a violent explosion.
Always wear safety goggles and protective gloves while working with refrigerants to protect your skin and eye from hurting by refrigerant gases or liquid.
Do not use this equipment near flammable liquid or gasoline. A digital scale is needed to prevent overfilling.
Be sure that the place where you are working is thoroughly ventilated.
Notice
Be sure the unit is working under the right power supply.
When using an extension cord it should be minimum 14 AWG and no longer than 25 feet, otherwise it may cause the voltage drop and damage the compressor.
The input pressure of the unit should not exceed 26bar (377.0psi).
The unit need to be laid in horizontally, otherwise it will lead to unexpected vibration, noise or even abrasion.
Do not expose the equipment to sun or rain.
The ventilation opening of the unit must not be blocked . If the overload protector pops, reposition it after 5 minutes.
When doing self purging operation, the knob must be turned slowly to “PURGE” to ensure the inlet pressure is less than 5 bar(72.5 psi).
If fluid hammer happens in the recovery, please turn the knob slowly to “SLOW” position and do not let reading pressure drop to zero.
When you select fast model to start work.please monitor output pressure, if the output pressure increase fast to 27bar(391 .6 psi),please turn to slow mode slowly and monitor the outlet pressure not exceeding 35bar(507.6 psi).
The equipment is intended for serving air-conditioning and refrigeration systems containing less than 200 lbs of high-pressure refrigerant.
The tank and hose used must with the local regulations.
OPERATION MANUAL
- Do not mix different refrigerants together in one tank, otherwise they could not be separated or used.
- Before recovering the refrigerant, the tank should achieve the vacuum level: – 29.6inHg , for purge non- condensable gases. Each tank was full of nitrogen when it was manufactured in the factory, thus the nitrogen should be evacuated before first use.
- The knob should be in the “Close” Position before operation. All the valves must be closed, the input and output fittings should be covered with protective caps when the unit is not in operation. The air/ moisture is
harmful to the recovery result and will shorten the life span of the unit. - A filter drier should always be used and should be replaced regularty. And each type of refrigerant must have its own filter. For the sake of ensuring the normal operation of the unit, please use highquality filter
drier specified by our company. A high quality filter drier will help protect machine . - Special-caution is needed when recovering from system, and two dry filters are needed.
- The unit has an Internal High Pressure protector. If the pressure inside the system is above rated shut-off pressure (see specification), compressor will automatically shut off and the HP cutoff shows.
To restart the compressor, please lower the internal pressure (Output gauge indicates lower than 35 bar/507.6 PSI), after the HP cutoff blinks, then Press the “START” button to restart the compressor.
When high pressure protection initiates, please the cause and deal with it before restarting the unit.
CD The input valve of the refrigerant tank is closed-opening the valve will help solve the problem. ® The connecting hose between the recovery unit and refrigerant tank is
and replace the connecting hose.
® The temperature of the refrigerant tank is too high, causing high pressure
SPECIFICATION
Refrigerants
Categoryll : R12, R134a, R401C, R406A, R500,
Category!V: R22, R401A, R401B , R402B, R407C, R407D, R408A, R409A, R502, R509
CategoryV : R402A, R404A, R407A, R407B, R410A, R507 ,
Power Brushless Motor, 1 HP
Motor Speed 3000 RPM
Maximal Current Draw 12A
Compressor Oil-less, Air-cooled, Piston
High Pressure Protector 38.6bar/3860kpa(560psi)
Operating Temperature 32- 104°F
Dimensions 14.5×9.9×11.7 inch
Net Weight 25 lbs
NRDD
Rerfigerants R-22a R-134a R-410a
High Temp Vapor 0.62 lbs/min N/A N/A
Direct Vapor 0.55 lbs/min 0.37 lbs/min 0.49 lbs/min
Direct Liquid 6.88 lbs/min 5.34 lbs/min 7.98 lbs/min
Push/pull Liquid 14.2 lbs/min 11.0 lbs/min 15.1 lbs/min

INTRODUCTION OF OPERATION PANEL

- Start/Stop: Starts and Stops recovery unit.
- LP Switch: Hold for 3 seconds to switch between LP1, LP2, Lp3.
- Units/Zero: Press to change units to InHg, Kpa, Psi, Kg/f, Bar, Mpa.
- Hold for 3 seconds to zero out readings.
- Cancel Alarm: Hold for 3 seconds to mute recovery unit.
- LP1: (Auto shutoff with manual restart)
if the inlet pressure is lower than -20inHg for 20 seconds, the unit will shut down. “LP Cutoff” will be displayed.
When LP ≥ 0 inHg you must press START to restart the recovery unit - LP2: (Auto shutoff with automatic restart)
if the inlet pressure is lower than -20inHg for 20 seconds, the unit will shut down. “LP Cutoff” is displayed.
When LP ≥ 0 inHg the unit will restart automatically. - LP3: (Continuous Run)
The recovery unit will run continuously, no matter what the level the input pressure is (LP) - O.F.P Cutoff: Will light up when the recovery cylinder is 80% filled, or if the OFP cable is opened. The machine will stop running.
- LP Cutoff: will light up when low pressure switch is activated for more than 20 seconds below -20 inHg.
- HP Cutoff: Will light up when high pressure switch is activated above 560 Psi.
INTRODUCTION OF OPERATION PANEL

Close: Inlet valve is closed
Recover: Input valve is partially opened
Fast: Input valve is fully opened
Purge: Input closed, and output is opened to allow the unit to remove most of the refrigerant inside the recovery machine
Fault: Error Codes
- E 1: The pressure sensor is disconnected
- Fault 2: Input voltage is too low
- Fault 3: High input voltage
- Fault 4: Overcurrent protection
- Fault 5: Temperature sensor
- Fault 6: Temperature sensor short circuit
- Fault 7: Temperature protector open
Mute: Audible alerts and beeps are turned off
Fan: This icon rotates while the machine is running. When the machine stops, the icon stops rotating.
Restart: It will flash after an error has occurred and settled. Pressing START will resume activity.
PARTS DIAGRAM

NO. Parts name NO. Parts name
1 Left Side Plate 12 Compressor
2 Fan 13 Condenser
3 Wind Guide Cover 14 Rear Plate
4 Motor 15 Right Side Plate
5 Support Assy 16 Base
6 Top Plate 17 Motor Control
7 Knob 18 Front Side Plate
8 Control Assy 19 Digital Control Board
9 ValveAssy 10 Cylinder
11 Coupling
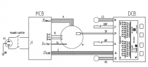
WIRING DIAGRAM

Graphics Code ITEM
HS High pressure sensor
M Motor
MCB Motor control board
XS Socket
DCB Digital gauge control board
LS Low pressure sensor
OFP Over filling protector
TP Temperature protector
HP High pressure switch
TS Temperature sensor
OPERATING INSTRUCTION

Ready for operation
- Connect the hoses correctly and firmly. ( Please refer to the connection diagram)
Confirm the vapor valve and liquid valve of AC system are in close position. - Confirm the vapor valve and liquid valve of recovery tank are in close position.
- Open the vapor and liquid valves of manifold gauge.
- Loosen the connecting pipes of refrigerant tank.
- Open the check valve of pipes.
Start operation
- Plug in the machine, tum on the power, and the LCD shows pressures.
- Press the ” START” button to start machine.
- Turn the knob to recover,
- Observe the reading of the lowpressure gauge when it reaches to -20inHg, after 20 seconds, LP cutoff opens and the machine shuts off.
- Turn the knob to “Close”, LP cutoff blinks, press the power button and start machine.
- Turn the knob slowly to “Purge” and start self purging.
- Observe the reading of the low pressure gauge when it reaches to -20inHg for the second time, after 20 seconds.LP cutoff turns on and the machine stops work
Finish operation
- Turn the knob to “Close” and stop self purging.
- Disconnect the refrigerant hose to the tank.
OPERATING INSTRUCTION
2). Recovery mode

Ready for operation
Connect the hoses correctly and firmly. ( Please refer to the connection diagram) Make sure all valves are closed.
- Switch off the power of refrigerant equipment.
- 0pen the vapor and liquid valves of refrigerant equipment.
- 0pen the vapor valve of the refrigerant tank.
Start operation
- Press the “START” button to start machine.
- Turn the knob to “Recover”
- a. If recover liquid refrigerant, please open the liquid valve of the manifold gauge.
b. If recover vapor refrigerant, please open the vapor valve of the manifold gauge. - The recovery mode will be finished when machine runs to certain vacuum pressure protection. or automatic close of low
Do not turn off the power after recovery finished and directly run self purging mode.
Notice
- If fluid hammer happens in the recovery, please turn the knob to ” Slow” position slowly, then the reading of low pressure gauge drops until fluid hammer stops;but do not let reading pressure drop to
zero, otherwise inlet port is not pumping once at zero pressure. - If it is difficult to start, turn to ” CLOSE” when liquid , turn to • PURGE” when vapor, then press · srART ” to restart the machine , and turn to the required position.
OPERATING INSTRUCTION
3). Self-purge mode
Notice
The unit must be purged after each use; liquid refrigerant remained may expand and damage thecomponents and pollute the environment.

Start operation
- The machine stops automatically after recovery finished LP cutoff
- Turn the knob to “Close” and the LP cutoff blinks, press” START” button to start the machine.
- .Turn the knob to “Purge” and start self purging.
- The self purging mode will be finished when machine runs to certain vacuum
Finish operation
- Turn the knob to “Close”.
- Turn off the power switch. Disconnect power cord.
- Close the check valve which connected to exhaust.
- Close the 10por valve of the tank.
- Disconnect all hoses.
OPERATING INSTRUCTION
4). Liquid push/pull mode
Notice
An electric scale is needed to monitor the recovery process to prevent overfilling.
Ready for operation
Connect the hoses correctly and firmly. ( Please refer to the connection diagram) Make sure all valves are closed.
Start operation
- 0pen the vapor valve, liquid valve of the HVAC system.
- 0pen the vapor valve, liquid valve of the tank.
- Press “START” button to start machine, then it starts liquid push/pull mode.
- Turn the knob to “Recover”. If the reading on the scale keeps the same or changes slowly, it means liquid in HVAC system has been recovered and vapor recovery mode can be underway.
- Turn the knob slowly to “Purge” and start self purging mode for the liquid.
- Turn the knob to “Close”.
- Close the vapor valve, liquid valve of the HVAC system.
- Close the vapor valve, liquid valve of the tank.
- Reconnect the hoses and start recovery mode for the vapor.
Finish operation
TROUBLE SHOOTING


warning

















