
User Manual
USERS OPERATING MANUAL
RG5410A-E
Design specifications and materials are subject to change without notice.
REV 08-2013
This manual may not be reproduced in any way, shape, or form without the express written consent of Advanced Test Products.
THE SAFE WAY IS THE ONLY WAY!
NOTE! If you are not a qualified refrigerant service technician, do not use this equipment
- The technician should always wear goggles and gloves when working on refrigeration systems.
- Be sure that any room where you are working is thoroughly ventilated,
- Always think before acting. Familiarity breeds carelessness and carelessness can be harmful to your health or, worse, result in death.
- Read the Material Safety Data Sheets (MSDS) on all compounds with which you are likely to come in contact. Read MSDS on refrigerant and refrigerant oil. Obtain MSDS sheets from your refrigerant supplier.
- Never use oxygen when testing for leaks. Any oil in contact with oxygen under pressure will form an explosive mixture.
- Refrigerant systems are generally electrically driven and controlled. Be sure to disconnect the unit from the power source before servicing it.
- Always store refrigerant containers in a cool, dry place.
- Always open service and cylinder valves slowly. This allows quick control of the flow of gasses if there is any danger. Once it is determined that there is no danger, the valves may be opened fully.
- Do not mix refrigerant in a system, a tank, or anywhere else. Each type of refrigerant must have its own tank, filters, etc.
- If moisture enters the refrigerant system, it is likely to cause considerable damage. Keep everything connected with the refrigeration system thoroughly dry and clean.
- To reduce the risk of fire, avoid the use of extension cords as they may overheat. If you must use an extension cord it should be a minimum of 14 AWG and not longer than 25ft.
This equipment should be used in locations with mechanical ventilation providing at least four air changes per hour, or the equipment should be located at least 45cm (18”) above the floor. Do not use this equipment in the vicinity of spilled or open containers of gasoline or any other flammable liquid.
REFRIGERANT GAS RECOVERY & CONTAINMENT
Safety comes first. Read all safety information for the safe handling of refrigerant including the Material Safety Data Sheet provided by your refrigerant supplier. Never operate the unit in an explosive environment. Wear safety glasses and protective gloves. The work area must be well ventilated. This unit should only be operated by a qualified technician.
*** CAUTION: REFRIGERANT STORE CONTAINERS ***
Use only approved cylinders with a minimum of 41 bar working pressure that serves the current regulations.
NOTE: Recovery cylinders are designed for different pressures. Do not exceed the working pressure of each cylinder.
Safety codes recommend that closed tanks not be filled with over 80% of the volume of liquid.
The remaining 20% is called a head pressure room.
NEVER TRANSPORT AN OVERFILLED CYLINDER.
Refrigerant expands when it gets warm and may cause a tank to explode if overfilled.
| CYLINDER TEMP | |
| STARTING WITH CYLINDER 80% FULL BY VOLUME | ![]() |
| SPACE OCCUPIED BY LIQUID | |
| STARTING WITH CYLINDER 90% FULL BY VOLUME | ![]() |
| SPACE OCCUPIED BY LIQUID |
IMPORTANT GENERAL INFORMATION
Before operating the RG5410A-E recovery unit, read the following:
- Always isolate large amounts of refrigerant and close off valves after use so if a leak should develop anywhere in the system the refrigerant does not escape.
- Storage cylinders sometimes have valves that are not properly seated when manufactured. Keeping caps on these valves will guard against refrigerant leakage.
- Always operate the unit on a flat-level surface.
- Your RG5410A-E has one internal high-pressure shut-off switch. If the pressure inside the system should go above 38,5 bar (550 psi), the system will automatically shut itself off.
CAUTION
The 38,5 bar (550 psi) switch does not prevent tank overfill. If your system shuts off on high pressure and is connected to your tank, you may have overfilled your tank and created a very dangerous situation! Take immediate measures to relieve any high pressure and/or tank overfill. - WARNING! Never overfill storage tanks. Overfilling may cause tanks to explode.
- A scale must be used to avoid overfilling the storage tank.
- Tanks and filters should be designated for one refrigerant only. Before using a tank previously used for another refrigerant, completely empty the tank, evacuate it, purge the tank using dry nitrogen, and re-evaluate it.
- Special care should be taken when recovering from a burned-out system. Use two high acid capacity filters, in series. Alco type EK-162-F or Sporlan type C-162-F are recommended.
- When you have finished recovering from the system, flush your RG5410A-E with a small amount of refrigerant oil and a small amount of clean refrigerant to purge off any foreign substances left in the unit.
- Always empty refrigerant from the unit into a storage tank; see Self Purge/Auto Evacuate procedure. Liquid refrigerant left in the condenser may expand, causing damage to components.
OPERATING YOUR RG5410A-E
Connect your RG5410A-E to a 230 V outlet. Switch the main power switch to the ON position. You should hear the fan running. Press the compressor start switch. This “momentary” switch will start the compressor. It may be necessary, under certain circumstances, to press this switch more than once to start the compressor.
OPERATIONAL PROCEDURES
NORMAL RECOVERY

SELF PURGE / AUTO EVACUATE

NOTE: To change from Recovery mode to Purge:
Close the Input port, turn the unit off (to prevent high-pressure shutoff), switch to the Purge position, and restart the unit.
OPERATING YOUR RG5410A-E
Procedure for Normal System Recovery
- Inspect the RG5410A-E thoroughly to insure that it is in good operating condition.
- Make sure all connections are correct and tight.
- Open the liquid port of the recovery cylinder (always open valves slowly to check hoses and connections for leaks).
- Make sure the Recover/Purge valve is set on Recover.
- Open the output port of the RG5410A-E.
- Open the liquid port on the manifold gauge set; opening the liquid port will remove the liquid from the system first, greatly reducing the recovery time (after the liquid has been removed, open the manifold vapor port to finish evacuating the system).
- Connect your RG5410A-E to a 230 V outlet.
a) Switch the main power switch to the ON position. You should hear the fan running.
b) Press the compressor start switch. This “momentary” switch will start the compressor (it may be necessary, under certain circumstances, to press this switch more than once to start the compressor). - Slowly open the input port on the RG5410A-E.
a) If the compressor starts to knock, slowly throttle back the input valve until the knocking stops.
b) If the input valve was throttled back, it should be fully opened once the liquid has been removed from the system (the manifold vapor port should also be opened at this time). - Run until the minimum EPA-required vacuum is achieved.
a) Close the manifold vapor and liquid ports.
b) Close the RG5410A-E input port.
c) Shut the unit off and proceed with the Self Purge procedure on the next page. - Always purge the RG5410A-E after each use. Failure to purge the remaining refrigerant from the RG5410A-E could result in the acidic degradation of internal components, ultimately causing premature failure of the unit.
CAUTION
When pumping liquid, do not allow the RG5410A-E to operate with the input valve too far open, causing the compressor to knock. Doing so may stall the compressor.
Procedure for Purging Remaining Refrigerant From the RG5410A-E
- Close the ports of the system being serviced that are connected to the input port of the RG5410A-E.
- Close the input port on the RG5410A-E.
- Turn off RG5410A-E.
- Turn the Recover/Purge valve to the purge position.
- Restart the RG5410A-E.
- Run until the desired vacuum is achieved.
- Close the ports on the recovery tank and the RG5410A-E.
- Turn the RG5410A-E off.
- Return the Recover/Purge valve to the recovery position.
- Disconnect and store all hoses.
- Replace the in-line filter on your RG5410A-E after every time an excessive contaminant is encountered.
The use of the Low-Pressure Switch
The RG5410A-E is equipped with a low-pressure switch that is selectable ON/OFF (VAC SENSOR SELECT). When the low-pressure switch is switched ON the unit will automatically switch off at 0,45 bar absolute. When the Low-pressure Switch is switched OFF the unit will continue to pump down the system even when the vacuum stage has
been reached.
RG5410A-E REFRIGERANT RECOVERY ADDITIONAL INFORMATION
To achieve the deepest final vacuum, use the tank cooling method to lower the head pressure on the recovery tank. Repeat as necessary to achieve the desired vacuum level.
NOTE: If there is no liquid in the recovery tank, then the cooling method will not work. In this case, use an empty tank that has been fully evacuated to achieve the final vacuum level required.
To maximize recovery rates use the shortest possible length of 3/8” or larger hose. A hose no longer than 3’0” is recommended. Always remove all unnecessary hose core depressors and Schrader valves from port connections (using the proper valve core tool) for maximum throughput. Deformed rubber seals and core depressors in hoses and faulty or unnecessary Schrader valves can restrict flow by up to 90%.
If the tank pressure exceeds 31,5 bar, use the tank cooling procedure to reduce the tank pressure. When recovering large amounts of liquid, use the “PUSH/PULL” method of recovery (see diagram below).
CAUTION: When using the “PUSH/PULL” method, you must use a scale to prevent overfilling the storage tank. Once the “PUSH/PULL” siphon is started, it can continue and overfill the storage tank even if the tank is equipped with a float level sensor. The siphon can continue even when the machine is turned off. You must manually close the valves on the tank and the unit to prevent overfilling the recovery tank.
SET-UP DIAGRAM FOR TANK PRE OR SUB-COOLING PROCEDURE

To start you must have a minimum of 2,5 kg of liquid refrigerant in the tank.
Throttle the output valve so that the output pressure is 7 bar (100 psi) greater than the input pressure, but never more than 31,5 bar (450 psi). Run until the tank is cold.
SET-UP DIAGRAM FOR REFRIGERANT RECOVERY
This method is the fastest method for recovering vapor refrigerant.

SET-UP DIAGRAM FOR “PUSH/PULL” METHOD
Push-pull only works with large systems where the liquid is readily accessible. Do not use this method on systems that contain less than 15 pounds as it may not work.

The sight glass is used to provide a method of determining the moisture content and quality of a system’s refrigerant.
OPTIONAL RECOVERY / TANK PRE OR SUB-COOLING FOR FIXED HOSE SETUP

Normal recovery:
The tank Vapor valve is closed.
Tank pre or sub-cooling:
The tank Vapor valve is open and both Manifold Gauge Set valves are closed. Follow the above procedure.
RG5410A-E RECOVERY
Purging the non-condensable gasses from the identified refrigerant in a tank
- Allow the tank to sit undisturbed for 24 hours. (This allows the air to rise to the top).
- Connect a manifold to the tank and read the amount of pressure in the tank by looking at the output pressure gauge.
- Determine the ambient temperature in the room.
- Refer to a Refrigerant pressure/temperature chart. Find the temperature on the chart and look across to the corresponding pressure for the type of refrigerant in the tank.
Determine how that relates to the reading on the gauge. - If the pressure reading is higher than the pressure shown on the chart, very slowly (so as not to cause turbulence inside the tank) crack open the vapor port valve.
Watch the pressure on the gauge decrease. To prevent venting, add 0,3 – 0,35 bar (4 – 5 psi) to the pressure shown on the chart. When the gauge corresponds to that pressure, close the vapor port valve. - Allow the tank to sit for 10 minutes and check the pressure again.
- Repeat the process again if necessary.
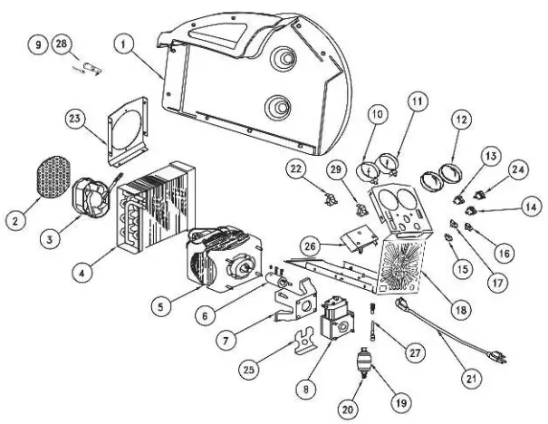
PARTS LIST RG5410A-E

| Pos | Description | Part No. |
| 1 2 3 4 5 6 7 8 9 10 11 12 13 14 15 16 17 18 19 20 21 22 23 24 25 26 27 28 29 | Plastic case Fan grill Axial fan Condenser Motor Coupler Bell housing Compressor Fuse – 5x20mm Input gauge Output gauge Gauge lens ON/OFF switch Start switch Blue knob Red knob Black knob Frontpanel Filter Flare cap Powercord High-Pressure switch Rear panel Select Switch Compressor Bracket Manifold Hose 4“ Fuse holder VAC Sensor | 100134 L&R 100505 EL1818 CD1201 EL1822 525209 CP1001 CP1320 110-200347-001 GA1500 GA0800 GA1000 EL1310 EL1309 100123 100124 100122 110-200395-001 100343 NB6501 135-200341-001 100339 100318 105-200396-001 100207 535395ASM 100345 100419 113726 |
REFRIGERANT FLOW DIAGRAM

NOTE:
A filter must always be used. Failure to use a filter will invalidate your warranty.
The use of a filter will greatly reduce the risk of damage to your RG5410A-E by preventing foreign material from entering the unit.
Special consideration for filtration must be given when you know you are servicing a machine that has “Burned Out”.
We recommend the use of two sizes 162 filter driers, in line, to be used for that job and that job only.
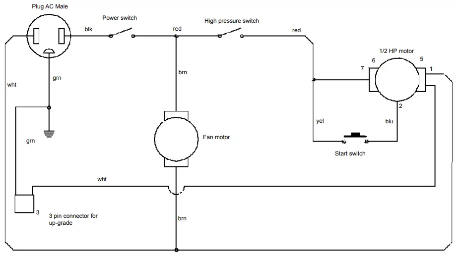
RG5410A-E WIRING DIAGRAM
SAFETY PRESSURE SWITCH (WITH MANUAL RESET FUNCTION)
The RG5410A-E is equipped with an internal Safety Pressure Switch. If the pressure inside the system exceeds 38,5 bar, the system is switched off automatically.
If the Safety Pressure Switch is activated automatically whilst filling a bottle, it could be caused by the bottle becoming overfilled.
This is a very dangerous situation! You should take steps immediately to reduce the overpressure and/or to eliminate the overfilling of the bottle.
If the Safety Pressure Switch switches the unit off…
The following precautions should be taken if the Safety Pressure Switch is activated:
a) Suspected overfilling of the recovery bottle
Connect the recovery bottle to another bottle with spare capacity so that the pressure is reduced to a safe level. This action should also reduce the pressure in the output line from the RG5410A-E. Proceed as normal after resetting the Safety Pressure Switch (see below).
b) Cause of activation of Safety Pressure Switch unknown
1) Check that the recovery bottle is not overfilled.
2) Close the system valves, recovery bottle valves, and RG5410A-E valves.
3) Disconnect RG5410A-E from flexible pipes.
4) Disconnect RG5410A-E from the power supply.
5) Open the input and output valves very slowly.
6) Investigate the reason for the failure.
Once activated the Safety Pressure Switch has to be reset manually as follows:
I) Remove the black protection cover to reveal the reset button (see picture below).
II) Reset by pushing the reset button with a tool such as a screwdriver.
III) Replace the cover.![]()
CARE AND MAINTENANCE OF YOUR RG5410A-E
A filter must always be used and should be replaced frequently. Failure to use a filter will invalidate your warranty. The use of a filter will greatly reduce the risk of damage to your RG5410A-E by preventing foreign material from entering the unit.
Special consideration for filtration must be given when you know the machine you are servicing has “burned out”. We recommend the use of two sizes 162 filter driers, in line, to be used for that job and that job only. We also recommend that a clean filter be used for every service job. Each filter should be labeled and used exclusively for one type of
refrigerant only.
Do not use this unit in the vicinity of spilled or open containers of gasoline or other combustible liquids
Avoid the use of extension cords. If you must use an extension cord it should be a minimum of 14 AWG and not longer than 25 ft. Not using an extension cord will greatly reduce the risk of fire.
Always purge the unit of any refrigerant left after completing a service job. Refrigerant left in the machine can expand and may cause damage to components.
If the unit is to be stored or not used for any length of time, we recommend that it be completely evacuated from any residual refrigerant and purged with dry nitrogen.
Whenever you perform any type of maintenance work on your RG5410A-E, ensure that it is disconnected from the power supply before you begin.
TECHNICAL SPECIFICATIONS
| Type | RG5410A-E |
| Application | Refrigerant recovery Gas or Vapor |
| Suitable refrigerants | R12, R22, R134A, R401A, R401B, R401C, R402A, R402B,R404A, R406A, R407A, R407B, R407C, R407D, R408A,R409A, R410A, R411A, R411B, R412A, R500, R502, R507, R509 |
| Power Source | 230V / 50 Hz |
| Power | 380 W |
| Dimensions | 330 x 229 x 483 mm |
| Weight | 14,5 kg |
| RPM´s | 1437 U/min |
| Max. working pressure | 550 p.s.i. (38,5 bar) |
| Fuse | 5x20mm, slow blow, 8A 250V |
| Safety Device | Safety pressure switch type P100 DA with manual reset (550 p.s.i. / 38,5 bar) |
ATTENTION
The RG5410A-E should not be used with inflammable gases nor with gases containing ammonia.
HELPFUL HINTS FOR REFRIGERANT RECOVERY
Refrigerant recovery has come a long way in a few short years.
On the surface, it’s simply the process of taking refrigerant out of a system and putting it into a tank. However, this simple process can quickly become problematic if a few items are overlooked. The following are some tips and pointers we’ve accumulated over the last few years that can save you time and make the process go smoother.
First, you need to identify the refrigerant type and quantity in the system you are servicing.
If you determine it’s burnout, you need a special tank (a tank that’s identified as containing burnout or other unidentified gases), and you need to use extra filtration prior to recovery.
If, on the other hand, you know the gas in the system is relatively clean or new, then a new tank should be used. If you’re planning on putting the refrigerant back into the same system after you have finished the service or if the refrigerant is going to be reclaimed, then use a tank that has the same refrigerant in it. A word of caution about the Environmental Protection Agency (EPA): If you use a variety of refrigerant gasses in your service work – as evidenced by your refrigerant purchases – and you only own one tank, you are asking for trouble. You would be well advised to own at least one tank for every refrigerant type serviced, plus an extra for burnouts and other unknowns.
Planning Ahead
Knowing the quantity of refrigerant is important for planning storage requirements, as well as planning for the actual recovery. For instance, any system with more than 5lbs.
of refrigerant is likely to have areas where the liquid can get trapped.
The key to a quick recovery procedure is to get the liquid out first, and then get the remaining vapor out. However, most systems are not “recovery friendly.” That is they don’t have access ports at their lowest points. If some units you’re servicing are on maintenance contracts, you would save significant time by installing access ports at all of the lowest points in the system, where the liquid is likely to accumulate. Since most systems don’t have these ports you need to be prepared to boil the trapped liquid with a heat gun, whenever it’s found. An indicator of trapped liquid in a system is frost or condensation forming on the plumbing or components where the liquid is trapped. The trapped liquid may be in an area that is not visible. In all cases trapped liquid in a system during recovery causes the recovery process to slow down, regardless of the size or type of machine
If you are unable to locate the trapped liquid (but you know it’s there because the recovery job is taking “forever”), turn on the system compressor (if it’s operable) for a few seconds. This will get the refrigerant moving to another part of the system and in.
HOSES AND VALVES
Hoses and Schrader valves have a large impact on recovery speed. In general, the larger the hose, the less friction on the flow of refrigerant and the quicker the recovery time. Many contractors are now using 3/8” lines for the input to the recovery machine, even if those lines originate out of 1/4” fittings.
Schrader valves must be removed from the connection prior to an expedient recovery. Most wholesalers sell a tool for removing these cores while keeping the connection sealed. The core depressor, at the end of the hose, should also be removed. These two items can turn a 20-minute job into one that goes on for hours. So, be sure to remove Schrader valves and core depressors before every recovery job. Another hose consideration is the little rubber grommet at the end of the hose that makes a seal with the flare fitting. We’ve seen these seals so worm and deformed that when the hose is connected to the flare fitting the grommet virtually seals off the connection. This is probably never noticed in charging because the pressure opens the grommet, but during recovery (or with suction) the deformed grommet severely restricts the flow of refrigerant.
Refrigerant Recycling
Current regulations state that used refrigerant shall not be sold, or used in a different owner’s equipment unless the refrigerant has been laboratory analyzed and found to meet the requirements of ARI 700 (latest edition). As a result, recycling and verifying ARI 700 conformance isn’t economically justified in most cases. It’s still a great idea to do as much cleaning of refrigerant going back into the same system (or owner’s system) as possible. We recommend using the largest, high-acid capacity filter that is economically feasible. Put these filters on the suction or inlet side of the recovery unit.
Change filters often.
The recovery of large amounts of liquid refrigerant can sometimes carry with it large quantities of oil if the system being serviced doesn’t have an adequate oil separator installed. If this recovered refrigerant isn’t going to be liquid charged back into the same system, you might want to separate the refrigerant from the oil in order to measure the oil (to know how much oil to charge back into the system). However refrigerant sent back for reclaim does not need to have the oil removed. One of the simplest and most cost-effective ways to achieve this is to use a 30 or 50-lb. tank in line with your recovery machine. Connect the system to the liquid port of the tank then from the vapor port of the tank connect to the input of your recovery machine a second tank, for storing refrigerant, should then be connected to the output of the recovery machine. If you encounter large amounts of liquid you will need to put a band heater around the first tank.
When the recovery job is complete the oil can be removed, from the first tank, by applying a small amount of pressure, using nitrogen, to one of the ports and expressing the oil from the other. If you are going to remove the oil from the vapor port you will need to turn the tank upside down. Always wear safety glasses when performing this operation as the oil may be acidic and could cause severe burning.
KEEPING THE DIRT OUT
During the recovery process, your recovery machine can be exposed to debris that can, potentially, damage it. Including brazing spatter and copper and brass slither. Further contamination can be introduced from refrigerant storage tanks. To prolong the life of your recovery machine always use an in-line filter.
Whenever you are charging a system from a recovery cylinder it is a good idea to use an in-line filter to protect the system from contamination. Again, change your in-line filters often.
Getting the Liquid Out (See “Push/Pull-Method”)
A Push-pull is a method of removing bulk liquid from a system using the pressure differential created by the recovery machine. Push-pull will generally not work on smaller systems because there is no bulk liquid reservoir to create a siphon. Push-pull is mostly used on systems with a receiver tank or those with greater than 20 lbs. of refrigerant, or when transferring from one tank to another. The rate of liquid transfer is very much dependent on the hose size, with larger hoses providing much better throughput.
Another trick is to chill the tank, if it’s partially filled, prior to or during recovery. This operation will lower the pressure in the storage tank and therefore speed up recovery. There must be a minimum of 5 lbs of liquid refrigerant in the tank you wish to chill. This operation can be performed prior to or during the recovery. See the two set-up diagrams and procedures on page 8 of this manual.
There is nothing magic here, you are simply using your recovery machine to make a refrigerator where the tank is the evaporator. By throttling the output valve, you’re effectively creating a capillary tube or an expansion device, but you need to adjust the backpressure to suit the conditions and the refrigerant. Five to ten minutes of chilling can produce some very dramatic tank cooling, depending on the conditions. If there are any non-condensable in the tank this process will not work. Also the greater the quantity of refrigerant in the tank the longer the process will take.
TROUBLESHOOTING YOUR RG5410A-E
The safe way is the only way
Read and understand all safety information contained in this manual before servicing the unit.
Advanced Test Products
Lürriper Str. 62
41065 Mönchengladbach | Germany
Tel: +49 (0)2161 59906-0 Fax: +49 (0)2161 59906-16
www.atp-europe.de ✦ [email protected]





















