Power Boost and Eco-Smart
Installation Guide
ENERGY MANAGEMENT SOLUTIONS
Version 1.0
Purpose and Scope of the Document
POWER METER INSTALLATION
The purpose and scope of the document is to outline the instructions for the installation of the Eco-Smart and Power Boost Energy Management Solutions.
Getting Started
POWER METER INSTALLATION
Important Notes
A. Install the charger following the instructions listed in the chargers’ Installation Guide. Refer to the user guide on the Wallbox Academy page for more information.
B. Only use smart meters sold by Wallbox or a Wallbox certified reseller approved for use with Wallbox Energy Management Solutions.
C. Installations should be performed only by qualified personnel in accordance with applicable local regulations.
D. Update the Wallbox charger with the latest software version before installing the smart meter. Refer to the instructions for updating the charger on the Wallbox Academy page.
E. Ensure that the charger is powered off and its cover is removed before connecting the smart meter. Close the charger properly after the installation.
F. After installing the charger, connect the smart meter before closing your charger. If the charger was previously installed, follow the charger installation instructions for opening the charger.
Inside the Package

Compatible Devices
Wallbox Pulsar Plus
Refer to the Pulsar Plus Installation Guide for a complete list of tools required for installation.
Tools

Materials (not included)

Preparation
Use the small opening located at the bottom of the charger between the power input and the EV connector cable output.

When using this opening for the communications cabling, first remove the screw plug. Use a wrench to hold the interior lock nut while unscrewing the plug using a flathead screwdriver from the bottom (exterior) side of the plug.
Wiring the System
This meter is only supported on installations with the following requirements:
- 3 wire installation: 2 hot wires + neutral
- Phase to phase voltage: 208-240 V
- Phase to neutral voltage: 120 V
Follow the diagram for wiring the system:

Positioning and General Overview
Follow the scheme below for positioning the CT clamps and the communication cable to charger.

Mounting
OPTION 1: Power Meter NA directly inside the electrical panel.

OPTION 2: Power Meter NA inside the UL enclosure (optional).

Disclaimer
The second installation option includes the Wallbox UL Enclosure. Refer to the UL Enclosure Installation Guide for further instructions on how to install it.
Circuit Protection
The EM530 is considered a continuously connected device, so it requires an overcurrent protective device against current beyond the acceptable rating of the equipment.
- Use circuit breakers or fuses rated 20 Amps or less.
- The circuit breaker must protect L1 and L2, all the active phases.
- The circuit protection must comply with local standards.
- In case there is no free space on the panel, the power meter can be installed in an external enclosure as in mounting option 2.
Communication Line
There must be a wired communication line between the meter and the charger. For this purpose, use STP Class 5E 1600 feet / 500 meter Max Length.
- Ensure that the power is off before proceeding with the connection.
- For mounting the NA power meter choose between option 1 and 2 according to your specific needs.
- Add a protection for the meter in the electric box.
- Wire the terminals N,1 and 2 from the meter to the neutral and two hot lines from your electrical panel.

- Connect the CT clamps to the incoming “hot” lines as shown.
Important
Follow the internal arrow indicating the current direction when installing the clamps, should point towards the inside of the electrical panel.
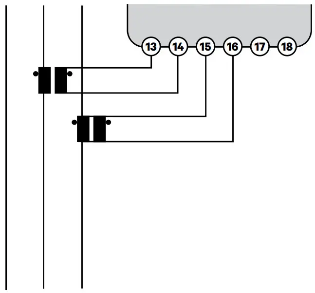
- Wire the CT clamps to the meter using the following connection points:
13- Red wire/CT1
14- Black wire/CT1
15- Red wire/CT2
16-Black wire/CT2
- Connect the meter to the charger using an STP Class 5E 1600 feet/500 meter Max Length communication cable. For the communication between charger and meter only three wires are needed. The connection between terminals 7-8 is a loop for activating the end of line resistor of the communication.

POWER METER INSTALLATION
Installation
Activate terminating resistance and configure current selector
- Set the RS485 switch into position T.

- Set the rotary switch between 1 and 7, depending on the maximum current available on the connected circuit.

- Per national and local regulations only connect your charger to a circuit with a branch circuit overcurrent protection of 125% of the selected max amperage setting of the device.
As per the chart below:Position Amps Circuit Breaker Rating 2 16A 20A 3 20A 25A 4 24A 30A 5 32A 40A 6 40A 50A 7 48A 60A For this limitation take only into account the wire and breaker installed for the EV charger.
To ensure a safe installation, we recommend working with a licensed installer or electrician. A professional electrician can perform the necessary load calculations to determine the maximum safe installation. - Close the cover of the charger following the instructions in the Installation Guide.
POWER BOOST
Configuration
Enabling Power Boost
Once you have installed your charger and the smart meter, follow these steps to enable Power Boost:
- Make sure you have the latest version of the myWallbox app installed on your mobile device. Also make sure you have the latest software version installed on your Wallbox charger.
- Enable Bluetooth on your mobile device and connect to your charger. During each of the following steps, be sure to remain within range of your Bluetooth signal (typically no more than 30 feet).
- If you have not done so previously, follow the directions on the app to create a new myWallbox account. Once you have created your account, log into myWallbox using your account username and password.

- Select the charger on which you want to enable Power Boost.

- The app will synchronize with your charger. Once complete, click the icon in the top right corner of the app screen to go to Settings.

- On the Configuration screen, select “Upgrades”.

- On the Upgrades screen, select “Power Boost”.

- Introduce the maximum current limitation of your system/electrical panel.
Important
Only Max Current per phase greater than 6 amps is accepted for correct performance. In case of doubt, contact Wallbox Customer Service.
Disclaimer
Be sure to follow all local regulations when setting up Power Boost and do not enable a higher power rating if otherwise restricted by local rules. Be sure to consult with a professional installer familiar with the regulations in your area.
ECO-SMART
Configuration
Enabling Eco-Smart
- Make sure you have the latest version of the myWallbox app installed on your mobile device. Also make sure you have the latest software version installed on your Wallbox charger.
- Enable Bluetooth on your mobile device and connect to your charger. During each of the following steps, be sure to remain within range of your Bluetooth signal (typically no more than 30 feet).
- If you have not done so previously, follow the directions on the app to create a new myWallbox account. Once you have created your account, log into myWallbox using your account username and password.

- Select the charger on which you want to enable Eco-Smart.

- The app will synchronize with your charger. Once complete, click the icon in the top right corner of the app screen to go to Settings.

- On the Configuration screen, select “Upgrades”.

- On the Upgrades screen, select “Eco-Smart”.
Note: It is recommended that you activate Power Boost before enabling Eco-Smart. Once you have activated Power Boost, tap the Eco-Smart icon to access its settings.
- Tap “Let’s start” to start using Eco-Smart.

- Enable the Eco-Smart feature by switching the button to the ON position.

- Select your preferred Eco-Smart mode: Full-Green or Eco Mode.

- Click “Save”. Eco-Smart is now active with your selected mode.
ECO-SMART
Configuration
Using Eco-Smart
- If necessary, unlock your charger.

- Connect the charging cable to your EV. The LED halo will turn to light blue and the message “CONNECTED. WAITING FOR GREEN ENERGY” will display in the myWallbox app.

- Depending on your selected mode, as the mode conditions are met, charging will start automatically after two minutes. During charging, if there is insufficient surplus green energy available for at least 30 consecutive seconds, charging will pause. Once mode conditions are met again and there is sufficient available green energy, charging will resume.

Important
- Eco-Smartmight discharge your BESS (Battery Energy System).
- Schedules and manual charges override Eco-Smart functionality.
Service
Need more assistance? Contact our Support Team at:
(888) 787-5780
support.wallbox.com/na
[email protected]
support.wallbox.com
V 1.0
06/2022










































