Panasonic CS-HZ25XKE-5 Air Conditioner

Required tools for Installation Works
- Phillips screw driver
- Level gauge
- Electric drill, hole core drill (ø70 mm)
- Hexagonal wrench (4 mm)
- Spanner
- Pipe cutter
- Reamer
- Knife
- Gas leak detector
- Measuring tape
- Thermometer
- Megameter
- Multimeter
- Torque wrench
- 18 N•m (1.8 kgf•m)
- 42 N•m (4.3 kgf•m)
- 55 N•m (5.6 kgf•m)
- 65 N•m (6.6 kgf•m)
- Vacuum pump
- Gauge manifold
- Hand gloves
SAFETY PRECAUTIONS
- Read the following “SAFETY PRECAUTIONS” carefully before installation.
- Electrical work must be installed by a licensed electrician. Be sure to use the correct rating of the power plug and main circuit for the model to be installed. The caution items stated here must be followed because these important contents are related to safety.
- The meaning of each indication used is as below. Incorrect installation due to ignoring of the instruction will cause harm or damage, and the seriousness is classified by the following indications.
WARNING
This indication shows the possibility of causing death or serious injury.
CAUTION
This indication shows the possibility of causing injury or damage to properties only.
The items to be followed are classified by the symbols:
- Symbol with white background denotes item that is PROHIBITED.
- Symbol with dark background denotes item that must be carried out.
- Carry out test running to confirm that no abnormality occurs after the installation. Then, explain to user the operation, care and maintenance as stated in instructions. Please remind the customer to keep the operating instructions for future reference.
WARNING
- Do not use means to accelerate the defrosting process or to clean, other than those recommended by the manufacturer. Any unfi t method or using incompatible material may cause product damage, burst and serious injury.
- Do not install outdoor unit near handrail of veranda. When installing air-conditioner unit on veranda of a high rise building, child may climb up to outdoor unit and cross over the handrail causing an accident.
- Do not use unspecified cord, modified cord, joint cord or extension cord for power supply cord. Do not share the single outlet with other electrical appliances. Poor contact, poor insulation or over current will cause electrical shock or fire.
- Do not tie up the power supply cord into a bundle by band. Abnormal temperature rise on power supply cord may happen.
- Do not insert your fingers or other objects into the unit, high speed rotating fan may cause injury.
- Do not sit or step on the unit, you may fall down accidentally.
- Keep plastic bag (packaging material) away from small children, it may cling to nose and mouth and prevent breathing.
- When installing or relocating air conditioner, do not let any substance other than the specified refrigerant, egret cmix into refrigeration cycle (piping). Mixing of air etc. will cause abnormal high pressure in refrigeration cycle and result in explosion, injury etc.
- Do not pierce or burn as the appliance is pressurized. Do not expose the appliance to heat, flame, sparks, or other sources of ignition. Else, it may explode and cause injury or death.
- Do not add or replace refrigerant other than specified type. It may cause product damage, burst and injury etc.
- For R32/R410A model, use piping, fl are nut and tools which is specified for R32/R410A refrigerant. Using of existing (R22) piping, fl are nut and tools may cause abnormally high pressure in the refrigerant cycle (piping), and possibly result in explosion and injury. For R32 and R410A, the same fl are nut on the outdoor unit side and pipe can be used.
- Since the working pressure for R32/R410A is higher than that of refrigerant R22 model, replacing conventional piping and fl are nuts on the outdoor unit side are recommended.
- If reuse piping is unavoidable, refer to instruction “IN CASE OF REUSING EXISTING REFRIGERANT PIPING”
- Thickness for copper pipes used with R32/R410A must be more than 0.8 mm. Never use copper pipes thinner than 0.8 mm.
- It is desirable that the amount of residual oil less than 40 mg/10 m.
- Engage authorized dealer or specialist for installation. If installation done by the user is incorrect, it will cause water leakage, electrical shock or fire.
- For refrigeration system work, Install according to this installation instructions strictly. If installation is defective, it will cause water leakage, electrical shock or fire.
- Use the attached accessories parts and specified parts for installation. Otherwise, it will cause the set to fall, water leakage, fi re or electrical shock.
- Install at a strong and firm location which is able to withstand weight of the set. If the strength is not enough or installation is not properly done, the set will drop and cause injury.
- For electrical work, follow the national regulation, legist ration and this installation instructions. An independent circuit and single outlet must be used. If electrical circuit capacity is not enough or defect found in the electrical work, it will cause electrical shock or fire.
- Do not use joint cable for indoor / outdoor connection cable. Use the specified indoor/outdoor connection cable, refer to instruction
- CONNECT THE CABLE TO THE INDOOR UNIT and connect tightly for indoor/outdoor connection. Clamp the cable so that no external force will have impact on the terminal. If connection or fixing is not perfect, it will cause heat up or fi re at the connection.
- Wire routing must be properly arranged so that control board cover is fixed properly. If control board cover is not fixed perfectly, it will cause fi re or electrical shock.
- This equipment is strongly recommended to be installed with Earth Leakage Circuit Breaker (ELCB) or Residual Current Device (RCD), with sensitivity of 30 mA at 0.1 sec or less. Otherwise, it may cause electrical shock and fi re in case of equipment breakdown or insulation breakdown.
- During installation, install the refrigerant piping properly before running the compressor. Operation of compressor without fixing refrigeration piping and valves at opened position will cause suck-in of air, abnormal high pressure in refrigeration cycle and result in explosion, injury etc.
- During pump down operation, stop the compressor before removing the refrigeration piping. Removal of refrigeration piping while compressor is operating and valves are opened will cause suck-in of air, abnormal high pressure in refrigeration cycle and result in explosion, injury etc.
- Tighten the fl are nut with torque wrench according to specified method. If the fl are nut is over-tightened, after a long period, the fl are may break and cause refrigerant gas leakage.
- After completion of installation, confirm there is no leakage of refrigerant gas. It may generate toxic gas when the refrigerant contacts with fire.
- Ventilate if there is refrigerant gas leakage during operation. It may cause toxic gas when the refrigerant contacts with fi re.
- Be aware that refrigerants may not contain an dour.
- This equipment must be properly earthed. Earth line must not be connected to gas pipe, water pipe, earth of lightning rod and telephone. Otherwise, it may cause electrical shock in case of equipment breakdown or insulation breakdown.
CAUTION
- Handle the unit surface with care to avoid scratching the surface by sharp or rough items (e.g. fingernails, tools, rings, etc.). Wear hand gloves when performing installation work.
- Do not install the unit in a place where leakage of flammable gas may occur. In case gas leaks and accumulates at surrounding of the unit, it may cause fi re.
- Prevent liquid or vapor from entering sumps or sewers since vapor is heavier than air and may form suffocating atmospheres.
- Do not release refrigerant during piping work for installation, re-installation and during repairing refrigeration parts. Take care of the liquid refrigerant, it may cause frostbite.
- Do not install this appliance in a laundry room or other location where water may drip from the ceiling, etc.
- Do not touch the sharp aluminum fi n, sharp parts may cause injury.
- Carry out drainage piping as mentioned in installation instructions. If drainage is not perfect, water may enter the room and damage the furniture.
- Select an installation location which is easy for maintenance.
Incorrect installation, service or repair of this air conditioner may increase the risk of rupture and this may result in loss damage or injury and/or property. - Power supply connection to the room air conditioner.
Use power supply cord 3 x 1.5 mm² type designation 60245 IEC 57 or heavier cord.
Connect the power supply cord of the air conditioner to the mains using one of the following method. Power supply point should be in easily accessible place for power disconnection in case of emergency. In some countries, permanent connection of this air conditioner to the power supply is prohibited.- Power supply connection to the receptacle using power plug. Use an approved 15/16 A power plug with earth pin for the connection to the socket.
- Power supply connection to a circuit breaker for the permanent connection. Use an approved 16 A circuit breaker for the permanent connection. It must be a double pole switch with a minimum 3.0 mm contact gap.
- Installation work. It may need two people to carry out the installation work.
- Keep any required ventilation openings clear of obstruction.
PRECAUTION FOR USING R32 REFRIGERANT
- Pay careful attention to the following precaution points and the installation work procedures.
WARNING
- When connecting fl are at indoor side, make sure that the fl are connection is used only once, if torqued up and released, the fl are must be remade. Once the fl are connection was torqued up correctly and leak test was made, thoroughly clean and dry the surface to remove oil, dirt and grease by following instructions of silicone sealant. Apply neutral cure (Alkoxy type) & ammonia-free silicone sealant that is non-corrosive to copper & brass to the external of the flared connection to prevent the ingress of moisture on both the gas & liquid sides. (Moisture may cause freezing and premature failure of the connection)
- The appliance shall be stored, installed and operated in a well ventilated room with indoor fl oor area larger than Amin (m²) [refer Table A] and without any continuously operating ignition source. Keep away from open flames, any operating gas appliances or any operating electric heater. Else, it may explode and cause injury or death.
- The mixing of different refrigerants within a system is prohibited. Models that use refrigerant R32 and R410A have a different charging port thread diameter to prevent erroneous charging with refrigerant R22 and for safety. Therefore, check beforehand. [The charging port thread diameter for R32 and R410A is 12.7 mm (1/2 inch).]
- Ensure that foreign matter (oil, water, etc.) does not enter the piping. Also, when storing the piping, securely seal the opening by pinching, taping, etc. (Handling of R32 is similar to R410A.)
- Operation, maintenance, repairing and refrigerant recovery should be carried out by trained and certified personnel in the use of flammable refrigerants and as recommended by the manufacturer. Any personnel conducting an operation, servicing or maintenance on a system or associated parts of the equipment should be trained and certified.
- Any part of refrigerating circuit (evaporators, air coolers, AHU, condensers or liquid receivers) or piping should not be located in the proximity of heat sources, open fl ames, operating gas appliance or an operating electric heater.
- The user/owner or their authorized representative shall regularly check the alarms, mechanical ventilation and detectors, at least once a year, where as required by national regulations, to ensure their correct functioning.
- A logbook shall be maintained. The results of these checks shall be recorded in the logbook.
- In case of ventilations in occupied spaces shall be checked to confirm no obstruction.
- Before a new refrigerating system is put into service, the person responsible for placing the system in operation should ensure that trained and certified operating personnel are instructed on the basis of the instruction manual about the construction, supervision, operation and maintenance of the refrigerating system, as well as the safety measures to be observed, and the properties and handling of the refrigerant used.
- The general requirement of trained and certified personnel are indicated as below:
- Knowledge of legislation, regulations and standards relating to flammable refrigerants; and,
- Detailed knowledge of and skills in handling flammable refrigerants, personal protective equipment, refrigerant leakage prevention, handling of cylinders, charging, leak detection, recovery and disposal; and,
- Able to understand and to apply in practice the requirements in the national legislation, regulations and Standards; and,
- Continuously undergo regular and further training to maintain this expertise.
- Air-conditioner piping in the occupied space shall be installed in such a way to protect against accidental damage in operation and service.
- Precautions shall be taken to avoid excessive vibration or pulsation to refrigerating piping.
- Ensure protection devices, refrigerating piping and fittings are well protected against adverse environmental effects (such as the danger of water collecting and freezing in relief pipes or the accumulation of dirt and debris).
- Expansion and contraction of long runs piping in refrigerating systems shall be designed and installed securely (mounted and guarded) to minimize the likelihood hydraulic shock damaging the system.
- Protect the refrigerating system from accidental rupture due to moving furniture or reconstruction activities.
- To ensure no leaking, field-made refrigerant joints indoors shall be tightness tested. The test method shall have a sensitivity of 5 grams per year of refrigerant or better under a pressure of at least 0,25 times the maximum allowable pressure (>1.04 MPa, max 4.15 MPa). No leak shall be detected.
CAUTION
General
- Must ensure the installation of pipe-work shall be kept to a minimum. Avoid use dented pipe and do not allow acute bending.
- Must ensure that pipe-work shall be protected from physical damage.
- Must comply with national gas regulations, state municipal rules and legislation. Notify relevant authorities in accordance with all applicable regulations.
- Must ensure mechanical connections be accessible for maintenance purposes.
- In cases that require mechanical ventilation, ventilation openings shall be kept clear of obstruction.
- When disposal of the product, do follow to the precautions in #12 and comply with national regulations.
- In case of field charge, the effect on refrigerant charge caused by the different pipe length has to be quantified, measured and labelled. Always contact to local municipal offices for proper handling.
- Ensure the actual refrigerant charge is in accordance with the room size within which the refrigerant containing parts are installed.
- Ensure refrigerant charge not to leak.
- Wear appropriate protective equipment, including respiratory protection, as conditions warrant.
- Keep all sources of ignition and hot metal surfaces away.
Servicing
Qualia cation of workers
- Any qualified person who is involved with working on or breaking into a refrigerant circuit should hold a current valid certificate from an industry-accredited assessment authority, which authorizes their competence to handle refrigerants safely in accordance with an industry recognized assessment specification.
- Servicing shall only be performed as recommended by the equipment manufacturer. Maintenance and repair requiring the assistance of other skilled personnel shall be carried out under the supervision of the person competent in the use of flammable refrigerants.
- Servicing shall be performed only as recommended by the manufacturer.
- The system is inspected, regularly supervised and maintained by a trained and certified service personnel who is employed by the person user or party responsible.
Checks to the area
- Prior to beginning work on systems containing flammable refrigerants, safety checks are necessary to ensure that the risk of ignition is minimized. For repair to the refrigerating system, the precautions in #2-3 to #2-7 must be followed before conducting work on the system.
Work procedure
- Work shall be undertaken under a controlled procedure so as to minimize the risk of a flammable gas or vapor being present while the work is being performed.
General work area
- All maintenance staff and others working in the local area shall be instructed and supervised on the nature of work being carried out.
- Avoid working in confined spaces. Always ensure away from source, at least 2 meter of safety distance, or zoning of free space area of at least 2 meter in radius.
Checking for presence of refrigerant
- The area shall be checked with an appropriate refrigerant detector prior to and during work, to ensure the technician is aware of potentially flammable atmospheres.
- Ensure that the leak detection equipment being used is suitable for use with flammable refrigerants, i.e. non sparking, adequately sealed or intrinsically safe.
- In case of leakage/spillage happened, immediately ventilate area and stay upwind and away from spill/release.
- In case of leakage/spillage happened, do notify persons down wind of the leaking/spill, isolate immediate hazard area and keep unauthorized personnel out.
Presence of fi re extinguisher
- If any hot work is to be conducted on the refrigerating equipment or any associated parts, appropriate fi re extinguishing equipment shall be available at hand.
Have a dry powder or CO2 fi re extinguisher adjacent to the charging area.
No ignition sources
- No person carrying out work in relation to a refrigerating system which involves exposing any pipe work that contains or has contained flammable refrigerant shall use any sources of ignition in such a manner that it may lead to the risk of fi re or explosion. He/ She must not be smoking when carrying out such work.
All possible ignition sources, including cigarette smoking, should be kept sufficiently far away from the site of installation, repairing, removing and disposal, during which flammable refrigerant can possibly be released to the surrounding space. - Prior to work taking place, the area around the equipment is to be surveyed to make sure that there are no flammable hazards or ignition risks.
- “No Smoking” signs shall be displayed.
Ventilated area
- Ensure that the area is in the open or that it is adequately ventilated before breaking into the system or conducting any hot work.
- A degree of ventilation shall continue during the period that the work is carried out.
- The ventilation should safely disperse any released refrigerant and preferably expel it externally into the atmosphere.
Checks to the refrigerating equipment
- Where electrical components are being changed, they shall be fi t for the purpose and to the correct specifi cation.
- At all times the manufacturer’s maintenance and service guidelines shall be followed.
- If in doubt consult the manufacturer’s technical department for assistance.
- The following checks shall be applied to installations using fl ammable refrigerants.
- The actual refrigerant charge is in accordance with the room size within which the refrigerant containing parts are installed.
- The ventilation machinery and outlets are operating adequately and are not obstructed.
- If an indirect refrigerating circuit is being used, the secondary circuit shall be checked for the presence of refrigerant.
- Marking to the equipment continues to be visible and legible. Markings and signs that are illegible shall be corrected.
- Refrigerating pipe or components are installed in a position where they are unlikely to be exposed to any substance which may corrode refrigerant containing components, unless the components are constructed of materials which are inherently resistant to being corroded or are properly protected against being so corroded.
Checks to electrical devices
- Repair and maintenance to electrical components shall include initial safety checks and component inspection procedures.
- Initial safety checks shall include but not limit to:-
- That capacitors are discharged: this shall be done in a safe manner to avoid possibility of sparking.
- That there is no live electrical components and wiring are exposed while charging, recovering or purging the system.
- That there is continuity of earth bonding.
- At all times the manufacturer’s maintenance and service guidelines shall be followed.
- If in doubt consult the manufacturer’s technical department for assistance.
- If a fault exists that could compromise safety, then no electrical supply shall be connected to the circuit until it is satisfactorily dealt with.
- If the fault cannot be corrected immediately but it is necessary to continue operation, an adequate temporary solution shall be used.
- The owner of the equipment must be informed or reported so all parties are advised thereinafter.
Repairs to sealed components
- During repairs to sealed components, all electrical supplies shall be disconnected from the equipment being worked upon prior to any removal of sealed covers, etc.
- If it is absolutely necessary to have an electrical supply to equipment during servicing, then a permanently operating form of leak detection shall be located at the most critical point to warn of a potentially hazardous situation.
- Particular attention shall be paid to the following to ensure that by working on electrical components, the casing is not altered in such a way that the level of protection is affected. This shall include damage to cables, excessive number of connections, terminals not made to original specification, damage to seals, incorrect fitting of glands, etc.
- Ensure that apparatus is mounted securely.
- Ensure that seals or sealing materials have not degraded such that they no longer serve the purpose of preventing the ingress of flammable atmospheres.
- Replacement parts shall be in accordance with the manufacturer’s specifications.
NOTE:
- The use of silicon sealant may inhibit the effectiveness of some types of leak detection equipment.
- Intrinsically safe components do not have to be isolated prior to working on them.
Repair to intrinsically safe components
- Do not apply any permanent inductive or capacitance loads to the circuit without ensuring that this will not exceed the permissible voltage and current permitted for the equipment in use.
- Intrinsically safe components are the only types that can be worked on while live in the presence of a flammable atmosphere.
- The test apparatus shall be at the correct rating.
- Replace components only with parts specified by the manufacturer. Unspecified parts by manufacturer may result ignition of refrigerant in the atmosphere from a leak.
- 5. Cabling
- Check that cabling will not be subject to wear, corrosion, excessive pressure, vibration, sharp edges or any other adverse environmental effects.
- The check shall also take into account the effects of aging or continual vibration from sources such as compressors or fans.
- 6. Detection of flammable refrigerants
- Under no circumstances shall potential sources of ignition be used in the searching or detection of refrigerant leaks.
- A halide torch (or any other detector using a naked flame) shall not be used.
- The following leak detection methods are deemed acceptable for all refrigerant systems.
– No leaks shall be detected when using detection equipment with a sensitivity of 5 grams per year of refrigerant or better under a pressure of at least 0,25 times the maximum allowable pressure (>1.04 MPa, max 4.15 MPa) for example, a universal sniffer. - – Electronic leak detectors may be used to detect flammable refrigerants, but the sensitivity may not be adequate, or may need re-calibration.(Detection equipment shall be calibrated in a refrigerant-free area.)
– Ensure that the detector is not a potential source of ignition and is suitable for the refrigerant used. - Leak detection equipment shall be set at a percentage of the LFL of the refrigerant and shall be calibrated to the refrigerant employed and the appropriate percentage of gas (25 % maximum) is confirmed. Leak detection fluids are also suitable for use with most refrigerants, for example, bubble method and fluorescent method agents. The use of detergents containing chlorine shall be avoided as the chlorine may react with the refrigerant and corrode the copper pipe-work.
- Leak detection equipment shall be set at a percentage of the LFL of the refrigerant and shall be calibrated to the refrigerant employed and the appropriate percentage of gas (25 % maximum) is confirmed. Leak detection fluids are also suitable for use with most refrigerants, for example, bubble method and fluorescent method agents. The use of detergents containing chlorine shall be avoided as the chlorine may react with the refrigerant and corrode the copper pipe-work.
Removal and evacuation
- When breaking into the refrigerant circuit to make repairs – or for any other purpose – conventional procedures shall be used. However, it is important that best practice is followed since flammability is a consideration.
The following procedure shall be adhered to: - remove refrigerant ->
- purge the circuit with inert gas ->
- evacuate ->
- purge with inert gas ->
- open the circuit by cutting or brazing
- remove refrigerant ->
- purge the circuit with inert gas ->
- evacuate ->
- purge with inert gas ->
- open the circuit by cutting or brazing
Charging procedures
- In addition to conventional charging procedures, the following requirements shall be followed.
- Ensure that contamination of different refrigerants does not occur when using charging equipment.
- Hoses or lines shall be as short as possible to minimize the amount of refrigerant contained in them.
- Cylinders shall be kept in an appropriate position according to the instructions.
- Ensure that the refrigerating system is earthed prior to charging the system with refrigerant.
- Label the system when charging is complete (if not already).
- Extreme care shall be taken not to over fill the refrigerating system.
- Prior to recharging the system it shall be pressure tested with OFN (refer to #7).
- The system shall be leak tested on completion of charging but prior to commissioning.
- A follow up leak test shall be carried out prior to leaving the site.
- Electrostatic charge may accumulate and create a hazardous condition when charging and discharging the refrigerant.
To avoid fi re or explosion, dissipate static electricity during transfer by grounding and bonding containers and equipment before charging/discharging.
Decommissioning
- Before carrying out this procedure, it is essential that the technician is completely familiar with the equipment and all its details.
- It is recommended good practice that all refrigerants are recovered safely.
- Prior to the task being carried out, an oil and refrigerant sample shall be taken in case analysis is required prior to re-use of recovered refrigerant.
- It is essential that electrical power is available before the task is commenced.
- Become familiar with the equipment and its operation.
- Isolate system electrically.
- Before attempting the procedure ensure that:
- mechanical handling equipment is available, if required, for handling refrigerant cylinders;
- all personal protective equipment is available and being used correctly;
- the recovery process is supervised at all times by a competent person;
- recovery equipment and cylinders conform to the appropriate standards.
- Pump down refrigerant system, if possible.
- If a vacuum is not possible, make a manifold so that refrigerant can be removed from various parts of the system.
- Electrostatic charge may accumulate and create a hazardous condition when charging or discharging the refrigerant. To avoid fi re or explosion, dissipate static electricity during transfer by grounding and bonding containers and equipment before charging/discharging.
- Make sure that cylinder is situated on the scales before recovery takes place.
- Start the recovery machine and operate in accordance with instructions.
- Do not over fi ll cylinders. (No more than 80 % volume liquid charge).
- Do not exceed the maximum working pressure of the cylinder, even temporarily.
- When the cylinders have been filled correctly and the process completed, make sure that the cylinders and the equipment are removed from site promptly and all isolation valves on the equipment are closed off.
- Recovered refrigerant shall not be charged into another refrigerating system unless it has been cleaned and checked.
Labelling
- Equipment shall be labelled stating that it has been de-commissioned and emptied of refrigerant.
- The label shall be dated and signed.
- Ensure that there are labels on the equipment stating the equipment contains flammable refrigerant.
Recovery
- When removing refrigerant from a system, either for servicing or decommissioning, it is recommended good practice that all refrigerants are removed safely.
- When transferring refrigerant into cylinders, ensure that only appropriate refrigerant recovery cylinders are employed.
- Ensure that the correct number of cylinders for holding the total system charge are available.
- All cylinders to be used are designated for the recovered refrigerant and labelled for that refrigerant (i.e. special cylinders for the recovery of refrigerant).
- Cylinders shall be complete with pressure relief valve and associated shut-off valves in good working order.
- Recovery cylinders are evacuated and, if possible, cooled before recovery occurs.
- The recovery equipment shall be in good working order with a set of instructions concerning the equipment that is at hand and shall be suitable for the recovery of concerning the equipment that is at hand and shall be suitable for the recovery of flammable refrigerants.
- In addition, a set of calibrated weighing scales shall be available and in good working order.
- Hoses shall be complete with leak-free disconnect couplings and in good condition.
- Before using the recovery machine, check that it is in satisfactory working order, has been properly maintained and that any associated electrical components are sealed to prevent ignition in the event of a refrigerant release. Consult manufacturer if in doubt.
- The recovered refrigerant shall be returned to the refrigerant supplier in the correct recovery cylinder, and the relevant Waste Transfer Note arranged.
- Do not mix refrigerants in recovery units and especially not in cylinders.
- If compressors or compressor oils are to be removed, ensure that they have been evacuated to an acceptable level to make certain that flammable refrigerant does not remain within the lubricant.
- The evacuation process shall be carried out prior to returning the compressor to the suppliers.
- Only electric heating to the compressor body shall be employed to accelerate this process.
- When oil is drained from a system, it shall be carried out safely.
Explanation of symbols displayed on the indoor unit or outdoor unit.
- WARNING This symbol shows that this equipment uses a flammable refrigerant. If the refrigerant is leaked, together with an external ignition source, there is a possibility of ignition.
- CAUTION This symbol shows that the Installation Manual should be read carefully.
- CAUTION This symbol shows that a service personnel should be handling this equipment with reference to the Installation Manual.
- CAUTION This symbol shows that there is information included in the Operation Manual and/or Installation Manual.
Attached accessories


SELECT THE BEST LOCATION
INDOOR UNIT
- Do not install the unit in excessive oil fume area such as kitchen, workshop and etc.
- There should not be any heat source or steam near the unit.
- There should not be any obstacles blocking the air circulation.
- A place where air circulation in the room is good.
- A place where drainage can be easily done.
- A place where noise prevention is taken into consideration.
- Do not install the unit near the door way.
- Ensure the spaces indicated by arrows from the wall, ceiling, fence or other obstacles.
- Recommended installation height for indoor unit is at 1.8 m or more from the floor.
OUTDOOR UNIT
- If an awning is built over the unit to prevent direct sunlight or rain, be careful that heat radiation from the condenser is not obstructed.
- There should not be any animal or plant which could be affected by hot air discharged.
- Keep the spaces indicated by arrows from wall, ceiling, fence or other obstacles.
- Do not place any obstacles which may cause a short circuit of the discharged air.
- If piping length is over the [piping length for additional gas], additional refrigerant should be added as shown in the table.
Table A
(*) Systems with total refrigerant charge, mc , lower than 1.84 kg are not subjected to any room area requirements.
Example: For HZ25***
If the unit is installed at 10 m distance, the quantity of additional refrigerant should be
- 25 g …. (10-7.5) m x 10 g/m = 25 g.
- Amin = (mc / (2.5 x (LFL)(5/4) x h0)) ² Amin = (mc / (2.5 x (LFL)(5/4) x h0)) ²
- Amin = Required minimum room area, in m²
- mc = Refrigerant charge in appliance, in kg
- LFL = Lower flammability limit (0.307 kg/m³)
- h0 = Installation height of the appliance (1.8 m for wall mounted)
- SF = Safety factor with a value of 0.75
** The required minimum room area, Amin , shall also be governed by the safety factor margin formula below :
- Amin = mc / (SF x LFL x h0)
The higher value shall be taken when determining the room area.
Indoor/Outdoor Unit Installation Diagram

It is advisable to avoid more than 2 blockage directions. For better ventilation & multiple-outdoor installation, please consult authorized dealer/specialist.
- This illustration is for explanation purposes only. The indoor unit will actually face a different way.
(*) If holder at the rear of chassis (Refer column “4 Indoor Unit Installation” ) need to be used to prop up the unit, this distance shall be 65 mm or more.
INDOOR UNIT
SELECT THE BEST LOCATION
(Refer to “Select the best location” section)
HOW TO FIX INSTALLATION PLATE

- Model Dimension
- HZ25***,
- HZ35***
- 500 mm
- 70 mm ( * )
- 420 mm
- 450 mm
- 117 mm
- 65 mm
- Dimension 2
- ( * ) :- If holder at the rear of chassis (Refer column “4 Indoor Unit Installation”) need to be used to prop up the unit, this distance shall be 85 mm or more.
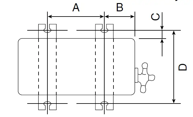
The center of installation plate should be at more than 1 at right and left of the wall. The distance from installation plate edge to ceiling should more than 2. From installation plate center to unit’s left side is 3. From installation plate center to unit’s right side is 4. For left side piping, piping connection for liquid should be about 5 from this line.
For left side piping, piping connection for gas should be about 6 from this line.
- Mount the installation plate on the wall with 5 screws or more (at least 5 screws). (If mounting the unit on the concrete wall, consider using anchor bolts.)
- Always mount the installation plate horizontally by aligning the marking-off line with the thread and using a level gauge.
- Drill the piping plate hole with ø70 mm hole-core drill.
- Line according to the left and right side of the installation plate. The meeting point of the extended line is the center of the hole. Another method is by putting measuring tape at position as shown in the diagram above. The hole center is obtained by measuring the distance namely 150 mm for left and right hole respectively.
- Drill the piping hole at either the right or the left and the hole should be slightly slanting to the outdoor side
TO DRILL A HOLE IN THE WALL AND INSTALL A SLEEVE OF PIPING
- Insert the piping sleeve to the hole.
- Fix the bushing to the sleeve.
- Cut the sleeve until it extrudes about 15 mm from the wall.
CAUTION
When the wall is hollow, please be sure to use the sleeve for tube assembly to prevent dangers caused by mice biting the connection cable. - Finish by sealing the sleeve with putty or caulking compound at the final stage.

INDOOR UNIT INSTALLATION
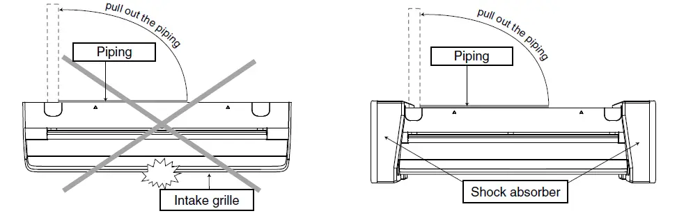
Pull out the Indoor piping
- Do not turn over the unit without it’s shock absorber during pull out the piping. It may cause intake grille damage.
- Use shock absorber during pull out the piping to protect the intake grille from damage.

- FOR THE RIGHT REAR PIPING
- Step-1 Pull out the Indoor piping
- Step-2 Install the Indoor Unit
- Step-3 Secure the Indoor Unit
- Step-4 Insert the connection cable
- FOR THE RIGHT AND RIGHT BOTTOM PIPING
- Step-1 Pull out the Indoor piping
- Step-2 Install the Indoor Unit
- Step-3 Insert the connection cable
- Step-4 Secure the Indoor Unit
- FOR THE EMBEDDED PIPING
- Step-1 Change the drain hose position
- Step-2 Bend the embedded piping
- Use a spring bender or equivalent to bend the piping so that the piping is not crushed.
- Step-3 Pull the connection cable into Indoor Unit
- The indoor unit and outdoor unit connection cable can be connected without removing the front grille.
- Step-4 Cut and fl are the embedded piping
- When determining the dimensions of the piping, slide the unit all the way to the left on the installation plate.
- Refer to the column “Cutting and flaring the piping”.
- Step-5 Install the Indoor Unit
- Step-6 Connect the piping
- Please refer to “Connecting the piping” column in outdoor unit section. (Below steps are done after connecting the outdoor piping and gas-leakage confirmation.)
- Step-7 Insulate and finish the piping
- Please refer to “Insulation of piping connection” column as mentioned in indoor/outdoor unit installation.
- Step-8 Secure the Indoor Unit
- Fasten the chassis to the installation plate with screws (Self purchase, Screw size: M4, max. length 10mm) to provide a neat appearance of indoor unit.

Right Rear piping
How to keep the cover In case of the cover is cut, keep the cover at the rear of chassis as shown in the illustration for future reinstallation. (Left, right and 2 bottom covers for piping.)
Right and Right bottom piping
Install the indoor unit
Hook the indoor unit onto the upper portion of installation plate. (Engage the indoor unit with the upper edge of the installation plate). Ensure the hooks are properly seated on the installation plate by moving it in left and right. There is an option to use the holder at the rear of chassis to prop up the indoor unit as shown in the illustration for ease of installation. Push the holder back to original position before secure the indoor unit. Alternatively, bottom plate of the indoor unit can be removed to enlarge the space for installation. Please refer column
“How to take out front grille”.
Secure the Indoor Unit
Press the lower left and right side of the unit against the installation plate until hooks engages with their slot (sound click).
Insert the connection cable
To take out the unit, push the
marking at the bottom unit, and pull it slightly towards you to disengage the hooks from the unit.
(This can be used for left rear piping also.)
Change the drain hose position

- How to pull the piping and drain hose out, in case of the embedded piping.

- In case of left piping how to insert the connection cable and drain hose.

CONNECT THE CABLE TO THE INDOOR UNIT
- The inside and outside connection cable can be connected without removing the front grille.
- Decide on the type of power supply connection to be used, indoor power supply or outdoor power supply.
In case of indoor power supply - Install the indoor unit on the installing holder that mounted on the wall.
- Open the front panel and grille door by loosening the screw.
- Cable connection to the power supply through Isolating Devices (Disconnecting means).
- Connect approved type polychloroprene sheathed power supply cord 3 x 1.5 mm² type designation 60245 IEC 57 or heavier cord to the terminal board, and connect the others end of the cord to Isolating Devices (Disconnecting means).
- Do not use joint power supply cord. Replace the wire if the existing wire (from concealed wiring, or otherwise) is too short.
- In unavoidable case, joining of power supply cord between isolating devices and terminal board of air conditioner shall be done by using approved socket and plug with earth pin rated 15/16 A. Wiring work to both socket and plug must follow to national wiring standard.
- Bind all the power supply cord lead wire with tape and route the power supply cord via the left escapement.
- Connection cable between indoor unit and outdoor unit shall be approved polychloroprene sheathed 4 x 1.5 mm² flexible cord, type designation 60245 IEC 57 or heavier cord. Do not use joint connection cable. Replace the wire if the existing wire (from concealed wiring, or otherwise) is too short. Allowable connection cable length of each indoor unit shall be 30 m or less.
- Bind all the indoor and outdoor connection cable with tape and route the connection cable via the right escapement.
- Remove the tapes and connect the power supply cord and connection cable between indoor unit and outdoor unit according to the diagram Belo

- Secure the power supply cord and connection cable onto the control board with the holder.
- Close grille door by tighten with screw and close the front panel.
In case of outdoor power supply
- The inside and outside connection cable can be connected without removing the front grille.
- Decide on the type of power supply connection to be used, indoor power supply or outdoor power supply.
- Connection cable between indoor unit and outdoor unit shall be approved polychloroprene sheathed 4 x 1.5 mm² flexible cord, type designation 60245 IEC 57 or heavier cord. Do not use joint connection cable. Replace the wire if the existing wire (from concealed wiring, or otherwise) is too short. Allowable connection cable length of each indoor unit shall be 30 m or less.
- Bind all the indoor and outdoor connection cable with tape and route the connection cable via the left escapement.
- Remove the tapes and connect the connection cable between indoor unit and outdoor unit according to the diagram below.

- Ensure the col our of wires of outdoor unit and the terminal Nos. are the same to the indoors respectively. Earth wire shall be Yellow/Green (Y/G) in col our and longer than other AC wires for safety reason.
WARNING
This equipment must be properly earthed.
WIRE STRIPPING, CONNECTING REQUIREMEN
WARNING
RISK OF FIRE OR JOINING OF WIRES MAY CAUSE OVERHEATING AND FIRE


- Use complete wire without joining.
- Use approved socket and plug with earth pin.
- Wire connection in this area must follow to national wiring rules.
Do not joint wires
CAUTION
Do not connect power supply to indoor and outdoor unit at the same time. Risk of fire if wrong connection of power supply.

In case of outdoor power supply

CUTTING AND FLARING THE PIPING
- Please cut using pipe cutter and then remove the burrs.
- Remove the burrs by using reamer. If burrs is not removed, gas leakage may be caused. Turn the piping end down to avoid the metal powder entering the pipe.
- Please make fl are after inserting the fl are nut onto the copper pipes.


- When properly flared, the internal surface of the fl are will evenly shine and be of even thickness. Since the fl are part comes into contact with the connections, carefully check the fl are finish.
SELECT THE BEST LOCATION
(Refer to “Select the best location” section)
INSTALL THE OUTDOOR UNIT
- After selecting the best location, start installation to Indoor/Outdoor Unit Installation Diagram.
- Fix the unit on concrete or rigid frame firmly and horizontally by bolt nut (ø10 mm).
- When installing at roof, please consider strong wind and earthquake. Please fasten the installation stand firmly with bolt or nails.

- Model
- HZ25***, HZ35***
- 540 mm
- 160 mm
- 18.5 mm
- 330 mm
CONNECT THE PIPING
Connecting The Piping to Indoor
For connection joint of all models Please make flare after inserting flare nut (locate at joint portion of tube assembly) onto the copper pipe. (In case of using long piping)
Connect the piping
- Align the center of piping and sufficiently tighten the fl are nut with fingers.
- Further tighten the fl are nut with torque wrench in specified torque as stated in the table.

Additional Precautions For R32 Models when connecting by flaring at indoor side
- Ensure to do the re-flaring of pipes before connecting to units to avoid leaking.
Seal sufficiently the fl are nut (both gas and liquid sides) with neutral cure (Alkoxy type) & ammonia-free silicone sealant and insulation material to avoid the gas leak caused by freezing.

Neutral cure (Alkoxy type) & ammonia-free silicone sealant is only to be applied after pressure testing and cleaning up by following instructions of sealant, only to the outside of the connection. The aim is to prevent moisture from entering the connection joint and possible occurrence of freezing. Curing sealant will take some time. Make sure sealant will not peel off when wrapping the insulation.
Connecting The Piping to Outdoor
Decide piping length and then cut by using pipe cutter. Remove burrs from cut edge. Make fl are after inserting the fl are nut (locate at valve) onto the copper pipe. Align center of piping to valve and then tighten with torque wrench to the specified torque as stated in the table.
Do not overtighten, overtightening may cause gas leakage.
- Piping size
- 6.35 mm (1/4″)
- 9.52 mm (3/8″)
- 12.7 mm (1/2″)
- 15.88 mm (5/8″)
- 19.05 mm (3/4″)
- Torque
- [18 N•m (1.8 kgf•m)]
- [42 N•m (4.3 kgf•m)]
- [55 N•m (5.6 kgf•m)]
- [65 N•m (6.6 kgf•m)]
- [100 N•m (10.2 kgf•m)]
AIR PURGING METHOD IS PROHIBITED FOR R32 SYSTEM
AIR TIGHTNESS TEST ON THE REFRIGERATING SYSTEM
Do not purge the air with refrigerants but use a vacuum pump to vacuum the installation.
There is no extra refrigerant in the outdoor unit for air purging.
- Before system is charged with refrigerant and before the refrigerating system is put into operation, below site test procedure and acceptance criteria shall be verified by the certified technicians, and/or the installer.
- Be sure to check whole system for gas leakage.

- Connect a charging hose with a push pin to the Low side of a charging set and the service port of the 3-way valve.
- Attach the gauge manifold set correctly and tightly. Make sure that both valves of the manifold gauge (low pressure and high pressure) is in close position.
- Connect the center hose of the manifold gauge to a vacuum pump.
- Turn on the power switch of the vacuum pump, then turn open the low side manifold gauge valve and make sure that the needle in the gauge moves from 0 cmHg (0 MPa) to –76 cmHg (–0.1 MPa) or vacuum until 500 microns is achieved. This process continues for approximately ten minutes. Then close the low side manifold gauge valve.
- Remove the vacuum pump from the Centre hose and connect the center hose to cylinder of any applicable inert gas as test gas.
- Charge test gas into the system and wait until the pressure within the system to reach min. 1.04 MPa (10.4 barg).
- Wait and monitor the pressure reading on the gauges. Check if there is any pressure drop. Waiting time depends on the size of the system.
- If there is any pressure drop, perform step 9-12. If there is no pressure drop, perform step 13.
- Use Gas Leak Detector to check for leaks. Must use the detection equipment with a sensitivity of 5 grams per year of test gas or better.
- Move the probe along the air conditioning system to check for leaks, and mark for repair.
- Any leak detected and marked shall be repaired.
- After repair, repeat evacuation steps 3-4 and tightness test steps 5-7. Check the pressure drop as in step 8.
- If no leak, Recover the test gas. Perform evacuation of steps 3-4. Then proceed to step 14.
- Disconnect the charging hose from the service port of the 3-way valve.
- Tighten the service port caps of the 3-way valve at a torque of 18 N •m with a torque wrench.
- Remove the valve caps of both of the 2-way valve and 3-way valve.
- Open both of the valves, using a hexagonal wrench (4 mm). It is recommended to allow refrigerant slowly flow into the refrigerant system to prevent refrigerant freezing. Slightly open 2-way valve for 5 seconds then close the valve. Repeat this action for 3 cycles then fully open the valve.
- Mount back the valve caps onto the 2-way valve and the 3-way valve to complete this process.

Notes:
Recommended use of any of the following leak detector,
- Universal Sniffer leak detector
- Electronic halogen leak detector
- Ultrasonic Leak Detector
CONNECT THE CABLE TO THE OUTDOOR UNIT
- Remove the control board cover from the unit by loosing the screw.
- Connect cables to the unit.
In case of indoor power supply - Connection cable between indoor unit and outdoor unit shall be approved polychloroprene sheathed 4 x 1.5 mm² flexible cord, type designation 60245 IEC 57 or heavier cord. Do not use joint connection cable. Replace the wire if the existing wire (from concealed wiring, or otherwise) is too short. Allowable connection cable length of each indoor unit shall be 30 m or less.
- Terminals on the isolating devices (Disconnecting means)
(Power supply cord) - Terminals on the indoor unit
Colour of wires (Connection cable) - Colour of wires (Connection cable)


- Terminals on the isolating devices (Disconnecting means)
- Secure the cable onto the control board with the holder (clamper).
- Attach the control board cover back to the original position with screw.
WARNING
This equipment must be properly earthed
- For wire stripping and connection requirement, refer to instruction 5 of indoor unit.
- Isolating Devices (Disconnecting means) should have minimum 3.0 mm contact gap.
- Earth wire shall be Yellow/Green (Y/G) in col our and longer than other AC wires for safety reason.
In case of outdoor power supply
- For wire stripping and connection requirement, refer to instruction 5 of indoor unit.
- Isolating Devices (Disconnecting means) should have minimum 3.0 mm contact gap.
- Cable connection to the power supply through Isolating Devices (Disconnecting means).
- Connect approved type polychloroprene sheathed power supply cord 3 x 1.5 mm² type designation 60245 IEC 57 or heavier cord to the terminal board, and connect the others end of the cord to Isolating Devices (Disconnecting means).
- Do not use joint power supply cord. Replace the wire if the existing wire (from concealed wiring, or otherwise) is too short.
- In unavoidable case, joining of power supply cord between isolating devices and terminal board of air conditioner shall be done by using approved socket and plug with earth pin rated 15/16 A. Wiring work to both socket and plug must follow to national wiring standard.
- Connection cable between indoor unit and outdoor unit shall be approved polychloroprene sheathed 4 x 1.5 mm² flexible cord, type designation 60245 IEC 57 or heavier cord. Do not use joint connection cable. Replace the wire if the existing wire (from concealed wiring, or otherwise) is too short. Allowable connection cable length of each indoor unit shall be 30 m or less.
- Connect the power supply cord and connection cable between indoor unit and outdoor unit according to the diagram below.

PIPING INSULATION
- Please carry out insulation at pipe connection portion as mentioned in Indoor/Outdoor Unit Installation Diagram. Please wrap the insulated piping end to prevent water from going inside the piping.
- If drain hose or connecting piping is in the room (where dew may form), please increase the insulation by using POLY-E FOAM with thickness 6 mm or above.
HOW TO TAKE OUT FRONT GRILLE
- Pull down 3 caps at the bottom, then remove 3 mounting screws.
- Cling finger around screw area slot, pull the bottom plate downward until a click sound indicates hook is unleashed. Move the bottom plate forward carefully.
- Open front panel.
- Remove 3 mounting screws on the front grille.
- Slide the 3 lock knobs on the upside of front grille to unlock position.
- Set the upper vane to horizontal position. Set the lower vane to slightly below horizontal position.
- Pull the front grille towards you to remove the front grille.

AUTO SWITCH OPERATION
The below operations will be performed by pressing the “AUTO” switch.
- AUTO OPERATION MODE
The Auto operation will be activated immediately once the Auto Switch is pressed and release within 5 sec.. - TEST RUN OPERATION (FOR PUMP DOWN/SERVICING PURPOSE)
The Test Run operation will be activated if the Auto Switch is pressed continuously for more than 5 sec. to below 8 sec.. A “pep” sound will occur at the fifth sec., in order to identify the starting of Test Run operation.
- HEATING TRIAL OPERATION
Press the “AUTO” switch continuously for more than 8 sec. to below 11 sec. and release when a “pep pep” sound is occurred at eight sec. (However, a “pep” sound is occurred at fifth sec..) Then press Remote controller “AC Reset” button once. Remote controller signal will activate operation to force heating mode. - REMOTE CONTROLLER RECEIVING SOUND ON/OFF
The ON/OFF of Remote controller receiving sound can be change over by the following steps:- Press “AUTO” switch continuously for more than 16 sec. to below 21 sec.. A “pep”, “pep”, “pep”, “pep” sound will occur at the sixteenth sec..
- Press the “AC Reset” button once, “pep” sound will occur indicates that Remote controller receiving sound setting mode is activated.
- Press “AUTO” switch again. Every time “AUTO” switch is pressed (within 60 sec. interval), Remote controller receiving sound status will be reversed between ON and OFF.
Long “peep” sound indicates that Remote controller receiving sound is ON. Short “pep” sound indicates that Remote controller receiving sound is OFF.
HEATING ONLY OPERATION
- Use remote controller to set heating only operation. When the unit in standby mode, follow the steps below:
- Press continuously for more than 5 seconds to enter special setting mode.
- Press to choose function 61, and then press to set “01”
- Press SET to activate “Heating only operation”

CHECK THE DRAINAGE
- Open front panel and remove air filters. (Drainage checking can be carried out without removing the front grille.)
- Pour a glass of water into the drain tray Styrofoam.
- Ensure that water flows out from drain hose of the indoor unit.

OUTDOOR UNIT DRAIN WATER
- Water will drip from the baseman hole area during defrost function.
- To avoid water dripping, do not stand or place objects at this area.

EVALUATION OF THE PERFORMANCE
- Operate the unit at cooling/heating operation mode for fifteen minutes or more.
- Measure the temperature of the intake and discharge air.
- Ensure the difference between the intake temperature and the discharge is more than 8 °C during Cooling operation or more than 14 °C during Heating operation.

Note:
- During extremely cold winter, turn on the power supply and standby the unit for at least 15 minutes before test run. Allow suffi cient time to warm up refrigerant and prevent wrong error code judgement. 2
HOW TO REPLACE NETWORK ADAPTER
- Remove the front grille (refer how to take out front grille) from the unit.
- Remove the indicator piece by releasing the hook.
- Remove 1 mounting screw, then remove the network adaptor holder.
- After that, network adaptor can be easily replaced.
IN CASE OF REUSING EXISTING REFRIGERANT PIPING
Observe the followings to decide reusing the existing refrigerant piping. Poor refrigerant piping could result in product failure.
- In the circumstances listed below, do not reuse any refrigerant piping. Instead, make sure to install a new piping.
- Heat insulation is not provided for either liquid-side or gas-side piping or both.
- The existing refrigerant pipe has been left in an open condition.
- The diameter and thickness of the existing refrigerant piping does not meet the requirement.
- The piping length and elevation does not meet the requirement.
- Perform proper pump down before reuse piping.
- In the circumstances listed below, clean it thoroughly before reuse.
- Pump down operation cannot be performed for the existing air-conditioner.
- The compressor has a failure history.
- Oil color is darken. ( ASTM 4.0 and above ).
- The existing air-conditioner is gas/oil heat pump type.
- Do not reuse the fl are to prevent gas leak. Make sure to install a new fl are.
- If there is a welded part on the existing refrigerant piping, conduct a gas leak check on the welded part.
- Replace deteriorated heat insulating material with a new one.
Heat insulating material is required for both liquid-side and gas-side piping.
Proper Pump Down Method
CHECK ITEMS
- Is there any gas leakage at flare nut connections?
- Has the heat insulation been carried out at flare nut connection?
- Is the connection cable being fixed to terminal board firmly?
- Is the connection cable being clamped firmly?
- Is the drainage ok? (Refer to “Check the drainage” section)
- Is the earth wire connection properly done?
- Is the indoor unit properly hooked to the installation plate?
- Is the power supply voltage complied with rated value?
- Is there any abnormal sound?
- Is the cooling/heating operation normal?
- Is the thermostat operation normal?
- Is the remote control’s LCD operation normal?





































