nVent HOFFMAN Syspend 281-Max Suspension System Instruction Manual
industry standards
Maintains NEMA Type 12 and IEC IP65 enclosure rating when properly installed per nVent HOFFMAN instructions.

appLication
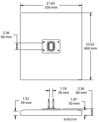
Variability in system configuration, advanced design and ease of assembly are key requirements when specifying an enclosure suspension system. The Syspend 281-Max features a modern industrial design, excellent ergonomics and multiple component combinations for an innovative system solution on a modular platform. At 3.3 ft. (1 m) the system supports up to 281 lb. (127.7 kg). Recommended for use with Syspend Aluminum HMI and Concept HMI enclosures.
features
- System supports up to 281 lb. and allows operators to easily move controls into and out of position
- Multiple modular components available to provide ergonomic, fatigue-free operation
- Clean lines and smooth transitions between tubes and system components provide attractive aesthetics and allow for ease of cleaning
- Tubing provides structural integrity and acts as equipment wiring conduit
- Vertical motion pedestal tubes provide versatile, heightadjustable solutions for pedestal mounting
- Secure attachment with sixfold positive connection between tubes and components along with recessed mounting areas in components; no additional safety drilling required
- Secure connections and easy adjustment of system alignment using tube setscrews, coated with LOCTITE, that seal threaded holes
- System design allows for user friendly readjustment at any time without disassembling the complete system
- Cable access covers available on all components
- Multiple tube lengths offer system design versatility
- Heavy-duty bearings in all movable joints for convenient, smooth operation and enhanced durability to withstand stresses of repeated use
- Variable torque adjustment available for all rotating components; general adjustment at the bearing with locking handle adjustment on enclosure couplings

specifications
- Silver anodized aluminum tubes
- RAL 9005 black die-cast aluminum components
- Gray composite cable access covers
- Oil-resistant neoprene gaskets
system Load capacity
The Syspend 281-Max load graph is the result of load capacity tests. Please contact nVent HOFFMAN for specific application information.
Load Diagram

Tubes

Angled aluminum tubes provide structural integrity and act as conduit for equipment wiring. Tubes attach to system components with 6 setscrews on each end of the tube. (Setscrews are provided with the mating system components, not the tubes.) Setscrews allow for easy adjustment and leveling of the system. Setscrews are provided with LOCTITE to seal threaded holes and provide secure connections.
Available in 8 standard lengths ranging from 250 mm to 2000 mm.
Tubes 750 mm and longer include drilling template to assist with drilling and tapping the holes when the tube is cut to length. Bulletin: CS4
| Catalog Number | L (mm) | L (in.) | Weight (lb.) |
| S2MT250 | 250 | 9.84 | 2.8 |
| S2MT500 | 500 | 19.68 | 5.4 |
| S2MT750 | 750 | 29.53 | 8.2 |
| S2MT1000 | 1000 | 39.37 | 11.0 |
| S2MT1250 | 1250 | 49.21 | 13.7 |
| S2MT1500 | 1500 | 59.05 | 16.5 |
| S2MT1750 | 1750 | 68.90 | 19.3 |
| S2MT2000 | 2000 | 78.74 | 22.0 |

TUBE ADAPTER$
Use a Tube Adapter when the tube is cut to length and it is not desirable to drill and tap new holes in the tube.
Adapter attaches to the tube with internal setscrews and provides mounting holes at the end where the tube was cut. RAL 9005 black finish.
Die-cast aluminum construction.
Includes installation instructions, gasket and hardware for attaching to the tube.
Bulletin: CS4

| Catalog Number | Weight (lb.) |
| S2MtA | 1.6 |

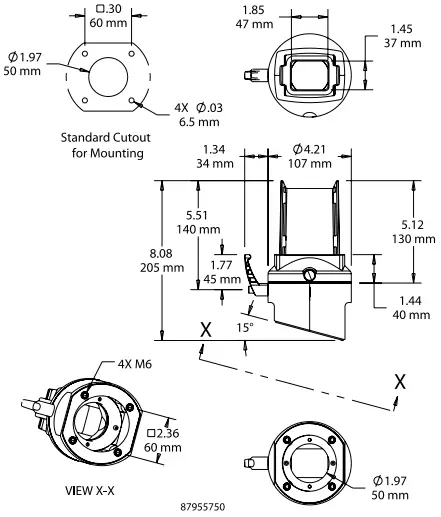
ANGLED COUPLING TILTED FORWARD

Use Angled Coupling Tilted Forward to mount enclosure at a 15-degree forward angle. Enclosure can be rotated 300 degrees and locked in position. Includes safety stop and maintenance-free bearing. RAL 9005 black finish. Die-cast aluminum construction. Includes installation instructions, gaskets, tube setscrews and enclosure mounting hardware.
Bulletin: CS4

| Catalog Number | Weight (lb.) |
| S2MACF | 3.7 |

FLANGE COUPLING

Flange Coupling attaches a tube to the enclosure, enabling 300-degree enclosure rotation. Enclosure can be locked in position. Flange Coupling has safety stop and maintenance- free bearing. RAL 9005 black finish. Die-cast aluminum construction. Includes installation instructions, gaskets, tube setscrews and enclosure mounting hardware.
BULLETIN: CS4

| Catalog Number | Weight (lb.) |
| S2MFC | 3.2 |
ANGLED COUPLING TILTED BACK

Use Angled Coupling Tilted Backward to mount enclosure at a 15-degree backward angle.
Enclosure can be rotated 300 degrees and locked in position.
Includes safety stop and maintenance-free bearing. RAL 9005 black finish. Die-cast aluminum construction. Includes installation instructions, gaskets, tube setscrews and enclosure mounting hardware.
Bulletin: CS4

| Catalog Number | Weight (lb.) |
| S2MACB | 3.7 |

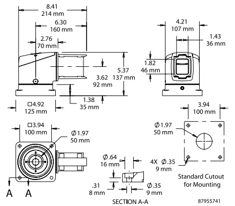
FLANGE ELBOW COUPLING

Flange Elbow Coupling attaches directly to the enclosure for applications where a vertical tube is not required. Enables enclosure to be rotated 300 degrees and locked in position. Includes safety stop and maintenance-free bearing. RAL 9005 black finish. Die-cast aluminum construction. Includes cable access cover, installation instructions, gaskets, tube setscrews and enclosure mounting hardware.
Bulletin: CS4

| Catalog Number | Weight (lb.) |
| S2MFeC | 4.6 |

BASE COUPLING

Base Coupling attaches the enclosure directly to a horizontal surface. Enclosure can be rotated 300 degrees and locked in position. Includes safety stop and maintenance-free bearing. RAL 9005 black finish. Die-cast aluminum construction. Includes installation instructions, gaskets and enclosure mounting hardware. Surface mounting hardware not provided.
Bulletin: CS4

| Catalog Number | Weight (lb.) |
| S2MBC | 4.7 |

ANGLED ADAPTER, STEPLESS 30 DEGREES

Angled Adapter must be used in conjunction with a coupling (not compatible with S2MFC48).
Enclosure angle can be adjusted forward or backward up to 30 degrees. RAL 9005 black finish.
Die-cast aluminum construction. Includes installation instructions, gasket and enclosure mounting hardware.
Maximum load bearing capacity is 67 lb. (30.4 kg).
Bulletin: CS4

| Catalog Number | Weight (lb.) |
| S2MAA | 4.1 |

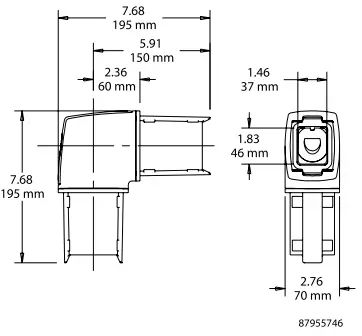
ELBOW

Elbow provides a 90-degree bend in the suspension system. RAL 9005 black finish. Die-cast aluminum construction. Includes removable cable access cover, installation instructions, gaskets and tube setscrews.
Bulletin: CS4

| Catalog Number | Weight (lb.) |
| S2Me | 3.7 |

ROTATABLE ELBOW

Rotatable elbow provides a 90-degree bend in the suspension system and allows the vertical tube to rotate 300 degrees. Includes safety stop and maintenance-free bearing. RAL 9005 black finish. Die-cast aluminum construction.
Includes removable cable access cover, installation instructions, gaskets and tube setscrews.
Bulletin: CS4

| Catalog Number | Weight (lb.) |
| S2MeR | 5.4 |

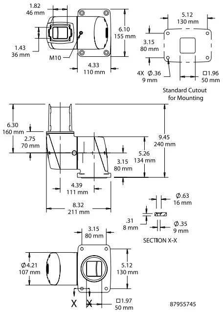
INTERMEDIATE JOINT

Use Intermediate Joint to join two horizontal tubes together for a longer run. Arm can be rotated or turned 300 degrees. Includes safety stop and maintenance-free bearing.
RAL 9005 black finish. Die-cast aluminum construction. Includes two removable cable access covers, installation instructions, gaskets and tube setscrews.
Use of the Intermediate Joint reduces the system load capacity to 179 lb. (81.2 kg) at 3.3 ft. (1 m).
Bulletin: CS4

| Catalog Number | Weight (lb.) |
| S2MiJ | 6.5 |

SET-UP JOINT

Set-Up Joint mounts suspension system to a horizontal surface.
Arm can be rotated or turned 300 degrees. Includes safety stop and maintenance-free bearing. RAL 9005 black finish. Die-cast aluminum construction. Includes removable cable access cover, installation instructions, gaskets and tube setscrews. Surface mounting hardware not provided.
Bulletin: CS4

| Catalog Number | Weight (lb.) |
| S2MSJ | 5.0 |

VERTICAL WALL JOINT

Vertical Wall Joint mounts suspension system to vertical surface and allows tube to extend vertically. Enables arm to be rotated or turned 300 degrees. Includes safety stop and maintenance-free bearing. RAL 9005 black finish. Die-cast aluminum construction.
Includes removable cable access cover, installation instructions, gaskets and tube setscrews. Surface mounting hardware not provided.
Bulletin: CS4

| Catalog Number | Weight (lb.) |
| S2MWJV | 5.4 |

HORIZONTAL WALL JOINT

Horizontal Wall Joint mounts suspension system to vertical surface, allowing tube to extend horizontally. Arm can be rotated or turned 300 degrees. Includes safety stop and maintenance-free bearing.
RAL 9005 black finish. Die-cast aluminum construction. Includes two removable cable access covers, installation instructions, gaskets and tube setscrews. Surface mounting hardware not provided.
Bulletin: CS4

| Catalog Number | Weight (lb.) |
| S2MWJH | 6.4 |

WALL FLANGE

Wall Flange allows for fixed positioning on a horizontal or vertical surface when rotation is not needed. RAL 9005 black finish.
Die-cast aluminum construction.
Includes installation instructions, gaskets and tube setscrews. Surface mounting hardware not provided.
Bulletin: CS4

| Catalog Number | Weight (lb.) |
| S2MWF | 2.8 |

ROTARY BASE

Rotary Base allows the entire suspension system to rotate at the point of attachment on a horizontal surface. Arm can be rotated or turned 300 degrees. Includes safety stop and maintenance-free bearing.
RAL 9005 black finish. Die-cast aluminum construction. Includes installation instructions, gaskets and tube setscrews. Surface mounting hardware not provided.
Bulletin: CS4

| Catalog Number | Weight (lb.) |
| S2MRB | 3.9 |

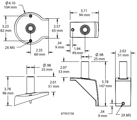
48-MM ROUND TUBE FLANGE COUPLING AND ADAPTER

Use Flange Coupling to attach the Vertical Motion Pedestal Tube to the enclosure. Enclosure can be rotated 300 degrees and locked in position. Includes safety stop and maintenance-free bearing. RAL 9005 black finish. Die-cast aluminum construction. Includes installation instructions, gaskets and enclosure mounting hardware.
Coupling attaches to enclosure using a 48 x 48-mm hole pattern. An adapter is required to attach the coupling to a standard nVent HOFFMAN HMI enclosure that uses a 60 x 60-mm hole pattern (i.e., required for attaching to Concept HMI, CC2000, CC4000). Includes safety stop and maintenance-free bearing. RAL 9005 black finish. Die-cast aluminum construction. Includes installation instructions, gaskets and enclosure mounting hardware.
Bulletin: CS4
![]()
| Catalog Number | Description | Weight (lb.) |
| S2MFC48 | Flange Coupling (Requires use of S2MA48 for enclosure with 60 x 60-mm hole pattern) | 3.9 |
| S2MA48 | Adapter | 0.2 |

VERTICAL MOTION PEDESTAL TUBES

Height-adjustable tubes allow enclosure to be positioned at the optimal viewing height for different operators. Requires the 48-mm Round Tube Flange Coupling (S2MFC48) and Adapter (S2MA48) for attachment to Hoffman enclosures with a 60 x 60-mm hole pattern (i.e., required for attaching to Concept HMI, CC2000, CC4000).
- Adjustable from 1130 mm (44.49 in.) to 1380 mm (54.33 in.) with internal gas springs
- Four models support loads ranging from 11 to 77 lb. (4.9 to 34.9 kg)
- Height is fixed in place at any position by locking handle
- Cables are separated from gas springs inside the tube
- Internal strain-relief for cables inside the tube
- Can be attached to Small Pedestal Base, Large Pedestal Base, Vertical Wall Joint, Wall Flange, Rotary Base, Elbow or Rotatable Elbow
- Aluminum construction
Tube cannot be inverted for overhead mounting on the enclosure.
The weight of the coupling, adapter plate, enclosure and internal components must be factored into the load when selecting a tube.
Bulletin: CS4

| Catalog Number | L Max. mm/in | L Min. mm/in. | Load Capacity | Weight (lb.) |
| S2M10VP22 | 350 13.78 | 100 3.94 | 11-22 lb. | 15.5 |
| S2M10VP37 | 350 13.78 | 100 3.94 | 22-37 lb. | 15.5 |
| S2M10VP57 | 350 13.78 | 100 3.94 | 37-57 lb. | 15.5 |
| S2M10VP77 | 350 13.78 | 100 3.94 | 57-77 lb. | 15.5 |

VERTICAL MOTION PEDESTAL TUBE LOAD CHART

When using a Vertical Motion Pedestal the overall system load is limited to the load capacity of the Vertical Motion Pedestal.
SMALL PEDESTAL BASE

Tubes attach directly to Small Pedestal Base. RAL 9005 black finish. Constructed from 3/8-in. thick steel plate. Includes installation instructions, cable ties and tube setscrews. Surface mounting hardware not provided.
Supports loads per Load Rating Graph.
Bulletin: CS4
| Catalog Number | Weight (lb.) |
| S2MPBS | 29.1 |

LARGE PEDESTAL BASE

Tubes attach directly to Large Pedestal Base. RAL 9005 black finish. Cast aluminum construction.
Includes installation instructions and tube setscrews. Surface mounting hardware not provided.
Supports loads per Load Rating Graph.
Bulletin: CS4
| Catalog Number | Weight (lb.) |
| S2MPBl | 25.7 |

LIGHT SIGNAL ADAPTERS

Light Signal Adapters are available in either round or elbow cover versions and provide a means for attaching signal lights. Signal lights are not included. Gray composite cover caps include a gasket, attachment hardware and post and replace the caps provided with other system components.
Bulletin: CS4

| Catalog Number | Description | Weight (lb.) |
| S2MlSAR | Round Cover | 0.3 |
| S2MlSAe | Rectangular Cover | 0.3 |

ROTATION LIMITERS

Rotation limiters can be retro-fit on coupling and joint components and are adjustable in increments of 13.7 degrees. Limits rotation of couplings and joints which nornally rotate 300 degrees. Kit includes ten steel balls, plug and installation instructions.
Bulletin: CS4
| Catalog Number | Weight (lb.) |
| S2MRl 0.1 | 0.1 |
TUBE HOLE PLUGS

Plastic hole plugs cover up the set screws in the tubes. Kit includes 50 hole plugs. Hole plugs are not needed to maintain the suspension system’s NEMA Type 12 rating but provide an attractive smooth finish for the tube. Gray RAL 9006 color.
Bulletin: CS4
| Catalog Number |
| S2MtHP |
SYSTEM CONFIGURATIONS
Note to Specifier:
Select suspension system sizing using the Syspend 281-MAX load capacity chart.
- Tube catalog numbers are not included in configuration tables.
- There are multiple configurations possible with many of the options shown. Components can be inverted in all cases except for Vertical Motion Pedestal Tube. For illustration purposes, configuration A shows how components can be inverted or used with varying enclosure couplings.
- When using Vertical Motion Pedestal the overall system load is limited to load capacity of Vertical Motion Pedestal.
- No tube section used vertically should exceed 59.05 inches (1500 mm).













References
Syspend 281-Max Vertical Motion Pedestal Tube, 11-22 lb. capacity, Anodized, AL S2M10VP22 | nVent
Syspend 281-Max Vertical Motion Pedestal Tube, 22-37 lb. capacity, Anodized, AL S2M10VP37 | nVent
Syspend 281-Max Vertical Motion Pedestal Tube, 37-57 lb. capacity, Anodized, AL S2M10VP57 | nVent
Syspend 281-Max Vertical Motion Pedestal Tube, 57-77 lb. capacity, Anodized, AL S2M10VP77 | nVent
Syspend 281-Max 48mm Round Tube Coupling Adapter, .6x3.15x3.15, Black, Aluminum S2MA48 | nVent
Syspend 281-Max Angle Adapter Stepless 30-Deg, 6.22x5.12x4.41, Black, Aluminum S2MAA | nVent
Syspend 281-Max Angle Coupling Tilted Back, 8.15x4.33x4.33, Black, Aluminum S2MACB | nVent
Syspend 281-Max Angle Coupling Tilted Forward, 8.15x4.33x4.33, Black, Aluminum S2MACF | nVent
Syspend 281-Max Base Coupling, 5.00x5.00x5.20, Black, Aluminum S2MBC | nVent
Syspend 281-Max Elbow, 7.76x7.76x2.83, Black, Aluminum S2ME | nVent
Syspend 281-Max Rotatable Elbow, 9.21x8.50x4.33, Black, Aluminum S2MER | nVent
Syspend 281-Max Flange Coupling, 4.33x4.33x6.65, Black, Aluminum S2MFC | nVent
Syspend 281-Max 48mm Round Tube Flange Coupling, 5.00x3.15x3.15, Black, Aluminum S2MFC48 | nVent
Syspend 281-Max Flange Elbow Coupling, 8.43x4.33x5.47, Black, Aluminum S2MFEC | nVent
Syspend 281-Max Intermediate Joint, 12.68x8.03x4.33, Black, Aluminum S2MIJ | nVent
Syspend 281-Max Signal Light Adapter Elbow, 4.65x4.65x2.05, Gray, Plastic S2MLSAE | nVent
Syspend 281-Max Signal Light Adapter Round, 4.65x4.65x2.05, Gray, Plastic S2MLSAR | nVent
Syspend 281-Max Small Pedestal Base, 15.83x15.83x4.41, Black, Steel S2MPBS | nVent
Syspend 281-Max Rotary Base, 5.00x5.00x6.69, Black, Aluminum S2MRB | nVent
Syspend 281-Max Rotation Limiter, .39x.39x.39, Gloss, Steel S2MRL | nVent
Syspend 281-Max Set-Up Joint, 8.86x5.00x5.47, Black, Aluminum S2MSJ | nVent
Syspend 281-Max Tube 1000mm, 3.54x2.76x39.37, Anodized, Aluminum S2MT1000 | nVent
Syspend 281-Max Tube 1250mm, 3.54x2.76x49.21, Anodized, Aluminum S2MT1250 | nVent
Syspend 281-Max Tube 1500mm, 3.54x2.76x59.05, Anodized, Aluminum S2MT1500 | nVent
Syspend 281-Max Tube 1750mm, 3.54x2.76x68.90, Anodized, Aluminum S2MT1750 | nVent
Syspend 281-Max Tube 2000mm, 3.54x2.76x78.74, Anodized, Aluminum S2MT2000 | nVent
Syspend 281-Max Tube 250mm, 3.54x2.76x9.84, Anodized, Aluminum S2MT250 | nVent
Syspend 281-Max Tube 500mm, 3.54x2.76x19.68, Anodized, Aluminum S2MT500 | nVent
Syspend 281-Max Tube 750mm, 3.54x2.76x29.53, Anodized, Aluminum S2MT750 | nVent
Syspend 281-Max Tube Adapter, 4.02x2.83x5.51, Black, Aluminum S2MTA | nVent
Syspend 281-Max Tube Hole Plugs, 3.94x5.91x0.00, White, Plastic S2MTHP | nVent
Syspend 281-Max Wall Flange, 5.12x5.12x5.59, Black, Aluminum S2MWF | nVent
Syspend 281-Max Horizontal Wall Joint, 9.53x6.18x8.43, Black, Aluminum S2MWJH | nVent
Syspend 281-Max Vertical Wall Joint, 9.61x6.18x5.35, Black, Aluminum S2MWJV | nVent
We connect and protect | nVent
















