ONGUARD
EMERGENCY PHONE
MODEL: OGC-7600NA-H
USER MANUAL
2021-7-15
VERSION 1-2
Product Introduction
ONGUARD model no OGC-7600NA-H Emergency Phone is an LTE emergency phone. The phone covers LTE bands worldwide and can be installed and operated in most countries globally wise. The phone has a built-in recorder allowing the operator to pre-record the phone location address to be announced to the emergency operator when an emergency call is placed. The phone can be charged by either a 12 to 24v transformer or a 5.5v solar panel. It also comes with a lithium battery which can stand up for 5 working days during power failure. The phone is also programmable through the dial pad and new software is downloadable through RS232 from PC/Laptop to the phone.
The motherboard Introduction
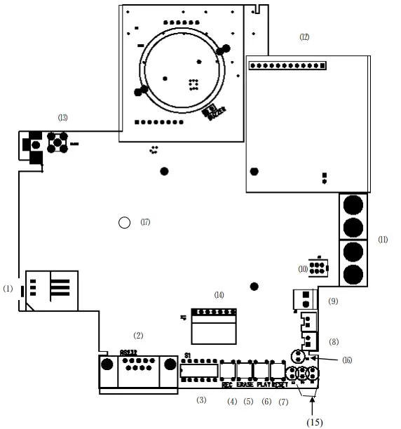
2.1 Appearance 
2.2 Terminal Description
| 1. SIM Card 2. RS-232 9 pin 3. 6×1 DIP switches 4. Record button 5. Erase button 6. Play button 7. Reset button 8. External play button | 9. Hookswitch 10. Carbon Type / electronic selector switch terminals 11. Handset terminal 12. Power board connector 13. Antenna terminal 14. Key pay wire terminal 15. GSM signal LED 16. Power LED 17. Record/play LED |
2.3 Install
- Install SIM Card, SIM card must be inserted or removed when power off.
Note: The phone can dial 911 without a SIM card. If no SIM card is required, proceed to
step 2: - Connect the 3.7V lithium battery wire into the power board socket
- Install either a 12V to 24V DC power transformers or a 5.5V solar power panel, connect the power cable to the power board socket that shows ﹢﹣, and then tighten the screws.
- The phone must be grounded for safety reasons, connect the grounding cable into the ground position, insert the screws and then tighten the screws.
3. Functions
3.1 Memory dial
- Auto dial 1 group
- Direct-dial 10 groups
- Speed dial 10 groups
- Forward dial 4 groups
3.2 Message Record /Erase/ playback/Auto Playback
- Recording
- Erase
- playback
- Auto playback
3.3 Call functions
- Answer
- Auto Dial
- Direct Dial
- Speed Dial
- Forward Dial
3.4 Setup
- Password Setup
- Memory Dial setup
Phone operations
4.1 Message Recording/Erase/Playback/Auto Playback
(Must enter Setup Mode first, turn off dipswitch 4 to off position, then enter factory default password “9999” or your new password to enter SETUP mode)
- To Record:
Press the “RECORD” button, hear 2 BEEP sounds, and the LCD light will be on, start recording your message (maximum 120 seconds), press the "RECORD" button again when finish recording, you will hear 2 BEEP sounds and the LCD light will be off. - To Erase:
Press the “ERASE” button if you don’t like what you just recorded, you will hear 2 BEEP sounds and the LCD light will flash twice then flash 7 times after message being erased. - To Playback:
Press the “PLAY” button, the LCD light will flash and you will hear what you just recorded
Note: You can also press the RED button on the front panel of the phone to play your recorded message or dial **911# on the front panel of the phone to play the recorded
message.
- Auto Message play:
With DIP switch NO 2 switched to the “OFF” position, the phone will auto-play the recorded message when the 911 operator answers the emergency call.
6×1 DIP Switc
- Switch 1 and 3: “ON” position for normal operation, “OFF” position for PC/laptop download to the board through the RS232 connection.
- Switch 2: “ON” position to turn on incoming call ringer, “OFF” position to mute incoming call ringer.
- Switch 4: “ON” position for normal operation, “OFF” position to enter SETUP mode
- Switch 5: “OFF” position for AUTO PLAY the recorded message when 911 operator answers the call, “ON” position for No Auto Play
- Switch 6: not in use
4.3: Mike Switch
Switch to left position “C” for Carbon handset mike, switch to right position “E” for Electronic handset mike.
4.4: Callout
- 911 Emergency Call
Pick up the handset, hear a dial tone, dial 911, the phone will connect to the 911 emergency operator - Auto dial
Pickup handset, hear the dial tone, dial the single-digit Auto Dial number such as“0”, the phone will dial out the destination number that you have set up in the “AUTO DIAL” mode corresponding to“0” - Direct-dial
Pickup handset, hear the dial tone, dial the Direct Dial number, the phone will dial out the number if it is one of the Direct Dial numbers that you have set up in the “Direct Dial” mode - Speed dial:
Pick up the handset, hear the dial tone, enter the short key number such as *0, the phone will dial out the destination number from what you have stored in the speed dial mode corresponding to*0 - Forward Dial:
Pick up the handset, hear the dial tone, dial one of the originating numbers such as 911, the phone will forward the call to the corresponding destination number that you have stored in the “Forward Dial” mode.
4.5 LED lights indication
- Power LED lights: indicate system power status
- Record / Erase/Play LED lights: indicate record, erase or play status
- GSM signal LED lights: indicate GSM signal strength level
3 LED lights on the strong signal level
2 LED lights on the medium signal level
1 LED light on the low signal level
Setup
5.1:Command X: Entering Setup Mode
- Turn Dipswitch No 4 to “off” position
- Pickup handset, hear one beep sound
- If this is your FIRST TIME setup, enter the factory default password which is 9999, and hear a long beep. You are now ready to do the following setup command
- If you have already set up a new password, enter your password XXXX and hear a long beep, you are now ready to do the following setup commands.
Command 0: Password Setup and Delete
5.2.1 Command 0-1: Password Setup
- Example: If you wish to use 1234 as your new password, enter 0*0*1234# and hear a long beep (long beep means successful setup). Your password has been changed to 1234. If you hear a busy tone( busy tone means unsuccessful setup), hang up the handset and repeat Command X and Command 0-1until you hear a long beep.
5.2.2: Command 0-2: Delete New Password
- If you are already in Setup Mode, enter 0***#, hear a long beep, your new password will be deleted, and returns to factory default password 9999.
- If you are not in Setup Mode, repeat command X to enter Setup Mode, then enter 0***# , hear a long beep, your new password will be deleted, and go back to factory default password 9999.
Note 1: upon finishing all your successful setups, the dipswitch NO.4 needs to be turned to ON position in order for normal operation.
Note 2: At any time during setup commands, if you hear a busy tone and did not hear a long beep, repeat Command X and continue with your setup until you hear a long beep.
Command 1: Auto Dial
5.3.1: Command 1-1: Setup Auto Dial
The Auto Dial allows for 0 dials to be auto-dialed to a corresponding destination number.
Example:
If you are already in Setup Mode and If you wish to set up 0 to be auto-dialed to 18884663669, enter 1*0*18884663669#. When in normal operation mode, if you dial 0, the phone will dial 18884663669
If you are not set up Mode, repeat Command X and then enter 1*0*18884663669#. When in normal operation mode, if you dial 0, the phone will dial to 18884663669
5.3.2: Command 1-2: Delete auto-dial setups
- If you are already in Setup Mode, enter 1***#, hear a long beep, all your Auto Dial setups will be deleted
- If you are not in Setup Mode, repeat command X to enter Setup Mode, then enter 1***# , hear a long beep, all your Auto Dial setups will be deleted
Command 2: Direct dial Setup & Delete
5.4.1: Command 2-1: Setup Direct Dial Numbers
- You can set up 10 sets of direct dial numbers. After successful setup, only these 10 sets of numbers will be allowed for dial-out
Example 1:
If you are already in setup mode and you wish to set up 911 to be allowed for dial out. Enter 2*0*911#
If you are not in setup mode, repeat command x, and enter 2*0*911#
Example 2:
2*1*411 to allow 411 to be dialed out
Example 3:
2*2*188003334444# to allow 18003334444 to be dialed out
Continue to set up other numbers you wish to be allowed to dial out with 2*3 to 2*9 commands.
5.4.2: Command 2-2: Delete Direct Dial Numbers
- If you are already in Setup Mode, enter 2***#, hear a long beep, all your Direct dial Setup Numbers will be deleted
- If you are not in Setup Mode, repeat command X to enter Setup Mode, then enter 1***# , hear a long beep, all your direct dial Setup Numbers will be deleted.
Command 3:Speed Dial Numbers
5.5.1: Command 3-1: Setup Speed Dial Numbers
- Command 3-1 allows for setup 10 groups of speed dial numbers from *0 to *9
Example 1:
If you are already in setup mode and you wish to set up *0 to be speed dialed to 17132228888. Enter 3*0*17132228888#
If you are not in setup mode, repeat command x, and enter 3*0*17132228888#
Example 2
3*1*12143336666# allows *1 to be speed dialed to 12143336666 Continue to setup *2 to *9 same formats as above
5.5.2: Delete Speed Dial Numbers
- If you are already in Setup Mode, enter 3***#, hear a long beep, All your Speed Dial Setup Numbers will be deleted
- If you are not in Setup Mode, repeat command X to enter Setup Mode, then enter 3***# , hear a long beep, all your speed dial Setup Numbers will be deleted .
5.6: Command 4: Setup Inter-Digit Dial Time Wait Time
This command is for setup the wait time seconds from 3 to 9 seconds (Factory Default is 6 seconds) after each number is dialed on the phone for normal operation. For example, if the wait time is 5 seconds, the phone will wait for 5 seconds after each number is dialed. If the user dials a 10 digit number very fast, the phone will wait for 5 seconds at the end of the number string and then dial out the number.
5.6.1: Command 4-1: Setup Inter-Digit Dial Out Wait Time
If you are already in Setup Mode, set up according to the following example. If you are not in setup mode, repeat command X, and then set up according to the following examples:
Example:
4*0*3# To setup Dial Out wait time to be 3 seconds
4*0*4# To setup Dial Out wait time to be 4 seconds
4*0*9# To setup Dial Out wait time to be 9 seconds
5.6.2:Command 4-2: Delete Inter-Digit Wait Time Setup
- If you are already in Setup Mode, enter 4***#, hear a long beep, your Inter-Digit Wait Time setup will be deleted and returns to factory default setting 6 seconds
- If you are not in Setup Mode, repeat command X to enter Setup Mode, then enter 4***# , hear a long beep, your Inter-Digit Wait Time setup will be deleted and returns to factory default setting 6 seconds.
5.7: Command 6: Forward Dial
This command allows 4 special groups of numbers (6*0 to 6*3 )to be forwarded to another destination number. These 4 special numbers being forwarded are: 911, *911, *091, and *0987654321. And you can set up any destination number for each of these 4 numbers.
5.7.1: Command 6-1: Setup Forward Dial
If you are already in Setup Mode, set up according to the following example. If you are not in setup mode, repeat Command C, and then set up according to the following examples:
Example: 6*0 For 911 6*0*911*17132223333# will forward 911 call to 17132223333
Example: 6*1 For *911 6*1**911*18002223333# will forward *911 call to 18002223333
Example: 6*2 For *091 6*2**091*18884446666# will forward *091 calls to 18884446666
Example: 6*3 For *0987654321 6*3**0987654321*911# will forward *0987654321 call to 911
NOTE: Need to remove 911, *911, *091, *0987654321 from Direct Dial List otherwise the phone will take DIRECT DIAL LIST as a priority
5.7.2: Command 6-2: Delete Forward Call Setup
- If you are already in Setup Mode, enter 6***#, hear a long beep, All your Forward Dial Setup Numbers will be deleted
- If you are not in Setup Mode, repeat command X to enter Setup Mode, then enter 6***#, hear a long beep, all your forward dial Setup Numbers will be deleted.
5.8: Command 8: to turn on/off-mike & to turn on/off ringtone detection
Command 8*0 is to turn on/off-mike when the recorded message is auto-played to the 911 operator.
when a call is being answered by a 911 operator (the default is off when the message is being played).
8*0*0# TURN MIKE “OFF” WHEN PLAYING RECORDING
8*0*1# TURN MIKE “ON” WHEN PLAYING RECORDING
Command 8*1 is to turn on/off the ringtone detection when calling the 911 operator. The default is off.
8*1*0# RINGTONE DETECTION “OFF” (FOR NORMAL LOCATIONS)
8*1*1# RINGTONE DETECTION “ON” (FOR FORWARDING LOCATIONS)
Warning:
Changes or modifications not expressly approved by the party responsible for compliance could void the user’s authority to operate the equipment.
NOTE: THE MANUFACTURER IS NOT RESPONSIBLE FOR ANY RADIO OR TV INTERFERENCE CAUSED BY UNAUTHORIZED MODIFICATIONS TO THIS EQUIPMENT.SUCH MODIFICATIONS COULD VOID THE USER’S AUTHORITY TO OPERATE THE EQUIPMENT.
NOTE: This equipment has been tested and found to comply with the limits for a Class B digital device, pursuant to part 15 of the FCC Rules. These limits are designed to provide reasonable protection against harmful interference in a residential installation. This equipment generates, uses, and can radiate radio frequency energy and, if not installed and used in accordance with the instructions, may cause harmful interference to radio communications. However, there is no guarantee that interference will not occur in a particular installation. If this equipment does cause harmful interference to radio or television reception, which can be determined by turning the equipment off and on, the user is encouraged to try to correct the interference by one or more of the following measures:
—Reorient or relocate the receiving antenna.
—Increase the separation between the equipment and receiver.
—Connect the equipment into an outlet on a circuit different from that to which the receiver is connected.
—Consult the dealer or an experienced radio/TV technician for help.
This equipment complies with FCC RF radiation exposure limits set forth for an uncontrolled environment. This device and its antenna must not be co-located or operating in conjunction with any other antenna or transmitter. To comply with FCC RF exposure compliance requirements, this grant is applicable to only Mobile Configurations. The antennas used for this transmitter must be installed to provide a separation distance of at least 20 cm from all persons and must not be co-located or operating in conjunction with any other antenna or transmitter.



















