Envirovent EBB Extractor Fan Installation

OverView
EBB CENTRIFUGAL EXTRACTOR
EBB series extractors have been manufactured according to strict production and quality control standards such as ISO 9001. All the components have been verified and all the devices have been tested following assembly.
We recommend you to check the following points when you receive this extractor:
- Make sure you have received the right model
- Make sure that the data on the nameplate are appropriate to your needs: voltage, frequency, speed. etc.
SAFETY RECOMMENDATIONS
The installation must be carried out in accordance with current regulations in each country.
- The installation must be carried out by a qualified professional.
- The electrical installation must incorporate an omnipolar switch with an opening between contacts of at least 3 mm, appropriate for the load and complying with current standards.
- In bathrooms, the device must be installed outside the reach of any person taking a shower or a bath and the switch must be installed outside the bathroom.
- Do not use these fans in explosive or corrosive atmospheres. If the EBB is working in a kitchen where there is a boiler or any other kind of combustion device that needs air to work, check that the air inlets to the kitchen are sufficient.
- The extractor discharge cannot be connected to a conduit for the evacuation of smoke from devices worked by gas or any other fuel
- In the event of considerable humidity, you are advised to install the discharge conduit horizontally, with a slight outwards slant.
INSTALLATION
IMPORTANT: Before proceeding with the installation and connection of the device, make sure to disconnect the electricity supply.
Figure 1A:
- Front cover
- Fanbody
- Front cover clip
- Base frame
- Connections cover
- Slots
- Retainers
- Deflector
- Discharge flange
- EBB series fans must be installed in an area that is sheltered from meteorological conditions; they can be assembled either in a vertical or horizontal positions.
- The extractor is designed to be connected to a 100-mm diameter conduit
- Before assembling the device, check that the turbine rotates freely.
For your extractor to work more efficiently:
- -Do not use conduits whose diameter is less than 100 mm
- If a flexible conduit is used, stretch it out fully
- Do not place elbows right at the extractor discharge
- Elbows should have as large a radius as possible
Surface Assembly
- Make a 105-mm diameter hole in the wall or ceiling, making sure that the device fits in the area you have planned for it.
- Remove the front cover
- of the fan body
- pressing the dips
- carefully with a small screwdriver (fig.1 B).
- The fan body (2) is secured to the base frame by means of 4 screws and 3 flanges. To dismantle it, remove the 4 screws from the comers and open the 3 flanges (7) by introducing a small screwdriver through the slots (6).
- Using 4 screws and plugs that are appropriate for the kind of wall, fix the base frame (4) onto the surface, ensuring that the circular profile of the frame coincides with the opening made, so that the discharge nozzle can be introduced easily subsequently.
- Open the connections cover (5) of the fan body and pass the cable through the hole provided for this purpose on the bottom of the terminal box.
- Reassemble the fan body (2) onto the base frame (4) by introducing it into the flanges and securing it with the 4 screws.
- Connect to the terminals passing the cable through as indicated in the figure. 3.
- Follow the electrical diagram applying to the EBB version that is being installed (fig. 5 to 8).
- Close the connections cover (5) with the screw.
- 10. Assemble the front cover (1) again, pressing the upper and lower clips and pressing each corner down to ensure that it fits properly in place. Tum the extractor on to check that it works properly.
Built-in assembly {fig. 2B):
- Use the template to mark and cut the panel into which the device will be installed. Read the instructions given on the template carefully.
- Follow steps 1, 2, and 3 of the Surface Assembly Instructions.
- With built-in assembly, the discharge can be directed towards the side (fig. 4 ). To do this, remove the discharge flange (3). Cut the deflector (8) completely and put the discharge flange back in the desired direction.
- Open the connections cover (5) and pass the cable through the hole provided for this purpose on the bottom of the terminal box.
- Connect a 100-mm diameter tube to the discharge flange (9).
- Secure the fan body (2) using 4 screws and plugs that are appropriate for the kind of surface.
- Connect to the terminals, passing the cable through as indicated in figure 3.
- Follow the electrical diagram applying to the EEB version that is being installed (fig. 5 to 8)
- Close the connections cover (5) with the screw.
- Assemble the front cover (1) again by tightening the upper and lower clips and pressing each comer to ensure that it fits properly in place.
- Switch the extractor on to check that it is working properly.
ELECTRICAL CONNECTION (fig. 5to 8)


- Before working on the fan, make sure that it is fully disconnected from the electricity supply, even if it is switched off.
- Make sure that the voltage and frequency values of the electricity supply are the same as those indicated on the name plate of the device (maximum voltage and frequency variation: 5%).
- EBBs are class II (double insulation) devices and do not require an earth connection
- Follow the connections diagram applying to the version installed
EBB version “S”
Basic version with two-speed motor, which can also be voltage regulated. For this model proceed according to one ofthe following diagrams:
- Fig. 5A- Single-speed operation with an independent switch.
- Fig. 5B- F Single-speed operation using the same switch as the light
- Fig. 6A- 2-speed operation with a switch
- Fig. 6B- Operation with an REB-type voltage regulator
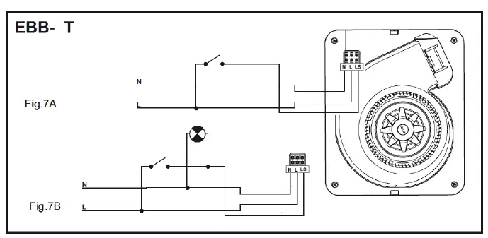
EBB version “T”
Models equipped with adjustable timing. The timing enables the device to operate for the time set when the switch has been turned off (fig. 7 A). In timer mode, the EBB operates at a slow speed.
ATTENTION: The device is timed to start up 50 seconds after being switched on, which means that for the first 50 seconds it does not work.
- Fig. 7B Timer-based operation so that the device starts up by means of the same switch as the light.
- To set this timer function (fig. 9A), tum the potentiometer situated beside the connections cover(5).
- The device can be set to 4 different timer positions:
Auto Position:
- If the device is used for less than 50 seconds, the timing will not come into operation
- If the device is used for more than 50 seconds the timing is controlled automatically by the device. It is proportional to the time of use (time of use/ x 2, with a maximum of 30 minutes).
- Position 2′: Timing set to 2 minutes
- Position 15′: Timing set to 15 minutes
- Position 30′: Timing set to 30 minutes
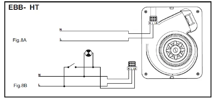
EBB version “HT”
Models equipped with an electronic humidistat that can be regulated between 60 and the 90% RH (Relative Humidity %) and with timing that can be set between 1 and 30 minutes.
When in the timer mode the EBB works at a slow speed.
Recommendations:
- In order to modify the factory settings, the potentiometers situated beside the connections cover (fig. 9B) will have to be operated. These potentiometers are fragile and must be handled with care.
- For correct humidity detection, the device must be installed in an area in which there is good air circulation.
- Do not change the humidity setting outside the area in which the device is installed.
settings:
The extractors are preset to 60% RH for humidity and 1 minute for timing.
- If the humidity level in the area is below 60% RH, the extractor will not startup.
- If the humidity level in the area is above 60% RH, the extractor will start up automatically.
- If the humidity level is always above 90% RH the extractor will operate constantly.
- If you wish to modify the settings; that is, maintain a humidity level of over 60% RH in the area, tum the “%Hr potentiometer clockwise.
- If you wish to increase the timer setting; that is, increase the time during which the extractor operates once the humidity level is under the set level, tum the potentiometer “T min.” clockwise.
ATTENTION: You should not attempt to adjust the extractor settings when the extractor is in timer mode. You must wait until the set time has elapsed before adjusting the settings.
Operation
- Case 1: In automatic working mode (fig. 8A) the device switches on automatically at a fast speed when the humidity level in the area is above the selected value. It stops when the humidity level drops below this value and when the time set by the timer has elapsed. When the device is in timer mode, it works at a slow speed.
- Case 2: Automatic operation with the possibility of turning on the device by means of the light switch (fig. 8B). Automatic operation similar to case 1 but with the device will startup even if the humidity level in the area is below the set value. In this case, when the switch is turned off (the light is switched off), the device continues to operate at a slow speed for the length of time set by the timer.
ATTENTION: When the relative humidity level in the area is above the set value, automatic operation prevails over manual operation; that is, the device cannot be turned off by means of the switch.
USER INSTRUCTION
This appliance can be used by children aged 8 years and above and persons with reduced physical, sensory or mental capabilities or lack of experience and knowledge if they have been given supervision or instruction concerning the use of the appliance in a safe way and understand the hazards involved. Children shall not play with the appliance. Cleaning and user maintenance shall not be made by children without supervision.
TECHNICAL ASSISTANCE
Should you observe any anomaly in the operation of the device, contact an officially authorized service or the seller of the product. If the device is handled by persons who are not authorized by S&P, the guarantee will be canceled. (S&P reserves the right to make changes without prior notice.)























