
Product Information
Welcome!
Welcome to the world of Angry Audio, home of audio Gadgets and Gizmos.
The future we were all promised has, at least as of this writing, failed to manifest itself. There are no flying cars. Jetpacks never took off (see what we did there?). And tragically, we have no robotic housekeepers in mid-century maid outfits picking up after us and cracking wise in a Brooklyn accent.
The audio world, on the other hand, has advanced quickly, as one look at a modern broadcast studio will reveal. Technology has opened up creative possibilities that would have been impossible just a few years ago. What hasn’t changed is the importance of getting the basics right and sweating the details. A good studio is built by including components that make it a convenient and enjoyable place to create content that dazzles your listeners, drives traffic to your advertisers, and lets you hang onto your ski boat for another summer.
Accordingly, every audio Gadget and Gizmo – including this Button Gizmo– is designed to solve common yet critical problems, and is meticulously engineered with performance and longevity in mind to deliver pristine audio and reliable performance for many years.
Our promise and guarantee
In a recent survey, ten out of three people loved their Button Gizmo and we think you will too. That’s why we give you 30 days to bond with your Gizmo. If you find you have irreconcilable differences, we’ll buy it back.
Plus, every Gadget and Gizmo is warranted to be free from defects in parts and workmanship for two full years after you purchase it. If it fails within this time period, Angry Audio, at its discretion, will repair or replace it so long as you let us know of the failure within the warranty period and can provide proof of purchase in the form of a dated sales receipt. You can call us at +1 615-763-3033, or reach us online at www.angryaudio.com/contact.
Making a good first impression.
When you unbox your Button Gizmo, we hope it makes a good first impression and you take a moment to appreciate the lengths we’ve gone to in order to create a “built for broadcast” product. All of our products are over-engineered to provide long-term reliability and guaranteed RFI immunity. Some of this is apparent – such as the durable powder-coated steel enclosure – but much of this goodness is invisible, like the premium components within. Even if you can’t see it, you’ll hear it!
The Button Gizmo is a guest microphone control panel with four LED illuminated pushbuttons that can be used to perform various tasks that can be executed with GPIO. It elegantly mounts into your countertop and is designed to interface with any console with GPIO logic. The buttons are labeled ON, OFF, MUTE, and TALK by default, but the button caps are removable so you can replace the stock labels with your own. The Gizmo comes with a DB15M to RJ45F adapter that is pre-wired to work as a Guest Mic Control Panel for Axia consoles. Additionally, it includes an RJ45F to screw terminal adapter to make interfacing with other consoles as easy as possible.
Safety Information
While the Button Gizmo does not have its own power supply, it does receive DC voltage from the console to which it is wired, and hazardous voltages may be present on external components. Do not expose your Gizmo or its power supply to rain or moisture. Any electronic device can fail without warning; do not use this product in applications where a life-threatening condition could result due to failure.
A word or two about safety.
The Button Gizmo is a relatively low-risk product to make, install, and use in terms of liability. There aren’t many places things can go horribly awry safety-wise.
Then again, we thought the same thing when we introduced the TubToaster, an appliance that should have saved buyers lots of time in the morning by allowing them to simultaneously shower and make a light breakfast. Instead – how can we put this delicately? – it quickly eroded any future customer base and denied a lot of people the simple pleasure of perfectly toasted rye bread. Along with a promise to mothball our gas-powered upright vacuum (it seemed the logical progression of the cordless concept to us) we agreed to talk about safety, so here goes. The Button Gizmo is intended to be installed and used by qualified personnel only. To avoid electric shock, do not open the unit or attempt to perform any servicing unless you are qualified to do so.
CAUTION AVIS
RISK OF ELECTRIC SHOCK. DO NOT OPEN RISQUE DE CHOC ELECTRIQUE. NE PAS OUVRIR
- CAUTION: TO REDUCE THE RISK OF ELECTRIC SHOCK DO NOT REMOVE COVER (OR BACK) NO USER-SERVICEABLE PARTS INSIDE. REFER SERVICING TO QUALIFIED PERSONNEL
- ATTENTION: POUR EVITER LES RIsQUES DE CHOC ELECTRIQUE, NE PAS ENLEVER LE COUVERCLE. AUCUN ENTRETIEN DE PIECES INTERIEURES PAR L’USAGER. CONFIERL’ENTRETIEN AU PERSONNEL QUALIFIE.
- AVIS: POUR EVITER LES RISQUES D’INCENDIE OU D’ELECTROCUTION, N’EXPOSEZ PAS CETARTICLE A LA PLUIE OUA LHUMIDITE
While the Button Gizmo does not have its own power supply, it does receive DC voltage from the console to which it is wired, and hazardous voltages may be present on external components. Do not expose your Gizmo or its power supply to rain or moisture. Any electronic device can fail without warning; do not use this product in applications where a life-threatening condition could result due to failure.
Installation Instructions
- Choose a practical and convenient location for the Button Gizmo in your studio furniture.
- Using a power drill and a 2 1/8 inch hole saw, create a grommet hole in the chosen location. A router is not required.
- Secure the Gizmo in place using four screws.
- If you’re using it with an Axia console, plug the included DB15M to RJ45F adapter into a GPIO port on the console or node using a standard CAT5 cable. If you’re using it with another console, use the included RJ45F to screw the terminal adapter to interface with it.
- Consult your console manual for details on pin-outs and logic signals.
So, what exactly did I just buy?
Fair question. The Button Gizmo is a guest microphone control panel with four LED-illuminated pushbuttons that elegantly mount into your countertop. When you push one of the buttons, something happens. Exactly what is entirely up to you.
For example?
By default, the buttons are labeled ON, OFF, MUTE, and TALK. Thanks to the magic of logic control, you can make them perform any task that can be executed with GPIO. The button caps are removable so you can replace the stock labels with your own.
Can I use it with any console?
The Button Gizmo is meant to interface with any console with GPIO logic. Various manufacturers use different pin-outs and logic signals, so please consult your console manual for details.
How easy is it to install?
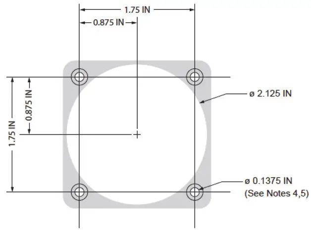
The Button Gizmo is designed to be installed directly into your studio furniture in a location that is practical and convenient.* The only tools required are a power drill and a 2 1/8 inch hole saw to create the grommet hole; a router is not required. The Gizmo is then secured with four screws. Spacing and dimensions are shown along with a handy-to-scale template suitable for printing on Page 4.
Electrically speaking, we include a DB15M to RJ45F adapter that is pre-wired to work as a Guest Mic Control Panel for Axia consoles. Plug the adapter into a GPIO port on the console or node using a standard CAT5 cable, and you’re in business. We also throw in an RJ45F to screw terminal adapter to make interfacing with other consoles as easy as possible.
If you want to install the Button Gizmo in a location that is impractical, inconvenient, or both, you do you.
Installation Template
One handy-dandy printable template.
- This template can be used as a guide for locating holes. Your printer must be set to print this page at 100% actual size. If your printer shrinks images to fit the page, the dimensions will be wrong. Measure the printed page with a ruler to make sure the printed dimensions match the actual size.
- Once you’ve decided where you want your Button Gizmo, tape the template to your desktop. Remember to leave at least 12 inches between the edge of the desk facing the user and the Gizmo. Use an awl or center punch at all five hole centers and remove the template.
- Drill the 2.125-inch diameter center hole. This hole must go completely through the table.
- For hardwood, plywood or MDF desktops, drill a 1/16-inch pilot hole for each corner hole. Use the four thoughtfully included flathead wood screws to secure the Gizmo. Do not over-tighten.
- For desktops constructed of other materials including stone or glass or those of a hollow (honeycomb) construction, the corner holes must be 0.1375-inch diameter through holes to allow a flathead bolt (not thoughtfully provided) to pass through the desktop and secured with a nut (also not provided) from beneath.
Product Usage
The Button Gizmo can be used to control various tasks that can be executed with GPIO. By default, the buttons are labeled ON, OFF, MUTE, and TALK. To use it with your console:
- Wire the Gizmo to your console using the included adapter and cable or adapter and screw terminals, following the instructions provided in your console manual.
- Remove the stock button caps and replace them with your own labels if desired.
- Push one of the buttons to perform the corresponding task.
Note that the Button Gizmo does not have its own power supply and receives DC voltage from the console to which it is wired. Do not expose it or its power supply to rain or moisture, and do not use it in applications where a life-threatening condition could result due to failure.
Buttons on the front.
Plugs on the back

Connections.
The Button Gizmo is designed to behave as a plug-and-play Guest Mic Control Panel for Axia consoles. You will need one available GPIO port for each Button Gizmo. Simply plug the included RJ45F to DB15M adapter into the back of the Button Gizmo, then connect it to the GPIO port with a standard CAT5 Ethernet cable. For the curious, a breakout of the wiring is provided.
Other manufacturers use different pin-outs and logic signals, so please consult your console manual for details and refer to the RJ45 pinout on Page 6. We’ve thoughtfully included an RJ45F to screw terminal breakout adapter to make things easier.
RJ45 Pinout
- Pin 1 Button 1 Closure to common while Button 1 is pressed
- Pin 2 Button 2 Closure to common while Button 2 is pressed
- Pin 3 Button 3 Closure to common while Button 3 is pressed
- Pin 4 Button 4 Closure to common while Button 4 is pressed
- Pin 5 Lamp 1 Illuminate Button 1 LED when connected to common
- Pin 6 Lamp 2 Illuminates Button 2 LED when connected to common
- Pin 7 Common Connect to logic common on your GPIO port
- Pin 8 V+ Connect to +5VDC or +12VDC on your GPIO port

RJ45 to DB15 Wiring
Wiring for Axia GPIO Port to Button Gizmo Logic.

Specifications and Compliance
Riveting data about your Gizmo
Part Numbers
Button Gizmo Part No. 991029
Connections
RJ4F
Power and Environmental
- Power Consumption at 5VDC 250mW
- Power Consumption at 12VDC 500mW
- Operating Temperature 0 to 40C (322 to 104 F)
- Storage Temperature -20 to 45C(-4 to 113° F)
- Relative Humidity 0% to 90% non-condensing9
- Mounting Hole Diameter 2 1/8″
Product Dimensions
Width x depth x height 2.25 x 1.00 x 3.25 in., 5.72 x 2.54 x 8.26 cm.
Shipping Weight & Dimensions
- Width x depth x height 4.00 x 4.00 x 3.00 in., 10.16 x 10.16 x 7.62 cm.
- Shipping Weight 1.0 pounds, 0.46 kilograms
Compliance in the U.S.
In the U.S., this Gizmo complies with the limits for a Class A computer device as specified by FCC Rules, Part 15, Subpart J, which are designed to provide reasonable protection against such interference when this type of equipment is operated in a commercial environment.
and in Canada.
- In Canada, this Gizmo does not exceed the Class A limits for radio noise emissions set out in the Radio Interference Regulations of the Canadian
- Department of Communications.
and in Europe.
This Gizmo complies with the requirements of the EEC Council Directives 93/68/EEC (CE Marking), 73/23/EEC (safety – low voltage directive), and 89/336/EEC (electromagnetic compatibility). Conformity is declared to standards EN50081-1 and EN50082-1.
Schematic
Top secret information – shhhh.


ANGRY AUDIO
- PHONE
+1 (615) 763-3033 - WEB
[email protected] www.angryaudio.com - ADDRESS
128 HOLIDAY CT STE 118 Franklin TN 37067 USA.





















