CONTEMPORARY CONTROLS EIGR Series Wired and VPN Gigabit IP Routers

Installation
The EIGR Series provides routing between a wide-area network (WAN) and a local area network (LAN) — which features a four-port 10/100/1000 Mbps Ethernet switch. The models are identical except for their wired and VPN capabilities. The EIGR-E is a wired router. The EIGR-V is a wired router that adds a virtual private network (VPN) with a real-time clock that can act as a VPN client/server. –40°C to +75°C operating temperature versions are available as EIGR-EX and EIGR-VX models. The EIGR-VB is similar to the EIGR-V but supports bridge mode VPN.
Each port automatically negotiates with connected devices. Thus, the EIGR can provide plug-and-play operation with no configuration unless required for advanced routing features or when non-default operating parameters are required. In these cases, the default behavior can be modified from a LAN port via its built-in web server located at 192.168.92.1. By default, its WAN port is assigned an IP address via the built-in DHCP client. An internal DHCP server assigns IP addresses to LAN-connected devices. Through its WAN port, the built-in DNS forwarder passes DNS requests from a LAN host to a remote DNS server.
Powering. An internal half-wave rectifier allows sharing a common AC power source with other half-wave devices. Voltage must deliver current commensurate with 10 VA power consumption. Power conductors should be 16–22 AWG (solid) or 16–18 AWG (stranded). Common (COM) is connected to 0 V. Chassis is isolated from 0 V. Inputs are reverse-polarity protected.
Specifications
Electrical
- INPUT: DC AC
- Voltage: 10-36 V 24 V ± 10%
- Power: 7 W 11 VA
- Frequency: N/A 47-63 Hz
- Class 2 Circuits Only
Environmental
- Operating Temp: 0°C to +60°C
- Extended Temp Models: –40°C to +75°C
- Storage Temp: –40°C to +85°C
- Humidity: 10–95%, non-condensing
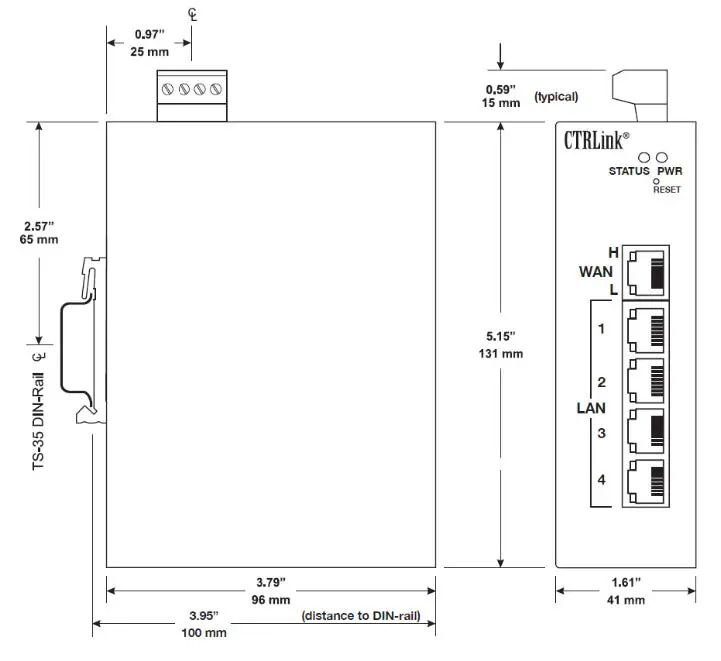
DIN-rail Mounting
Regulatory Compliance CE Mark; CFR 47 Part 15, Class A UL508 Industrial Control Equipment
Functional
- Compliance: ANSI/IEEE 802.3
- Data Rates: 10, 100 and 1000 Mbps
- Signalling: 10BASE-T, 100BASE-TX and 1000BASE-T
- Connectors: Shielded RJ-45
- Segment Length: 100 m (maximum)
- Cable: CAT 5e
RJ-45 Connector Pin Assignments

Pin Function
- 1 BI_DA+
- 2 BI_DA-
- 3 BI_DB+
- 4 BI_DC+
- 5 BI_DC-
- 6 BI_DB-
- 7 BI_DD+
- 8 BI_DD-
Mechanical

LED Indicators
The “PWR” LED glows solid green when the unit is properly powered. The “STATUS” LED glows solid green after the unit has completed its boot up process and is fully functional. Each Ethernet port has two LEDs: LED “H” glows solid if a valid link exists, flashes for activity and shows data rate by colour: green for 1000 Mbps (gigabit) or yellow for 100 Mbps. During 10 Mbps operation, the “L” LED glows solid yellow if a valid link exists and flashes for activity.
Wired Network Connections. Auto-MDIX allows connections to other equipment with either crossover or straight-through cabling.
Initial Access Setup. When first installing the EIGR, its default address could match that of a device on the Ethernet LAN and its DHCP server could interfere with your existing LAN devices. So, the EIGR and the PC used for setup should both be temporarily disconnected from the existing LAN. The procedure for altering the IP address creates a temporary LAN composed of nothing but the EIGR, the PC used to configure it and a CAT5e cable connecting the two. Either straight-through or crossover cable can be used because the EIGR supports Auto-MDIX.
Initial Access. Your EIGR will provide a DHCP assigned IP address to your PC. Connect the PC directly to one of the LAN ports of the EIGR. Do not connect any other devices to any of the other EIGR ports at this time. On your PC, access Network Connections, then open the Properties of the Local Area Connections. Once the Properties pop-up opens, scroll down under the General tab and select Internet Protocol (TCP/IP). When the next pop-up opens, choose Obtain an IP address automatically. Now close the opened pop-ups, and under System Accessories, open a Command Prompt window and type ipconfig to confirm that your change of IP address was successful. Remember to restore your PC’s original IP/Subnet values when you are finished setting up the EIGR.
Initial Login. When the EIGR is first powered up, or after using the Reset button, the setup screen will be accessible from one of the LAN ports using the IP address 192.168.92.1 and a subnet mask of 255.255.255.0. In the login screen that appears, use the default value of admin for both the Username and Password. NOTE: The default Username and Password must be changed before any configuration on the unit can be done. An 8-63 character value with at least one letter and one number should be used – special characters are allowed as shown in the webpage help section.
Setup Tab. After login, the Setup screen appears. In both the WAN and LAN portions of the screen, set the desired values as per the resident instructions.
Administration Tab. On this screen it is recommended that you choose your own values of Username and Password.
Status Tab. This screen displays Firmware Version, MAC Address, WAN Status and LAN Status (including the resident DHCP server and its LAN clients, if enabled).
Advanced Tab. Here you can select and adjust the advanced features of the router as explained in the resident help screens.
Reset Switch. The Reset Switch (located just below the Power LED) will restore factory default settings including the IP address, netmask and subnet settings. To reset the router to its default values, use a paperclip or similar tool to press the Settings Reset button for at least 3 seconds while the router is powered. Then release the reset button and remove power from the router for 3 seconds. Restore power and the unit will now use the default IP values and the default Username and Password. Remember, upon reset, the issues mentioned above in the paragraph that is titled Initial Access and Initial Login will apply!
Need More Help Installing this Product? More information can be found in the Technical Support part of our web site at www.ccontrols.com. If contacting our office, ask for Technical Support.
Warranty information can be found at the URL: www.ccontrols.com/warranty.htm
Warning: This is a Class A product. In a domestic environment, this product may cause radio interference in which case the user may be required to take adequate measures.
Returning Products for Repair
Return the product to the location where it was purchased by following the instructions at the URL: www.ccontrols.com/rma.htm
Declaration of Conformity
Information about the regulatory compliance of this product can be found at the URL: www.ccontrols.com/compliance.htm


















