HORIZON Losi Tenacity DB Pro 4WD Desert Buggy Brushless RTR
NOTICE
All instructions, warranties and other collateral documents are subject to change at the sole discretion of Horizon Hobby, LLC. For up-to-date product literature, visit www.horizonhobby.com or www.towerhobbies.com and click on the support or resources tab for this product.
MEANING OF SPECIAL LANGUAGE
The following terms are used throughout the product literature to indicate various levels of potential harm when operating this product:
WARNING: Procedures, which if not properly followed, create the probability of property damage, collateral damage, and serious injury OR create a high probability of superficial injury.
CAUTION: Procedures, which if not properly followed, create the probability of physical property damage AND a possibility of serious injury.
NOTICE: Procedures, which if not properly followed, create a possibility of physical property damage AND a little or no possibility of injury.
This is a sophisticated hobby product. It must be operated with caution and common sense and requires some basic mechanical ability. Failure to operate this Product in a safe and responsible manner could result in injury or damage to the product or other property. This product is not intended for use by children without direct adult supervision. Do not use with incompatible components or alter this product in any way outside of the instructions provided by Horizon Hobby, LLC. This manual contains instructions for safety, operation and maintenance. It is essential to read and follow all the instructions and warnings in the manual, prior to assembly, setup or use, in order to operate correctly and avoid damage or serious injury.
WARNING AGAINST COUNTERFEIT PRODUCTS Always purchase from a Horizon Hobby, LLC authorized dealer to ensure authentic high-quality Spektrum product. Horizon Hobby, LLC disclaims all support and warranty with regards, but not limited to, compatibility and performance of counterfeit products or products claiming compatibility with DSM or Spektrum technology.
Age Recommendation: Not for children under 14 years. This is not a toy.
SAFETY PRECAUTIONS AND WARNINGS
As the user of this product, you are solely responsible for operating in a manner that does not endanger yourself and others or result in damage to the product or property of others.
This model is controlled by a radio signal subject to interference from many sources outside your control. This interference can cause momentary loss of control, so it is advisable to always keep a safe distance in all directions around your model as this margin will help avoid collisions or injury.
- Never operate your model with low transmitter batteries.
- Always operate your model in open spaces away from full-size vehicles, traffic and people.
- Never operate the model in the street or in populated areas for any reason.
- Carefully follow the directions and warnings for this and any optional support equipment (chargers, rechargeable battery packs, etc.) you use.
- Keep all chemicals, small parts and anything electrical out of the reach of children.
- Never lick or place any portion of the model in your mouth as it could cause serious injury or even death.
- Exercise caution when using tools and sharp instruments.
- Take care during maintenance as some parts may have sharp edges.
- Immediately after using your model, do NOT touch equipment such as the motor, electronic speed control and battery, because they generate high temperatures. You may burn yourself seriously touching them.
- Do not put fingers or any objects inside rotating and moving parts, as this may cause damage or serious injury.
- Always turn on your transmitter before you turn on the receiver in the car. Always turn off the receiver before turning your transmitter off.
- Keep the wheels of the model off the ground when checking the operation of the radio equipment.
BOX CONTENTS
COMPONENTS
- Losi® TENACITY® DB PRO RTR, AVC®: 1/10-Scale 4WD Desert Buggy (LOS03027V2T1/T2)
- Spektrum™ DX3™ 2.4GHz Transmitter (SPM2340)
- Spektrum 6-Channel DSMR® AVC® Surface Receiver (SPMSR6200A)
- Spektrum 15KG 23T Steel Gear Waterproof Servo (SPMS614S)
- Spektrum Firma™ SMART 130A Brushless ESC (SPMXSE1130)
- Spektrum Firma 3150Kv Brushless Motor (SPMXSM1000)
- 4 AA batteries (for transmitter)
WATER-RESISTANT VEHICLE WITH WATERPROOF ELECTRONICS
Your new Horizon Hobby vehicle has been designed and built with a combination of waterproof and water-resistant components to allow you to operate the product in many
“wet conditions,” including puddles, creeks, wet grass, snow and even rain.
While the entire vehicle is highly water-resistant, it is not completely waterproof and your vehicle should NOT be treated like a submarine. The various electronic components used in the vehicle, such as the Electronic Speed Control (ESC), servo(s) and receiver are waterproof, however, most of the mechanical components are water-resistant and should not be submerged.
Metal parts, including the bearings, hinge pins, screws and nuts, as well as the contacts in the electrical cables, will be susceptible to corrosion if additional maintenance is not performed after running in wet conditions. To maximize the long-term performance of your vehicle and to keep the warranty intact, the procedures described in the “Wet Conditions Maintenance” section below must be performed regularly if you choose to run in wet conditions. If you are not willing to perform the additional care and maintenance required, then you should not operate the vehicle in those conditions.
CAUTION: Failure to exercise caution while using this product and complying with the following precautions could result in product malfunction and/or void the warranty.
GENERAL PRECAUTIONS
- Read through the wet conditions maintenance procedures and make sure that you have all the tools you will need to properly maintain your vehicle.
- Not all batteries can be used in wet conditions. Consult the battery manufacturer before use. Caution should be taken when using Li-Po batteries in wet conditions.
- Most transmitters are not water-resistant. Consult your transmitter’s manual or the manufacturer before operation.
- Never operate your transmitter or vehicle where lightning may be present.
- Do not operate your vehicle where it could come in contact with salt water (ocean water or water on salt-covered roads), contaminated or polluted water. Salt water is very conductive and highly corrosive, so use caution.
- Even minimal water contact can reduce the life of your motor if it has not been certified as water-resistant or waterproof. If the motor becomes excessively wet, apply very light throttle until the water is mostly removed from the motor. Running a wet motor at high speeds may rapidly damage the motor.
- Driving in wet conditions can reduce the life of the motor. The additional resistance of operating in water causes excess strain. Alter the gear ratio by using a smaller pinion or larger spur gear. This will increase torque (and motor life) when running in mud, deeper puddles, or any wet conditions that will increase the load on the motor for an extended period of time.
WET CONDITIONS MAINTENANCE
Drain any water that has collected in the tires by spinning them at high speed. With the body removed, place the vehicle upside down and pull full throttle for a few short bursts until the water has been removed.
CAUTION: Always keep hands, fingers, tools and any loose or hanging objects away from rotating parts when performing the above drying technique.
- Remove the battery pack(s) and dry the contacts. If you have an air compressor or a can of compressed air, blow out any water that may be inside the recessed connector housing.
- Remove the tires/wheels from the vehicle and gently rinse the mud and dirt off with a garden hose. Avoid rinsing the bearings and transmission.
NOTICE: Never use a pressure washer to clean your vehicle. - Use an air compressor or a can of compressed air to dry the vehicle and help remove any water that may have gotten into small crevices or corners.
- Spray the bearings, drive train, fasteners and other metal parts with a water-displacing light oil. Do not spray the motor.
- Let the vehicle air dry before you store it. Water (and oil) may continue to drip for a few hours.
- Increase the frequency of disassembly, inspection and lubrication of the following:
- Front and rear axle hub assembly bearings.
- All transmission cases, gears and differentials.
- Motor—clean with an aerosol motor cleaner and re-oil the bushings with lightweight motor oil.
QUICK START
Please read the entire manual to gain a full understanding of the TENACITY RTR vehicle, fine-tuning the setup and performing maintenance.
- Read the safety precautions found in this manual.
- Charge a battery for the vehicle. Refer to the included charging warnings and instructions for battery charging information.
- Install the AA batteries in the transmitter. Only use alkaline or rechargeable batteries.
- Install the fully charged battery in the vehicle.
- Power ON the transmitter and then the vehicle. Wait 5 seconds for the ESC to initialize. Always power the transmitter ON before the vehicle and power it OFF after the vehicle has been powered OFF.
- Check the steering and throttle control directions. Verify that the servos are moving in the correct direction.
- Drive your vehicle.
- Perform any necessary maintenance.
CHARGING THE BATTERY
Choose a battery designed to work with the Spektrum™ Firma™ SMART 130A Brushless ESC
(SPMXSE1130). We recommend the Spektrum 5000mAh 2S 7.4V 50C SMART LiPo hardcase battery with IC5™ connector (SPMX50002S50H5) or Spektrum 5000mAh 3S 11.1V 50C SMART LiPo IC5 hardcase battery with IC5 connector (SPMX50003S50H5). Choose a charger designed to charge 2S and/or 3S Li-Po batteries.
We recommend the Dynamite® Passport ™ P1 mini-AC Input Balance
Charger/Discharger (DYNC3015). Refer to your battery and charger manuals for usage, safety, and charging information.
IMPORTANT: When using a 3S battery, you must change the motor pinion gear to the 15T pinion provided with your vehicle.
INSTALLING THE BATTERY
- Ensure the ESC is powered OFF.
- Remove the body clips and rotate the body up.
- Remove the body clip from the battery hold down and open the battery tray.
- Insert the battery into the battery tray.
- Rotate the battery strap down, and insert the body clip to secure the battery.
- Connect the battery power lead to the ESC, noting proper polarity.
- Power ON the transmitter, then the vehicle.
- Rotate the body into place, and insert the body clips.
IMPORTANT: Secure the ESC wires so they do not interfere with the gearing.
The vehicle is setup at the factory for use with a 2S LiPo battery. To install an optional 3S LiPo battery, the included spacers must be added to the battery tray as shown.
NOTICE: If you are using a 2S Li-Po battery, use the included 17T Pinion gear. If you are using a 3S Li-Po battery, use the optional 15T pinion gear (included). Using a 17T pinion gear with a 3S Li-Po battery will result in damage to the ESC and motor.
SPEKTRUM™ DX3 RADIO SYSTEM
- A/B. Channel 3 Button
- C. Throttle/Brake
- D. Steering Wheel
- E. Steering Rate – Adjusts the end point of the steering
- F. Brake Rate – Adjusts the braking end point.
- G. Steering Trim – Adjusts the steering center point. Normally, the steering trim is adjusted until the vehicle tracks straight.
- H.Throttle Trim – Adjusts the throttle neutral point
- I.SMART Battery Level Indicator
- J. Servo Reversing – To reverse the Throttle (TH) or Steering (ST) channel, switch the position of the correlating switch— “N” is for normal, “R”
- is for reverse.
- K. Throttle Limit – Limits throttle output to 50/75/100% Select 50% or 75% for less experienced drivers or when you are driving the vehicle in a
- small area.
- L. Power LED
- Solid red lights: Indicates radio connectivity and adequate battery power
- Flashing red lights: Indicates the battery voltage is critically low. Replace batteries
- Power Button
- Bind Button
INSTALLING THE TRANSMITTER BATTERIE
- Push in the battery cover a small amount to release the retaining tab, then remove the cover.
- Install 4 AA batteries, taking care to align the battery polarity to the diagram in the transmitter’s battery case.
- Carefully reinstall the battery cover by aligning the tabs with the slots on the transmitter.
For more information on the transmitter, go to www.horizonhobby.com and click on the support tab for the Spektrum DX3 to download the instruction manual.
CAUTION: Never remove the transmitter batteries while the model is powered ON. Loss of model control, damage, or injury may occur.
CAUTION: If using rechargeable batteries, charge only rechargeable batteries. Charging non-rechargeable batteries may cause the batteries to burst, resulting in injury to persons and/or damage to property.
CAUTION: Risk of explosion if battery is replaced by an incorrect type. Dispose of used batteries according to national regulations.
SRS6200A AVC TECHNOLOGY RECEIVER AUX CHANNELS
The Aux channels can operate as additional servo channels, or as a power supply for a personal transponder.
If AVC is active, only 4 channels; Steering, Throttle, AUX3 and AUX4 are operational. The remaining Aux channels can be used to power a personal transponder or lights.
If AVC is disabled (see DISABLING THE STABILITY ASSIST FUNCTION), all 6 channels including the Aux channels can operate as servo channels.
BINDING AND CALIBRATING THE RECEIVER
Binding is the process of linking the SR6200A receiver to your Spektrum transmitter. The AVC features on the receiver can be enabled or disabled during the binding process.
IMPORTANT: You must calibrate the SR6200A receiver each time it is placed in bind mode, regardless of AVC being enabled or disabled.
Upon initial setup after the first bind, the model must be configured for servo direction, trim and travel. Then the receiver must be rebound and calibrated to those settings for proper operation. Center the steering trim and throttle trim on the transmitter before beginning.
- Press and hold the bind button on the receiver.
- Power on the receiver. The orange LED flashes, indicating the receiver is in bind mode. Release the bind button after the orange LED illuminates.
- Put your transmitter in bind mode. The bind process is complete when the orange LED on the receiver remains lit. The receiver is now bound to the transmitter but must be calibrated before it will operate.
- Pull the transmitter trigger to full throttle, pause, then return the trigger to center.

- Push the transmitter trigger to full brake, pause, then return the trigger to center.
- Turn the transmitter steering wheel to full right, pause, then return the wheel to center.
- Turn the transmitter steering wheel to full left, pause, then return the steering wheel to center. The orange LED flashes to confirm the settings have been accepted.
- Turn off the vehicle to complete the binding and calibration process.
CAUTION: When the bind process is complete, the throttle and steering channels are active. Keep hands and loose objects away from all spinning parts on the vehicle.
IMPORTANT: You must rebind the transmitter and receiver if you:
- Change the servo reversing after binding
- Change the travel after binding
- Change the receiver mounting orientation
DISABLING AVC® TECHNOLOGY STABILITY ASSIST
If you participate in organized racing, you may be required to turn AVC technology off. To turn off AVC technology:
- Connect power to the receiver and quickly press and release the bind button three times (within 1.5 seconds).
- Press and hold the bind button and to put the receiver in bind mode. release the buton
when the LED starts to flash rapidly, indicating it is in bind mode.
When the AVC system has been disabled, the LED on the receiver will show three flashes upon power up, and then remain lit. The receiver is bound and operating normally when the LED remains illuminated.
TIP: If the AVC feature in the receiver is active and the AVC menu in the transmitter is Inhibited, AVC functions will default to the AUX 1 and AUX 2 operation, and in this scenario, AVC will not work correctly.
FAILSAFE
In the unlikely event that the radio link is lost during use, the receiver will drive the throttle channel to the neutral position. If the receiver is powered on prior to turning on the transmitter, the receiver will enter the failsafe mode, driving the throttle channel to the neutral position. When the transmitter is turned on, normal control is resumed.
IMPORTANT: Failsafe activates only in the event that signal is lost from the transmitter. Failsafe will NOT activate in the event that receiver battery power decreases below the recommended minimums or power to the receiver is lost.
DRIVING PRECAUTIONS
- Maintain sight of the vehicle at all times.
- Routinely inspect the vehicle for loose wheel hardware.
- Routinely inspect the steering assembly for any loose hardware. Driving the vehicle off-road can cause fasteners to loosen over time.
- Do not drive the vehicle in tall grass. Doing so can damage the vehicle or electronics.
- Stop driving the vehicle when you notice a lack of power. Driving the vehicle when the battery is discharged can cause the receiver to power off. If the receiver loses power, you will lose control of the vehicle. Damage due to an over-discharged Li-Po battery is not covered under warranty.
CAUTION: Do not discharge a Li-Po battery below 3V per cell. Batteries discharged to a voltage lower than the lowest approved voltage may become damaged,B resulting in loss of performance and potential fire when batteries are charged. - Do not apply forward or reverse throttle if the vehicle is stuck. Applying throttle in this instance can damage the motor or ESC.
- After driving the vehicle, allow the electronics to cool before driving the vehicle again.
- IMPORTANT: Keep wires away from all moving parts.
POWERING ON THE VEHICLE
- Center the ST TRIM and TH TRIM dials on the transmitter.
- Power on the transmitter.
- Install a fully charged battery pack per the Installing the Battery section.
- Power on the ESC.
IMPORTANT: The vehicle MUST remain on a flat, level surface and motionless for at least 5 seconds.
BEFORE RUNNING YOUR VEHICLE
- Check for free suspension movement. All suspension arms and steering components should move freely. Any binds will cause the vehicle to handle poorly.
TIP: To increase the ride height and ground clearance of your vehicle, screw down the shock collars to compress the springs. - Charge a battery pack. Always charge the battery pack as per the battery and/or charger manufacturers’ instructions.
- Set the transmitter steering trim. Follow the instructions to set the steering trim/subtrim so that the vehicle drives straight with no input to the steering.
- Perform a Control Direction Test.
AVC® SENSITIVITY
The ST RATE dial adjusts the sensitivity, or stability, value in the receiver. If you increase the sensitivity, the AVC® system becomes more sensitive to the vehicle drifting left or right. You would use maximum sensitivity during high speed driving or drag racing, when you want the vehicle to stay in a straight line.
Turn the ST RATE knob counter-clockwise to reduce the sensitivity.
Turn the ST RATE knob clockwise to increase the sensitivity.
IMPORTANT: The ST RATE knob will only adjust the sensitivity when the transmitter is bound to a DSMR® receiver. When the transmitter is bound to a DSM®, DSM2® or DSM Marine receiver, the ST RATE knob controls the steering dual rate.
RUN TIME
The largest factor in run time is the capacity of the battery pack. A larger mAh rating increases the amount of run time experienced.
The condition of a battery pack is also an important factor in both run time and speed.
The battery connectors may become hot during driving. Batteries will lose performance and capacity over time.
Driving the vehicle from a stop to full speed repeatedly will damage the batteries and electronics over time. Sudden acceleration will also lead to shorter run times.
TO IMPROVE RUN TIMES
- Keep your vehicle clean and well maintained.
- Allow more airflow to the ESC and motor.
- Change the gearing to a lower ratio. A lower ratio decreases the operating temperature of the electronics. Use a smaller pinion gear or larger spur gear to lower the gear ratio.
- Use a battery pack with a higher mAh rating.
- Use the optimum charger to charge battery packs (Visit your local hobby dealer for more information).
PERFORMING A CONTROL DIRECTION TEST
Perform a control test with the vehicle wheels off the ground. If the wheels rotate after the vehicle is powered ON, adjust the TH Trim knob until they stop. To make the wheels move forward, pull the trigger. To reverse them, wait for the wheels to stop, then push the trigger. When moving forward, the wheels should maintain a straight line without any steering wheel input. If not, adjust the ST Trim knob, so the wheels maintain a straight line without having to turn the steering wheel.
CHANGING THE TRAVEL ADJUST SETTINGS
Set the travel adjust settings with all four vehicle wheels off the ground. The throttle end point and brake end point adjustments will cause the wheels to spin at full speed. Have an assistant safely hold the vehicle securely while adjusting these settings.
CAUTION: Keep hands, hair and all loose clothing away from any moving parts, especially the wheels, while setting the travel adjust end points. Serious injury may result.
- Hold the trigger in the full brake position and turn the steering wheel to full right while powering on the transmitter. The LED flashes rapidly, indicating programming mode is active.
- Throttle End Point: Continue holding full throttle. Turn the TH TRIM knob to adjust the full throttle end point.
- Brake End Point: Hold the trigger in the full brake position. Turn the TH TRIM knob to adjust the full brake end point. Return the trigger to the center position.
- Left Steering End Point: Hold the steering wheel in the full left position. Turn the ST TRIM knob to adjust the left end point.
- Right Steering End Point: Hold the steering wheel in the full right position. Turn the ST TRIM knob to adjust the right end point. Return the steering wheel to the center position.
- Power off the transmitter to save the travel adjust settings. The minimum Travel is 75%, and the Maximum travel is 150%.
IMPORTANT: If the travel is changed on the DX3, you must rebind and calibrate the SR6200A
SPEKTRUM™ FIRMA™ SMART 130A BRUSHLESS ESC (SPMXSE1130)
SPECIFICATION
| Type | Sensorless, SMART Throttle Compatible |
| Output | 130A/760A |
| Function | Forward/Brake–Forward/Brake Reverse |
| Input Voltage | 7.4V–14.8V (The motor in this vehicle will not support 14.8V) |
| BEC Output | 6V/4A |
| Dimensions (LxWxH) | 57.5mm x 46mm x 38mm |
| Weight | 154 g |
ESC LED STATUS
- No ESC LEDs will glow when there is no throttle input from the transmitter.
- The red ESC LED glows when there is any throttle input from the transmitter.
AUDIBLE WARNING TONES
- Input Voltage: The ESC checks the input voltage when it is powered ON. If a voltage problem is detected, the ESC continuously sounds 2 beeps with a 1 second pause (xx-xx-xx). Power OFF the ESC and ensure the connections are secure and that the battery power is not too low for safe operation.
- Radio Connection: The ESC checks radio signal input when it is powered ON. If a problem is detected, the ESC continuously sounds 1 beep with a 2 second pause (x–x–x). Power OFF the ESC and ensure the radio system is operating correctly.
NOTICE: Always disconnect the battery from the ESC after operating your vehicle. The ESC’s switch only controls power to the receiver and servos. The ESC will continue to draw current when connected to the battery, resulting in possible damage to the battery through over discharge.
ESC CALIBRATION PROCEDURE
Complete the transmitter/receiver binding procedure prior to calibrating the ESC.
- Set the transmitter throttle channel to 100% travel and center the throttle trim.
- Connect a battery to the ESC battery lead.
- Power on the transmitter.
- Press and hold the SET button while turning on the ESC. Release the SET button when the red LED begins to flash, indicating the ESC is in calibration mode. The ESC will enterN programming mode if the button is held for more than three seconds.
TIP: The red LED should be flashing when the ESC enters calibration mode. If the green LED is flashing the ESC has entered programming mode. Power off the ESC and repeat step 4, releasing the SET button when the red LED begins to flash. - With the transmitter throttle trigger at the neutral position, press and release the ESC SET
button. The red LED will stop flashing, the green LED will flash one time and the motor will
make a tone to indicate the neutral position has been accepted. - While holding the throttle trigger at the full throttle position, press and release the ESC SET button. The green LED will flash twice and the motor will make two tones to indicate the full throttle position has been accepted.
- While holding the throttle trigger at the full brake position, press and release the SET button. The green LED will flash three times and the motor will make three tones to indicate the full brake position has been accepted. The motor will operate normally after calibration is completed.
ESC FUNCTIONS AND MODES
The ESC includes programming options so you can adjust the way your vehicle performs. Refer to the included programming table to adjust the ESC for your driving conditions.
PROGRAMMING TABLE
| PROGRAMMING VALUE | |||||||||
| PROGRAMMING ITEMS | 1 | 2 | 3 | 4 | 5 | 6 | 7 | 8 | 9 |
| 1. Running Mode | Forward w/ brake | Forward/Reverse w/ brake | Forward/Reverse | ||||||
| 2. Drag Brake Force | 0% | 5% | 10% | 20% | 40% | 60% | 80% | 100% | |
| 3. Low Voltage Cutoff | non-protection | 2.6V/Cell | 2.8V/Cell | 3.0V/Cell | 3.2V/Cell | 3.4V/Cell | |||
| 4. Start Mode | Level 1 | Level 2 | Level 3 | Level 4 | Level 5 | Level 6 | Level 7 | Level 8 | Level 9 |
| 5. Max Brake Force | 25% | 50% | 75% | 100% | disable | ||||
| 6. Max Reverse Force | 25% | 50% | 75% | 100% | |||||
| 7. Initial Brake Force | = Drag Brake | 0% | 20% | 40% | |||||
| 8. Neutral Range | 6% (Narrow) | 9% (Normal) | 12% (Wide) | ||||||
| 9. Timing | 0.00º | 3.75º | 7.50º | 11.25º | 15.00º | 18.75º | 22.50º | 26.25º | |
| 10. Motor Rotation | Counterclockwise | Clockwise | |||||||
| 11. Li-Po Cells | Auto Calculate | 2 Cells | 3 Cells | 4 Cells | 5 Cells | 6 Cells | |||
ESC PROGRAMMING PROCEDURE
Programming is accomplished using the SET button on the ON/OFF switch*.
- Connect a fully charged battery to the ESC.
- Power on the transmitter.
- Power on the ESC.
- Hold the SET button until the green LED flashes. Release the set button to enter programming mode.
TIP: To reset all programming items to the default values, press and hold the set button for five seconds - Press and release the set button as needed to cycle through the programming items. The number of times the green LED flashes equals the programming item number given in the programming table.
- When at the desired programming item, press and hold the set button until the red LED flashes to select the item.
- Press and release the SET button to cycle through the values available for the programming item based on the number of times the LED flashes. Refer to the programming table.
- Save the setting by pressing and holding the SET button for 3 seconds.
- Power off the ESC to exit programming mode or to change other programming items.
* Other programming options include the Spektrum SMART Firma ESC Programming Box (SPMXCA200) and the SmartLink USB updating and programmer application. See SpektrumRC.com for more details about Spektrum SMART Firma ESCs.
DESCRIPTIONS
- Running Mode
- Forward Only with Brake
Intended for competition use, this mode allows only forward and brake controls. - Forward/Reverse with Brake
This mode is the basic all-around mode, allowing forward, reverse and brake controls. To engage reverse while moving forward, apply the brake until the vehicle has come to a complete stop, release brake, then apply the brake again. While braking or in reverse, engaging the throttle will result in the vehicle immediately accelerating forward.
- Forward Only with Brake
- Drag Brake Force
Adjusts the amount of brake automatically applied when the throttle is returned to the neutral position. This simulates the engine braking effect of a full-scale vehicle, allowing improved turn-in and your vehicle’s general response to controls. - Low Voltage Cutoff
This function helps to prevent battery over-discharge. The ESC continuously monitors the battery’s voltage. If the voltage falls below the voltage threshold for 2 seconds, the output power shuts off and the red LED flashes twice repeatedly.
The cutoff threshold calculation is based on individual Li-Po cell voltage. For Ni-MH batteries,if the voltage battery pack is higher than 9.0V, it will be treated as a 3-cell Li-Po battery pack; if it is lower than 9.0V, it will be treated as a 2-cell Li-Po battery pack. Example: for a
8.0V Ni-MH battery pack used with a 2.6V/cell threshold, it will be treated as a 2-cell Li-Po battery pack and the low-voltage cut-off threshold will be 5.2V (2.6×2=5.2). - Start Mode (Punch)
Sets the initial throttle punch when the car accelerates. Level 1 gives a very soft initial acceleration and level 4 gives a stronger initial acceleration. - Max Brake Force
Adjusts the maximum braking force. A higher value provides stronger braking, but can also cause the wheels to lock, resulting in loss of control of the car. - Max Reverse Force
This parameter adjusts the maximum power when travelling in reverse. - Initial Brake Force (minimum brake)
Adjusts the minimum amount of braking power when the brakes engage. The default value is equal to the drag brake value. A high value can lock the wheels when the brake is used. - Neutral Range
Adjusts the throttle sensitivity around the neutral point. A higher value results in the throttle having to be moved more for the vehicle to move forward, backward or brake. - Timing
Adjusts the motor drive current timing. More timing gives more performance, but can lower efficiency and cause damage to the motor and/or ESC by overload or overheating.
NOTICE: Always ensure the motor timing is set correctly. Failure to set the motor timing correctly can result in damage to the motor and ESC. Refer to the manufacturer instructions for recommended timing settings. - Motor Type
- Motor Rotation
Allows you to make this change in the ESC so no wires need to be changed between the ESC and the motor. - Li-Po Cells
Allows the ESC to automatically detect or manually set the number of cells in your Li-Po battery back.
SPEKTRUM™ FIRMA™ 3150KV BRUSHLESS MOTOR
PRECAUTIONS
- Never touch moving parts.
- Never disassemble while the batteries are installed.
- Always let parts cool before touching.
GEARING
Your vehicle has been equipped with the optimal gearing installed for the use of a 2S battery.
It offers an ideal balance between speed, power and efficiency. Should you decide to customize your vehicle with a 3S battery it is necessary to change to the 15T pinion (included).
Installing a pinion gear with fewer teeth or a spur gear with more teeth will provide greater torque but will reduce top speed. Likewise, a pinion gear with more teeth or a spur gear with fewer teeth will reduce torque and increase top speed. Care should be taken when installing larger pinion gears as this can “overgear” the vehicle, resulting in overheating of the motor and ESC. When testing different gearing options, pay close attention to the temperature of the motor and speed control to ensure you are operating within the temperature range of the components. The motor or ESC should never be so hot that it cannot be touched. If temperatures are too hot, a different gearing combination with a lower pinion gear and/or
higher spur gear is suggested.
CHANGING THE PINION GEAR/GEAR RATIO
- Remove the screw holding the pinion gear cover in place.
- Loosen the set screw and remove the installed pinion gear.
- Loosen the motor screws and slide the motor back.
- Place the new pinion on the end of the motor shaft so the set screw is located over the flat on the shaft.
- Position it so the teeth line up with the spur gear and secure the pinion by tightening the set screw.
- Set the gear mesh.
SETTING THE GEAR MESH
The gear mesh has already been set at the factory. Setting it is only necessary when changing motors or gears.
Proper gear mesh (how gear teeth meet) is important to the performance of the vehicle. When the gear mesh is too loose, the spur gear could be damaged by the pinion gear of the motor. If the mesh is too tight, speed could be limited and the motor and ESC will overheat.
- Loosen the motor screws and slide the motor back.
- Put a small piece of paper between the pinion and spur gears.
- Push the gears together while tightening the motor screws.
- Remove the paper. Check the mesh at 3–5 different locations around the spur gear for a small amount of movement.
- Install the gear cover.
NOTICE: If you are using a 2S Li-Po battery, use the included 17T Pinion gear. If you are using a 3S Li-Po battery, use the optional 15T pinion gear (included). Using a 17T pinion gear with a 3S Li-Po battery will result in damage to the ESC and motor.
TELEMETRY SETTINGS
If using the Spektrum Dashboard app or the optional speedometer module on your transmitter, set the motor pole count to 4 and the rollout distance to 1.5″ (38.1mm).
TROUBLESHOOTING GUIDE
| PROBLEM | POSSIBLE CAUSE | SOLUTION |
| Vehicle does not operate | Battery not charged or plugged in | Charge battery/plug in |
| ESC switch not “On” | Turn on ESC switch | |
| Transmitter not “On” or low battery | Turn on/replace batteries | |
| Motor runs but wheels do not rotate | Pinion not meshing with spur gear | Adjust pinion/spur mesh |
| Pinion spinning on motor shaft | Tighten pinion gear setscrew on motor shaft flat spot | |
| Transmission gears stripped | Replace transmission gears | |
| Drive pin broken | Check and replace drive pin | |
| Steering does not work | Servo plug not in receiver properly | Make sure the steering servo plug is connected to the receiver steering channel, noting proper polarity |
| Servo gears or motor damaged | Replace or repair servo | |
| Will not turn one direction | Servo gears damaged | Replace or repair servo |
| Motor does not run | Motor wire solder joint is damaged | Resolder the motor wire with the proper equipment |
| Motor wire broken | Repair or replace as needed | |
| ESC damaged | Contact Horizon Hobby Product Support | |
| ESC gets hot | Motor over-geared | Use smaller pinion or larger spur gear |
| Driveline bound up | Check wheels and transmission for binding | |
| Poor run time and/or sluggish acceleration | Battery pack not fully charged | Recharge battery |
| Charger not allowing full charge | Try another charger | |
| Driveline bound up | Check wheels, transmission for binding | |
| Poor range and/or glitching | Transmitter batteries low | Check and replace |
| Vehicle battery low | Recharge battery | |
| Loose plugs or wires | Check all wire connections and plugs |
LIMITED WARRANTY
What this Warranty Covers
Horizon Hobby, LLC, (Horizon) warrants to the original purchaser that the product purchased (the “Product”) will be free from defects in materials and workmanship for a period of 2 years from the date of purchase.
What is Not Covered
This warranty is not transferable and does not cover (i) cosmetic damage, (ii) damage due to acts of God, accident, misuse, abuse, negligence, commercial use, or due to improper use, installation, operation or maintenance, (iii) modification of or to any part of the Product, (iv) attempted service by anyone other than a Horizon Hobby authorized service center, (v) Product not purchased from an authorized Horizon dealer, or (vi) Product not compliant with applicable technical regulations or (vii) use that violates any applicable laws, rules, or regulations.
OTHER THAN THE EXPRESS WARRANTY ABOVE, HORIZON MAKES NO OTHER WARRANTY OR REPRESENTATION, AND HEREBY DISCLAIMS ANY AND ALL IMPLIED WARRANTIES, INCLUDING, WITHOUT LIMITATION, THE IMPLIED WARRANTIES OF NON-INFRINGEMENT, MERCHANTABILITY AND FITNESS FOR A PARTICULAR PURPOSE. THE PURCHASER
ACKNOWLEDGES THAT THEY ALONE HAVE DETERMINED THAT THE PRODUCT WILL SUITABLY MEET THE REQUIREMENTS OF THE PURCHASER’S INTENDED USE.
Purchaser’s Remedy
Horizon’s sole obligation and purchaser’s sole and exclusive remedy shall be that Horizon will, at its option, either (i) service, or (ii) replace, any Product determined by Horizon to be defective. Horizon reserves the right to inspect any and all Product(s) involved in a warranty
claim. Service or replacement decisions are at the sole discretion of Horizon. Proof of purchase is required for all warranty claims. SERVICE OR REPLACEMENT AS PROVIDED UNDER THIS WARRANTY IS THE PURCHASER’S SOLE AND EXCLUSIVE REMEDY.
Limitation of Liability
HORIZON SHALL NOT BE LIABLE FOR SPECIAL, INDIRECT, INCIDENTAL OR CONSEQUENTIAL DAMAGES, LOSS OF PROFITS OR PRODUCTION OR COMMERCIAL LOSS IN ANY WAY, REGARDLESS OF WHETHER SUCH CLAIM IS BASED IN CONTRACT, WARRANTY, TORT, NEGLIGENCE, STRICT LIABILITY OR ANY OTHER THEORY OF LIABILITY, EVEN IF HORIZON HAS
BEEN ADVISED OF THE POSSIBILITY OF SUCH DAMAGES.
Further, in no event shall the liability of Horizon exceed the individual price of the Product on which liability is asserted. As Horizon has no control over use, setup, final assembly, modification or misuse, no liability shall be assumed nor accepted for any resulting damage or injury. By the act of use, setup or assembly, the user accepts all resulting liability. If you as the purchaser or user are not prepared to accept the liability associated with the use of the Product, purchaser is advised to return the Product immediately in new and unused condition to the place of purchase.
Law
These terms are governed by Illinois law (without regard to conflict of law principals). This warranty gives you specific legal rights, and you may also have other rights which vary from state to state. Horizon reserves the right to change or modify this warranty at any time without notice.
WARRANTY SERVICES
Questions, Assistance, and Services Your local hobby store and/or place of purchase cannot provide warranty support or service.
Once assembly, setup or use of the Product has been started, you must contact your local distributor or Horizon directly. This will enable Horizon to better answer your questions and service you in the event that you may need any assistance. For questions or assistance, please visit our website at www.horizonhobby.com, submit a Product Support Inquiry, or call the toll free telephone number referenced in the Warranty and Service Contact Information section to speak with a Product Support representative.
Inspection or Services
If this Product needs to be inspected or serviced and is compliant in the country you live and use the Product in, please use the Horizon Online Service Request submission process found on our website or call Horizon to obtain a Return Merchandise Authorization (RMA) number. Pack the Product securely using a shipping carton. Please note that original boxes may be included, but are not designed to withstand the rigors of shipping without additional protection. Ship via a carrier that provides tracking and insurance for lost or damaged parcels, as Horizon is not responsible for merchandise until it arrives and is accepted at our facility. An Online Service Request is available at http://www.horizonhobby.com/content/servicecenter_render-service-center. If you do not have internet access, please contact Horizon
Product Support to obtain a RMA number along with instructions for submitting your product for service. When calling Horizon, you will be asked to provide your complete name, street address, email address and phone number where you can be reached during business hours.
When sending product into Horizon, please include your RMA number, a list of the included items, and a brief summary of the problem. A copy of your original sales receipt must be included for warranty consideration. Be sure your name, address, and RMA number are clearly written on the outside of the shipping carton.
NOTICE: Do not ship Li-Po batteries to Horizon. If you have any issue with a Li-Po battery, please contact the appropriate Horizon Product Support office.
Warranty Requirements
For Warranty consideration, you must include your original sales receipt verifying the proof-of-purchase date. Provided warranty conditions have been met, your Product will be serviced or replaced free of charge. Service or replacement decisions are at the sole discretion of Horizon. Non-Warranty Service Should your service not be covered by warranty, service will be completed and payment will be required without notification or estimate of the expense unless the expense exceeds 50% of the retail purchase cost. By submitting the item for service you are agreeing to payment of the service without notification. Service estimates are available upon request. You must include this request with your item submitted for service.
Non-warranty service estimates will be billed a minimum of ½ hour of labor. In addition you will be billed for return freight. Horizon accepts money orders and cashier’s checks, as well as Visa, MasterCard, American Express, and Discover cards. By submitting any item to Horizon for service, you are agreeing to Horizon’s Terms and Conditions found on our website http://www.horizonhobby.com/content/service-center_render-service-center.
ATTENTION: Horizon service is limited to Product compliant in the country of use and ownership. If received, a non-compliant Product will not be serviced. Further, the sender will be responsible for arranging return shipment of the unserviced Product, through a carrier of the sender’s choice and at the sender’s expense. Horizon will hold non-compliant Product for a period of 60 days from notification, after which it will be discarded.
WARRANTY AND SERVICE CONTACT INFORMATION
| Country of Purchase | Horizon Hobby | Contact Information | Address |
|
United States of America | Horizon Service Center (Repairs and Repair Requests) | servicecenter.horizonhobby.com/RequestForm/ | 2904 Research Rd. Champaign, Illinois, 61822 USA |
| Horizon Product Support (Product Technical Assistance) | [email protected] 877-504-0233 | ||
| Sales | [email protected] 800-338-4639 | ||
| European Union | Horizon Technischer Service | [email protected] +49 (0) 4121 2655 100 | Hanskampring 9 D 22885 Barsbüttel, Germany |
| Sales: Horizon Hobby GmbH |
FCC INFORMATION
FCC ID: BRWDX3Q2UC
FCC ID: BRWSRS6200A
This equipment complies with FCC and IC radiation exposure limits set forth for an uncontrolled environment. This equipment should be installed and operated with minimum distance 20cm between the radiator and/or antenna and your body (excluding fingers, hands, wrists, ankles and feet). This transmitter must not be co-located or operating in conjunction with any other antenna or transmitter. Supplier’s Declaration of Conformity
LOSI Tenacity Desert Buggy Pro with SMART Technology, RTR: 1/10 4WD (LOS03027)
This device complies with part 15 of the FCC Rules. Operation is subject to the following two conditions: (1) This device may not cause harmful interference, and (2) this device must accept any interference received, including interference that may cause undesired operation.
CAUTION: Changes or modifications not expressly approved by the party responsible for compliance could void the user’s authority to operate the equipment.
NOTE: This equipment has been tested and found to comply with the limits for a Class B digital device, pursuant to part 15 of the FCC Rules. These limits are designed to provide reasonable protection against harmful interference in a residential installation. This equipment generates, uses and can radiate radio frequency energy and, if not installed and used in accordance with the instructions, may cause harmful interference to radio communications. However, there is no guarantee that interference will not occur in a particular installation. If this equipment does cause harmful interference to radio or television reception, which can be determined by turning the equipment off and on, the user is encouraged to try to correct the interference by one or more of the following measures:
- Reorient or relocate the receiving antenna.
- Increase the separation between the equipment and receiver.
- Connect the equipment into an outlet on a circuit different from that to which the receiver is connected.
- Consult the dealer or an experienced radio/TV technician for help.
Horizon Hobby, LLC 2904 Research Rd., Champaign, IL 61822
- Email: [email protected]
- Web: HorizonHobby.com
- IC INFORMATION
- CAN ICES-3 (B)/NMB-3(B)
- Contains IC: 6157A-KATY1T
- 6157A-DX3Q2UC
- 6157A-SRS6200A
This device contains license-exempt transmitter(s)/receivers(s) that comply with Innovation, Science, and Economic Development Canada’s license-exempt RSS(s). Operation is subject to the following 2 conditions:
- This device may not cause interference.
- This device must accepT
COMPLIANCE INFORMATION FOR THE EUROPEAN UNION
EU Compliance Statement:
Losi Tenacity Desert Buggy Pro , RTR (LOS03027)
Hereby, Horizon Hobby, LLC declares that the device is in compliance with the following: EU RED 2014/53/EU; RoHS 2 Directive 2011/65/EU; RoHS 3 Directive – Amending
2011/65/EU Annex II 2015/863.
The full text of the EU declaration of conformity is available at the following internet address:
https://www.horizonhobby.com/content/support-render-compliance.
NOTE: This product contains batteries that are covered under the 2006/66/EC European Directive, which cannot be disposed of with normal household waste. Please follow local regulations.
- Wireless Frequency Range and Wireless Output Power: Transmitter:
- 2402–2478MHz
- 17.7 dBm
- Receiver:
- 2404–2476MHz
- 5.58dBm
Horizon Hobby, LLC
- 2904 Research Road
- Champaign, IL 61822 USA
EU Importer of Record:
- Horizon Hobby, GmbH
- Hanskampring 9
- 22885 Barsbüttel Germany
WE NOTICE:
This appliance is labeled in accordance with European Directive 2012/19/EU concerning waste of electrical and electronic equipment (WEEE). This label indicates that this product should not be disposed of with household waste. It should be deposited at an appropriate facility to enable recovery and recycling.
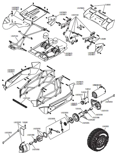
REPLACEMENT PARTS
| Part # | English | Deutsch | Français | Italiano |
| LOS230070 | Body Set, Lucas Oil | Karosseriesatz, Lucas-Öl | Ensemble carrosserie, Lucas Oil | Set carrozzeria, Lucas Oil |
| LOS230071 | Body Set, FOX Racing | Karosseriesatz, FOX Racing | Ensemble carrosserie, FOX Racing | Set carrozzeria, FOX Racing |
| LOS230072 | Body Clip Leash(4) | Gehäuseklemme Schnur (4) | Laisse de clip de carrosserie (4) | Laccio per clip per carrozzeria (4) |
| LOS231026 | Steer BellcrankSet | Steuerungsumlenkhebelsatz | Ensemble levier coudé de direction | Set squadrette sterzo |
| LOS231027 | Steer Pst/Tubes&HDWE | Lenkungsteile/Schläuche und Hardware | Colonne/tubes de direction et accessoires | Montanti/tubi e ferramenta sterzo |
| LOS231030 | Chassis Support Set | Karosserieträgersatz | Ensemble support de châssis | Set supporti telaio |
| LOS231031 | Motor Mount | Motorhalterung | Support moteur | Supporto motore |
| LOS231033 | SteeringDragLink&Hdwe | Lenkzwischenstange und Hardware | Barre de d’accouplement de direction et accessoires | Set tirante long. sterzo e ferramenta |
| LOS231041 | Roll Cage Set | Überrollkäfig-Set | Ensemble de cage de retournement | Set scocca di sicurezza |
| LOS231054 | Battery Mount Set | Akkuhalterungssatz | Ensemble support de batterie | Set supporto batteria |
| LOS231055 | Side Guar,Alum Chas | Seitenschutz, Aluminiumchassis | Protection latérale, châssis en aluminium | Paracolpi laterali, telaio in alluminio |
| LOS231056 | Aluminum Chassis | Aluminiumchassis | Châssis en aluminium | Telaio in alluminio |
| LOS231057 | Rod Ends & Links | Stangenende und Verbindungen | Embouts de bielle et liaisons | Testa di biella e asta di collegamento |
| LOS232023 | Diff Case Set | Differentialgehäusesatz | Ensemble boîtier de différentiel | Set scatola diff. |
| LOS232024 | CenterDrive Coupler | Zentrale Antriebskupplung | Accouplement d’entraînement central | Acc. albero trasm. centrale |
| LOS232025 | 40T SpurGear,Mod 1 | 40T Stirnrad, Mod 1 | Roue droite cylindrique 40T, mod. 1 | Corona 40T, Mod 1 |
| LOS232026 | Diff Housing | Diffentialgehäuse | Logement différentiel | Alloggiamento diff. |
| LOS232027 | FrRing&PinGearSet | Vorderes Hohlrad- und Stiftsatz | Ensemble pignon et anneau avant | Set ingr. e corona pignone ant. |
| LOS232028 | R Ring&PinGearSet | Hinterer Hohlrad- und Stiftsatz | Ensemble pignon et anneau arrière | Set ingr. e corona pignone post. |
| LOS232029 | DiffGearSet w/Hardware | Differentialgetriebesatz mit Hardware | Ensemble engrenage différentiel avec accessoires | Set ingr. diff. con accessori |
| LOS232030 | Outdrive, Diff (2) | Flexwelle, Diff (2) | Entraînement extérieur, différentiel (2) | Outdrive, diff.(2) |
| LOS232031 | Wheel Hex Set (4) | Sechskantradsatz (4) | Ensemble d’hexagone de roue (4) | Set trascinatori esagonali (4) |
| LOS232032 | Fr/R Driveshafts(2) | Vordere/Hintere Antriebswellen (2) | Arbres de transmission avant/arrière (2) | Albero trasm. ant./post. (2) |
| LOS232033 | FRCenter Dogbone(1) | Vorderes, mittiges Dogbone (1) | Dogbone central avant (1) | Dogbone centrale ant. |
| LOS232034 | R Center Dogbone(1) | Hinteres, mittiges Dogbone (1) | Dogbone central arrière (1) | Dogbone centrale post. |
| LOS233011 | Shock Plastics Set | Kunststoff-Stoßdämpfersatz | Ensemble plastiques d’amortisseur | Set plastiche ammortizzatori |
| LOS233013 | Spring Set | Federnsatz | Ensemble ressort | Set molle |
| LOS233014 | RearShockShaft(2) | Hintere Kolbenstange (2) | Bras d’amortisseur arrière (2) | Albero amm. post. (2) |
| LOS233015 | FrontShockShaft(2) | Vordere Kolbenstange (2) | Bras d’amortisseur avant (2) | Albero amm. ant. (2) |
| LOS233025 | Adjuster Nut | Einstellmutter | Écrou d’ajustement | Dado di registrazione |
| LOS233026 | Aluminum Shock Caps | Aluminium Stoßdämpferkappen | Capuchons d’amortisseur en aluminium | Tappi amm. in alluminio |
| LOS233027 | Alum Frt Sh Bodies | Aluminium Vordere Welle | Corps d’amortisseur avant en aluminium | Corpi amm. in alluminio ant. |
| LOS233028 | Alum Rr Sh Bodies | Aluminium Hintere Welle | Corps d’amortisseur arrière en aluminium | Corpi amm. in alluminio post. |
| LOS234016 | Front Arm Set | Vorderarmsatz | Ensemble bras avant | Set braccio anteriore |
| LOS234017 | Rear Arm Set | Hinterarmsatz | Ensemble bras arrière | Set braccio posteriore |
| LOS234018 | FR Spndl&Carrier St | Vorderer/Hinterer Spindel- und Trägersatz | Ensemble axe et support avant | Set fuselli e portafuselli ant. |
| LOS234019 | FR/R PinMntCover St | Vorderer/Hinterer Stift Halterungsabdeckungssatz | Ensemble cache de support de broche avant/arrière | Set coperture con fiss. a perni |
| LOS234020 | Rear Hubs Set | Hinterradnabensatz | Ensemble moyeux arrière | Set mozzi posteriori |
| LOS234021 | Hingepin&KingpinSet | Scharnierstift- und Sattelzapfen-Satz | Ensemble axe de charnière et pivot d’articulation | Set perni di fuso e cerniera |
| LOS234023 | PivotPinMntSt,Steel(4) | Drehzapfen Halterungssatz, Stahl (4) | Ensemble support de pivot, acier (4) | Set montaggio perni girevoli, acciaio (4) |
| LOS234035 | Alum Frt Shock Tower | Vordere Stoßdämpferbrücke, Aluminium | Tour d’amortisseur avant en aluminium | Torre amm. alluminio, ant. |
| LOS234036 | Alum Rr Shock Tower | Hintere Stoßdämpferbrücke, Aluminium | Tour d’amortisseur arrière en aluminium | Torre amm. alluminio, post. |
| LOS234037 | Sway Bar Set | Schwingen-Set | Ensemble barre stabilisatrice | Set barra antirollio |
| LOS235011 | Set Screws M3x3mm Cup Point(10) | Stellschrauben M3 x 3 mm Ringschneide (10) | Vis de fixation M3 x 3 mm Bout cuvette (10) | Set viti bombate, M3 x 3 mm (10) |
| LOS235012 | Set Screws M4x4mm Cup Point(10) | Stellschrauben M4 x 4 mm Ringschneide (10) | Vis de fixation M4 x 4 mm Bout cuvette (10) | Set viti bombate, M4 x 4 mm (10) |
| LOS235024 | Button Head Screws M3x25mm (10) | Rundkopfschrauben, M3 x 25 mm (10) | Vis à tête bombée M3 x 25 mm (10) | Viti a testa tonda, M3 x 25 mm (10) |
| LOS235025 | Button Head Screws M3x30mm (10) | Rundkopfschrauben, M3 x 30 mm (10) | Vis à tête bombée M3 x 30 mm (10) | Viti a testa tonda, M3 x 30 mm (10) |
| LOS235026 | Set Screws,M3 x 4mm CupPoint(10) | Stellschrauben, M3 x 4 mm Ringschneide (10) | Vis de fixation, M3 x 4 mm Bout cuvette (10) | Set viti bombate, M3 x 4 mm (10) |
| LOS235027 | Set Screws,M3x10mm CupPoint(10) | Stellschrauben, M3 x 10 mm Ringschneide (10) | Vis de fixation, M3 x 10 mm Bout cuvette (10) | Set viti bombate, M3 x 10 mm (10) |
| LOS236000 | E-Clips 2.5mm (12) | E-Klemmen, 2,5 mm (12) | Attaches en E 2,5 mm (12) | E-Clip, 2,5 mm (12) |
| LOS236001 | 3.2mm x 7mmx .5mm Washer(10) | 3,2 mm x 7 mm x 0,5 mm Unterlegscheibe(10) | Rondelle 3,2 mm x 7 mm x 5 mm (10) | Rondella 3,2 mm x 7 mm x 0,5 mm (10) |
| LOS237000 | 12x18x4mm Ball Bearing (4) | 12 x 18 x 4 mm Kugellager (4) | Roulement à billes 12 x 18 x 4 mm (4) | Cuscinetti a sfera 12x18x4 mm (4) |
| LOS237001 | 10x15x4mm Ball Bearing (4) | 10 x15 x 4 mm Kugellager (4) | Roulement à billes 10 x 15 x 4 mm (4) | Cuscinetti a sfera 10x15x4 mm (4) |
| LOSA6955 | 5x11x4mm Ball Bearing (4) | 5 x 11 x 4 mm Kugellager (4) | Roulement à billes 5 x 11 x 4 mm (4) | Cuscinetti a sfera 5x11x4 mm (4) |
| LOS43026 | Method Whl w/Falken Tire | Method-Räder mit Falken-Reifen | Roue Method avec pneu Falken | Ruote Method con pneumatici Falken |
| LOSA3575 | 1.0 Module Pitch Pinion,15T | 1.0 Modul Getrieberad, 15T | Pignon de pas de module 1.0, 15T | Pignone passo modulo 1.0, 15T |
| LOSA3577 | 1.0 Module Pitch Pinion,17T | 1.0 Modul Getrieberad, 17T | Pignon de pas de module 1.0, 17T | Pignone passo modulo 1.0, 17T |
| LOSA6940 | 6x12mm Sealed Ball Bearing (4) | 6 x 12 mm abgedichtetes Kugellager (4) | Roulement à billes hermétique 6 x 12 mm (4) | Cuscinetto a sfera sigillato 6×12 mm (4) |
| SPM2340 | DX3 3CH DSMR Radio | DX3 DSMR-Funkgerät mit 3 Kanälen | Radio DSMR 3 canaux DX3 | Radio DX3 3Ch DSMR |
| SPMS614S | 15KG Servo, WP, Metal Center Case 23T | 15 kg Servo, WP, zentrales Metallgehäuse 23T | Servo 15KG, WP, Métal. Boîtier 23T | Servo 15KG, WP, custodia cent. in metallo 23T |
| SPMSR6200A | SR6200A 6 Ch AVC/Telemetry Surface Receiver | SR6200A AVC Telemetrie Oberflächenempfänger mit 6 Kanälen | Tele Surf RX/AVC 6 canaux SR6200A | RX di superficie SR6200A 6 Ch AVC/ Telemetria |
| SPMXSE1130 | Firma SMART 130A Brushless ESC | Firma SMART 130 A bürstenloser Geschwindigkeitsregler | ESC sans balais 130 A SMART Firma | ESC Brushless Firma SMART 130A |
| SPMXSM1000 | Firma 3150Kv Brushless Motor | Firma 3150 kV bürstenloser Motor | Moteur sans balais 3150 Kv Firma | Motore Brushless Firma 3150 Kv |
| Part # | English | Deutsch | Français | Italiano |
| TLR235007 | Flat Head Screw M2.5 x 10mm (10) | Flachkopfschraube M2,5 x 10 mm (10) | Vis à tête plate M2,5 x 10 mm (10) | Viti a testa piana, M2.5 x 10 mm (10) |
| TLR255008 | Button Head Screws, M4x16mm (10) | Rundkopfschrauben, M4 x 16 mm (10) | Vis à tête bombée, M4 x 16 mm (10) | Viti a testa tonda, M4 x 16 mm (10) |
| TLR255013 | Flat Head Screws, M4x12mm (10) | Flachkopfschrauben, M4 x 12 mm (10) | Vis à tête plate, M4 x 12 mm (10) | Viti a testa piana, M4 x 12 mm (10) |
| TLR256005 | Nylock Nut, M4 (10) | Nylock-Mutter, M4 (10) | Contre-écrou Nylock, M4 (10) | Dado Nylock, M4 (10) |
| TLR336005 | M3 Flanged Alum Locknuts Blk(10) | M3 Aluminium-Sicherungsmuttern mit Flansch, schwarz (10) | Contre-écrous M3 en aluminium à collet, noirs (10) | Controdado flangiato allum. M3, nero (10) |
| TLR5901 | Button Hd Screws, M3 x 6mm (10) | Rundkopfschrauben, M3 x 6 mm (10) | Vis à tête bombée, M3 x 6mm (10) | Viti a testa tonda, M3 x 6mm (10) |
| TLR5902 | Button Hd Screws, M3 x 8mm (10) | Rundkopfschrauben, M3 x 8 mm (10) | Vis à tête bombée, M3 x 8mm (10) | Viti a testa tonda, M3 x 8 mm (10) |
| TLR5903 | Button Hd Screws, M3 x 10mm (10) | Rundkopfschrauben, M3 x 10 mm (10) | Vis à tête bombée, M3 x 10mm (10) | Viti a testa tonda, M3 x 10mm (10) |
| TLR5904 | Button Hd Screws, M3 x 12mm (10) | Rundkopfschrauben, M3 x 12 mm (10) | Vis à tête bombée, M3 x 12mm (10) | Viti a testa tonda, M3 x 12mm (10) |
| TLR5905 | Button Hd Screws, M3 x 18mm (10) | Rundkopfschrauben, M3 x 18 mm (10) | Vis à tête bombée, M3 x 18mm (10) | Viti a testa tonda, M3 x 18mm (10) |
| TLR5908 | Button Hd Screws, M3 x 44mm (4) | Rundkopfschrauben, M3 x 44 mm (4) | Vis à tête bombée, M3 x 44mm (4) | Viti a testa tonda, M3 x 44mm (4) |
| TLR5909 | Button Head Screws, M3x16mm(10) | Rundkopfschrauben, M3 x 16 mm (10) | Vis à tête bombée, M3 x 16 mm (10) | Viti a testa tonda, M3 x 16 mm (10) |
| TLR5910 | Button Head Screws M3 x 14mm(10) | Rundkopfschraube, M3 x 14 mm (10) | Vis à tête bombée, M3 x 14 mm (10) | Viti a testa tonda, M3 x 14 mm (10) |
| TLR5911 | Button Head Screws,M3 x 20mm(10) | Rundkopfschrauben, M3 x 20 mm (10) | Vis à tête bombée, M3 x 20mm (10) | Viti a testa tonda, M3 x 20mm (10) |
| TLR5914 | Button Head Screws,M2 x 12mm(10) | Rundkopfschrauben, M2 x 12 mm (10) | Vis à tête bombée, M2 x 12 mm (10) | Viti a testa tonda, M2 x 12mm (10) |
| TLR5932 | Cap Head Screws, M3 x 10mm (10) | Inbusschrauben, M3 x 10 mm (10) | Vis d’assemblage creuses, M3 x 10mm (10) | Viti a testa cilindrica, M3 x 10mm (10) |
| TLR5933 | Cap Head Screws, M3 x 12mm (10) | Inbusschrauben, M3 x 12 mm (10) | Vis d’assemblage creuses, M3 x 12mm (10) | Viti a testa cilindrica, M3 x 12mm (10) |
| TLR5963 | Flathead Screw, M3 x 12mm (10) | Flachkopfschraube, M3 x 12 mm (10) | Vis à tête plate, M3 x 12mm (10) | Viti a testa piana, M3 x 12 mm (10) |
| TLR5964 | Flathead Screw, M3 x 16mm (10) | Flachkopfschraube, M3 x 16 mm (10) | Vis à tête plate, M3 x 16mm (10) | Viti a testa piana, M3 x 16mm (10) |
| TLR5965 | Flathead Screw, M3 x 20mm (10) | Flachkopfschraube, M3 x 20 mm (10) | Vis à tête plate, M3 x 20mm (10) | Viti a testa piana, M3 x 20mm (10) |
| TLR6313 | Locknut, M3 x .5 x 5.5mm (10) | Kontermutter, M3 x 0,5 x 5,5 mm (10) | Contre-écrou M3 x 5 x 5,5 mm (10) | Controdadi, M3 x 5 x 5,5 mm (10) |
| TLR6352 | Washers, M3 (10) | Unterlegscheiben, M3 (10) | Rondelles, M3 (10) | Rondelle, M3 (10) |
| TLR74008 | Silicone Shock Oil, 35 Wt, 2 Oz | Stoßdämpfer-Silikonöl, 35 wt, 59 ml (2 oz) | Huile silicone pour amortisseurs, 35 WT, 2 oz | Olio di silicone amm. 35 wt, 60 ml (2 oz) |
| TLR8202 | Body Clips, Black (12) | Gehäuseklemmen, schwarz (12) | Clips de carrosserie, noir (12) | Clip carrozzeria, colore nero (12) |
RECOMMENDED PARTS
| Part # | English | Deutsch | Français | Italiano |
| DYNC3015 | Passport P1 mini-AC Input Balance Charger/Discharger | Passport P1 Mini Wechselstrom Ausgleichs- und -Entladegerät | Chargeur/déchargeur mini-entrée c.a. avec équilibrage Passport P1 | Caricatore/scaricatore con bilanciamento in ingresso Passport P1 mini-AC |
| SPMX50002S50H5 | 5000mAh 2S 7.4V50CSmartLiPo IC5 | 5000 mAh 2S 7,4 V 50C Smart LiPo IC5 | IC5 LiPo Smart 50C 7,4 V 2S 5000 mAh | 5000 mAh 2S 7,4 V 50C Smart LiPo IC5 |
| SPMX50003S50H5 | 5000mAh 3S 11.1V50CSmartLiPo IC5 | 5000 mAh 3S 11,1 V 50C Smart LiPo IC5 | IC5 LiPo Smart 50C 11,1 V 3S 5000 mAh | 5000 mAh 3S 11,1 V 50C Smart LiPo IC5 |
OPTIONAL PARTS
| Part # | English | Deutsch | Français | Italiano |
| DYN2834 | Startup Tool Set: Metric | Anfänger-Werkzeugsatz: Metrisch | Jeu d’outils de démarrage : Métrique | Set utensili per avvio: metrico |
| DYN5500 | Magnum Force 2 Motor Spray, 13 oz | Magnum Force 2 Motorspray, 368 g | Vaporisateur pour moteur Magnum Force 2, 13 onces | Spray per motore Magnum Force 2, 385 ml |
| DYNT2010 | Machined Nut Driver Set (4) Metric | Set gefräste Steckschlüssel (4) metrisch | Ensemble de tournevis à écrou usiné (4) Métrique | Set di chiavi per dadi lavorate (4), metrico |
| DYNT2030 | Machined Hex Driver Set (4) Met | Set gefräste Inbusschraubendreher (4) Met | Ensemble clé à six pans usinée (4) Métrique | Set di chiavi esagonali lavorate (4), metrico |
| LOS230053 | Body Set, Clear | Karosseriesatz, farblos | Carrosserie, transparente | Set carrozzeria, trasparente |
| LOS43011 | Dsrt Claws Tires w/Foam,Soft (2) | Desert Claws-Reifen mit Schaumstoff, weich (2) | Pneus Desert Claws avec mousse, tendres (2) | Ruote Desert Claws con schiuma, morbide (2) |
| LOSA3571 | 1.0 Module Pitch Pinion,11T | 1.0 Modul Getrieberad, 11T | Pignon de pas de module 1.0, 11T | Pignone passo modulo 1.0, 11T |
| LOSA3573 | 1.0 Module Pitch Pinion,13T | 1.0 Modul Getrieberad, 13T | Pignon de pas de module 1.0, 13T | Pignone passo modulo 1.0, 13T |
| LOSA3576 | 1.0 Module Pitch Pinion,16T | 1.0 Modul Getrieberad, 16T | Pignon de pas de module 1.0, 16T | Pignone passo modulo 1.0, 16T |
| LOSA3578 | 1.0 Module Pitch Pinion,18T | 1.0 Modul Getrieberad, 18T | Pignon de pas de module 1.0, 18T | Pignone passo modulo 1.0, 18T |
| LOSA99173 | Ride Height Gauge | Höhenmesser | Jauge de hauteur de course | Misuratore altezza marcia |
| LOSA99174 | Car Stand | Fahrzeugständer | Socle | Supporto automodello |
| LOSB3493 | Alum Clamping Whl Hex | Aluminium Klemmrad Sechskant | Hexagone de roue de blocage en aluminium | Set serraggio ruote esagonale allum. |
| SPM6730 | Spektrum Tx Storage Bag | Spektrum Tx Aufbewahrungstasche | Sac de rangement Spektrum Tx | Sacco custodia Tx Spektrum |
| SPM6741 | DX2E ACTIVE Bluetooth Module | DX2E ACTIVE Bluetooth-Modul | Module Bluetooth DX2E ACTIVE | Modulo Bluetooth DX2E ACTIVE |
| SPMSS6230 | S6230 U-T / M-S Digital WP Servo | S6230 U-T/M-S Digitaler WP Servo | Servo numérique S6230 U-T / M-S WP | Servo impermeabile digitale S6230 U-T / M-S |
| TLR332014 | Rear Hex, +0.5mm Width,Alum | Hinterer Sechskant, +0,5 mm Breite,Aluminium | Hexagone arrière, +0,5 mm de large, aluminium | Hex posteriore, +0,5 mm di larghezza, alluminio |
| TLR336000 | 4mmAlumSerratedLockNuts,Black(6) | 4 mm Aluminium Rändelmutter, schwarz (6) | Contre-écrous striés en aluminium de 4 mm, noirs (6) | Dadi dentellati, 4 mm, alluminio, neri (6) |
| TLR336001 | 4mmAlumSerratedLockNuts,Blue(6) | 4 mm Aluminium Rändelmutter, blau (6) | Contre-écrous striés en aluminium de 4 mm, bleus (6) | Dadi dentellati, 4 mm, alluminio, blu (6) |
| TLR5062 | Bleeder Shock Caps, Alum (2) | Stoßdämpfer-Entlüfterkappen, Aluminium (2) | Capuchons d’amortisseur avec purgeur, aluminium (2) | Tappi di sfiato amm., alluminio (2) |
| TLR74006 | Silicone Shock Oil, 30wt, 2oz | Stoßdämpfer-Silikonöl, 30 wt, 59 ml (2oz) | Huile silicone pour amortisseurs, 30 WT, 2 oz | Olio di silicone amm., 30 wt, 60 ml (2 oz) |
| TLR74010 | Silicone Shock Oil, 40 Wt, 2 Oz | Stoßdämpfer-Silikonöl, 40 wt, 59 ml (2 oz) | Huile silicone pour amortisseurs, 40 WT, 2 oz | Olio di silicone amm., 40 wt, 60 ml (2 oz) |
| TLR76000 | Tire Glue, Standard | Reifenklebemittel, Standard | Colle de pneu, standard | Colla pneumatici, standard |
| TLR76004 | TLR Lok, Threadlock, Blue | TLR Lok, Schraubensicherung, blau | Verrou TLR, frein-filet, bleu | TLR Lok, frenafiletti, blu |
EXPLODED VIEW






References
RC Airplanes and Helicopters, RC Cars and Trucks, RC Boats, RC Radios | Horizon Hobby
Horizon Hobby Service Center
RC Airplanes, Cars, Trucks, Helicopters, Boats, Radios, Trains | Horizon Hobby icon-close icon-menu icon-arrow-white logo-horizon-hobby-mobile-white icon-close-white icon-arrow icon-arrow icon-arrow icon-arrow icon-arrow icon-arrow icon-arrow icon-arrow ic
Ferngesteuerte Flugmodelle, Autos, Trucks, Hubschrauber, Boote und Fernsteuerungen | Horizon Hobby
Product Service Center - Request Form
Spektrum RC Transmitters and RC Electronics | Spektrum
RC Airplanes and Helicopters, RC Cars and Trucks, RC Boats, RC Radios | Horizon Hobby
RC Airplanes and Helicopters, RC Cars and Trucks, RC Boats, RC Radios | Horizon Hobby
The leaders in RC car and truck innovation and design | Losi
RC Cars, RC Trucks, RC Airplanes, Model Trains, and Slot Cars at Tower Hobbies
Horizon Hobby Compliance Information

























