BOSE AMM108 Multipurpose Loudspeaker

Presentation
The AMM108 multi-use enclosure is based on a design passive two-way coaxial with a compression engine of 1.7 inches, an 8-inch low-frequency driver, and powerful sound: 128 dB peak. Its waveguide with dispersion alignment, an exclusive technology, delivers signature Bose sound quality, with frequency response, clarity, and projection homogeneous over the entire coverage area, for a remarkably powerful audio experience for the artists as well as for their public. The AMM108 loudspeaker is suitable for many applications ranging from medium-power sound systems to stage monitors in portable or permanent audio systems and offers outstanding vocal projection and clarity. The model AMM108 ensures a homogeneous sound system with the Bose AM speaker modules and Bose AMU speakers. So you can easily combine models from of the three ranges to create different types of systems.
Main characteristics
- An ultra-powerful compact design offering 128 dB peak sound pressure with coaxial magnet motor shared: 1.7-inch compression driver and 8-inch low-frequency driver.
- Multi-use versatility for use as a main, monitor, delay, or booster speaker. Extend system bandwidth to 35Hz when paired with an AMS115 subwoofer.
- Seamless sound reinforcement and tonal balance with Bose AM speaker modules and Bose AMU speakers.
- Easily create complete systems and save considerable time during system configuration.
- Proprietary dispersion-aligned waveguide delivers signature Bose sound quality, aligning the directivities of low and high-frequency beams at the crossover point to deliver consistent sound over the entire coverage area.
- Multi-position housing offering a coverage angle of 110° x 60°: easily switch from horizontal coverage to a vertical cover, and vice versa, by simply rotating the case; no disassembly or tools required.
- Lightweight 13kg body with a large ergonomic handle and a 35mm tripod mount for easy transport and installation.
- Pair with Bose PowerMatch amplifiers and ControlSpace processors for performance and optimal enclosure protection.
- Easy deployment in permanent or portable applications thanks to its U-bracket, suspension bracket, and bi-pivot mount for optional RMU, or the 6 integrated M10 inserts to create a custom suspension.
- AMS115 Multi-Purpose Subwoofer is also available: 15″ speaker, low frequencies up to 35 Hz, 130 dB peak sound pressure, 28 kg weight with integrated M20 threaded pole base and 12 threaded inserts M10 for suspension in permanent installations.
AMM108
Technical characteristics
| PERFORMANCES D’UNE ENCEINTE | |
| Frequency response (-3 dB) 1 | 88 – 17 000 Hz |
| Frequency range (-10 dB) | 75 – 20 000 Hz |
| Profile the zuverture nominal | 110° horizontal × 60° vertical |
| Angle d’inclinaison vers l’arriere | 35° |
| Filterage | Passif internet; Use the recommended Bose presets to benefit from optimal performance |
| Puissance maximum supporte en continu 2 | 150 W |
| Puissance maximume, crete 3 | 2 400 W |
| Sensibility (pressure acoustic / 1 W at 1 m) 4 | 94 dB |
| Maximum acoustic pressure calculated at 1 m 5 | 116 dB |
| Pressure acoustique maximale en crete calculated at 1 m | 128 dB |
| TRANSDUCERS | |
| Basse frequency | Driver 8 by (203 mm) |
| High frequency | Muter de compression 1.sh per (sh mm) |
| Nominal impedance | 8 Ω, passive |
| CARACTERISTIQUES PHYSIQUES | |
| Case material | Baltic plywood |
| Finition | Revetement en 2 parts en polyurethane noir |
| Grille | Acier perfore, finition peinte thermolaque, noir |
| Environnement 6 | Indice de protection IP43 (only Avant-scene position) |
| connectors | 2 inputs on Neutrik® NL4 connectors, wired in parallel |
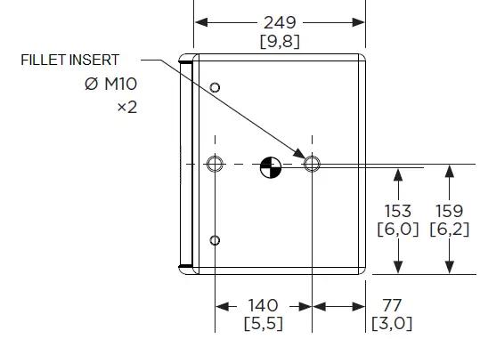
| Suspension/Montage | 1 reinforcement pour trepied 35 mm (1.4 in) (for montage sur mât) 4 inserts filetés M8 (for fixation RMUBRKT1) 6 inserts fillet M10 (for fixation or mounting of accessories) |
| Dimensions (Largeur × Hauteur × Profondeur) | 318 mm × 318 mm × 268 mm (12,5 po × 12,5 po × 10,5 po) |
| There is no food | 13,04 kg (28,75 lb) |
| Gross consumption | 15,45 kg (34,06 lb) |
| Accessories available in option | Kit support en U AMM108; support de suspension AM; RMUBRKT1 (support bi-pivot for RMU) |
| CODES PRODUITS | |
| Enzeinte AMM108 | 843160-0110 (ENGINE MULTI-USAGE AMM108) |
| Kit support en U AMM108 | 843367-0010 (EN SUPPORT IN AMM108) |
| Support the suspension of AM | 843344-0010 (SUPPORT DE SUSPENSION AM) |
| RMUBRKT1 (support bi-pivot por RMU), born | 738453-0110 (SUPPORT BI-PIVOT RMU, NIR) |
- Frequency response and frequency range were measured on the axis, in an anechoic environment, with recommended loudspeaker treatment. Frequency response graphs show SPL values relative to a 0 dB line referred to as the sensitivity SPL value.
- Bose extended life test conducted using filtered pink noise in accordance with IEC 268-5, 6dB crest factor, 500-hour duration.
- Bose peak power test was conducted using pink noise with 12 dB crest factor, 96-hour duration, with recommended speaker treatment.
- Sensitivity was measured in an anechoic environment, with recommended loudspeaker treatment.
- Maximum sound pressure is calculated from sensitivity and power ratings, excluding power compression.
- An IP43 degree of protection applies when the loudspeaker is positioned upright (facade application). The index does not apply when the loudspeaker is tilted backward (stage monitor application).
Response frequency

- sheep legalization large the gang
- sheep legalization domoniter
Larger where faisceau

Dimensions
Seen Avant
GRILLE NON REPRESENTE
See rear

See of above

See of underneath

See of left

See of right

REMARKS:
- DIMENSIONS ARE SHOWN IN MILLIMETERS AND INCHES.
- ITS WEIGHT IS APPROXIMATELY 13.04 KG.
- THE SYMBOL CORRESPONDS TO THE CENTER OF GRAVITY.
Bose, ControlSpace and PowerMatch are trademarks of Bose Corporation. Neutrik is a registered trademark of Neutrik AG. All other trademarks belong to their respective owners.
For more information on specifications and applications, visit PRO.BOSE.COM. Specifications are subject to change without notice. 4/2021















