

INVERTER MULTI
AIR CONDITIONER
CASSETTE TYPE
FUJITSU GENERAL LIMITED
SPECIFICATIONS
INDOOR UNIT
ELECTRICAL DATA
| TYPE | COOL & HEAT | |
| MODEL NAME | AUY12LBAB | AUY14LBAB |
| COOLING CAPACITY | 3.3 kW | 4.0 kW |
| HEATING CAPACITY | 3.7 kW | 4.2 kW |
| MOISTURE REMOVAL | 1.2 L/hr | 1.5 L/hr |
| AIR CIRCULATION HIGH | 550 m3/hr | 550 m3/hr |
FAN MOTOR
| POWER SOURCE | 230 V |
| DISCRIMINATION | MFA-14GTCT |
| HIGH | 730 r.p.m. |
| MIDDLE | 670 r.p.m. |
| LOW | 590 r.p.m. |
NOISE LEVEL
| HIGH | 42 dB |
| MIDDLE | 39 dB |
| LOW | 36 dB |
DIMENSIONS
| INDOOR UNIT H x W x D | 235 x 580 x 580+70 mm |
| GRILL H x W x D | 35 x 650 x 650 mm |
WEIGHT
| INDOOR UNIT Gross / Net | 23 kg / 18 kg |
| GRILL Gross / Net | 4.3 kg / 2.2 kg |
OUTDOOR UNIT
ELECTRICAL SPECIFICATIONS
| TYPE | Cooling & heating multi | ||
| MODEL NAME | AOY18LMAK2 | AOY24LMAM2 | |
| COOLING CAPACITY | 5.5 kW | 5.8 kW | |
| HEATING CAPACITY | 6.3 kW | 6.4 kW | |
| POWER SUPPLY | 230 V | 230 V | |
| FREQUENCY | 50 Hz | 50 Hz | |
| RUNNING CURRENT | Cooling | 7.3 A | 7.6 A |
| Heating | 7.3 A | 7.2 A | |
| INPUT | Cooling | 1.65 kW | 1.73 kW |
| Heating | 1.65 kW | 1.64 kW | |
| EER | Cooling | 3.33 kW/kW | 3.35 kW/kW |
| Heating | 3.82 kW/kW | 3.90 kW/kW | |
| AIR CIRCULATION HIGH | 2,800 m3/hr | 2,800 m3/hr | |
| MAX CURRENT | 10.5 A | 12.5 A | |
FAN MOTOR
| DISCRIMINATION | MFB24JTAT |
| HIGH SPEED (COOL) | 780 r.p.m. |
| HIGH SPEED (HEAT) | 780 r.p.m. |
NOISE LEVEL
| COOL | 49 dB(A) |
| HEAT | 50 dB(A) |
MEASUREMENT
| DIMENSIONS H x W x D | 650 x 830 x 320 mm |
| WEIGHT Net / Gross | 56 kg / 62 kg |
COMPRESSOR AND REFRIGERANT
| COMPRESSOR TYPE | Hermetic type, Inverter, 4 poles, 3-phase, DC motor, Twin Rotary |
| DISCRIMINATION | TNB220FPCMT |
| WEIGHT (with oil) | 14.1 kg |
| STANDARD REFRIGERANT | 1,900 g |
| REFRIGERANT TYPE | R410A |
| ADDITIONAL CHARGE | Chargeless |
| MAX PIPE LENGTH (each unit) | 20 m |
| MAX PIPE LENGTH (total) | 30 m |
| MIN. PIPE LENGTH (each unit) | 5 m |
| MIN. PIPE LENGTH (total) | 10 m |
| MAX ELEVATION (between indoor units) | 10 m |
| MAX ELEVATION (between indoor and outdoor) | 10 m |
OUTLINE AND DIMENSIONS
INDOOR UNIT
(unit : mm)

OUTDOOR UNIT
Unit : mm

REFRIGERANT
SYSTEM DIAGRAM

REFRIGERANT
SYSTEM DIAGRAM

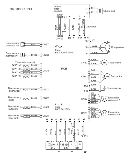
OUTDOOR UNIT

INDOOR PCB CIRCUIT DIAGRAM

OUTDOOR PCB CIRCUIT DIAGRAM
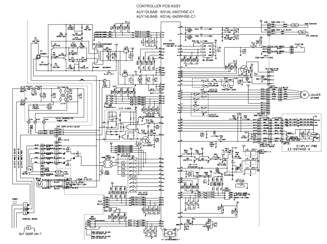
CONTROLLER PCB ASSEMBLY
AOY18LMAK2 : K06DY-0602HUE-C1
AOY24LMAM2 : K06DY-0600HUE-C1
ERROR CONTENTS
Operation can be checked by lighting and flashing of the grille display section OPERATION and TIMER lamps.
Perform judgment in accordance with the following.
TEST RUNNING
When the air conditioner is run by pressing the remote control unit test run button, the OPERATION and TIMER lamps flash slowly at the same time.
CHECK ITEMS
INDOOR UNIT
- Is operation of each button on the remote control unit normal?
- Does each lamp light normally?
- Do not air flow direction louvers operate normally?
- Is the drain normal?
- Is there any abnormal noise and vibration during operation?
| Error display | Error contents | ||
| OPERATION lamp | TIMER lamp | SWING lamp | |
| Blinks | Blinks | Goes off | Indoor unit Model information abnormal (permanent type) |
| Pulses 4 times | Blinks | Goes off | Indoor unit Drain abnormal (permanent type) |
| Pulses 6 times | Blinks | Goes off | Indoor fan abnormal |
| Pulses 2 times | Blinks | Goes off | Room air temperature thermistor open circuit |
| Blinks | Room air temperature thermistor short circuit | ||
| Pulses 3 times | Blinks | Goes off | Indoor unit Piping thermistor open circuit |
| Blinks | Indoor unit Piping thermistor short circuit | ||
| Pulses 5 times | Blinks | Goes off | Outdoor unit circuit board error or miswiring between outdoor unit and indoor unit |
| Blinks | Pulses 5 times | Goes off | Outdoor unit discharge temperature sensor error |
| Blinks | Pulses 3 times | Goes off | Outdoor unit piping sensor error |
| Blinks | Pulses 4 times | Goes off | Outdoor unit outdoor unit temperature sensor error |
OUTDOOR UNIT
| LED | Condition |
| 1 flash | Communication abnormal |
| 2 flashes | Discharge pipe thermistor abnormal |
| 3 flashes | Heat exchanger thermistor abnormal |
| 4 flashes | Outdoor air thermistor abnormal |
| 5 flashes | 2-way valve (A, B) thermistor abnormal |
| 6 flashes | 3-way valve (A, B) thermistor abnormal |
| 7 flashes | Compressor thermistor abnormal |
| 8 flashes | Pressure switch abnormal |
| 9 flashes | Indoor units connection abnormal |
| 10 flashes | Current trip (permanent stop) |
| 11 flashes | CT abonormal (permanent stop) |
| 12 flashes | Compressor location detection abormal (permanent stop) |
| 13 flashes | Compressor does not start (permanent stop) |
| 14 flashes | Timer reduction |
PARTS
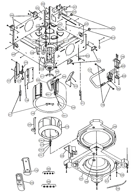
INDOOR UNITS


PANEL
UTG-UDYD-W
PARTS LIST
INDOOR UNIT
| Ref. | Description | Part Number | ||
| AUY12LBAB | AUY14LBAB | |||
| 34 | Capacitor (Fan Motor) | 9704305046 | 9704305046 | |
| 67 | Rubber | 9361279001 | 9361279001 | |
| 117-3 | Special Washer M6 | 313306391007 | 313306391007 | |
| 127 | Drain Hose | 9359659013 | 9359659013 | |
| 138 | Separate Wall-A | 9359647003 | 9359647003 | |
| 146 | Evaporator Assy-IN | 9373214014 | 9373214014 | |
| 160 | Drain Pan | 9359651000 | 9359651000 | |
| 164 | Fan Motor Assy-IN | 9601040064 | 9601040064 | |
| 184-1 | Thermo. Spring-A | 313728262708 | 313728262708 | |
| 185 | Rubber Bushing | 313005066051 | 313005066051 | |
| 187 | Clamp No. 1219 | 313361271706 | 313361271706 | |
| 196 | Clamp SKB-150 | 313035356905 | 313035356905 | |
| 223 | Control Box | 9359661016 | 9359661016 | |
| 234 | Thermistor Assy-Room | 9703299032 | 9703299032 | |
| 235 | Thermistor Assy-Pipe | 9703297014 | 9703297014 | |
| 236 | Controller PCB Assy | 9704557933 | 9704557940 | |
| 240 | Remote Control Unit | 9371190037 | 9371190037 | |
| 244 | Pipe Cover | 9359646006 | 9359646006 | |
| 287 | Cap (Power) | 9352173011 | 9352173011 | |
| 301 | Clamp NK-2N | 313985355201 | 313985355201 | |
| 313 | Hooking Wire | 9359983002 | 9359983002 | |
| 338 | Motor Fixture | 9359656005 | 9359656005 | |
| 381 | Locking Spacer | 313209391506 | 313209391506 | |
| 395 | Supporter (Eva. ) | 9373179016 | 9373179016 | |
| 399 | Air Duct | 9359660002 | 9359660002 | |
| 411 | Supporter-A | 9359655008 | 9359655008 | |
| 430 | Clamp NK-7N | 313095365602 | 313095365602 | |
| 457 | Drain Pan Support | 9359652007 | 9359652007 | |
| 462 | Top Cover Plate | 9359642015 | 9359642015 | |
| 464 | Body-A | 9359643005 | 9359643005 | |
| 465 | Body-B | 9359645009 | 9359645009 | |
| 467 | Drain Port | 313005415658 | 313005415658 | |
| 468 | Special Nut-A (Large) | 313005446653 | 313005446653 | |
| 469 | Special Nut-B (Small) | 313005446759 | 313005446759 | |
| 470 | Separate Wall-B | 9359648000 | 9359648000 | |
| 474 | Turbo Fan | 9359658009 | 9359658009 | |
| 475 | Turbo Fan Rubber | 9366013006 | 9366013006 | |
| 476-1 | Special Nut M8 | 313005360755 | 313005360755 | |
| 476-2 | Special Washer | 301801185049 | 301801185049 | |
| 476-3 | Special Washer | 9359954002 | 9359954002 | |
| 478 | Sensor M. Bracket | 9359654001 | 9359654001 | |
| 479 | Float Switch | 313005416154 | 313005416154 | |
| 482 | Pump Unit | 9359974000 | 9359974000 | |
| 484 | Hanger Metal | 9359644002 | 9359644002 | |
| 488 | Drain Pan Plug | 9359653004 | 9359653004 | |
| 495 | Clamp No. 2U46 | 9352715006 | 9352715006 | |
| 514 | Control Box Cover | 9359662006 | 9359662006 | |
| 628 | Locking Spacer-B | 313005446558 | 313005446558 | |
| 629 | EMI Filter | 0400197119 | 0400197119 | |
| 652-1 | Therm. Holder Pipe | 313806262805 | 313806262805 | |
| 743 | Remote Control Holder | 9305642014 | 9305642014 | |
| 797 | Separate Wall-C | 9359649007 | 9359649007 | |
| 798 | Pump Hook Bracket | 9359650003 | 9359650003 | |
| 815 | Terminal-3P | 9900203016 | 9900203016 | |
| 824-3 | Fuse | 0600222512 | 0600222512 | |
| 834 | Wire Cover | 9359878001 | 9359878001 | |
| 835 | Cushion-A (For Pump) | 9352211003 | 9352211003 | |
| 836 | Cushion-B (For Pump) | 9356084016 | 9356084016 | |
| 875 | Filter PCB Assy | 9704561213 | 9704561213 | |
| 964 | Flare Nut-1/2 | —– | 9373267010 | |
| 965 | Flare Nut-B | 9351062019 | 9351062019 | |
| 989-1 | Cord Clamp-A | 9359822011 | 9359822011 | |
| 989-2 | Cord Clamp-B | 9359823018 | 9359823018 | |
| 990 | Distributor Assy | 9373034049 | 9373034049 | |
GRILLE ASSY (UTG-UDYD-W)
| Ref. | Description | Part Number | |
| 93 | Filter | 9359632009 | |
| 165 | Motor Cover | 9359623014 | |
| 196 | Clamp SKB-150 | 313035356905 | |
| 226 | Motor Gear | 9359629009 | |
| 385 | Indicator PCB Assy | 9702224011 | |
| 392 | Cover-A | 9359622017 | |
| 416 | Insulation (Panel)-A | 9359620006 | |
| 417 | Insulation (Panel)-B | 9359621003 | |
| 690 | Joint-A | 9359626008 | |
| 691 | Joint-B | 9359627005 | |
| 692 | Joint Shaft | 9359625001 | |
| 694 | Cam Gear | 9359628002 | |
| 700 | Panel | 9359619017 | |
| 705 | Louver | 9359624011 | |
| 710 | Intake Grille | 9370126006 | |
| 711-1 | Filter Clamp-A | 9359634003 | |
| 711-2 | Filter Clamp-B | 9359635000 | |
| 758 | Decoration Plate-A | 9360039019 | |
| 763 | Receiver Cover | 9359630005 | |
| 776 | Grille Stopper | 9359633013 | |
| 777 | Grille Hook | 9359761006 | |
| 876-2 | Step Motor-V | 9360307019 |
PARTS
OUTDOOR UNIT
| Ref. | Description | Part number | |
| 1 | Top Panel | 9371925011 | |
| 2 | Protective Net | 9371934013 | |
| 3 | Front Panel | 9371924014 | |
| 4 | Fan Guard | 9371187013 | |
| 5 | Emblem | 9351355005 | |
| 6 | Side Panel L | 9371926018 | |
| 7 | Side Panel R Sub Assy | 9372306048 | |
| 8 | Connecteor Cover | 9366398004 | |
| 9 | Valve Cover | 9372796016 | |
| 10 | Propeller Fan Assy | 9366378013 |
OUTDOOR UNIT
| Ref. | Description | Part number | |
| 11 | Control Cover | 9372792018 | |
| 12 | Controller PCB Assy (18LMAK2) | 9707560039 | |
| 12 | Controller PCB Assy (24LMAM2) | 9707560015 | |
| 13 | Motor Induct | 9601671046 | |
| 14 | Motor Bracket Top | 9371931012 | |
| 15 | Motor Bracket | 9371929019 | |
| 16 | Motor Bracket Center | 9371930015 | |
| 17 | Motor Bracket Bottom | 9371932019 | |
| 18 | Base Assy | 9371920078 | |
| 19 | Condenser Assy | 9372181096 | |
| 20 | Separate Wall | 9372795019 | |
| 21 | Valve Plate | 9371928036 | |
| 22 | 2-Way Valve | 9372204054 | |
| 23 | 3-Way Valve | 9372205044 | |
| 24 | 3-Way Valve | 9372205051 |
| Ref. | Description | Part number | |
| — | Heat Exchanger Thermistor | 9704220059 | |
| — | Thermistor Outdoor | 9703516047 | |
| — | Thermistor Heat Sink | 9900195014 | |
| — | Relay | 9900117016 | |
| — | ACTPM | 9703457012 | |
| — | Capacitor for PCB | 9705387010 | |
| — | Fan Capacitor | 9900270049 | |
| — | Fuse | 0600086039 | |
| — | Terminal 8P | 9900203047 | |
| — | Fuse Holder | 0501454012 | |
| — | Terminal 2P | 9701971015 |
OUTDOOR UNIT
| Ref. | Description | Part number | |
| 31 | Compressor Assy | 9373262015 | |
| 32 | Terminal Cover (Comp) | 9373264019 | |
| 33 | Receiver Tank Assy | 9373426011 | |
| 34 | Strainer Assy | 9366602019 | |
| 35 | Accumulator | 9368391003 | |
| 36 | Solenoid | 9900165079 | |
| 37 | 4-Way Valve | 9900163013 | |
| 38 | Pressure Switch Assy | 9373729044 | |
| 39 | Capilarry Assy | 9373729211 | |
| 40 | Accum Support Assy | 9372252017 | |
| — | Thermal Switch | 9377956019 | |
| — | Gasket (Comp) | 9373266013 | |
| — | Compressor Pressure Switch | 9900186012 | |
| — | Compressor Thermal Switch | 9373263012 | |
| — | Thermistor Valve | 9900194017 | |
| — | Thermistor Discharge | 9704219039 | |
| — | Special Nut M8 (Comp) | 9355091008 | |
| — | Thermister Holder Pipe | 313714262805 |
OUTDOOR UNIT

| Ref. | Description | Part number | |
| 41 | Compressor Cover A | 9373730019 | |
| 42 | Compressor Cover B | 9373730026 | |
| 43 | Joint Pipe (3Way) Assy | 9373729129 | |
| 44 | Expansion Valve Assy | 9373729068 | |
| 45 | Expansion Valve Coil (White connector) | 9900197018 | |
| 46 | Expansion Valve Coil (Red connector) | 9900057022 |
ACCESSORIES
INDOOR UNIT
| Name and Shape | Application | Part No. |
| Coupler heat insulation | For indoor side pipe joint | 9350716029
9352766015 |
| Special nut A (large flange) | For installing indoor unit | 313005446653 |
| Special nut B (small flange) | For installing indoor unit | 313005446759 |
| Template | For ceiling hole cutting |
9360256003 |
| Remote control | Use for air conditioner operation | 9371190037 |
| Battery (penlight) | For remote control unit | 0600185534 |
| Remote control holder | For mounting the remote control unit | 9305642014 |
| Tapping screw ( 3 x 12) | For remote control unit holder installation | 301141533125 |
GRILLE ASSY
| Name and Shape | Application | Part No. |
| Bolt | For opening the refrigerant valve on the outdoor unit | 0700139116 |
| Washer | For mounting grille | 301801155020 |
| Blower cover insulation | For discharged air | 9360047007 |
OUTDOOR UNIT
| Name and Shape | Part No. |
| Drain pipe
| 9303029015 |
| Drain cap | 313166024302 |
| Adapter D (1/2″ 3/8″) 12.7mm 9.52mm | 9370244007 |
0507G2881



















