
AIR CONDITIONER
2-unit multi-split type
SERVICE MANUAL
AOYG14KBTA2 Air Conditioner
OUTDOOR

FUJITSU GENERAL LIMITED
SR_MU001EF_11
2022.04.13
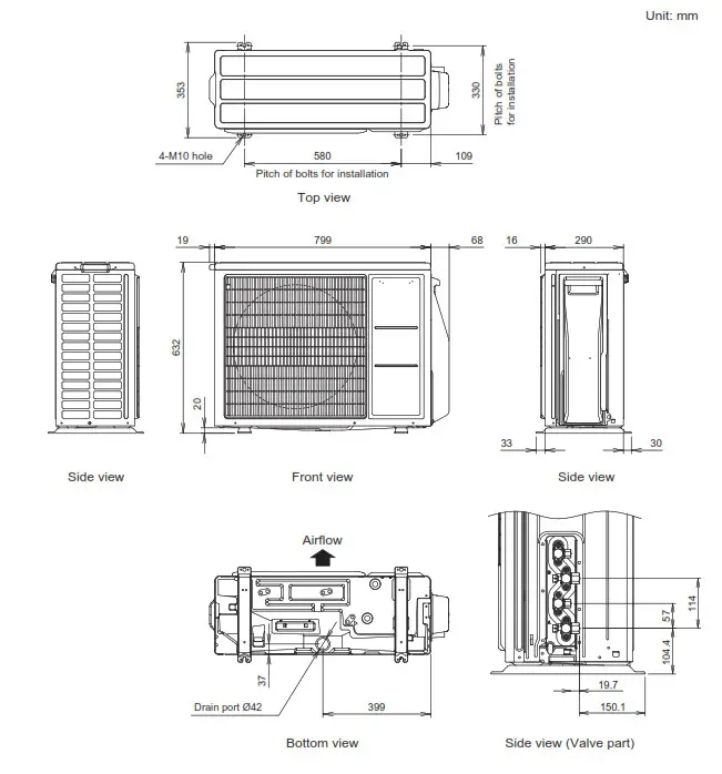
2-6. Outdoor unit
¢ Model: AOYG14KBTA2
GENERAL
INFORMATION
¢ Model: AOYG18KBTA2
Outdoor unit parts list
4-1. Model: AOYG14KBTA2
¢ Exterior parts and Chassis
| Item no. | Part no. | Part name | Service part |
| 1 | 9.32E+09 | Drain pipe | ♦ |
| 2 | 9.9E+09 | Outdoor thermistor | ♦ |
| 3 | 9.32E+09 | Protective net assy | ♦ |
| 4 | 9.32E+09 | Top panel assy | ♦ |

| Item no. | Part no. | Part name | Service part |
| 11 | 9.32E+09 | Emblem | ♦ |
| 12 | 9.32E+09 | Front panel assy | ♦ |
| 13 | 9.32E+09 | Switch cover assy | ♦ |
| 14 | 9.32E+09 | Cabinet right assy | ♦ |
| 15 | 9.9E+09 | Terminal 3P | ♦ |
| 16 | 9.9E+09 | Terminal 6P | ♦ |
| 17 | 9.9E+09 | Reactor assy | ♦ |
| 18 | 9.32E+09 | Motor bracket assy | ♦ |
| 19 | 9.6E+09 | Brushless motor | ♦ |
| 20 | 9.32E+09 | Propeller fan | ♦ |

| Item no. | Part no. | Part name | Service part |
| 21 | 9.71E+09 | Main PCB (Service unit) | ♦ |
| 22 | 9.32E+09 | Heat sink | ♦ |
| 23 | 9.9E+09 | Thermistor assy | ♦ |
| — | 9.9E+09 | Thermistor (Heat exchanger) | ♦ |
| — | 9.9E+09 | Thermistor assy (AB) | ♦ |
| — | 9.9E+09 | Compressor temp. thermistor | ♦ |

| Item no. | Part no. | Part name | Service part |
| 31 | 9.32E+09 | Heat exchanger unit | ♦ |
| — | 9.32E+09 | S-insulator B | ♦ |
| — | 9.32E+09 | S-insulator F | ♦ |
| — | 9.32E+09 | S-insulator H | ♦ |
| — | 9.32E+09 | S-insulator V | ♦ |

| Item no. | Part no. | Part name | Service part |
| 41 | 9.32E+09 | Compressor assy | ♦ |
| 42 | 9.32E+09 | 4-way valve assy | ♦ |
| 43 | 9.97E+09 | Solenoid | ♦ |

| Item no. | Part no. | Part name | Service part |
| 51 | 9.38E+09 | Valve assy | ♦ |
| 52 | 9.38E+09 | Valve gas pipe assy | ♦ |
| 53 | 9.38E+09 | Pulse motor valve assy | ♦ |
| 54 | 9.97E+09 | Expansion valve coil (A) | ♦ |
| 55 | 9.97E+09 | Expansion valve coil (B) | ♦ |
4-2. Model: AOYG18KBTA2
¢ Exterior parts and Chassis
| Item no. | Part no. | Part name | Service part |
| 1 | 9.32E+09 | Drain pipe | ♦ |
| 2 | 9.9E+09 | Outdoor thermistor | ♦ |
| 3 | 9.32E+09 | Protective net assy | ♦ |
| 4 | 9.32E+09 | Top panel assy | ♦ |

| Item no. | Part no. | Part name | Service part |
| 11 | 9.3E+09 | Emblem | ♦ |
| 12 | 9.3E+09 | Front panel assy | ♦ |
| 13 | 9.3E+09 | Switch cover assy | ♦ |
| 14 | 9.3E+09 | Cabinet right assy | ♦ |
| 15 | 9.9E+09 | Terminal 3P | ♦ |
| 16 | 9.9E+09 | Terminal 6P | ♦ |
| 17 | 9.3E+09 | Motor bracket assy | ♦ |
| 18 | 9.6E+09 | Brushless motor | ♦ |
| 19 | 9.3E+09 | Propeller fan | ♦ |

| Item no. | Part no. | Part name | Service part |
| 21 | 9.7E+09 | Main PCB (Service unit) | ♦ |
| 22 | 9.3E+09 | Heat sink | ♦ |
| 23 | 9.9E+09 | Thermistor assy | ♦ |
| — | 9.9E+09 | Thermistor (Heat exchanger) | ♦ |
| — | 9.9E+09 | Thermistor assy (AB) | ♦ |
| — | 9.9E+09 | Compressor temp. thermistor | ♦ |

| Item no. | Part no. | Part name | Service part |
| 31 | 9.3E+09 | Heat exchanger unit | ♦ |
| — | 9.3E+09 | S-insulator B | ♦ |
| — | 9.3E+09 | S-insulator F | ♦ |
| — | 9.3E+09 | S-insulator H | ♦ |
| — | 9.3E+09 | S-insulator V | ♦ |

| Item no. | Part no. | Part name | Service part |
| 41 | 9.3E+09 | Compressor assy | ♦ |
| 42 | 9.3E+09 | 4-way valve assy | ♦ |
| 43 | 1E+10 | Solenoid | ♦ |

| Item no. | Part no. | Part name | Service part |
| 51 | 9.4E+09 | Valve assy | ♦ |
| 52 | 9.4E+09 | Valve gas pipe assy | ♦ |
| 53 | 9.4E+09 | Pulse motor valve assy | ♦ |
| 54 | 1E+10 | Expansion valve coil (A) | ♦ |
| 55 | 1E+10 | Expansion valve coil (B) | ♦ |
4-2. Model: AOYG18KBTA2
4. Outdoor unit parts list



















