THRUSTMASTER HOTAS Warthog Flight A-10C Stick Joystick Dual Throttle System User Manual
U.S. Air Force A-10C attack aircraft HOTAS™(**) (Hands On Throttle And Stick) replica joystick pack, including:
Replica JOYSTICK
- Innovative H.E.A.R.T Hall Effect Accu Rate Technology(*):
- 3D magnetic sensors (Hall Effect) on the stick
- 16-bit resolution (65536 x 65536 values)
- 5 coil spring system(*)
- USB connection with upgradeable firmware
- Super-stable, weighted base (over 3kg)
- Detachable handle, crafted entirely of metal:
- also compatible with HOTAS COUGAR™ handle (and vice-versa)
- replica shape
- detachable metal plate for desk- or cockpit-style use
- realistic pressure on buttons and trigger
- 19 action buttons in total + one 8-way “point of view” hat:
- 1 x 8-way “point of view” hat
- 2 x 8-way hats
- 1 x 4-way hat with push button
- 1 x metal dual trigger
- 2 x push buttons
- 2 x pinkie push buttons
Replica CONTROL PANEL
- Weighted base (over 3,5kg) incorporated underneath the throttles
- Backlit functions
- 5 programmable LEDs
- Realistic pressure on buttons and switches
- 15 action buttons in total + 1 TRIM wheel:
- 1 x TRIM wheel
- 2 x push buttons
- 5 x 2-position switches (2 permanent)
- 2 x 3-position switches (1 momentary + 2 permanent)
- 2 x 3-position switches (3 permanent)
Dual Replica THROTTLES
- Innovative H.E.A.R.T HallEffect AccuRate Technology(*):
- 3D magnetic sensors (Hall Effect) on the 2 throttles
- 14-bit resolution (16384 values) on each throttle
- USB connection with upgradeable firmware
- Dual throttles, featuring:
- metal hand rest
- locking system
- adjustable friction system
- realistic IDLE detent with “Pull & Push”(*) system
- realistic and disengageable AFTERBURNER detent with “Pull & Push”(*) system
- realistic pressure on buttons and switches
- 17 action buttons in total + 1 mouse hat with push button + one 8-way “point of view” hat:
- 1 x mouse hat with push button and 3D magnetic sensor (Hall Effect)
- 1 x 8-way hat
- 1 x 4-way hat with push button
- 1 x push button
- 1 x 3-position switch (2 momentary + 1 permanent)
- 2 x 3-position switches (3 permanent)
- 1 x 3-position switch (1 momentary + 2 permanent)
(*) Patent pending.
(**) HOTAS™ is a trademark of Guillemot Corporation S.A.
On the JOYSTICK:
On the THROTTLE:
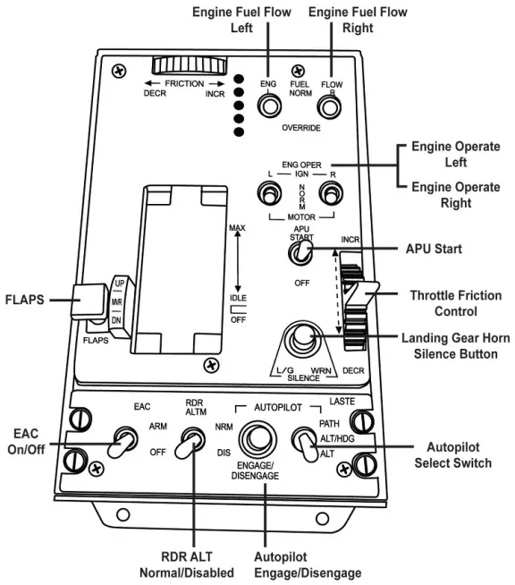
On the CONTROL PANEL:
“A-10C” AIRCRAFT FUNCTIONS
On the JOYSTICK:

On the THROTTLE:
On the CONTROL PANEL:
REALISTIC IDLE AND AFTERBURNER DETENTS
The HOTAS Warthog’s throttle features realistic systems for IDLE and AFTERBURNER
detents (the AFTERBURNER system is disengage able).
IDLE:
When set to IDLE: to cut off the aircraft’s motors (in compatible games), raise the throttle levers slightly (in order to get over the stop) and put the throttle levers into the OFF position.

To power the motors back on, simply push the throttle levers forward (and then slightly down), into the IDLE position.
AFTERBURNER:
When the AFTERBURNER module stop is in place, raise the throttle levers slightly (in order to get over the stop) and push them forward.
INSTALLING/UNINSTALLING THE AFTERBURNER STOP:
(By default, the AFTERBURNER module stop is not installed).
- Using the included Allen Key, unscrew the 2 screws as shown below, and take out the
removable bar located between the 2 throttle levers.
- Take out the AFTERBURNER module, located underneath the removable bar:


(In this position, the AFTERBURNER stop is disabled) - Turn the module upside down and put it back in its place:

(In this position, the AFTERBURNER stop is now enabled) - Put the removable bar back between the 2 throttle levers, then replace and re-tighten the 2 screws.
IMPORTANT NOTE: In order to avoid any possible damage to the AFTERBURNER module, you must never use the throttle levers without the removable bar properly installed (using the 2 screws) between the 2 throttle levers.
ATTACHING/SEPARATING THE 2 THROTTLE LEVERS
To attach the throttle levers together:
To detach the throttle levers from one another:
INSTALLING THE JOYSTICK IN A COCKPIT OR OTHER FIXED SUPPORT
To attach the joystick in a cockpit:
- Unscrew the 4 screws located underneath the joystick’s metal base plate, and remove
the metal base plate. - Use the 4 screw threads located on the underside of the joystick to attach the joystick
directly to your fixed support.
You can also use the 4 holes located in the corners of the metal base plates of the joystick and the throttle to attach both elements to a fixed support.
THROTTLE ADJUSTABLE FRICTION SYSTEM
- To increase the friction: turn the wheel to the right.
- To decrease the friction: turn the wheel to the left.
IMPORTANT NOTES:
- Friction on the dual throttles is set to the minimum value by default.
- In order to allow for precise adjustment according to your taste, roughly ten full turns must be made to go from minimum friction to maximum friction.
- You can use the white mark, found on the wheel, to help count your turns, if necessary.

BACKWARDS-COMPATIBILITY
The “HOTAS Warthog” handle is backwards-compatible with the base of the “HOTAS Cougar” (and vice versa).
Only the CMS push button (button 19) will be non-functional, as it was not originally featured on the HOTAS Cougar.
CONTROL PANEL BACKLIGHTING
The intensity of the control panel’s backlighting can be adjusted directly via T.A.R.G.E.T (Thrust master Advanced programming Graphical Editor). Five different levels of intensity are available: from 1 (minimum intensity) to 5 (maximum intensity), with the default level set at 2.
MANAGING THE 5 PROGRAMMABLE LEDS
You can manage the Control Panel’s 5 programmable LEDs directly via T.A.R.G.E.T.
(Thrust master Advanced programming Graphical Editor).
CONSUMER WARRANTY INFORMATION
Worldwide, Guillemot Corporation S.A., whose registered office is located at Place du Grainer, B.P. 97143, 35571 Chant pie, France (hereinafter “Guillemot”) warrants to the consumer that this Thrust master product shall be free from defects in materials and workmanship, for a warranty period which corresponds to the time limit to bring an action for conformity with respect to this product. In the countries of the European Union, this corresponds to a period of two (2) years from delivery of the Thrust master product. In other countries, the warranty period corresponds to the time limit to bring an action for conformity with respect to the Thrust master product according to applicable laws of the country in which the consumer was domiciled on the date of purchase of the Thrust master product (if no such action exists in the corresponding country, then the warranty period shall be one (1) year from the original date of purchase of the Thrust master product).
Notwithstanding the above, rechargeable batteries are covered by a warranty period of six (6) months from the date of original purchase.
Should the product appear to be defective during the warranty period, immediately contact Technical Support, who will indicate the procedure to follow. If the defect is confirmed, the product must be returned to its place of purchase (or any other location indicated by Technical Support).
Within the context of this warranty, the consumer’s defective product shall, at Technical Support’s option, be either replaced or returned to working order. If, during the warranty period, the Thrust master product is subject to such reconditioning, any period of at least seven (7) days during which the product is out of use shall be added to the remaining warranty period (this period runs from the date of the consumer’s request for intervention or from the date on which the product in question is made available for reconditioning, if the date on which the product is made available for reconditioning is subsequent to the date of the request for intervention). If permitted under applicable law, the full liability of Guillemot and its subsidiaries (including for consequential damages) is limited to the return to working order or the replacement of the Thrust master product. If permitted under applicable law, Guillemot disclaims all warranties of merchantability or fitness for a particular purpose.
This warranty shall not apply:
- if the product has been modified, opened, altered, or has suffered damage as a result of inappropriate or abusive use, negligence, an accident, normal wear, or any other cause unrelated to a material or manufacturing defect (including, but not limited to, combining the Thrust master product with any unsuitable element, including in particular power supplies, rechargeable batteries, chargers, or any other elements not supplied by Guillemot for this product);
- if the product has been used for any use other than home use, including for professional or commercial purposes (game rooms, training, competitions, for example);
- in the event of failure to comply with the instructions provided by Technical Support;
- to software, said software being subject to a specific warranty;
- to consumables (elements to be replaced over the product’s lifespan: disposable batteries, audio headset or headphone ear pads, for example);
- to accessories (cables, cases, pouches, bags, wrist-straps, for example);
- if the product was sold at public auction.
This warranty is nontransferable.
The consumer’s legal rights with respect to laws applicable to the sale of consumer goods in his or her country are not affected by this warranty
Additional warranty provisions
During the warranty period, Guillemot shall not provide, in principle, any spare parts, as Technical Support is the only party authorized to open and/or recondition any Thrust master product (with the exception of any reconditioning procedures which Technical Support may request that the consumer carry out, by way of written instructions – for example, due to the simplicity and the lack of confidentiality of the reconditioning process – and by providing the consumer with the required spare part(s), where applicable).
Given its innovation cycles and in order to protect its know-how and trade secrets, Guillemot shall not provide, in principle, any reconditioning notification or spare parts for any Thrust master product whose warranty period has expired.
In the United States of America and in Canada, this warranty is limited to the product’s internal mechanism and external housing. In no event shall Guillemot or its affiliates be held liable to any third party for any consequential or incidental damages resulting from the breach of any express or implied warranties. Some States/Provinces do not allow limitation on how long an implied warranty lasts or exclusion or limitation of liability for consequential or incidental damages, so the above limitations or exclusions may not apply to you. This warranty gives you specific legal rights, and you may also have other rights which vary from State to State or Province to Province.
Liability
If permitted under applicable law, Guillemot Corporation S.A. (hereinafter “Guillemot”) and its subsidiaries disclaim all liability for any damages caused by one or more of the following:
- the product has been modified, opened or altered;
- failure to comply with assembly instructions;
- inappropriate or abusive use, negligence, an accident
(an impact, for example); - normal wear;
- the use of the product for any use other than home use, including for professional or commercial purposes (game rooms, training, competitions, for example).
If permitted under applicable law, Guillemot and its subsidiaries disclaim all liability for any damages unrelated to a material or manufacturing defect with respect to the product (including, but not limited to, any damages caused directly or indirectly by any software, or by combining the Thrust master product with any unsuitable element, including in
particular power supplies, rechargeable batteries, chargers, or any other elements not supplied by Guillemot for this product).
WARNING: This product can expose you to chemicals including Biphenyl A (BPA) which is known to the State of California to cause birth defects or other reproductive harm. For more information go to http://www.p65warnings.ca.gov/
TECHNICAL SUPPORT
https://support.thrustmaster.com.
DECLARATION OF CONFORMITY
CANADIAN COMPLIANCE NOTICE: this Class B digital apparatus meets all requirements of the Canadian Interference-Causing Equipment Regulations.
USA COMPLIANCE NOTICE: this equipment has been tested and found to comply with the limits for a Class B digital device, pursuant to Part 15 of the FCC rules. Operation is subject to the following two conditions:
- This device may not cause harmful interference, and
- This device must accept any interference received, including interference that may cause undesired operation
These limits are designed to provide reasonable protection against harmful interference in a residential installation. This equipment generates, uses and can radiate radio frequency energy and, if not installed and used in accordance with the instructions, may cause harmful interference to radio communications. However, there is no guarantee that interference will not occur in a particular installation. If this equipment does cause harmful interference to radio or television reception, which can be determined by turning the equipment on and off, the user is encouraged to try to correct the interference by one or more of the following measures:
- Reorient or relocate the receiving antenna.
- Increase the separation between the equipment and receiver.
- Connect the equipment into an outlet on a circuit different from that to which the receiver is connected.
- Consult the dealer or an experienced radio/TV technician for help.
COPYRIGHT
© 2021 Guillemot Corporation S.A. All rights reserved. Thrust master® is a registered trademark of Guillemot Corporation S.A. Windows® is a registered trademark of Microsoft Corporation in the United States and/or other countries. All other trademarks and brand names are hereby acknowledged and are property of their respective owners. Illustrations not binding. Contents, designs and specifications are subject to change without notice and may vary from one country to another. Made in China.
Officially licensed product of the Department of the Air Force. Endorsement by the United States Air Force is neither intended nor implied.
ENVIRONMENTAL PROTECTION RECOMMENDATION

In the European Union: At the end of its working life, this product should not be disposed of with standard household waste, but rather dropped off at a collection point for the disposal of Waste Electrical and Electronic Equipment (WEEE) for recycling. This is confirmed by the symbol found on the product, user manual or packaging. Depending on their characteristics, the materials may be recycled. Through recycling and other forms of processing Waste Electrical and Electronic Equipment, you can make a significant contribution towards helping to protect the environment.
Please contact your local authorities for information on the collection point nearest you.
For all other countries: Please adhere to local recycling laws for electrical and electronic equipment.
Retain this information. Colors and decorations may vary.
Plastic fasteners and adhesives should be removed from the product before it is used.
This product conforms to all standards regarding children 16 years of age and older. This product is not suitable for use by children less than 16 years of age.
www.thrustmaster.com
Applicable to EU, UK and Turkey only

























