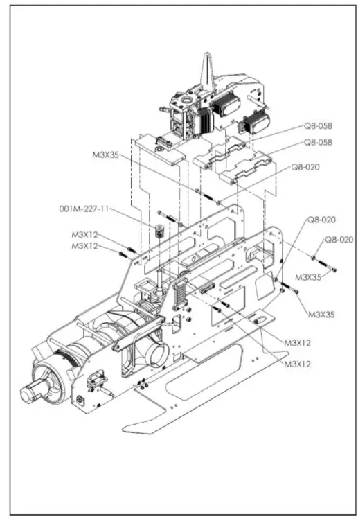
KingTech KT800-H Turbine Helicopter

OVERVIEW
KT-800H SPECIFICATIONS
- Item: KT800-H
- Power: K45TPH
- Length: 1565mm / 61.5”
- Width: 218mm / 8.5”
- Height: 418mm / 16.5”
- Weight: 6000g / 13lb
- Main Roter Length: 800mm / 31”
- Diameter: 1800mm / 71”
- Tail Rotor Length: 115mm / 4.5” Diameter 294mm / 11.5”
- Take Off Weight: 7.4kg / 16.5lb
- Batteries, Receiver / Gyro not included
- Package Size: 119cm x 34.4cm x 49cm / 11kg 47” x 13.5” x 19.5” / 24.25lb
- Package Size:
- Batteries, Receiver / Gyro not included 119cm x 34.4cm x 49cm / 11kg 47” x 13.5” x 19.5” / 24.25lb


























