XtremepowerUS 71097 VACUUM PUMP HVAC REFRIGERATION AC MANIFOLD GAUGE

GENERAL SAFETY WARNINGS
Read all safety warnings and instructions. Failure to follow the warnings and instructions may result in electric shock, fire, and/or serious injury. Save all warnings and instructions for future reference.
SAFETY
The warnings, precautions, and instructions discussed in this instruction manual cannot cover all possible conditions and situations that may occur. It must be understood by the operator that common sense and caution are factors that cannot be built into this product but must be supplied by the operator.
- To avoid electric shock the power cord protective grounding conductor must be connected to a properly grounded AC outlet.
- Use proper A.C. outlet for the unit to operate correctly. See the unit ID plate on the back of the unit. Extension cords are not recommended. If an extension cord must be used, use: — 16 AWG for cords up to 50’, and — 14 AWG for cords greater than 50’ but less than 100’.
- Connect the power cord to a properly grounded outlet. DO NOT remove or bypass the grounding pin. Electric shock and fire can cause injury.
- Risk of expelling refrigerant under pressure. Wear safety goggles and protective gloves, user and bystander. If any refrigerant gets into your eyes, flush with water and seek a doctor’s aid immediately, even though irritation may cease.
- Prevent refrigerant from contacting the skin. Expelled refrigeration can cause injury. Risk of explosion.
- DO NOT use compressed shop air for leak detection or to pressure test a system containing refrigerant. Refrigerants can form combustible mixtures at pressures above atmospheric and with air concentrations greater than 60% by volume.
- DO NOT heat a container of refrigerant above 125°F (52°C).
- DO NOT use this equipment in the vicinity of spilled or opened containers of gasoline. Avoid breathing air conditioning refrigerant and lubricant vapor or mist.
- DO NOT allow refrigerant to contact open flame or be drawn into a running engine. This can cause refrigerant to become poisonous phosgene gas.
- Use ECO to remove refrigerant from air conditioning systems. Exposure can irritate the eyes, nose, and throat.
- Engine systems can malfunction expelling fuel, oil vapors, hot steam, hot toxic exhaust gases, acid, refrigerant, and other debris. Wear safety goggles and protective gloves, user and bystander.
- Engine systems that malfunction can cause injury. The engine compartment contains electrical connections and hot or moving parts. Keep yourself, test leads, clothing, and other objects clear of electrical connections and hot or moving engine parts.
- DO NOT place test equipment or tools on fenders or other places in the engine compartment. Contact with electrical connections and hot or moving parts can cause injury.
- Service hoses can not withstand high temperatures or severe mechanical stress. Keep the service hoses away from moving or hot engine parts. Service hoses can split or burst causing injury.
- Removing tubing assemblies from the pump may discharge refrigerant. Wear safety goggles and protective gloves, user and bystander. Refrigerant may cause injury.
IMPORTANT SAFETY INFORMATION
- A test vehicle may move if not properly prepared. Block the drive wheels before performing a test with the engine running. Unless instructed otherwise, set the parking brake and put the gear selector in neutral (manual transmission) or park (automatic transmission). If the vehicle has an automatic parking brake release, disconnect the release mechanism for testing and reconnect it when testing is completed.
- DO NOT leave a running engine unattended. A moving vehicle can cause injury.
- Hose couplings are not self-closing. Always close the valves on the gauge set before disconnecting a hose. Loosened hose couplings can leak refrigerant into the atmosphere.
- Misdiagnosis may lead to incorrect or improper repair and/or adjustment. Do not rely on erratic, questionable, or obviously erroneous test information or results. If test information or results are erratic, questionable, or obviously erroneous, make sure that all connections are correct and that the test procedure was performed correctly. Refer also to the Maintenance/Troubleshooting section and perform tests and make repairs as required. If test information or results are still suspicious, do not use them for diagnosis. Contact a qualified technician. Improper repair and/or adjustment may cause vehicle or equipment damage or unsafe operation.
PRODUCT INFORMATION / PARTS LIST
SPECIFICATIONS

PUMP COMPONENTS

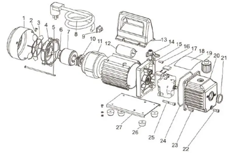
PARTS DIAGRAM

PARTS LIST

OPERATION and MAINTENANCE
PRE-OPERATION
In all cases, motors are designed for operating voltages plus or minus 10% of the normal rating. Single voltage motors are supplied fully connected and ready to operate.
- Check to be sure the voltage and frequency at the outlet match the specifications on the pump motor decal. Check the On/Off switch to be sure it is in the OFF position before you plug the pump into an outlet. Remove and discard the exhaust cap from the end of the pump’s handle.
- The pump is shipped without oil in the reservoir. Before starting the pump, fill it with oil. Remove the exhaust fitting cap and add oil until oil shows just at the bottom of the sight glass. The approximate oil capacity of the pump is 180-800ml. Reference the technical data.
- Replace the exhaust fitting cap and remove the cap from one of the inlet ports. Turn the motor switch to ON. When the pump runs smoothly, replace the cap on the inlet port. This may take from 2-30 seconds depending on the ambient temperature. After the pump runs for approximately one minute, check the sight glass for the proper oil level. The level should be even with the sight glass oil level line. Add oil if necessary.
NOTE: When the pump is running, the oil level should be even with the line on the sight glass. Underfilling will result in poor vacuum performance, Overfilling can result in oil blowing out from the exhaust.
To help prolong the pump life and promote easy starting. Follow these procedures for the shutdown.
- Close the manifold valve between the pump and the system.
- Remove the hose from the pump inlet.
- Cap the inlet port to prevent any contamination or lose particles from entering the port.
MAINTAINING YOUR HIGH VACUUM PUMP
Vacuum Pump Oil: The condition and type of oil used in any high vacuum pump are extremely important in determining the ultimate attainable vacuum. We recommend the use of High Vacuum Pump Oil. This oil has been specifically blended to maintain maximum viscosity at normal running temperatures to improve cold weather starts.
Oil Change Procedure: Be sure the pump is warmed up. Remove the oil drain cap. Drain contaminated oil into a suitable container and dispose of it properly. Oil can be forced from the pump by opening the inlet and partially blocking the exhaust with a cloth while the pump is running. Do not operate the pump for more than 20 seconds using this method.
When the flow of oil has stopped, tilt the pump forward to drain residual oil. Replace the oil drain cap. Remove the exhaust fitting and fill the reservoir with a new vacuum pump oil until the oil just shows at the bottom of the sight glass. The approximate oil capacity of the pump is 180-800ml.
Be sure the inlet ports are capped then turn off the pump. Allow it to run for one minute then check the oil level space. If the oil is below the sight glass oil level line add oil slowly (with the pump running) until the oil reaches the oil level line. Replace the exhaust fitting, making sure the inlet is capped and the drain cap is tight.
If the oil is badly contaminated with sludge that forms when the water is allowed to collect in the oil, you may need to remove the oil reservoir cover and wipe it out.
Another method of dealing with heavily contaminated oil is to force the oil from the pump reservoir. To do this, allow the pump to run until it is warmed up. While the pump is still running, remove the oil drain cap. Slightly restrict the exhaust. This will back-pressure the oil reservoir and force the oil from it, carrying more contamination. When the oil ceases to flow, turn off the pump. Repeat this procedure as required until the contamination is removed. Replace the oil drain cap and refill the reservoir to the proper level with fresh pump oil.
TROUBLESHOOTING
Failure To Start: Check the line voltage. The pump is to start at ±10% line voltage (loaded) at 32 °F. At extremes, switching between start and run windings may occur.
Oil Leakage: Be sure the oil is not a residual accumulation from spillage, etc. If leakage exists, the module cover gasket or the shaft seal may need replacing. If leakage exists in the area of the oil drain plug you may need to reseal the plug using a commercial pipe thread sealer.
Failure To Pull a Good Vacuum: Be sure the vacuum gauge and all connections are in good condition and leak-free. You can confirm leakage by monitoring the vacuum of the thermistor gauge while applying vacuum pump oil at all connections or suspected leak points. The vacuum will improve briefly while the oil is sealing the leak.
Be sure the pump oil is clean. A badly contaminated pump may require several oil flushes.
Be sure the oil is at the proper level. For maximum pump operation, the oil must not be even with the oil level line on the sight glass when the pump is running. Do not overfill. Operating temperatures will cause the oil to expand, so it will appear at a higher level than when the pump is not running. To check the oil level, start the pump with the inlet capped. Check the oil level in the sight glass, add oil if necessary.
PLEASE READ THE FOLLOWING CAREFULLY
THE MANUFACTURER AND/OR DISTRIBUTOR HAS PROVIDED THE PARTS LIST AND ASSEMBLY DIAGRAM IN THIS MANUAL AS A REFERENCE TOOL ONLY. NEITHER THE MANUFACTURER OR DISTRIBUTOR MAKES ANY REPRESENTATION OR WARRANTY OF ANY KIND TO THE BUYER THAT HE OR SHE IS QUALIFIED TO MAKE ANY REPAIRS TO THE PRODUCT, OR THAT HE OR SHE IS QUALIFIED TO REPLACE ANY PARTS OF THE PRODUCT.
IN FACT, THE MANUFACTURER AND/OR DISTRIBUTOR EXPRESSLY STATES THAT ALL REPAIRS AND PARTS REPLACEMENTS SHOULD BE UNDERTAKEN BY CERTIFIED AND LICENSED TECHNICIANS, AND NOT BY THE BUYER. THE BUYER ASSUMES ALL RISK AND LIABILITY ARISING OUT OF HIS OR HER REPAIRS TO THE ORIGINAL PRODUCT OR REPLACEMENT PARTS THERETO, OR ARISING OUT OF HIS OR HER INSTALLATION OF REPLACEMENT PARTS THERETO.
Record Product’s Serial Number Here:
Note: If the product has no serial number, record the month and year of purchase instead.
Note: Some parts are listed and shown for illustration purposes only and are not available individually as replacement parts.
Questions, Problems, or Missing Parts?
Before returning to a retailer, our exceptional customer service is available to help.
- Call Us: 909.628.0880
- Hours of Operation: 9 to 4 pm PST, Monday – Friday
- Email: [email protected]
SAVE THIS MANUAL:
KEEP THIS MANUAL FOR SAFETY WARNINGS, PRECAUTIONS, ASSEMBLY, OPERATING, INSPECTION, MAINTENANCE, AND CLEANING PROCEDURES. WRITE THE PRODUCT’S SERIAL NUMBER ON THE BACK OF THE MANUAL NEAR THE ASSEMBLY DIAGRAM (OR THE MONTH AND YEAR OF PURCHASE IF THE PRODUCT HAS NO NUMBER).
FOR QUESTIONS PLEASE CALL OUR CUSTOMER SUPPORT: (909) 628 0880 MON-FRI 9 AM TO 3 PM PST
FREQUENTLY ASKED QUESTIONS
What is the XtremepowerUS 71097 Vacuum Pump HVAC Refrigeration AC Manifold Gauge used for?
The XtremepowerUS 71097 is a tool used in HVAC (heating, ventilation, and air conditioning) systems for vacuuming and pressurizing refrigerant lines during maintenance and installation.
What is included in the XtremepowerUS 71097 Vacuum Pump kit?
The kit typically includes a vacuum pump, a manifold gauge set, hoses, adapters, and a carrying case.
Can the XtremepowerUS 71097 Vacuum Pump be used for automotive applications?
While primarily designed for HVAC systems, it may be suitable for certain automotive applications that require vacuuming or pressurizing systems.
What is the capacity of the XtremepowerUS 71097 Vacuum Pump?
The vacuum pump typically has a capacity of 3 to 4 CFM (cubic feet per minute) for efficient vacuuming.
Is the XtremepowerUS 71097 Vacuum Pump oil-filled?
Yes, the XtremepowerUS 71097 Vacuum Pump is oil-filled, which helps with lubrication and efficient operation.
What type of refrigerants is the manifold gauge set compatible with?
The manifold gauge set is usually compatible with common refrigerants such as R22, R134a, R410a, and R404a.
Can the XtremepowerUS 71097 Vacuum Pump be used for evacuating air conditioning systems?
Yes, the vacuum pump is designed for evacuating and removing air and moisture from air conditioning systems.
What is the power source for the XtremepowerUS 71097 Vacuum Pump?
The vacuum pump is typically powered by electricity and requires a standard power outlet.
What is the maximum vacuum pressure that the XtremepowerUS 71097 Vacuum Pump can achieve?
The vacuum pump can typically achieve a maximum vacuum pressure of around 5 Pa (Pascal).
Does the XtremepowerUS 71097 Vacuum Pump have a built-in oil drainage port?
Yes, the vacuum pump usually has a built-in oil drainage port for easy maintenance and oil replacement.
Is the XtremepowerUS 71097 Vacuum Pump designed for professional use?
The XtremepowerUS 71097 Vacuum Pump is suitable for both professional HVAC technicians and DIY enthusiasts.
Can the manifold gauge set measure both pressure and temperature?
Yes, the manifold gauge set typically includes gauges that can measure both pressure and temperature.
Does the XtremepowerUS 71097 Vacuum Pump come with a warranty?
Warranty coverage may vary, so it is recommended to check the warranty information provided by the manufacturer.
What is the weight of the XtremepowerUS 71097 Vacuum Pump?
The weight of the vacuum pump varies depending on the specific model, but it is typically around 10 to 15 pounds (4.5 to 6.8 kilograms).
Can the XtremepowerUS 71097 Vacuum Pump be used for commercial refrigeration systems?
Yes, the XtremepowerUS 71097 Vacuum Pump can be used for commercial refrigeration systems, as long as it is compatible with the refrigerants used in the system.
DOWNLOAD THE PDF LINK: XtremepowerUS 71097 VACUUM PUMP HVAC REFRIGERATION AC MANIFOLD GAUGE User Manual



















