OHS 200 DIGITAL Overhead stirrers
F20100490, F20110490
Instruction Manual
F20100490 Digital Overhead Stirrer
General Information
Before using the unit, please read the following instruction manual carefully.
Do not dispose of this equipment as urban waste, in accordance with EEC directive 2002/96/CE.
This unit must be used for laboratory applications indoor only. The manufacturer declines all responsibility for any use of the unit that does not comply with these instructions. If the product is used in a not specified way by the manufacturer or with not specified accessories, product’s safety may be compromised.
This unit has been designed and manufactured in compliance with the following standards:
Safety requirements for electrical equipment for measurement, control and for laboratory use
IEC/EN 61010-1 IEC/EN
61010-2-051
Electrical equipment for laboratory use
UL 61010-1
CAN/CSA-C22.2 No.61010-1
VELP reserves the right to modify the characteristics of its products with the aim to constantly improving their quality.
Safety Regulations
The plug disconnects the instrument. Therefore, place the instrument where it can be quickly disconnected.
The values indicated on the rating plate of the instrument must correspond to those of the power supply.
Position the instrument on a flat surface, with a distance from the wall of 30 cm (at least).
Fasten the unit to the support rod (A00000366 or A00000369) using the double clamp (A00001301). Secure the receptacle using the ribbon clamp (A00001302).
Safe working conditions are ensured only when the accessories described in the dedicated chapter are used.
The working speed set on the instrument must be such as to avoid wobbling and/or splashes.
Do not use with explosive or dangerous materials for which the equipment is not designed. The stirrer must not be used in explosive atmospheres, in bain-marie or to stir harmful liquids prior using protective measures according to the safety standards of the processed products and/or in force in the laboratories including personal protective equipment and the presence of an extraction hood which ensures at least 10-fold air change in accordance with the standards EN 14175 and DIN 12924.
It is dangerous to run the unit with the stirring blade turning in free air. Always place the stirring shaft in the receptacle before turning the unit on.
It is responsibility of the user appropriately decontaminate the instrument in case of dangerous substances fall on or in it.
It is also responsibility of the user to use safety substances for cleaning or decontaminating, which do not react with internal parts of the instrument or with the material contained in it. In case of doubts on the compatibility of a cleaning solution, contact the manufacturer or local distributor.
The solution may release toxic, dangerous or poisonous gases. Adequate safety measures must be taken, in accordance with the safety regulations in force, including the presence of hood and personal protective equipment (masks, gloves, goggles, etc.).
Switch off the the stirring before opening chuck locking ring. Switch off the instrument before removing chuck.
Introduction
OHS overhead stirrers with electronic speed control, brushless motor, and advanced safety features are able to satisfy the most difficult laboratory applications in terms of viscosity and volume. The new chuck ensures higher safety for the operator and allows to use a passing rod of up to 8.5mm in diameter.
| A 7 Segment Display LED B Torque indicator bar C Low speed LED (only OHS 200) D Gear key (only OHS 200) – Timer key for other models E High speed LED (only OHS 200) – Timer LED for other models | F Speed control knob G Timer LED (for OHS 200) – Upper lock LED for other models H Timer key (for OHS 200) – Lock key for all models I Lower Lock LED J Main switch K Smart chuck |
Assembly and installation
- Unpacking
➢ Check the integrity of the unit after unpacking. - The box includes
➢ OHS (XXX) digital overhead stirrer
➢ Power supply cable
➢ Instruction manual
➢ Allen key and allen head screw
➢ Shaft support overhead stirrer - Installation
➢ Place the unit on non-flammable surface
➢ Fix the shaft support to the instrument with the allen head screw
➢ Fasten the unit to the support rod (A00000366 or A00000369) using the double clamp (A00001301)
➢ Secure the receptacle using the ribbon clamp (A00001302)
➢ Slide the stirring shaft into the chuck and tight it
➢ Make sure that the rating value of the instrument corresponds to the one of the power supply
➢ Ensure that the socket provided, with grounding, is compliant with the current safety norms and easy to reach.
Working
| Commissioning | ➢ Switch on the instrument through the main switch (J) ➢ Display (A) shows software version, last set point value and OFF (if “Mode” is set on Stop, see chapter 0). |
| Stirring | ➢ Set the operating speed range by clicking Gear key (D) (Only OHS 200). ➢ Adjust speed set point by turning the speed control knob (F). ➢ Click the knob to start stirring. ➢ Speed increases until set point achievement. ➢ A microprocessor ensures constant speed even when the viscosity changes (counter-reaction). ➢ Switch off the stirring by clicking the knob. |
| Timer | ➢ Click Timer key (D or H). HH:MM appears on display. ➢ Rotate speed control knob (F) to set the desired value. Click to confirm. ➢ Once timer is set, timer LED lights up: – (G) for OHS 200 – (E) for other models ➢ The LED lights continuously until the instrument starts to stir. When the instrument stirs, the LED flashes. ➢ It’s possible to visualize (or modify) countdown in each moment during the analysis by clicking timer key. ➢ When countdown finishes, “End” is visualized on the display. |
| Gear (only for OHS 200) | ➢ Set the operating speed range by clicking Gear button (D). ➢ The gear set has its relative LED (C or E) lighted on. ➢ It’s possible to select between two gears: – Gear I: Low speed (6 – 400 rpm) High torque (till 200 Ncm). – Gear II: High speed (30 – 2000 rpm) Low torque (till 40 Ncm). |
| Gear (only for | ➢ The torque indicator bar (B), made by four LEDs, shows the intensity of the torque applied |
| OHS 200) | ➢ Holding the Lock key (H) for 3 seconds it’s possible to lock the control panel. ➢ Unlock the control panel by holding key H for 3 seconds. ➢ When the instrument is locked, – LED (I) lights on for OHS 200 – LED (G) and (I) light on for other models |
External Connections
| USB | ➢ Each model has USB connection for software upgrading by PC. Software version, dedicated program to be installed on the PC and software installation guide must be requested by e-mail to [email protected] |
Hold the control knob (F) for 3 seconds to enter into the setting mode when stirring is off.
Turning the control knob (F) it is possible to pass from one of the following parameters to the next one. Click the knob to modify:
| Parameter shown on display | Default value | Range | Description | |
| NOdE | StOP | StOP – run | Set starting mode: ➢ Stop: when the instrument is switched on through the main switch, OFF is on display ➢ Run: when the instrument is switched on, it restarts to work with the last set points set | |
| LINt | OHS 200 | 400 (I) 2000 (11) | 100 – 400 100 – 2000 | Set the maximum value of speed set point speed |
| OHS 100 | 1300 | 100 – 1300 | ||
| OHS 60 | 2000 | 100 – 2000 | ||
| OHS 40 | 2000 | 100 – 2000 | ||
| OHS 20 | 2000 | 100 – 2000 | ||
| COun | Running time in H. If ” ” Is showed before the number, the running time is in Day. | |||
| UPGr | To install a new software version | |||
| rSEt | no | YES – no | To restore default setting parameters | |
| CAI | nO | YES – no | To reset torque zero value | |
To leave settings mode wait 10 seconds without touching any knob or click the lock key.
SmartChuck™
Smart chuck (K) allows to fix stirring shaft with one hand.
➢ Open the chuck: From work position (Figure 3), turn Locking Ring 90° to the left (Figure 4). Pull Locking Ring down (Figure 5).
➢ Close the chuck: Push Locking Ring up (Figure 6) and turn it 90° to the right.
Error messages
When the display shows an error message, the stirring function stops automatically.
| Error code | Cause |
| AL1 | Motor doesn’t start stirring |
| AL2 | High internal motor temperature |
| AL3 | Motor overload |
| AL4 | High driver temperature |
| AL5 | Safety relay fault |
To remove the error message, disconnect the instrument from the power supply.
If alarm persists on the display, please contact VELP Scientifica’s technical service department. [email protected]
Maintenance
| Maintenance | ➢ No routine or extraordinary maintenance is necessary. ➢ Repairs must be carried out by authorized Velp personnel only. ➢ Instrument must be transported in its original packaging any indications present on the original packaging must be followed (e.g. palletized). ➢ It is the responsibility of the user, to properly decontaminate the unit in case of hazardous substances remaining on the surface or interior of the device. If in doubt about the compatibility of a cleaning or decontamination product, contact the manufacturer or distributor. |
| Cleaning | ➢ Disconnect the unit from the power supply and use a cloth dampened with a non-flammable non-aggressive detergent. |
Technical data
| Models | F20100490, F20100491, F20100492, F20100493 | F20110490, F20110491, F20110492, F20110493 | |
| General features | Power supply | 230 V / 50-60 Hz (+/-10%) | 115V / 60 Hz (+/-10%) |
| Dimensions (WxHxD) | 90x315x235 mm (3.54×12.40×9.25 in) | 90x315x235 mm (3.54×12.40×9.25 in) | |
| 90x285x235 mm (3.54×11.22×9.25 in) | 90x285x235 mm (3.54×11.22×9.25 in) | ||
| Weight | 4,6 kg (10,14 Ib) | 4,6 kg (10,14 Ib) | |
| 4,1 kg (9,04 Ib) | 4,1 kg (9,04 Ib) | ||
| 4,1 kg (9,04 Ib) | 4,1 kg (9,04 Ib) | ||
| Power input | 190 W | 190 W | |
| Construction material (structure) | Aluminum | Aluminum | |
| Working in continuous | Admitted | Admitted | |
| Settable restart modality | Stop or work | Stop or work | |
| Noisiness | « 60 dBa | « 60 dBa | |
| Environmental temperature admitted | +5…+40 °C | +6…+40 °C | |
| Storage temperature admitted | -10…+60 °C | -10…+60 °C | |
| Max humidity | 80% | 80% | |
| Level of electrical protection CEI EN60529 | IP 54 | IP 54 | |
| Overvoltage category | II | II | |
| Pollution degree CEI EN61010-1 | 2 | 2 | |
| Max altitude | 2000 m | 2000 m | |
| Stir | Stirring capacity | 100 I H2O | 100 I H2O |
| 100 1 H2O | 100 1H20 | ||
| 40 I H2O | 40 I H2O | ||
| 25 I H2O | 25 I H2O | ||
| 25 I H2O | 25 I H2O | ||
| Programmable speed range | 6-400rpm (I) — 30-2000rpm (II) | 6-400rpm (I) — 30-2000rpm (II) | |
| 30-1300rpm | 30-1300rpm | ||
| 30-2000rpm | 30-2000rpm | ||
| 30-2000rpm | 30-2000rpm | ||
| 30-2000rpm | 30-2000rpm | ||
| Motor type | BLDG | BLDC | |
| Speed selection | 1 rpm step | 1 rpm step | |
| Stirring alarm | Motor fault | Motor fault | |
| Motor rating output | 150 W | 150 W | |
| Torque | Max torque admitted | 200 Ncm (I) — 40 Ncm (II) | 200 Ncm (I) — 40 Ncm (II) |
| 100 Ncm | 100 Ncm | ||
| 60 Ncm | 60 Ncm | ||
| 40 Ncm | 40 Ncm | ||
| 20 Ncm | 20 Ncm | ||
| Counters | Motor counter | Working hours | Working hours |
Accessories / Spare parts
| A00000366 | Support rod and base OHS |
| A00000369 | Telescopic support rod and base OHS |
| A00000391 | OHS/ControllerSoft |
| A00001300 | Support rod and base |
| A00001301 | Double clamp |
| A00001302 | Ribbon clamp |
| A00001304 | Stirring shaft with floating blade |
| A00001305 | Stirring shaft with folding blade |
| A00001306 | Stirring shaft with fixed blade |
| A00001307 | Stirring shaft with propeller |
| A00001308 | Stirring shaft with paddle, 6 holes |
| A00001309 | Stirring shaft with turbine |
| A00001310 | Stirring shaft with turbo propeller |
| A00001311 | Stirring shaft with anchor |
| A00001312 | Chuck guard OHS |
| 10007175 | Knob 35D blu |
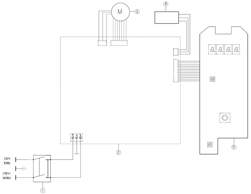
Wiring diagram

- Main switch
- Main board
- Electric motor
- USB board
- Display board
Declaration of conformity
We, the manufacturer VELP Scientifica, under our responsibility declare that the product is manufactured in conformity with the following standards:
EN 61010-1: Safety Requirements for Electrical Equipment for Measurement, Control, and Laboratory Use – Part 1: General Requirements
EN 61010-2-051: Safety requirements for electrical equipment for measurement, control and laboratory use – Part 2-051: Particular requirements for laboratory equipment for mixing and stirring
EN 61326-1: Electrical equipment for measurement, control and laboratory use – EMC requirements –
2015/863/EU (RoHS III): Restriction of the use of certain hazardous substances
2012/19/EU (WEEE): On waste electrical and electronic equipment and satisfies the essential requirements of the following directives:
- Machinery directive 2006/42/EC
- Electromagnetic compatibility directive 2014/30/EU
1. Declaration of conformity
We, the manufacturer VELP Scientifica, under our responsibility declare that the product is manufactured in conformity with the following regulations:
| S.I. 2016/1101 | Electrical Equipment (Safety) Regulations 2016 |
| S.I. 2016/1091 | Electromagnetic Compatibility Regulations 2016 |
according to the relevant designated standards:
| EN 61010-1 | Safety requirements for electrical equipment for measurement, control, and laboratory use Part 1: General requirements |
| EN 61010-2-051 | Particular requirements for laboratory equipment for mixing and stirring |
| EN 61326-1 | Electrical equipment for measurement, control and laboratory use – EMC requirements – Part 1: General requirements |
and satisfies the essential requirements of regulations:
| S.I. 2008/1597 | Supply of Machinery (Safety) Regulations 2008 |
| S.I. 2012/3032 | Restriction of the Use of Certain Hazardous Substances in Electrical and Electronic Equipment Regulations 2012 |
| S.I. 2013/3113 | Waste Electrical and Electronic Equipment Regulations 2013 |
plus modifications.
Thank you for having chosen VELP!
Established in 1983, VELP is today one of the world’s leading manufacturer of analytical instruments and laboratory equipment that has made an impact on the world-wide market with Italian products renowned for innovation, design and premium connectivity. VELP works according to ISO 9001, ISO14001 and OHSAS 18001 Quality System Certification.
Our instruments are manufactured in Italy according to the IEC 1010-1 and CE regulation.
Our product lines:
Analytical instruments
Elemental Analyzers
Digestion Units
Distillation Units
Solvent Extractors
Fiber Analyzers
Dietary Fiber Analyzers
Oxidation Stability Reactor
Consumables
Laboratory Equipment
Magnetic Stirrers
Heating Magnetic Stirrers
Heating Plates
Overhead stirrers
Vortex mixers
Homogenizers
COD Thermoreactors
BOD and Respirometers
Cooled Incubators
Flocculators
Overhead Shakers
Turbidimeter
Radiation Detector
Open Circulating Baths
Pumps
www.velp.com
VELP Scientifica Srl
20865 Usmate (MB) ITALY
Via Stazione, 16
Tel. +39 039 62 88 11
Fax. +39 039 62 88 120
We respect the environment by printing our manuals on recycled paper.
Rispettiamo l’ambiente stampando i nostri manuali su carta riciclata.



















