F204A0167 AMI Illuminated Magnetic Stirrer
Instruction Manual
General Information
Before using the unit, please read the following instruction manual carefully.
Do not dispose of this equipment as urban waste, in accordance with EEC directive 2002/96/CE.
This unit must be used for laboratory applications indoor only. The manufacturer declines all responsibility for any use of the unit that does not comply with these instructions. If the product is used in a not specified way by the manufacturer or with non specified accessories, product’s safety may be compromised.
This unit has been designed and manufactured in compliance with the following standards:
Safety requirements for electrical equipment for measurement, control and for laboratory use:
IEC/EN 61010-1
IEC/EN 61010-2-051
Electrical equipment for laboratory use: UL 61010-1
General requirement – Canadian electrical code: CAN/CSA-C22.2 No.61010-1
VELP reserves the right to modify the characteristics of its products with the aim to constantly improving their quality.
Safety Regulations
The plug disconnects the instrument. Therefore, place the instrument where it can be quickly disconnected.
Place the power supply in the way to avoid liquid spills directly on it.
The stirred solution may release toxic, dangerous or poisonous gases. Adequate safety measures must be taken, in accordance with the safety regulations in force, including the presence of hood and personal protective equipment (masks, gloves, goggles, etc.).
Position the instrument on a flat surface, with a distance from the wall of 30 cm (at least).
It is responsibility of the user appropriately decontaminate the instrument in case of dangerous substances fall on or in it. It is also responsibility of the user to use safety substances for cleaning or decontaminating, which do not react with internal parts of the instrument or with the material contained in it. In case of doubts on the compatibility of a cleaning solution, contact the manufacturer or local distributor.
Do not use with explosive and dangerous materials for which the equipment is not designed. The stirrer must not be used in explosive atmospheres, in bain-marie and to stir combustible liquids that have a low combustion temperature. The minimum fire point of flammable solution is 200 °C. Only small amounts (< 50 ml) of flammable liquid can be used with the device.
In case of black-out, once the power is back the device will restart automatically.
Introduction
AMI is specially designed for titrations, and particularly for those in which optimum lighting condition are needed in order to see the final point of colour change well. This magnetic stirrer is illuminated.
The lighted stirrer plate is particularly recommended for titrations that have weak colour changes during conversion. By the switch it’s possible turn on the lighted stirrer plate. The stirrer stays cold even after several days of continuous use. This feature makes it highly appreciated in microbiology and biochemistry.
NOTE: it is advisable to choose the most suitable magnetic stir bar in relation to the quantity and characteristics of the liquid and the type of vessel used. The stirring bar which satisfies most application is code A00001056 (6x35mm).
Assembly and installation
Upon receipt and after having removed the packaging, please check the integrity of the instrument. The box includes:
- Magnetic stirrer AMI
- Switching power supply 100 – 240 V/12 V
- Instruction manual
2.1 Electrical connection
After having unpacked the instrument, place the unit on the laboratory bench.
Before connecting the instrument to the power supply, make sure that the values on the rating plate correspond to those of the power supply. Connect the unit to the power supply using the transformer supplied.
Ensure that the socket and the relative cut-off device conform to current safety norms and easy to reach.
2.2 Start-up
Rotate the speed knob completely to the left. Place the flask containing the sample and a suitable magnetic stirring bar on the stirring plate. Then, set the speed by turning the speed knob.
Operating controls
Turn the stirring speed knob on the front panel in order to start the stirring function. The Stirrer Led shows when the stirring is running. The instrument is equipped with a hole in the bottom through which it’s possible to modify the illumination brightness using a flat screw driver.
Maintenance
No routine or extraordinary maintenance is necessary apart from periodically cleaning the unit as described in this manual. In compliance with the product guarantee law, repairs to our units must be carried out in our factory, unless previously agreed otherwise with local distributors. The instrument must be transported in its original packaging and any indications present on the original packaging must be followed (e.g. palletized).
It is the responsibility of the user, to properly decontaminate the unit in case of hazardous substances remaining on the surface or interior of the device. If in doubt about the compatibility of a cleaning or decontamination product, contact the manufacturer or distributor.
4.1 Cleaning
Disconnect the unit from the power supply and use a cloth dampened with an non-inflammable non-aggressive detergent.
Technical data
| Power | 12 Vdc 4 W |
| Admitted power supply | 0.5 A / 100-240 V / 50-60 Hz (+/-10%) |
| Dimensions (WxHxD) | 150x55x270 mm |
| Weight (with plug) | 1.2 kg |
| Speed range | Up to 1100 rpm |
| Illumination range | 1500 ÷ 20000 lx (default value 20000 lx) |
| Stirring capacity | Up to 5 liter |
| Operating mode | Continuous |
| Construction material | Epoxy painted metal structure |
| Environmental ambient temperature | 5 – 40 °C (41 – 104°F) |
| Storage temperature range | -10… + 60 °C (14 – 140°F) |
| Pollution degree | 2 |
| Overvoltage category | II |
| Sound level | 35 dBa |
| Max humidity | 80% |
| Altitude | Up to 2000 m. |
Accessories/Spare parts
| A00001056 | Stirring bar 6x35mm |
| 10003081 | Power supply 100-240V/12V no plug |
| 10002097 | Knob |
| A00001057 | Stirring bar 6x20mm |
| 10000231 | Foot |
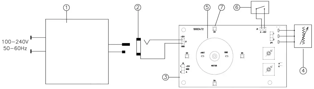
Wiring diagram

- External power supply
- Socket of the instrument
- Electronic board
- Potentiometer
- Electric motor
- ON-OFF switch
- Led
Declaration of conformity 
We, the manufacturer VELP Scientifica, under our responsibility declare that the product is manufactured in conformity with the following standards:
EN 61010-1
EN 61326-1
2015/863/EU (RoHS III)
2012/19/EU (WEEE)
EN 61010-2-051
and satisfies the essential requirements of the following directives:
- Machinery directive 2006/42/EC
- Electromagnetic compatibility directive 2014/30/EU
- plus modifications
Declaration of conformity ![]()
We, the manufacturer VELP Scientifica, under our responsibility declare that the product is manufactured in conformity with the following regulations:
S.I. 2016/1101: Electrical Equipment (Safety) Regulations 2016
S.I. 2016/1091: Electromagnetic Compatibility Regulations 2016
according to the relevant designated standards:
EN 61010-1: Safety requirements for electrical equipment for measurement, control, and laboratory use Part 1: General requirements
EN 61010-2-051: Particular requirements for laboratory equipment for mixing and stirring
EN 61326-1: Electrical equipment for measurement, control and laboratory use – EMC requirements – Part 1: General requirements
and satisfies the essential requirements of regulations:
S.I. 2008/1597: Supply of Machinery (Safety) Regulations 2008
S.I. 2012/3032: Restriction of the Use of Certain Hazardous Substances in Electrical and Electronic Equipment Regulations 2012
S.I. 2013/3113: Waste Electrical and Electronic Equipment Regulations 2013 plus modifications.
Thank you for having chosen VELP!
Established in 1983, VELP is today one of the world’s leading manufacturer of analytical instruments and laboratory equipment that has made an impact on the world-wide market with Italian products renowned for innovation, design and premium connectivity. VELP works according to ISO 9001, ISO14001 and OHSAS 18001 Quality System Certification.
Our instruments are manufactured in Italy according to the IEC 1010-1 and CE regulation.
Our product lines:
| Analytical instruments Elemental Analyzers Digestion Units Distillation Units Solvent Extractors Fiber Analyzers Dietary Fiber Analyzers Oxidation Stability Reactor Consumables | Laboratory Equipment Magnetic Stirrers Heating Magnetic Stirrers Heating Plates Overhead stirrers Vortex mixers Homogenizers COD Thermoreactors BOD and Respirometers Cooled Incubators Flocculators Overhead Shakers Turbidimeter Radiation Detector Open Circulating Baths Pumps |
Distributed by:
www.velp.com
VELP Scientifica Srl
20865 Usmate (MB) ITALY
Via Stazione, 16
Tel. +39 039 62 88 11
Fax. +39 039 62 88 120
We respect the environment by printing our manuals on recycled paper.
10003608/B3


















