VELP SCIENTIFICA F203A0161 Magnetic Stirrer

Instruction Manual
General Information
- Before using the unit, please read the following instruction manual carefully.
- Do not dispose of this equipment as urban waste, in accordance with EEC directive 2002/96/CE.
This unit must be used for laboratory applications indoor only.
The manufacturer declines all responsibility for any use of the unit that does not comply with these instructions. If the product is used in a not specified way by the manufacturer or with non specified accessories, product’s safety may be compromised.
- This unit has been designed and manufactured in compliance with the following standards
- Safety requirements for electrical equipment for measurement, control and for laboratory use
- Electrical equipment for laboratory use UL 61010-1
- General requirement – Canadian electrical code CAN/CSA-C22.2 No.61010-1
- VELP reserves the right to modify the characteristics of its products with the aim to constantly improving their quality.
Safety Regulations
- The plug disconnects the instrument. Therefore, place the instrument where it can be quickly disconnected.
- Place the power supply in the way to avoid liquid spills directly on it.
- The stirred solution may release toxic, dangerous or poisonous gases. Adequate safety measures must be taken, in accordance with the safety regulations in force, including the presence of hood and personal protective equipment (masks, gloves, goggles, etc.).
- Position the instrument on a flat surface, with a distance from the wall of 30 cm (at least).
- Do not use with explosive and dangerous materials for which the equipment is not designed. The stirrer must not be used in explosive atmospheres.
- It is responsibility of the user appropriately decontaminate the instrument in case of dangerous substances fall on or in it.
- It is also responsibility of the user to use safety substances for cleaning or decontaminating, which do not react with internal parts of the instrument or with the material contained in it. In case of doubts on the compatibility of a cleaning solution, contact the manufacturer or local distributor.
- In case of black-out, once the power is back the device will restart automatically.
Introduction
The MICROSTIRRER magnetic stirrer is a small, simple and effective stirrer. Thanks to the white cover surface it is specially designed for microtitrations, and it is extremely useful where reliable and small instrument is needed. The stirrer stays cold even after several days of continuous use. This feature makes it highly appreciated in microbiology and biochemistry. The technopolymer structure is studied and tested in order to give to the instrument an excellent resistance to the attack of chemical agents and to corrosion in general.
NOTE: it’s important to choose the most suitable magnetic stirring bar related to the quantity and the liquid to be stirred as well as to the type of the beaker. The magnetic stirring bar that satisfies most of the application is A00001056 (6x35mm).
Assembly and installation
Upon receipt and after having removed the packaging, please check the integrity of the instrument. The box includes:
- Magnetic stirrer MICROSTIRRER
- Plug for power supply
- Switching VELP 100-240V/12V without plug
- Instruction manual
Electrical connection
- After having unpacked the instrument, place the unit on the laboratory bench.
- Before connecting the instrument to the power supply, make sure that the values on the rating plate correspond to those of the power supply. Connect the unit to the power supply using the transformer supplied.
- Ensure that the socket and the relative cut-off device conform to current safety norms and easy to reach.
Start-up
Rotate the speed knob completely to the left. Place the flasks containing the sample and a suitable magnetic stirring bar on the stirring plate. Then, set the speed by turning the speed knob.
Information about construction materials
- Structure Aluminum Frontal panel label PET Feet MQ/MVQ
Operating controls
- Turn the stirring speed knob on the front panel in order to start the stirring function.
- It is possible to select speeds between 0 and 1100 rpm.
- When the led is lighted it means that the stirring is on
Maintenance
- No routine or extraordinary maintenance is necessary apart from periodically cleaning the unit as described in this manual.
- In compliance with the product guarantee law, repairs to our units must be carried out in our factory, unless previously agreed otherwise with local distributors. The instrument must be transported in its original packaging and any indications present on the original packaging must be followed (e.g. palletized).
- It is the responsibility of the user, to properly decontaminate the unit in case of hazardous substances remaining on the surface or interior of the device. If in doubt about the compatibility of a cleaning or decontamination product, contact the manufacturer or distributor.
Cleaning
- Disconnect the unit from the power supply and use a cloth dampened with an non-inflammable non-aggressive detergent.
Technical data

Accessories / Spare parts
- A00001056 Stirring bar 6x35mm A00001057 Stirring bar 6x20mm 10002097 Black knob
- 10001372 Foot 10003081 Power supply 100-240V/12V no plug
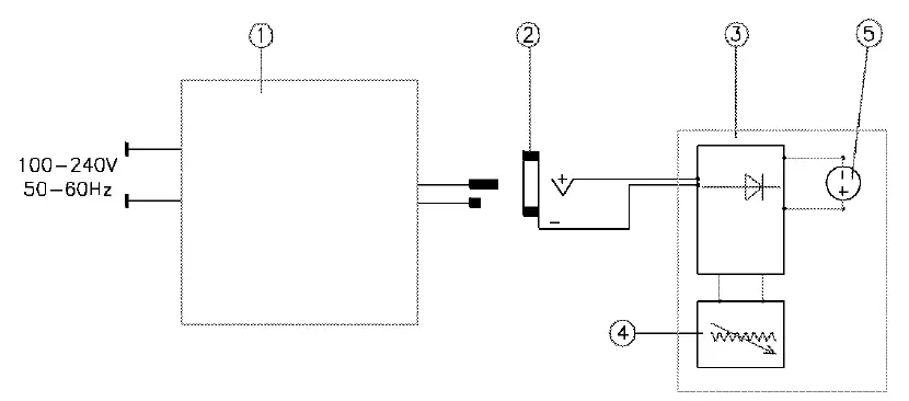
Wiring diagram

- External power supply
- Socket of the instrument
- Electronic board
- Potentiometer for speed regulation
- Electric motor
Thank you for having chosen VELP
Established in 1983, VELP is today one of the world’s leading manufacturer of analytical instruments and laboratory equipment that has made an impact on the world-wide market with Italian products renowned for innovation, design and premium connectivity. VELP works according to ISO 9001, ISO14001 and OHSAS 18001 Quality System Certification. Our instruments are manufactured in Italy according to the IEC 1010-1 and CE regulation.
Analytical instruments
- Elemental Analyzers
- Digestion Units
- Distillation Units
- Solvent Extractors
- Fiber Analyzers
- Dietary Fiber Analyzers
- Oxidation Stability Reactor
- Consumables
www.velp.com VELP Scientifica Srl 20865 Usmate (MB) ITALY Via Stazione, 16 Tel. +39 039 62 88 11 Fax. +39 039 62 88 120



















