Empava Gas Cooktop

The instructions shall be marked with directions to the installer to leave them with the appliance and to the consumer to retain them for future reference.
WARNING: This appliance can be used by children aged from 8 years and above and persons with reduced physical, sensory or mental capabilities or lack of experience and knowledge if they have been given supervision or instruction concerning use of the appliance in a safe way and understand the hazards involved. Children shall not play with the appliance. Cleaning and user maintenance shall not be made by children without supervision.
If the supply cord is damaged, it must be replaced by the manufacturer. its service agent or similarly qualified persons in order to avoid a hazard. The disconnection may be achieved by having the plug accessible or by incorporating a switch in the fixed wiring in accordance with the wiring rules. It is dangerous to store stuff in cabinet areas above appliance.
WARNING: If the information in these instructions is not followed exactly, a fire or explosion may result causing property damage, personal injury or death.
- Do not store or use gasoline or other flammable vapors and liquids in the vicinity of this or any other appliance.
- WHAT TO DO IF YOU SMELL GAS
- Do not try to light any appliance.
- Do not touch any electrical switch.
- Do not use any phone in your building.
- Immediately call your gas supplier from a neighbor s phone. Follow the gas supplier s instructions.
- If you cannot reach your gas supplier, call the fire department.
- Installation and service must be performed by a qualified installer, service agency or the gas supplier.
WARNING:
Never use this appliance as a space heater to heat or warm the room. Doing so may result in carbon monoxide poisoning and overheating of the oven.
Contents
- Cooktop Description
- Important Information
- Operation
- Maintenance and Cleaning
- Troubleshooting
- Instructions for the Installer
- Important safety requirements
- Installation
This appliance shall be installed in accordance with the regulations in force and only used in a well- ventilated space. Read the instructions before installing or using this appliance.
The installation must conform with local codes or, in the absence of local codes, with the National Fuel Gas Code, ANSI Z223.1/NFPA 54 or, in Canada, the Natural Gas and Propane Installation Code, CSA B149.1. The appliance, when installed, must be electrically grounded in accordance with local codes or, in the absence of local codes, with the National Electrical Code, NFPA 70 or the Canadian Electric Code, CSA C22.1‐02.
Cooktop Description
Figure 1
Operating Instructions:
- Knob 1 is for burner 10
- Knob 2 is for burner 9
- Knob 3 is for burner 8
- Knob 4 is for burner 7
- Knob 5 is for burner 6
- burner 6 6000Btu/hr in 2.56″
- burner 7 10200Btu/hr in 3.74″
- burner 8 13000Btu/hr in 4.80″
- burner 9 6000Btu/hr in 2.56″
- Burner 10 3800Btu/hr in 1.77”
Figure 2
Operating Instructions:
- Knob 1 is for burner 10
- Knob 2 is for burner 9
- Knob 3 is for burner 8
- Knob 4 is for burner 7
- Knob 5 is for burner 6
- burner 6 6000Btu/hr in 2.56″
- burner 7 10200Btu/hr in 3.74″
- burner 8 13000Btu/hr in 4.80″
- burner 9 6000Btu/hr in 2.56″
- Burner 10 3800Btu/hr in 1.77”
Figure 3
Operating Instructions:
- Knob 1 is for burner 10
- Knob 2 is for burner 9
- Knob 3 is for burner 8
- Knob 4 is for burner 7
- Knob 5 is for burner 6
- burner 6 10200Btu/hr in 3.74″
- burner 7—6000Btu/hr in 2.56″
- burner 8—13000Btu/hr in 4.80″
- burner 9 6000Btu/hr in 2.56″
- burner 10—3800Btu/hr in 1.77”
Figure 4
Operating Instructions:
- Knob 1 is for burner 10
- Knob 2 is for burner 9
- Knob 3 is for burner 8
- Knob 4 is for burner 7
- Knob 5 is for burner 6
- burner 6 10200Btu/hr in 3.74″
- burner 7—6000Btu/hr in 2.56″
- burner 8—13000Btu/hr in 4.80″
- burner 9 6000Btu/hr in 2.56″
- burner 10—3800Btu/hr in 1.77”
Figure 6
Operating Instructions:
- Knob 1 is for burner 10
- Knob 2 is for burner 8
- Knob 3 is for burner 9
- Knob 4 is for burner 7
- Knob 5 is for burner 6
- burner 6—10200Btu/hr in 3.74″
- burner 7—6000Btu/hr in 2.56″
- burner 8—6000Btu/hr in 2.56″
- burner 9—3800Btu/hr in 1.77”
- Burner 10—13000Btu/hr in 4.80″
Figure 7
Operating Instructions:
- Knob 1 is for burner 10
- Knob 2 is for burner 9
- Knob 3 is for burner 8
- Knob 4 is for burner 7
- Knob 5 is for burner 6
- burner 6 3800Btu/hr in 1.77”
- burner 7—6000Btu/hr in 2.56″
- burner 8—13000Btu/hr in 4.80″
- burner 9 6000Btu/hr in 2.56″
- burner 10—10200Btu/hr in 3.74″
Figure 8
Operating Instructions:
- Knob 1 is for burner 10
- Knob 2 is for burner 9
- Knob 3 is for burner 8
- Knob 4 is for burner 7
- Knob 5 is for burner 6
- burner 6 3800Btu/hr in 1.77”
- burner 7—6000Btu/hr in 2.56″
- burner 8—13000Btu/hr in 4.80″
- burner 9 6000Btu/hr in 2.56″
- burner 10—10200Btu/hr in 3.74″
Figure 9
Operating Instructions:
- Knob 1 is for burner 8
- Knob 2 is for burner 7
- Knob 3 is for burner 6
- Knob 4 is for burner 5
- burner 6 6000Btu/hr in 2.56″
- burner 7—6000Btu/hr in 2.56″
- burner 5—13000Btu/hr in4.80″
- burner 8 3800Btu/hr in 1.77
Important Information
Read the instructions before installing or using this appliance. Children should be supervised to ensure that they do not play with the appliance. These instructions are only valid if the country symbol appears on the appliance. If the symbol does not appear on the appliance, it is necessary to refer to the technical instructions which will provide the necessary instructions concerning modification of the appliance to the conditions of use of the country.
Installation
- Prior to installation, ensure that the local distribution conditions (nature of the gas and gas pressure) and the adjustment of the appliance are compatible.
- The adjustment conditions for this appliance are stated on the label (or data plate).
- This appliance is not connected to a combustion products evacuation device. It shall be installed and connected in accordance with current installation regulations. Particular attention shall be given to the relevant requirements regarding ventilation. Read the instructions before installing or using this appliance.
- The appliance and its individual shut-off valve must be disconnected from the gas supply piping system during any pressure testing of that system at test pressures in excess of 1/2 psi (3.5 kPa).
- The appliance must be isolated from the gas supply piping system by closing its individual manual shut-off valve during any pressure testing of the gas supply piping system at test pressures equal to or less than 1/2 psi (3.5 kPa).
- Always check for the validity of the pressure regulator. Technical specification of the pressure regulator:
- Refer to TECHNICAL DATA in this manual.
- Max. consumption: 2.5kg/h.
- Should be certified according to ANSI Z21.1 / CSA 1.1 and comply with local code.
- This appliance must be installed and serviced by a competent person
- This appliance shall be installed in accordance with the regulations in force and only used in a well ventilated space.
- Remove all packaging before using the gas cooktop
- Ensure that the gas and complies with the type stated on the rating label
- Do not attempt to modify the gas cooktop in any way
Caution: This appliance is for cooking purposed only. It must not be used for other purposes, for example room heating. For your Safety - This gas cooktop is designed to be operated by adults. Do not allow children to play near or with the gas cooktop.
- The gas cooktop gets hot when it is in use.
- Children should be kept away until it has cooled.
- Children can also injure themselves by pulling pans or pots off the gas cooktop.
- CAUTION: This appliance is for cooking purposes only. It must not be used for other purposes, for example, room heating.
When Use
- This gas cooktop is intended for domestic cooking only. It is not designed for commercial or industrial purposes.
- When in use a gas cooking appliance will produce heat and moisture in the room in which it has been installed. Ensure there is a continuous air supply, keeping air vents in good condition or installing a cooker hood with a venting hose.
- When using the gas cooktop for a long period of time, the ventilation should be improved, by opening a window or increasing the extractor speed.
- Do not use gas cooktop if it is in contact with water. Do not operate the gas cooktop with wet hands.
- Ensure the control knobs are in the closed position when not in use.
- In the event of the burner flames being accidentally extinguished, turn off the burner control and do not attempt to re-ignite the burner for at least 1 min.
Service
The gas cooktop should only be repaired or serviced by an authorized Service person and only genuine approved spare parts should be used.
Environmental Information
- After installation, please dispose of the packaging with due regard to safety and the environment.
- When disposing of an old appliance, make it unusable, by cutting off the cable.
- The symbol on the product or on its packaging indicates that this product may not be treated as household waste. Instead it shall be handed over to the applicable collection point for the recycling of electrical and electronic equipment. By ensuring this product is disposed of correctly, you will help prevent potential negative consequences for the environment and human
health, which could otherwise be caused by inappropriate waste handling of this product. For more detailed information about recycling of this product, please contact your local city office, your household waste disposal service or the shop where you purchased the product.
Operation
Lighting
- Simply press the knob in, turn anticlockwise to ignition position(star icon) .
- Press the ignition device and hold the knob till the burner is ignited
- Before releasing knob, ensure a flame is established,
- If the burner fails to ignite, put into off position and try again.
- If in case of a power failure or failure of the ignition, a match or lighting devise can be used. Care must be taken when using this method. The device shall not be operated for more than 15s. If after 15s the burner has not lit, stop operating the device and open the compartment door and/ or wait at least 1 min before attempting a further ignition of the burner. In the event of the burner flames being accidentally extinguished, turn off the burner control and do not attempt to re-ignite the burner for at least 1 min.
CAUTION: Accessible parts may be hot when the grill is in use. Young children should be kept away” As shown in Figure 12, place the burner onto the burner base one by one and stuck, rotate left and right to check if the burners are in place, the burner is placed correctly when it cannot be rotated. Finally center placed the burner cap on the burner.
If you cannot light the flame even after several attempts, check the “cap” and “crown” (see diagram – figure 10) if they are in the correct position. To put the flame out, turn the knob to the symbol “O”
Description:
- Burner cap
- Burner crown
- Burner base
- Ignition electrod
- Thermocouple

When switching on the mains, after installation or a power cut, it is quite normal for the spark generator to be activated automatically. To ensure maximum burner efficiency, you had better use pots and pans with a flat bottom fitting the size of the burner used (see table). Do not use rim based or convex-based vessels on the hotplate burners.
| Burner | Minimum Pan Diameter | Maximum Pan Diameter |
| Triple(ultra-rapid) in 4.80″ Large (rapid) in 3.74″ Medium (semi-rapid) in 2.56″ Small (auxiliary) in 1.77″ | 7” 7” 7” 7” | 9” 9” 7” 7” |
WARNING: As soon as a liquid starts boiling, turn down the flame so that it will barely keep the liquid simmering. If the control knobs become difficult to turn, please contact your local service centre.
WARNING: Users could not use the cooking vessels on the hotplate that overlap its edges.
WARNING: All burner caps can’t be dislocated installation, otherwise it will lead to flash back on the upper aluminum seats and cause the upper aluminum seats to melt and deform, see below figures for correctly placing the burner caps.
Re-ignition:
If the flame is out for certain reasons, the safety device will cut off the gas power automatically. Turn the switch to ” largest flame ” position, then ignite again, you should wait for 30 seconds when you do that; Due to the air in the tong, there may be unsmooth ignition, revolve the switch to ” largest flame ” position and ignite again.
Maintenance and Cleaning
Before any maintenance or cleaning can be carried out, you must DISCONNECT the gas cooktop from the electricity supply. The gas cooktop is best cleaned while it is still warm; as spillage can be removed more easily than if it is left to cool.
Control Panel
Sign ● = gas valve is shut off
Sign =largest flame
Sign =smallest flame
Sign = electric discharge for ignition
The Burners
The burner caps and crowns can be removed for cleaning. Wash the burner caps and crowns using hot soapy water, and remove marks with a mild paste cleaner. A well moistened soap impregnated steel wool pad can be used with caution, if the marks are particularly difficult to remove. After cleaning, be sure to wipe dry with a soft cloth.
Ignition electrode
The electric ignition is obtained through a ceramic “electrode” and a metal electrode. Keep these components very clean, to avoid lighting difficulties, and check that the burner crown holes are not obstructed.
Thermocouple
The thermocouple is very crucial for cutting gas supply in case of flame out during cooking, be sure to keep them in very clean condition.
Leak testing of the appliance shall be conducted according to the manufacturer’s instructions.
Maintenance instructions suggesting (We suggest to clean it every six months.):
- Keeping appliance area clear and free from combustible materials, gasoline, and other flammable vapors and liquids.
- Not obstructing the flow of combustion and ventilation air.
- Visually checking pilot(s) and burner flames, with pictorial representation.
- Remove the utensil supports.
- Light burners.
- Turn knobs from MAX to MIN, Check the flame status, the flame in MIN position should be smaller than in MAX position, as figure shown below.
- Always check flame before each use, see TROUBLESHOOTING if any abnormal status found.

Trouble Shooting
| Problem | Corrective action |
| •There is no spark when lighting the gas | • Check that the unit is plugged in and the electrical supply is switched on •Check that the RCCB has not tripped (if fitted) •Check the mains fuse has not blown •Check the burner cap and crown have been replaced correctly, e.g. after cleaning. |
| •The gas ring burns unevenly | •Check the main jet is not blocked and the burner crown is clear of food particles. •Check the burner cap and crown have been replaced correctly, e.g. after cleaning. |
Instructions for the Installer
Overall dimensions
| For Model | Width | Depth |
| EMPV-30GC20 EMPV-30GC21 EMPV-30GC26 | 29.90in | 20.08in |
| EMPV-36GC22 EMPV-36GC23 EMPV-36GC24 EMPV-36GC25 | 36.02in | 20.67in |
| EMPV-36GC27 | 35.43in | 20.67in |
| EMPV-24GC28 | 23.23in | 20.08in |
Cut out dimensions
| For Model | Width | Depth |
| EMPV-30GC20 EMPV-30GC21 EMPV-30GC26 | 28.58in | 18.54in |
| EMPV-36GC22 EMPV-36GC23 EMPV-36GC24 EMPV-36GC25 | 34.68in | 19.33in |
| EMPV-36GC27 | 32.83in | 18.66in |
| EMPV-24GC28 | 22.08in | 18.54in |
Technical Data
Burner configuration
| NG | LPG | |||
| Nozzles Dia. (mm) | Btu/hr | Nozzles Dia. (mm) | Btu/hr | |
| Ultra-rapid burner | 1.68 | 13000 | 1.10 | 13000 |
| Rapid burner | 1.57 | 10200 | 0.96 | 10200 |
| Semi rapid burner | 1.16 | 6000 | 0.76 | 6000 |
| Auxiliary burner | 0.91 | 3800 | 0.60 | 3800 |
Different models have different total heat input, please refer to page 3,page 4 & page 5.
Gas Type Manifold pressure :
NG gas pressure at 4.0 in wc
LPG gas pressure at 10 in wc.
Maximum Gas Supply Pressure: 14 in wc.
Gas supply pressure for checking regulator setting:
NG gas pressure at 5.0 in wc
LPG gas pressure at 11 in wc.
Important safety requirements
Location
The cooktops may be located in a kitchen, a kitchen/diner or bed sitting room, but not in a bathroom, shower room or garage. Before making the cut out in the worktop ensure that there is a minimum distance of 2.17” between the rear edge of the cooktops and the wall. A minimum distance of 3.94” must be left between the side edges of the cooktops and any adjacent cabinets or walls. The minimum distance combustible material can be fitted above the cooktops in line with the edges of the cooktops is 18”. If it is fitted below 18” a space of 1.97” must be allowed from the edges of the cooktops. The minimum distance combustible material can be fitted directly above the cooktops is 30”. Maximum depth for the overhead cabinets is 13”. The distance from the front edge of the cooktop to the front edge of the countertop should be 3.0”.The distance between the closet should be 23.62” (not less than the depth of the cooktop itself) (see Figure 12) Notice that a horizontal separation below the base of the hotplate is needed. The minimum distance between this separation shall not exceed 5.90”.
WARNING: The use of a gas cooking appliance results in the production of heat and moisture in the room in which it is installed. Ensure that the kitchen is well ventilated especially when the appliance is in use. Keep natural ventilation holes open or install a mechanical ventilation device.
Prolonged intensive use of the appliance may call for additional ventilation, for example opening of a window, or more effective ventilation, for example increasing the level of mechanical ventilation where present.
WARNING: The base of the appliance should be protected from contact by a horizontal partition or plate.
A manual valve be installed in an accessible location in the gas line external to the appliance for the purpose of turning on or shutting off gas to the appliance.
Warning: Turn the knob counterclockwise to adjust the flame, size, so that the flame does not float out of the container rim. If need to adjust the flame size from big to small when operation, turn the knob counterclockwise 90 degrees to the position. (See Figure 13)
When you need to change the gas cooktop, you must first close the air supply valve and the cooktop valve, unplug the plug of models with AC power supply, only after that you can remove the connector hose or threaded connector and then move the gas cooktop. Warn of the potential hazards associated with storage cabinet areas above appliances. Misoperation can cause fire.
Save the orifices removed from the appliance for future use.
Gas Conversion Operating Instructions
| Gas type | Propane (Parts list) | NG (Parts list) | |||||
| Nozzles Dia. (mm) | Power (Btu/hr) | Quantity | Nozzles Dia. (mm) | Power (Btu/hr) | Quantity | ||
| Ultra rapid burner | 1.10 | 13000 | 1 | 1.68 | 13000 | 1 | |
| Rapid burner | 0.96 | 10200 | 1 | 1.57 | 10200 | 1 | |
| Semi rapid burner | 0.76 | 6000 | 1 | 1.16 | 6000 | 1 | |
| Auxiliary burner | 0.60 | 3800 | 1 | 0.91 | 3800 | 1 | |
| Washer | 1 | 1 | |||||
| Connector nut | 1 | 1 | |||||
| Barb connector for hose | 1 | 1 | |||||
- Air supply valve and cooktop valve need to be closed, unplug the power plug for AC model.
- When the gas pressure regulator is in NG state and need to be converted to Propane state, counterclockwise unscrew the end cap under the gas pressure regulator, and then counterclockwise unscrew the marked NG threaded rod, reverse the threaded rod, turn the LP arrow upwards and tighten it to the screw cap, then install the cap back to the gas pressure regulator. The gas pressure regulator gas conversion needs to be used with the accessory kit (See Burner Configuration for detailed nozzle specifications).
- Remove the burners, burner caps, and screw out the nozzles from the burner bases. Then install those nozzles in the Conversion Kit bag (part no. GX90-20A ASSY NOZZLE KIT ON EMPV-30GC20.GX90-21A ASSY NOZZLE KIT ON EMPV-30GC21.GX90-22A ASSY NOZZLE KIT ON EMPV-36GC22.GX90-23A ASSY NOZZLE KIT ON EMPV-36GC23.GX90-24A ASSY NOZZLE KIT ON EMPV-36GC24.GX90-25A ASSY NOZZLE KIT ON EMPV-36GC25.GX90-26A ASSY NOZZLE KIT ON EMPV-30GC26.GX90-27A ASSY NOZZLE KIT ON EMPV-36GC27,GX90-28A ASSY NOZZLE KIT ON EMPV-34GC28.) to each burner base correspondingly. Save the orifices removed from the appliance for future use.
- Input inlet pressure of 11 in wc ( 2740Pa ), coat the nozzle joints and the gas pressure regulator joints with moderate amounts of soapy water, there shall be no bubbling
- Place the burner, burner cap, check if the position between the ignition pin and the burner is correct, and then open the valve, AC model plugged in the power plug.
- Test the outlet pressure, the pressure is required to be 10 ± 1in wc. If it cannot meet the scope of the requirements, need to unscrew the pressure regulator nut as Figure 18, rotate slightly to adjust the white plastic parts inside the pressure regulator.
- Ignition test requires that the burner can be lit in 5 seconds normally, after 1 minute the flame is stable, there should be no lifted flame and yellow fire.

- Similarly, when use in NG status, turn the marked NG arrow upwards and tighten it to the screw cap (see Figure 18). Repeat the above operation. The outlet pressure requires to be 4 ± 1in wc.
- After the conversion is completed, the conversion label in the accessory bag needs to be attached next to the original label.

This conversion kit shall be installed by a qualified service agency in accordance with the manufacturer’s instructions and all applicable codes and requirements of the authority having jurisdiction. If the information in these instructions is not followed exactly, a fire, explosion or production of carbon monoxide may result causing property damage, personal injury or loss of life. The qualified service agency is responsible for the proper installation of this kit. The installation is not proper and complete until the operation of the converted appliance is checked as specified in the manufacturer’s instructions supplied with the kit.Complete parts list identifying all components provided in the kit.
Installation
IMPORTANT: The gas cooktop must be installed by a competent person to the relevant Gas Standards. Please, ensure that, once the gas cooktop is installed, it is easily accessible for the engineer in the event of a breakdown.
WHEN THE GAS COOKTOP IS FIRST INSTALLED
Once the gas cooktop has been installed, it is important to remove any protective materials, which were put on in the factory. Any gas installation must be carried out by a competent person.
Important: When installing the gas cooktop above a built in oven, the oven should be placed on two wooden strips; in the case of a joining cabinet surface, remember to leave a space of at least 1.77” x 22.05” at the back. When installing on a built in oven without forced ventilation, ensure that there are air inlets and outlets for ventilating the interior of the cabinet adequately.
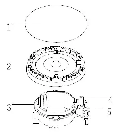
Pressure Regulator Installation
A: Cooktop air pipe joint
B: Pressure Regulator
C: Gas fitting First, make sure that the pressure regulator arrow points toward the cooktop air pipe joint, and then fasten the pressure regulator to the cooktop air pipe. Then install the gas fitting on the other side of the pressure regulator. (See Figure 16)
Gas Connection and check
D: End of fitting with 1/2 BSP male thread(See Figure 17)
The cooktop valve is in the closed state, open the air supply valve, coated the connector with moderate amounts of soapy water, if there is air bubbles that it means there is leakage, tighten the connector and test again. If repeat 3 to 4 times and there is still air bubbles, notify professionals to deal with it.
Cut Out dimensions
The dimensions of the cut out are given in the diagram. (Dimensions are given in inch.)
Electrical connections
Any electrical work required to install this gas cooktop should be carried out by a qualified electrician or competent person. Check the last letter of your model to know the electrical supply type: A is for AC,D is for DC. See PAGE 1 to check the electrical supply of your model
The GAS COOKTOP MUST BE EARTHED
If the cooktops to be connected to a 120V, 60 Hz AC electrical supply. Before switching on, make sure the electricity supply voltage is the same as that indicated on the cooktops rating label. Ensure that the cooktops supply cable does not come into contact with surfaces with temperatures higher than 50 deg. C.
WARNING
Electrical Grounding Instructions This appliance is equipped with a three-prong grounding plug for your protection against shock hazard and should be plugged directly into a properly grounded receptacle. Do not cut or remove the grounding prong from this plug.
Circuit Diagram

Simply fill in the fields below and print form. Send Completed Form to:
Customer Service:(888)-682-8882
Empava Appliances Inc.
Warranty/ Registration Dept.
15253 Don Julian Rd
City of Industry,CA,91745





















