ILVE Gas Cooktop Instruction Manual

INSTRUCTION MANUAL FOR GAS COOKTOP MODEL ILGP64BV & ILGP64WV

OPEN 24/7 ILVE ACCESSORIES ONLINE SHOP
Dear customer,
We thank you and con- gratulate you on your choice.
This new carefully de- signed product, manu- factured with the highest quality materials, has been carefully tested to satisfy all your cooking demands.
We would therefore request you to read and follow these easy instructions which
will allow you to obtain ex- cellent results right from the start.
May we wish you all the very best with your modern appliance!
THE MANUFACTURER
Index Instructions for use
Installation 4
Use 4-8
Maintenance 32
Instructions
for the installater
Installation 36
Gas connection 38
Electrical connection 42
User characteristics 44-47
THIS APPLIANCE IS CONCEIVED FOR DOMESTIC USE ONLY. THE MANUFACTURER SHALL NOT IN ANY WAY BE HELD RESPONSIBLE
FOR WHATEVER INJURIES OR DAMAGES ARE CAUSED BY INCORRECT INSTALLATION OR BY UNSUITABLE, WRONG OR ABSURD USE
THIS APPLIANCE IS NOT INTENDED FOR USE BY PERSONS (INCLUDING CHILDREN) WITH REDUCED
PHYSICAL, SENSORY OR MENTAL CAPABILITIES, OR LACK OF EX PERIENCE AND K NOWLEDGE , UNLESS THEY HAVE BEEN GIVEN SUPERVISION OR INSTRUCTION CONCERNING USE OF THE APPLIANCE BY A PERSON RESPONSIBLE FOR THEIR SAFETY . C HILDREN SHOULD BE SUPERVISED TO ENSURE THAT THEY DO NOT PLAY WITH THE APPLIANCE
If the supply cord is damaged, it must be replaced by the manufacturer or its service avoid a hazard.
WHERE THIS APPLIANCE IS INSTALLED IN MARINE CRAFT OR IN CARAVANS, IT SHALL NOT BE USED AS A SPACE HEATER.
DO NOT SPRAY AEROSOLS IN THE VICINITY
OF THIS APPLIANCE WHILE IT IS IN OPERATION. DO NOT USE OR STORE FLAMMABLE MATERIALS NEAR THIS APPLIANCE.
DO NOT MODIFY THIS APPLIANCE.
Instructions for use
Installation
All the operations con- cerned with the installation (electrical and gas connections, adaptation to type of gas, necessary adjustments, etc.)must be
carried out by authorised personel, in terms with the standards in force.
kindly read the part titled instructions for the installer.
Use

Gas burners (Fig. 1-3). The ignition of the gas burner is carried out by
upper part holes of the burner, pressing and rotating the corresponding knob in an anti-clockwise manner, until the maxi- mum position has coincided with the marker.
When the gas burner has been turned according to need. The minimum position is found at the end of the anti- clockwise rotation direction. In models with automatic ignition, operate the knob as described above, pressing simultaneously, the cor- responding push-button.
For models with automatic/ simultaneous (with one hand) ignition, it is described above using the corresponding knob. The electric spark between the ignition plug and the burner provides the ignition of the burner itself. After ignition, immediately release the push-button and to need. For models with a thermoelectric safety
system, the burner is ignited as in the various cases described above, keeping the knob fully pressed on the m aximum position for approximately 3/5 seconds. After releasing the knob, make sure the burner is actually lit.
N.B. – we recommend the use of pots and pans with a diameter matching that of the burner, thus preventingfrom the bottom part and surrounding the pot
- do not leave any empty
- do not use any tools for grill-cooking on Crystal
is also a good norm to close the main gas pipe tap and/ or cylinder.
Important
- use of the appliance produces heat and moisture in the room where it is Make sure the kitchen is sufficiently ventilated; keep natural ventilation holes open or install mechanical ventilation devices (such as a hood).
- Prolonged use of the appliance may require additional ventilation, such as opening a
- on floors with thermoelectri protection do not keep the ignite button pushed for more than 15 seconds. If th burner has not ignited after 15 seconds, open the door of the room and wait at least one minute before making a further
- on floors without protection should the burner flame go out close the corresponding gas cock and wait at least o minute before making any attempt to ignite
Abnormal Operation Any of the following are
considered to be abnormal operation and may require servicing: Yellow tipping of the hob Sooting up of cooking utensils. Burners not igniting properly. Burners failing to remain alight. Burners extinguished by cupboard doors.
to turn. In case the appliance fails to operate correctly, contact the authorised personnel in your area”.
Do not place anything, e.g. flame tamer, asbestos mat, between pan and pan support as serious damage to the appliance may result.
Do not remove the pan support and enclose the burner with a wok stand as onto the hotplate.
Do not use large pots or heavy weights which can bend the pan support or deflect flame onto the hotplate.

The Gas Connection is male 1/2″ BSP and is situated at the right hand rear of the appliance, 7 mm from
the side and 30 mm from the rear of the cooktop.




Maintenance Gas/Electrical
Prior to any operation, disconnect the appliance from the electrical system.
For long-life to the equipment, a general cleaning operation must take place periodically, bearing in mind the following:
- the glass, steel and/or enamelled parts must be cleaned with suitable non-abrasive or corrosive products (found on the market). Avoid chlorine-base products (bleach, );
- avoid leaving acid or alkaline substances on the working area (vinegar, salt, lemon juice, ).
- the wall baffle and the small covers (mobile parts of the burner) must be washed frequently with boiling water and detergent, taking care to remove every possible encrustation. Dry carefully and check that none of the burner holes is fully or partially clogged;
- the electrical parts are cleaned with a damp cloth and are lightly greased with lubricating oil when still
- the stainless steel grids of the working area, after having been heated, take on a bluish tint which does not deteriorate the To bring colour back to its original state, use a slightly abrasive product.
N.B.- Cleaning of the taps must be carried out by qualified personnel, who must be consulted
in case of any functioning anomaly. Check periodically the state of conservation of In case of leakage, call immediately the its replacement.
DO NOT USE STEAM CLEANERS
Instructions for the installer
This appliance shall be installed only by authorised persons
municipal building codes, electrical wiring regulations, local water supply regulations, AS 5601- Gas Installations and any other statutory regulations. statutory regulations.
and in accordance with the manufacturer’s installation instructions,
Not for use in marine craft,
caravans or mobile homes
Warning: The foam tape seal must be
applied around the perimeter of the maintop.
Installation
This appliance is not .
provided with a combu- stion product discharge. It is recommended that it be installed in
places, in terms of the laws in force. The quantity of air which is necessary for combu- stion must not be below
2.0 m3/h for each kW of installed power.
See table of burner power.
Note: the device is in installation class 3.
The appliance’s adjustment parameters are shown on the plate attached to its housing.
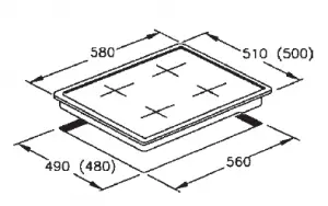
Positioning
(Fig. 4). The appliance working area as illustrated on the Before positioning the hob, around the entire periphery of the hole cut in the.
The connection to gas must be made by authorised personnel in accordance with
AS/NZS 5601 after making sure the cooktop is prepared for the type of gas
available. If not, see “Adapting to different types of gas’ section. Also check that the feed pressure falls within the values shown in the ‘User Characteristics’ table.
Natural Gas
The natural gas regulator supplied must be fitted for natural gas. Ensure the arrow on the regulator points towards the direction of the gas flow. Propane Gas
Fit the LPG test point assembly. An Australian Approved gas regulator suitable for a supply pressure of 2.75kPa should be part of the gas tank supply.
must be used and connections tested for gas
leaks. The supply connection point shall be accessible with the appliance installed.
Before Leaving
Check all connections for gas leaks with soap and instruct the user on the correct method of operation.
Ignite all burners both individually and concurrently to ensure correct operation of gas valves, burners and
service provider in your area”.In case the appliance fails to operate correctly after all checks have been carried out, refer to the authorised

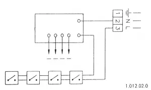
Electrical connection (Fig. 6) Prior to carrying out the electrical connec- tion, please ensure that:
- the plant characteris- tics are such as to fol- low what is indicated on the data label. placed at the bottom of the working area;
connection, following the standards and law provisions in force. The earth connection is compulsory in terms of the law. Should there be no cable and/or plug on the equipment, use suitable absorption material for the working temperature as well, as indicated on the data label. Under no circumstance must the cable reach a tem- perature above 50C of the ambient tempera- ture.
If connecting directly to the mains power supply, fit a multi-pole switch of a suitable size for the rated capacity with a clearance distance which completely disconnects the power line under overvoltage category III conditions, consistently with the rules of installation (the yellow/green earth wir must not be interrupted). The plug or omnipolar switch must be easily reached on the installed equipment. To avoid all risk, if the power cable becomes damaged, it must only be replaced by the manufacturer, by an authorised service centre,
Data Label
The Data Label is located on the bottom cover of the appliance. Where the bottom cover is not visible in the installed position, a duplicate Data Label is supplied
to adhere in an accessible area adjacent to the appliance. Ensure that the available gas supply matches the gas types listed on the Data Label.
when converting from Natural Gas to Propane, ensure the NG regulator is removed and replaced ‘with the Test Point Assembly. When converting from Propane to Natural Gas, ensure the r..„ [Test Point Assembly is removed and replaced with the Australian Approved NG 1 [regulator. To adjust minimum flame, light one of the burners and turn the tap to minimum [flame. Remove the corresponding control knob. Use a thin blade screwdriver to turn 1 !the by-pass screw located above left of the gas valve shaft. If converting from Natural Gas to ULPG, fully tighten the by-pass screw by turning it fully clockwise. Ilf converting from ULPG to Natural Gas, turn the bypass screw anti-clockwise until a small, stable 1 ‘flame which is uniform around the entire burner ring is achieved. 1 [Once the minimum flame has been set. check that the burner does not go out when the tap is turned quickly from the maximum to the minimum position. Repeat for each burner. 1

| USER CHARACTERISTICS | |||
| GAS BURNERS | |||
| GAS TYPE – PRESSURE | BURNER | Ø INJECTORS 1/100 | NOMINAL GAS CONSUMPTION MJ/h |
| auxiliary | 92 | 4.1 | |
| Natural Gas – 1.00 kPa | semi-rapid | 117 | 6.9 |
| wok | 180 | 14.4 | |
| auxiliary | 56 | 4.1 | |
| Universal LPG – 2.75 kPa | semi-rapid | 70 | 6.2 |
| wok | 105 | 14.4 | |

WARRANTY CARD
Eurolinx Pty Limited A.B.N. 50 001 473 347 trading as ILVE (“ILVE”)
48-50 Moore Street, Leichhardt N.S.W 2040 Post:
Locked Bag 3000, Annandale, N.S.W 2038
P: 1300 856 411
WARRANTY REGISTRATION
Your ongoing satisfaction with your ILVE product is important to us. We ask that you complete the enclosed Warranty Registration Card and return it to us so that we have a record of the ILVE product purchased by you, Alternitivley, you can now register your warranty online at
http://support.eurolinx.com.au/
PRIVACY
ILVE respects your privacy and is committed to handling your personal information in
accordance with the National Privacy Principles and the Privacy Act 1988 (Cth). A copy of the ILVE Privacy Policy is available at www.ilve. com.au. ILVE will not disclose any personal information set out in the Warranty Registration Card (“Personal Information”) without your consent unless required by:
- law;
- any ILVE related company;
- any service provider which provide services to ILVE or assist ILVE in providing services (including repair and warranty services) to Our purpose in collecting the Personal Information is to keep a record of the ILVE product purchased by you, in order to provide a better warranty service to you in the unlikely event that there is a problem with
your ILVE product. ILVE may contact you at any one or more of the addresses, email addresses or telephone numbers set out in the Warranty Registration Card. Please contact ILVE on 1300 694 583 should you not wish to be contacted by ILVE.
WARRANTY
- Warranty
ILVE warrants that each ILVE product will remain, for a period of twenty four (24) months computed from the date of purchase of the ILVE product, free from defects arising in the manufacture of the ILVE product (“Warranty”).
Except for consumer guarantees set
out in the Competition and Consumer Act 2010 (Cth) (“Act”), ILVE does not make any further warranties or representations in relation to ILVE products.
- What is not Covered by the
The Warranty does not apply if an ILVE product is defective by a factor other than a defect arising in the manufacture of the ILVE product, including but not limited to:
- damage through misuse (including failure to maintain, service or use with proper care), neglect, accident or ordinary wear and tear
(including deterioration of parts and accessories and glass breakage);
- use for purpose for which the ILVE product was not sold or designed;
- use or installation which is not in accordance
installation;
- use or operation after a defect has occurred or been discovered;
- damage through freight, transportation or handling in transit (other than when ILVE is responsible);
- damage through exposure to chemicals, dusts, residues, excessive voltage, heat, atmospheric conditions or other forces or environmental factors outside the control or ILVE;
purchaser or any person other than ILVE, an employee of ILVE or an authorised ILVE service contractor*;
- use of parts, components or accessories approved by ILVE.
- damage to surface coatings caused by cleaning or maintenance using products not recommended in the ILVE product handbook provided to the purchaser upon purchase of the ILVE product;
- damage to the base of an electric oven due to items having been placed on the base of the oven cavity or covering the base, such as aluminium foil (this impedes the transfer of heat from the element to the oven cavity and can result in irreparable damage); or
- damages, dents or other cosmetic
ILVE in respect of an ILVE product purchased as a “factory second” or from display
The Warranty does not extend to light globes used in ILVE products.
- Domestic Use Each ILVE product is made for domestic use. This Warranty may not extend to ILVE products used for commercial purposes.
- Time for Claim under the Warranty
You must make any claim under this Warranty within twenty eight (28) days after the occurrence of an event which gives rise to a claim pursuant to the Warranty, by booking a service call on the telephone number below. Continued over…
- Proof of Purchase
Customers must retain proof of purchase in order to be eligible to make a warranty claim in respect of an ILVE product.
- Claiming under the Warranty Customers will bear the cost of claiming under this Warranty unless ILVE determines the expenses
are reasonable, in which case the customer must claim those expenses by providing written evidence of each expense to ILVE at the address on the Warranty Registration Card.
- Statutory Rights
- These terms and conditions do not affect your statutory
- The limitations on the Warranty set out in this document do not exclude or limit the application of the consumer guarantees set out in the Act or any other equivalent or corresponding legislation in the relevant jurisdiction where to do so would:
- contravene the law of the relevant jurisdiction; or
- cause any part of the Warranty to be
- ILVE excludes indirect or consequential loss of any kind (including, without limitation, loss of
use of the ILVE product) and (other than expressly provided for in these terms and conditions) subject to all terms,
conditions and warranties implied by custom, the general law, the Act or other statute.
- The liability of ILVE to you for a breach of any express or non-excludable implied term, condition or warranty is limited at the option of ILVE to:
- replacing or repairing the defective part of the ILVE product;
- paying the cost of replacing or repairing the defective part of the ILVE product;
- replacing the ILVE product; or
- paying the cost of replacing the ILVE
- Our goods come with guarantees that cannot be excluded under the Australian Consumer You are entitled to a replacement or refund for a major failure and for compensation for any other reasonably foreseeable loss or damage. You are also entitled to have the goods repaired or replaced if the goods fail to be of acceptable quality and the failure does not amount to a major failure.
- Defects
Any part of an ILVE product deemed to be defective and replaced by ILVE is the property of ILVE. ILVE reserves the right to inspect and test ILVE products in order to determine the extent of any defect and the validity of a claim under the Warranty.
*For your closest ILVE authorised service agent please contact ILVE on 1300 856 411 or visit http://support.ilve.com.au/ or
Email: [email protected]
ALL SERVICE CALLS MUST BE BOOKED THROUGH THE ILVE SERVICE AND WARRANTY DEPARTMENT ON 1300 856 411
| Last Name: | First Name: | |
| Address: | ||
| State: | Postcode: | Email: |
| Home Phone: | Mobile: | |
| Purchase Date: / / (Please attach proof of purchase to validate warranty) | ||
| MODEL NUMBER | SERIAL NUMBER (if you cannot locate the serial number please call ILVE on 1300 85 64 11) |
| 1 | |
| 2 | |
| 3 | |
| 4 |
Australia National Telephone Number 1300 MYILVE (694 583)
New Zealand Telephone Number 0508 458 369
ILVE showrooms are open daily from 9am-5pm and Saturdays 10am-4pm (WA by appointment only on Saturdays)



















