STELPRO SDHx Series Round and Custom Duct Heaters

Product Information
The SDHx Series and SDHXT Series are duct heaters designed for heating air in commercial and industrial applications. The product comes with a warning to comply with CSA and UL standards. The manufacturer does not take responsibility for any mishap if the instructions are not followed. The installation of the product must be done by a qualified person and connected by a licensed electrician in accordance with the electrical codes and building codes in your area. The product must be grounded to avoid electric shocks. The voltage supply must correspond to the voltage indicated on the nameplate. The unit must be protected with appropriate breakers or fuses. Turning off the power of the unit at the circuit breaker/fuse before proceeding with the installation, repair, and cleaning is mandatory.
The duct heater should be installed in a location where the air will flow over all of the elements to avoid localized overheating, which could lead to premature failure of one or more elements. The product comes with a wiring diagram that must be consulted before wiring. Low voltage wires (16 to 22 AWG solid wire) should be used for wiring.
Product Usage Instructions
- Step 1: Read and understand the product installation and user guide before installing or using the product.
- Step 2: Install the product by a qualified person and connect it by a licensed electrician in accordance with the electrical codes and building codes in your area.
- Step 3: Protect the unit using appropriate breakers or fuses by referring to the information on the nameplate.
- Step 4: Make sure the supply voltage (volts) corresponds to the voltage indicated on the nameplate.
- Step 5: Ground the unit to avoid electric shocks.
- Step 6: Turn off the power of the unit at the circuit breaker/fuse before proceeding with the installation, repair, and cleaning.
- Step 7: Install the duct heater in a location where the air will flow over all of the elements to avoid localized overheating, which could lead to premature failure of one or more elements. See FIG. 3 for examples of problematic air supply locations.
- Step 8: Use low voltage wires (16 to 22 AWG solid wire) for wiring and consult the wiring diagram before making any electrical connections.
Safety Warning
Before installing or using this product, you must read and understand these instructions and keep them for future reference. The manufacturer cannot be held responsible for anything, and the warranty will be invalid if the installer and the user do not meet these guidelines. This product must be installed by a qualified person and connected by a licensed electrician in accordance with the electrical codes and building codes in your area. Failure to follow these guidelines could result in personal injury, property damage, serious injury and potentially fatal electric shocks. Protect the unit using the appropriate breakers or fuses, by referring to the information on the nameplate. Make sure the supply voltage (volts) corresponds to the voltage indicated on the nameplate. This unit must be grounded.
Turn off the power of the unit at the circuit breaker/fuse before proceeding with the installation, repair and cleaning. Make sure the device is designed for the intended application (if necessary, consult the product catalog or a representative). If the power of the unit is insufficient for the size of the house, it will operate continuously; therefore, the product will age prematurely. Follow the distances and positions indicated in the installation section of this guide. If the installer or the user changed the unit in any way whatsoever, they will be liable for any damages resulting from this modification and the UL certification could be voided.
This product should not come into contact with a water source and must be protected from splashes. Do not use the unit if any part has been submerged. Also, do not activate or disable the unit when you have your feet in water or wet hands.
Since this unit runs hot, there are risks even when the unit is functioning normally. Use caution, judgement and diligence when using it. To avoid burns, do not let bare skin touch hot surfaces. Allow the unit to cool slightly before handling (it stays warm for a time after functioning).
Never block the air inlets and outlets of the unit. This obstruction could lead to overheating, which could cause a fire. Do not insert foreign objects into the air inlets and outlets of the unit, as this may cause damage and lead to electrical shock or fire. The unit includes hot working components that can produce electrical arcing (sparks). It is not designed to be used or stored in a wet location, or a location containing flammable liquids, combustible, corrosive, abrasive or chemical materials or explosives such as, but not limited to, paint, gasoline, chlorine and cleaning products.
Some areas are dustier than others. It is therefore the responsibility of the user to evaluate whether to change the filter according to the amount of dirt accumulated on it. There is a risk of fire if the product is not installed and maintained in accordance with these guidelines.
Activation of the thermal protection indicates that the unit has been subjected to abnormal operating conditions. If it remains activated or is turned on and off repeatedly, it is recommended to have the unit inspected by a qualified electrician or a certified repair centre to ensure that it is not damaged (refer to the limited warranty beforehand). If the unit is damaged or defective, cut off its power at the breaker/fuse and have it repaired at a certified repair centre (refer to the limited warranty beforehand). Identify the wiring before unplugging the unit, so as to make sure you can reconnect the unit later on. Incorrect connections may cause a malfunction and pose a danger.
RECEPTION AND HANDLING OF THE DUCT HEATER
- The duct heater must be handled with care.
- Remove the protective packaging right before installation.
- Verify the condition of the elements, ceramics and components.
- Notify the manufacturer if the duct heater has been damaged.
MECHANICAL INSTALLATION
CAUTION:
NEVER USE A STANDARD DUCT HEATER FOR AN APPLICATION WITH A RISK OF EXPLOSION.
The air flowing through the duct, where is installed the duct heater, must not contain any combustible and/or flammable material. Air temperature at the entrance of the duct heater should not exceed 27 °C (80 °F). SDHx(T) units must always be installed with their heating elements placed horizontally (+/-15 DEGREES). The duct heater must be installed in the duct in accordance with the applicable codes in your area.
MECHANICAL INSTALLATION OF THE SDHI(T) DUCT HEATER – FIG. 1
- The ventilation ducts on both sides of the duct heater must be sufficiently supported, based on the weight of the unit.
- Cut an opening in the duct according to the dimensions of the duct heater. Allow for a 1/8 in. (32 mm) tolerance for the opening you have cut out.
- Fix the duct heater using metal screws and seal the joints and openings.
- For the maintenance or repair of the duct heater and to permit removal of the duct heater or its elements, keep a distance equal to or greater than the depth dimension W+ control box + 12 in.(30 cm) between the control box and obstructions.

MECHANICAL INSTALLATION OF THE SDHF(T) DUCT HEATER – FIG. 2
- On the two duct openings that face each other, bend the flanges outward so as to fix the corresponding flanges of the duct heater.
- Fix the flanges of the duct heater to those of the duct by using metal screws.
- Seal the joints.


GOOD PRACTICES FOR MECHANICAL INSTALLATION – FIG. 3
The duct heater must be installed in a location where you can assure the air will flow over all of the elements. If this is not the case, localized overheating could occur and lead to premature failure of one or more elements. See FIG. 3 for a few examples on where the air supply may be problematic.
TYPES OF INSTALLATION TO AVOID

IMPORTANT NOTES
- Respect the 24 in. (61 cm) minimum distance to ensure proper operation.
- All of the insertion-type duct heaters can be installed in ducts containing UP TO 1/2 IN. (12.7 MM) OF INSULATION providing that the unit’s size corresponds to the interior size of the insulated duct.
- FOR INSULATION THICKNESS GREATER THAN 1/2 IN. (12.7 MM), A COLD SECTION MUST BE SPECIFIED WHEN ORDERING.
- SPECIFY INSULATION THICKNESS WHEN ORDERING.
- The number of watts per square foot of surface is calculated within the metal frame surrounding the heating elements.
ELECTRICAL INSTALLATION
Carefully read the nameplate and consult the wiring diagram before you start wiring. Disconnect all power sources before making any electrical connections.
ELECTRICAL SUPPLY
Use insulated conductors rated for 75°C (167°F). Consult the electrical codes applicable in your area to determine the proper wire gauge.
For a 240/208 volt unit powered by 208 V, we recommend that you change the connection of the control transformer to power the electronic board with 24 V. To do this, disconnect the “240” wire from the control transformer and connect it to the “208” wire.
WIRE CONTROL
Use low voltage wires (16 to 22 AWG solid wire).
SENSOR OPTIONAL
SUPPLY DUCT TEMPERATURE SENSOR (T OPTION)
- This sensor must be installed a minimum distance of 40 in. (100 cm) downstream of the coil according to the air flow direction in the duct, as shown.
- This sensor measures the air temperature at the coil exit.

ELECTRONIC AIR VELOCITY SENSOR (P OPTION)
- This sensor must be positioned upstream of the coil according to the air flow direction in the ventilation duct, as shown.
- This sensor measures air velocity in the duct. If it is less than 100 fpm, the coil stops heating.
- Note: For proper operation with a P option installed on a 240/208 unit powered at 208 V, the control transformer connection MUST be changed to power the electronic board with 24 V. To do this, disconnect the wire from the “240” control transformer and connect it to the “208” wire.

MINIMUM INSTALLATION DISTANCE BEFORE THE COIL
| Power | A |
| 12 kW or less | 10 in. (25 cm) |
| more than 12 kW | 40 in. (100 cm) |
BUILT-IN TEMPERATURE LIMIT SENSOR (TT OPTION)
This sensor is integrated in the electric coil’s heating element. No installation is required. The sensor measures the ambient air temperature near the electric coil’s elements and modulates the heating time to keep the temperature between 30 and 45°C (86 and 113°F). When the temperature exceeds 50°C (122°F), the coil stops heating until the temperature drops below 30°C (86°F).
GENERAL OPERATION
For units not equipped with the optional electronic control, operation is supported by the control installed by the client. Stelpro’s duct heater may include low or high voltage input terminals. Each input activates one or more elements.
For more information, please see the wiring diagram supplied with the unit.
NOTE:
An insufficient air flow (less than 50 cfm/kW), compared to what is required by the power of the duct heater, will result in the triggering of the automatic thermal protection if the duct heater is not equipped with an optional electronic control.
ANNEX 1 – CIR-047

CONTROL CONNECTION
IMPORTANT:
The electrical hookup of the heating coil controls must be done according to the technical diagram included with the device.
The CIR-047 electronic control has been designed to receive the heat-ing coil configuration of one power stage. This control allows a low-tension connection with a 0-10 V, 24 Vac (pwm) or 24 Vdc control.
ELECTRONIC CONTROL OPERATION
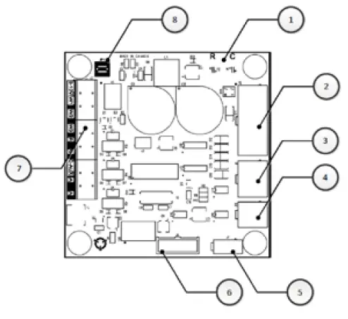
CIR-047 CONNECTORS
- Configuration switch input 24 V (AC/DC), 24 V REF (AC/DC), 0- 10 V*
- LED AC power indicator (GREEN)**
- Electronic air velocity sensor (P option) or built-in temperature limit sensor (TT option) input
- Thermostat input or controller 0-10 V / 24 Vac (pwm) / 24 Vdc
- 24 Vac power supply
- Position switches according to the input signal, default setting 24 V.
- Flashes when the air velocity is too low for the elements to work. Electronic air velocity sensor (P option) or built-in temperature limit sensor (TT option).

ANNEX 2 – CIR-048
CONTROL CONNECTION
IMPORTANT:
The electrical hookup to the heating coil controls must be done according to the technical diagram included with this device. The CIR-048 electronic control has been designed to receive the heating coil configuration of 1 to 3 power stages. This control allows a low-tension connection 0-10 V, 2-10 V (4-20 mA), 24 Vac (pwm), 24 Vdc with one heating stage.
SELF MODE
This control card allows a standalone operation when IN and R of ter-minal block are jumped together and dip switch is configured at 24 V. When this mode is in function, the elements are activated and modulated without external control to reach and maintain the set point temperature.
- Temperature range: from -4°F to 158°F (-20°C to 70°C)

ELECTRONIC CONTROL OPERATION
CIR-048 CONNECTORS
- Electronic air velocity sensor (P option) or built-in temperature limit sensor (TT option) input
- 24 Vac power supply
- SCR output / Relays 1, 2, 3
- Configuration switch input 24 V (AC/DC) / 24 V REF (AC/DC) / 0- 10 V / 2-10 V (4-20 mA)*
- Thermostat input or controller 0-10 V / 2-10 V (4-20 mA) / 24 Vac (pwm) / 24 Vdc
- Remote duct thermostat input (D070 accessory)**
- Supply duct temperature sensor input (T option)
- LED heating indicator (ORANGE)
- LED power indicator (GREEN)
- Potentiometer for temperature adjustment
- Position switches according to the input signal, default setting 24 V.
- Please refer to the D070 remote duct thermostat installation guide for the electronic control card diagram. When the remote duct thermostat is connected to the board, the
temperature adjustment potentiometer (item 10) is bypassed. - Flashes when the air velocity is too low for the elements to work. Electronic air velocity sensor (P option) or built-in temperature limit sensor (TT option).

ANNEX 3 – CIR-017 AND CIR-011
CONTROL CONNECTIONS
IMPORTANT:
The electrical hookup of the duct heater controls must be done according to the technical dia-gram included with the device. This electronic control has been designed to receive the duct heater configuration of one, two or three power stages. This control allows a low-tension connection with one, two or three heating stages or with a 0-10 V control.
- Temperature range: from -4°F to 158°F (-20°C to 70°C)

ELECTRONIC CONTROL
FAN RELAY
The electronic control can be configured with an output fan relay (R OPTION). This factory set configuration can be deactivated if needed as following:
- Turn on the device and press ▼ at the same time for a few seconds until FAN OFF appears on the electronic control’s user interface. To reactivate this configuration, the following step needs to be done :
- Turn on the device and press ▲ at the same time for a few seconds until FAN ON appears on the electronic control’s user interface.
CIR-017 ELECTRONIC CONTROL CONNECTORS
- Relay outputs (2) and one SCR-dedicated output
- Relay outputs (2)
- 24 Vac power supply
- Supply duct temperature sensor (T option) input
- Electronic air velocity sensor (P option) input
- Thermostat or controller inputs (W1, W2, W3, 0-10 V)
- Junction point between C and C-AUX. C-AUX can be isolated from device’s transformer by cutting the junction with a flat screwdriver.

CIR-011 ELECTRONIC CONTROL CONNECTORS
- 24 Vac power supply
- Relay outputs (8) and one SCR-dedicated output
- Electronic air velocity sensor (P option) input
- Communication expansion connector
- Supply duct temperature sensor (T option) input
- Display connector
- Thermostat or controller inputs (W1, W2, W3, 0-10 V)
- Junction point between C and C-AUX. C-AUX can be isolated from the device’s transformer by cutting the junction with a flat screwdriver.

USER INTERFACE
The electronic control is equipped with a user interface that displays the duct temperature, error codes and operating modes. The main menu displays the air temperature after the coil identified according to the direction of air flow.
To navigate between menus, press the MENU button on the user interface. Use the up ▲ and down ▼ buttons to change the value displayed in the selected menu. The value will flash in editing mode. To confirm the desired value displayed, press MENU or wait (30 sec.) and the main menu will automatically be displayed.
To return to the main menu (duct temperature), keep pressing and releasing the MENU button until the main menu displays the duct air temperature, or wait (30 sec.) and the main menu will automatically be displayed.
MENU STRUCTURE

OPERATING MODES

- NOTE 1: Displayed by default. Indicates the temperature after the coil in the direction of air flow.
- NOTE 2: To recalibrate, press and hold down the MENU button for eight seconds. When the CAL menu is selected, the SCR/Relay outputs are identified by r1, r2, r3, etc. The number that follows represents the power of the element in relation to the system (from 0 to 9). Recalibration can take up to five minutes depending on the number of stage power.
- NOTE 3: In this menu, the inputs and outputs can be tested using the ▼▲ buttons. The inputs are identified as 1. for W1, 2. for W2, 3. for W3 and 10. for 0-10 V. If a signal is on for the corresponding input, the display will read ON. For the 0-10 V input, a 4 V level is required for a valid condition. If the display reads On, the outputs may be activated one at a time for a maximum of eight seconds. If an output is identified as ON, the corresponding output is activated.
- NOTE 4: The ERR error menu only appears when there are one or more system errors. Use the ▼▲ buttons to verify the active error code(s). To delete the resolved errors, press and hold down the MENU button for eight seconds while the ERR menu is selected.
- NOTE 5: Connected to the air velocity sensor (optional).
ERROR CODE CHART: CIR-011 AND CIR-017
| CODE | DESCRIPTION | CODE | DESCRIPTION |
| 01 | RELAY 1 – COIL – DISCONNECTED / GND SHORT CIRCUIT | 21 | RELAY 1 – ELEMENT – DISCONNECTED |
| 02 | RELAY 2 – COIL – DISCONNECTED / GND SHORT CIRCUIT | 22 | RELAY 2 – ELEMENT – DISCONNECTED |
| 03 | RELAY 3 – COIL – DISCONNECTED / GND SHORT CIRCUIT | 23 | RELAY 3 – ELEMENT – DISCONNECTED |
| 04 | RELAY 4 – COIL – DISCONNECTED / GND SHORT CIRCUIT | 24 | RELAY 4 – ELEMENT – DISCONNECTED |
| 05 | RELAY 5 – COIL – DISCONNECTED / GND SHORT CIRCUIT | 25 | RELAY 5 – ELEMENT – DISCONNECTED |
| 06 | RELAY 6 – COIL – DISCONNECTED / GND SHORT CIRCUIT | 26 | RELAY 6 – ELEMENT – DISCONNECTED |
| 07 | RELAY 7 – COIL – DISCONNECTED / GND SHORT CIRCUIT | 27 | RELAY 7 – ELEMENT – DISCONNECTED |
| 08 | RELAY 8 – COIL – DISCONNECTED / GND SHORT CIRCUIT | 28 | RELAY 8 – ELEMENT – DISCONNECTED |
| 11 | RELAY 1 – COIL – OVERLOAD | 29 | SSR – ELEMENT – DISCONNECTED |
| 12 | RELAY 2 – COIL – OVERLOAD | 40 | AIR VELOCITY SENSOR (COLD THERMISTOR) – DISCONNECTED |
| 13 | RELAY 3 – COIL – OVERLOAD | 41 | AIR VELOCITY SENSOR (COLD THERMISTOR) – SHORT CIRCUIT |
| 14 | RELAY 4 – COIL – OVERLOAD | 43 | AIR VELOCITY SENSOR (HOT THERMISTOR) – DISCONNECTED |
| 15 | RELAY 5 – COIL – OVERLOAD | 44 | AIR VELOCITY SENSOR (HOT THERMISTOR) – SHORT CIRCUIT |
| 16 | RELAY 6 – COIL – OVERLOAD | 46 | AIR VELOCITY SENSOR – DISCONNECTED |
| 17 | RELAY 7 – COIL – OVERLOAD | 47 | AIR VELOCITY SENSOR – SHORT CIRCUIT |
| 18 | RELAY 8 – COIL – OVERLOAD | 48 | AIR VELOCITY SENSOR – OVERLOAD |
| 49 | AIR VELOCITY SENSOR – DEFECTIVE | ||
TROUBLESHOOTING/SDHXXX
| PROBLEM | DEFECTIVE PART OR PART TO CHECK |
| The unit does not work | • Faulty main power supply connection • Open main circuit breaker, fuse or control switch • No thermostat demand (defective thermostat) • Defective transformer • Open fuse in secondary transformer winding |
| The unit has power but the elements do not work | • Defective relay or contact switch • Defective electronic controller • Defective transformer • Open fuse in secondary transformer winding • Open thermal protection with automatic or manual reset |
| The unit runs and/or cycles constantly | • Defective relay or contact switch |
| An element runs and/or cycles constantly | • Defective relay or contact switch |
| The unit overheats and/or the elements cycle when there is a heating demand | • Insufficient ventilation |
| The breaker trips when the unit is turned on | • Faulty power supply connections • Voltage higher than that indicated on the nameplate |
| Unable to reach the desired room temperature | • One or more defective elements • Defective thermostat, wrong thermostat setting, positioning or wiring • Voltage lower than that indicated on the nameplate • Heat loss in the building greater than the heating capacity of the unit • Defective relay or contact switch • Open thermal protection with automatic or manual reset |
| The electronic display does not light up | • Faulty power supply connections • Open main circuit breaker, fuse or control switch • Defective transformer • Open fuse in secondary transformer winding • Defective electronic card • Defective electronic display |
AUTOMATIC DIAGNOSTIC
The electronic controls have the capacity to detect operational malfunctions such as a defective contact switch or relay around the coil (open circuit), damaged relay contacts or contact switches, damaged elements and defective or poorly connected sensors. If an abnormal condition is detected, the control generates an error code corresponding to the system fault and displays this code on the screen. FOR ERROR CODE DEFINITIONS, PLEASE REFER TO THE ERROR CODE CHART ON PAGE 5 OF THIS DOCUMENT.
CONNECTIONS
TYPICAL STELPRO CONTROL CONNECTIONS FOR CUSTOMER THERMOSTATS
CONNECTION TO A BIMETAL THERMOSTAT

CONNECTION TO A THERMOSTAT (AC/DC SIGNALS)

ACCEPTED SIGNALS OF ENTRY
24 VAC, 24 VDC, 0-10 V, 2-10 V*
CONNECTION TO A THERMOSTAT (4-20 mA SIGNAL)

4-20mA signal converted to 2-10VDC signal (voltage differential across 500 Ohm resistor).
Notes:
- 500 Ohm resistor not included.
- Loop voltage supplied by others.
CONNECTION FOR STANDALONE OPERATION

CONNECTION TO A THREE-WIRE, ONE-STAGE THERMOSTAT (W1)

ACCEPTED SIGNALS OF ENTRY
24 VAC, 24 VDC, 0-10 V, 2-10 V*
CONNECTION TO A THERMOSTAT WITH ELECTRIC REFERENCE ISOLATED FROM COMMON

ACCEPTED SIGNALS OF ENTRY
24 VAC, 24 VDC, 0-10 V, 2-10 V*
CONNECTION TO A BIMETAL THERMOSTAT

CONNECTION TO A THERMOSTAT ON THE CLIENT’S TRANSFORMER

CONNECTION TO A 0-10 VDC THERMOSTAT

CONNECTION TO A THREE-TO-FIVE WIRE THERMOSTAT FOR ONE-, TWO- OR THREE-STAGE CONTROL

Please refer to your thermostat’s installation guide to validate the connection. For any connection issues, contact °STELPRO’s Technical Services at 1-844-441-4822.
MAINTENANCE
CAUTION:
Turn off power to the unit at the breaker/fuse before performing any repair or cleaning.
It is recommended to visually inspect the duct heater periodically to spot any anomalies that might appear over time. For example an accumulation of dust, signs of overheating on the chassis of the duct heater, water marks or rust on the control box, oxidation or corrosion on electrical connections.
ROUTINE MAINTENANCE
The only necessary routine maintenance consists in checking all electrical connections at least once a year or per season of use to ensure they are properly fastened.
FILTERS
All filters in the air duct must be kept clean to allow proper air circulation. Make sure that there are no combustible materials in the duct or objects that could restrict airflow over the heating elements.
POINTS TO VERIFY
- Verify that all connections are properly tightened.
- Verify the connections and proper functioning of the contactors and/or relays.
- Verify the fuses, if applicable.
INSPECTION OF FRESH AIR INLETS
For duct heaters installed near fresh air intakes, use storm-proof louvres. Inspect the openings of the louvres regularly to ensure an adequate air flow.
LIMITED WARRANTY
This limited warranty is offered by Stelpro Design inc. (“Stelpro”) and applies to the following product made by Stelpro: SDHx models. Please read this limited warranty carefully. Subject to the terms of this warranty, Stelpro warrants its products and their components against defects in workmanship and/or materials for the following periods from the date of purchase: 3 years. This warranty applies only to the original purchaser; it is non-transferable and cannot be extended.
CLAIM PROCEDURE
If at any time during the warranty period the unit becomes defective, you must cut off the power supply at the main electrical panel and contact 1) your installer or distributor, 2) your service center or 3) Stelpro’s customer service department. In all cases, you must have a copy of the invoice and provide the information written on the product nameplate. Stelpro reserves the right to examine or to ask one of its representatives to examine the product itself or any part of it before honoring the warranty. Stelpro reserves the right to replace the entire unit, refund its purchase price or repair a defective part. Please note that repairs made within the warranty period must be authorized in advance in writing by Stelpro and carried out by persons authorized by Stelpro.
Before returning a product to Stelpro, you must have a Stelpro authorization number (RMA). To obtain it, call the customer service department at: 1-800-363-3414 (electricians and distributors – French), 1-800-343-1022 (electricians and distributors – English), or 1-866-766-6020 (consumers). The authorization number must be clearly written on the parcel or it will be refused.
CONDITIONS, EXCLUSIONS, AND DISCLAIMER OF LIABILITY
This warranty is exclusive and in lieu of all other representations and warranties (except of title), expressed or implied, and Stelpro expressly disclaims and excludes any implied warranty of merchantability or implied warranty of fitness for a particular purpose.
Stelpro’s liability with respect to products is limited as provided above. Stelpro shall not be subject to any other obligations or liabilities whatsoever, whether based on contract, tort or other theories of law, with respect to goods or services furnished by it, or any undertakings, acts or omissions relating thereto. Without limiting the generality of the foregoing, Stelpro expressly disclaims any liability for property or personal injury damages, penalties, special or punitive damages, damages for lost profits, loss of use of equipment, cost of capital, cost of substitute products, facilities, or services, shut-downs, slowdowns, or for other types of economic loss or for claims of a dealer’s customers or any third party for such damages. Stelpro specifically disclaims all consequential, incidental, and contingent damages whatsoever.
This warranty does not cover any damages or failures resulting from 1) a faulty installation or improper storage; 2) an abusive or abnormal use, lack of maintenance, improper maintenance (other than that prescribed by Stelpro) or a use other than that for which the unit was designed; 3) a natural disaster or an event out of Stelpro’s control, including, but not limited to, hurricanes, tornadoes, earthquakes, terrorist attacks, wars, overvoltage, flooding, water damages, etc. This warranty does not cover any accidental or intentional losses or damages, nor does it cover damages caused by the negligence of the user or owner of the product. Moreover, it does not cover the cost of disconnection, transport, and installation.
The warranty is limited to the repair or the replacement of the unit or the refund of its purchase price, at the discretion of Stelpro. Any parts replaced or repaired within the warranty period with the written authorization of Stelpro will be warranted for the remainder of the original warranty period. This warranty will be considered null and void and Stelpro will have the right to refuse any claims if products have been altered without the written authorization of Stelpro and if the nameplate numbers have been removed or modified. This warranty does not cover scratches, dents, corrosion or discoloration caused by excessive heat, chemical cleaning products and abrasive agents. It does not cover any damage that occurred during the shipping.
Some states and provinces do not allow the exclusion or limitation of incidental or consequential damages and some of them do not allow limitations on how long an implied warranty lasts, so these exclusions or limitations may not apply to you. This warranty gives you specific legal rights and you may have other rights which vary from state to state or from province to province.
STELPRO DESIGN INC. | Saint-Bruno-de-Montarville | Quebec | J3V 6L7.
For further information or to consult this guide online, please visit our website at www.stelpro.com.



























