
User manual Supplementary information
a) Trace layout and dimensions including specific designs for each type:
- Layout of trace design, parts, antenna, connectors, and isolation requirements: Please refer to 2BC Certification board Gerber file
- Boundary limits of size, thickness, length, width, shape(s), dielectric contain, and impedance must be clearly described for each type of antenna: PCB Antenna trace antenna Dimension:

Note: all distance is 0.3mm.
Dipole antenna dimension:

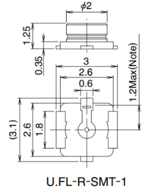
u.FL connector information:
Manufacturer: HIROSE ELECTRIC;Size:
Part number: U.FL-R-SMT-1
| EFL-R-SMT-1(10) |
| (RE) |
| 50Ω |
| 6000N1Hz |
| 1 |
Note:
- For Antenna selection, PCB antenna and dipole antenna only can choose 1 type.
- RF trace between module RF pinout to antenna width is 0.4mm.
- all R/L/C Component’s width is 0.5mm, length is 1mm.
- RF trace between module and antenna impedance is 50ohm.
Layout guide of RF trace for the u.FL antenna connector 
- Must copy the RF traces of the DXF file on the board completely. Allowance to the inaccuracy of trace width is Typ. +/-0.025mm (1mil).
The typical width should be read from the DXF file. - Stack height between the standard GND layer and the RF trace layer must be 23S5um (Typ.) Allowance to the inaccuracy of stack height is +/-0.025mm (1mil).
- Passive components must be placed on the same location as the DXF file shows and also same values must be used as the left figure.
- Keep out more than 400um under the U.FL/MHF connectors. Ask to connector vendor in detail.
Layout guide of RF trace for the trace antenna


- Must copy the antenna design of the DXF file on the board completely
- Must copy the RF traces of the DXF file on the board completely. Allowance to the inaccuracy of trace width is Typ. +/-0.025mm (1mil). The typical width should be read from the DXF file.
- The recommended total thickness of PCB (Dielectric) is 0.8mm. (Must be 0.6mm < PCB Thickness < 1.6mm)
- Stack height between the standard GND layer and the RF trace layer must be 235um (Typ.) Allowance to the inaccuracy of stack height is +/-0.025mm (1mil).
- Passive components must be placed on the same location as the DXF file shows and also same values must be used as the left figure.
PCB requirement: The dielectric constant of PCB is 4.6, and the impedance boundary is limited to 0.5mm. The thickness of RF trace copper is 48um, and the total thickness of
base plate is 1.6mm. Matching

3. Different antenna length and shapes effect radiated emission and each design should be considered a different type:
2.4G WIFI:
| Ant. | Frequency (MHz) | Antenna Type | Antenna Gain (dBi) |
| 1 | 2402-2480 | PCB Antenna | 3.0 |
| External Dipole Antenna | 3.4 |
5G WIFI:
| Antenna | Frequency Band | Antenna Type | Maximum Antenna Gain |
| (dBi) | |||
| 1 | UNII-1 | PCB Antenna | 3.3 |
| External Dipole Antenna | 4.75 | ||
| 1 | UNII-2A | PCB Antenna | 3.3 |
| External Dipole Antenna | 4.75 | ||
| 1 | UNII-2C | PCB Antenna | 3.3 |
| External Dipole Antenna | 4.75 | ||
| 1 | UNII-3 | PCB Antenna | 3.3 |
| External Dipole Antenna | 4.75 |
b) Appropriate parts of manufacturers and specifications: Information about devices on RF lines:
| Parts list | Part number | Size | Manufacturer |
| Tuning 1/ 1.2nH | LQG15HS series | 0402 | Murata |
| Tuning 2/ 0.1pF | GJM15 series | 0402 | Murata |
| Tuning 3/ 2.0nH | LQG15HS series | 0402 | Murata |
| Tuning 4/ 0ohm | – | 0402 | – |
| Shunt 1/ 3.6nH | LQG15HS series | 0402 | Murata |
| Series 1/ 0ohm | – | 0402 | – |
| Shunt 2/ 0.2pF | GJM15 series | 0402 | Murata |
| Series 2/ 0ohm | – | 0402 | – |
| Shunt 3/ DNP | – | – | – |
| Series 3/ 0ohm | – | 0402 | – |
| Shunt 4/ DNP | – | – | – |
If customers completely refer to our antenna design for their own design, the antenna performance should also be the same as ours.
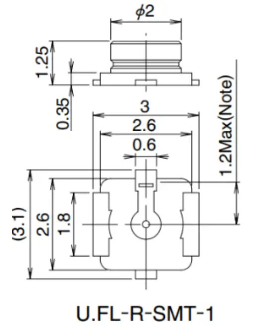
U.FL connector information:
Manufacturer: HIROSE ELECTRIC; Size:
Part number: U.FL-R-SMT-1
| UFL-R-SMT-1(10) |
| (RE) |
| 50Ω |
| 6000N1Hz |
| 1 |
C) Test procedures and design verifications:

d) Production test procedures for ensuring compliance 


















