Murata Manufacturing LB2AE WLAN Bluetooth Module

Trace layout and dimensions including specific designs for each type:
- Layout of trace design, parts, antenna, connectors, and isolation requirements:
- Boundary limits of size, thickness, length, width, shape(s), dielectric contain, and impedance must be clearly described for each type of antenna:
PCB Antenna trace antenna Dimension
Note: all distance is 0.3mm.
Dipole antenna dimension
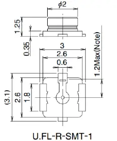
u.FL connector information: Manufacturer: HIROSE ELECTRIC; Size:
Note:
- For Antenna selection, PCB antenna and dipole antenna only can choose 1 type.
- RF trace between module RF pinout to antenna width is 0.4mm.
- all R/L/C Component’s width is 0.5mm, length is 1mm.
- RF trace between module and antenna impedance is 50ohm.
Layout guide of RF trace for the u.FL antenna connector
Layout guide of RF trace for the trace antenna
PCB requirement: The dielectric constant of PCB is 4.6, and the impedance boundary is limited to 0.5mm. The thickness of RF trace copper is 48um, and the total thickness of base plate is 1.6mm.
Matching
RF matching
Different antenna length and shapes effect radiated emission and each design should be considered a different type: 2.4G WIFI:
| Ant. | Frequency (MHz) | Antenna Type | Antenna Gain (dBi) |
| 1 | 2402-2480 | PCB Antenna | 3.0 |
| External Dipole Antenna | 3.4 |
5G WIFI:
| Antenna | Frequency Band | Antenna Type | Maximum Antenna Gain |
| (dBi) | |||
| 1 | UNII-1 | PCB Antenna | 3.3 |
| External Dipole Antenna | 4.75 | ||
| 1 | UNII-2A | PCB Antenna | 3.3 |
| External Dipole Antenna | 4.75 | ||
| 1 | UNII-2C | PCB Antenna | 3.3 |
| External Dipole Antenna | 4.75 | ||
| 1 | UNII-3 | PCB Antenna | 3.3 |
| External Dipole Antenna | 4.75 |
Appropriate parts of manufacturers and specifications:
Information about devices on RF lines
| Parts list | Part number | Size | Manufacturer |
| Tuning 1/ 1.2nH | LQG15HS series | 0402 | Murata |
| Tuning 2/ 0.1pF | GJM15 series | 0402 | Murata |
| Tuning 3/ 2.0nH | LQG15HS series | 0402 | Murata |
| Tuning 4/ 0ohm | – | 0402 | – |
| Shunt 1/ 3.6nH | LQG15HS series | 0402 | Murata |
| Series 1/ 0ohm | – | 0402 | – |
| Shunt 2/ 0.2pF | GJM15 series | 0402 | Murata |
| Series 2/ 0ohm | – | 0402 | – |
| Shunt 3/ DNP | – | – | – |
| Series 3/ 0ohm | – | 0402 | – |
| Shunt 4/ DNP | – | – | – |

If customers completely refer to our antenna design for their own design, the antenna performance should also be the same as ours.
u.FL connector information: Manufacturer: HIROSE ELECTRIC; Size:: 
Test procedures and design verifications:
Production test procedures for ensuring compliance























