LS9010 GEN 2 Architectural Grade Luminaire
Instruction Manual
LS9010 GEN 2 Architectural Grade Luminaire
| MODEL | LS9010 GEN 2 |
| PART NUMBER | LS9010 – xxD xxx 63 x x x xx xx xx xxx |
| INSTALLATION TYPE | LINEAR GRAZER |
| IP RATING | IP66/67 (Passes IP68 Test) |
| SUPPLY VOLTAGE | 30-48 Vdc |
| INSTRUCTIONS COVER | PowerSync™, Non-Dimmable |
| DIMENSIONS (LxWxH) | 47.5″ x 1.7″ x 2.4″ (1,206 x 42 x 60 mm) for 4 ft section |
| WEIGHT | 3.5 lbs (1.6 kg) for 4 ft section |
| MAX. PROJECTED AREA | 0.5 ft² (0.4 m²) for 4 ft section |

Tools Required

Included Components


Assembly Instructions


Asymmetric Optics

Wiring Designations
| Designation | Color |
| + DC | Red |
| – DC | Black |
| Data | Orange |
Do not Hi-Pot test
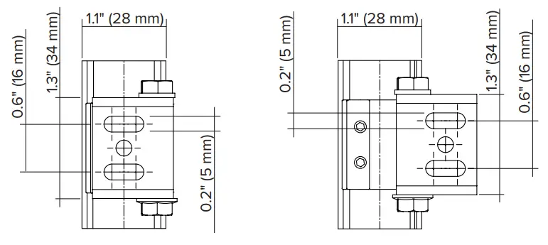
Dimensions
Body Type S: Without Integral Micro-Louvre

Body Type L: With Integral Micro-Louvre

Luminaire Rotation

Mounting
Fixed Bracket
Adjustable Bracket

Find more product resources at lumascape.com
Please read and follow all safety instructions carefully.
Failure to do so will void warranty.
WARNING – Product Warranty is void if product is not installed as per installation instructions and in compliance with all local and provincial codes.
- Ensure installation complies with local electrical rules and regulations.
- All electrical work must be performed by a licensed electrician.
- Class III product SELV (symbol 3).
- For LED Options 2,700K, 3,000K, Red, Green, Blue, RGBA, RGBW, Tunable White:
This product contains a light source of energy efficiency class G. - For LED Options 3,500K, 4,000K, 5,000K:
This product contains a light source of energy efficiency class F. - All luminaires may become hot. Use discretion on where the luminaire is mounted. Take care when setting luminaire as it may become hot.
- Luminaire should only be used complete with protective shield. If protective shield is cracked, immediately stop using luminaire. Isolate light source, keep it dry and immediately contact Lumascape for replacement of protective shield (symbol 10).
- If the external flexible cable or cord of this luminaire is damaged, it shall be exclusively replaced by Lumascape or their service agent in order to avoid a hazard.
- The light source contained in this luminaire shall only be replaced by Lumascape or their service agent.
- Do not stare at the operating light source. The luminaire should be positioned so that prolonged staring into the luminaire at a distance closer than 9.8′ (3 m) is not expected (symbol 13).
- To reduce the risk of strangulation the flexible wiring connected to this luminaire shall be effectively fixed to the wall if the wiring is within arm’s reach.
- Ensure mains input power is surge protected.
- Never make or break connections while the circuit is energized.
- Do not make modifications or alter the product.
- Keep luminaire clean and free of debris.
- Only clean with warm water.
- Do not use chemicals or abrasives to clean luminaire as this may void the product warranty.
- Connections are to be kept clean and dry at all times.
- Suitable for use indoors or outdoors.



















