POWER KING PK0915-EH 5” 14HP Chipper Shredder w-Electric Start & Hour Meter Owner’s Manual
WARNING: This product can expose you to chemicals including benzene, carbon monoxide, and lead which is known to the State of California to cause cancer and birth defects or other reproductive harm. For more information go to www.P65Warnings.ca.gov.
General Safety Rules
WARNING
Read this Safety & Operating Instructions manual before using your PowerKing Chipper Shredder. Become familiar with the operation and service recommendations to ensure the best performance from your machine. If you have any questions or need assistance, don’t hesitate to give us a call at 1-800-344-3371 or send us an E-mail at [email protected].
Safety Instructions
The machine must not be used in any other way than described in the manual.
Use only original equipment and spare parts. If you use non-approved spare parts, there is an increased risk and this is, therefore, not permissible. All liability is renounced in the event of an accident or other damage caused by the use of non-approved parts.
Before using the machine for the first time, read and follow this manual Check Emergency Stop Switch before each operation.
Make sure all bolts and nuts are properly tightened before operation.
Choose a flat work place. Machine can only be used outdoors, away from flammable materials. User must wear close fitting work clothes, work gloves, eye protectors, ear plugs, dust proof mask and work boots.
Before and after using the machine, proper maintenance is necessary.
Failure to comply with these safety instructions could result in personal injury and/or damage to product or property.
Protecting Yourself and Those Around You
WARNING
This is a high-powered machine, with moving parts operating with a high amount of energy. You must operate the machine safely. Unsafe operation can create a number of hazards for you as well as anyone else in the vicinity. Always take the following precautions when using this machine:
- Keep in mind that the operator is responsible for accidents or hazards occurring to other people, their property, and themselves
- Always wear protective goggle / safety glasses with side shields while using the chipper to protect your eyes from debris
- Avoid wearing loose clothing or jewelry, which can catch on moving parts
- We recommend wearing gloves. Be sure your gloves fit properly and do not have loose cuffs or drawstrings
- Wear steel toed boots with non-slip treads. Do not use machine while barefoot or with open toed sandals
- Wear long pants / jeans
- Keep bystanders at least 50 feet away from your work area at all times. Stop the engine when another person or pet approaches.
Safety for Children and Pets
Tragic accidents can occur if the operator is not alert to the presence of children and pets. Children are often attracted to the machine and the operation of the unit. Never assume that children will remain where you last saw them. Always follow these precautions.
- Keep children and pets at least 50 feet from the working area and ensure they are under the watchful care of a responsible adult.
- Be alert and turn the machine off if children or pets enter the work area.
- Never allow children to operate the chipper.
Safety with Gas Powered Engines
WARNING
Gasoline is a highly flammable liquid. Gasoline also gives off flammable vapor that can be easily ignited and cause a fire or explosion. Never overlook the hazards of gasoline. Always follow these precautions:
- Never run the engine in an enclosed area or without proper ventilation as the exhaust from the engine contains carbon monoxide, which is an odorless, tasteless, and a deadly poisonous gas.
- Store all fuel and oil in containers specifically designed and approved for this purpose and keep away from heat and open flame, and out of reach of children.
- Fill the gasoline tank outdoors with the engine off and allow the engine to cool completely. Don’t handle gasoline if you or anyone nearby is smoking, or if you’re near anything that could cause it to ignite or explode. Reinstall the fuel tank cap and fuel container cap securely.
- If you spill gasoline, do not attempt to start the engine. Move the machine away from the area of the spill and avoid creating any source of ignition until the gas vapors have dissipated. Wipe up any spilled fuel to prevent a fire hazard and properly dispose of the waste.
- Allow the engine to cool completely before storing in any enclosure. Never store a machine that has gas in the tank, or a fuel container, near an open flame or spark such as a water heater, space heater, clothes dryer, or furnace.
- Never make adjustments or repairs with the engine running. Shut down the engine, disconnect the spark plug wire, keeping it away from the spark plug to prevent accidental starting, wait 5 minutes before making adjustments or repairs.
- Never tamper with the engine’s governor setting. The governor controls the maximum safe operation speed and protects the engine. Over revving the engine is dangerous and will cause damage to the engine and to the other moving parts of the machine. The engine’s governor setting has been preset by the factory.
- Keep combustible substances away from the engine when it is hot.
- Never cover the machine while the muffler is still hot.
- Do not operate the engine with the air cleaner or the carburetor air intake cover removed. Removal of such parts could create a fire hazard. Do not use flammable solutions to clean the air filter.
- The muffler and engine become very hot and can cause severe burns. DO NOT TOUCH!
A Note to all Users
No list of warnings and cautions can be all-inclusive. If situations occur that are not covered by this manual, the operator must apply common sense and operate the chipper in a safe manner.
Important Setup Notes
Our unit does NOT have a GEAR REDUCTION SYSTEM as noted in the Kohler manual. This engine does not need OIL for a GEAR REDUCTION SYSTEM.
Unit does NOT come with oil. There may be left over residue from factory testing but is not enough to run the engine.
We recommend 10W-30 Motor Oil and the engine holds 1.2quarts.
Both Yellow Oil Fill Holes go to the same reservoir. Use which ever is easiest to reach.
Make sure all bolts are snug before running.
Mechanical Specifications
| Model | PK0915-EH (5”) |
| Engine | 14HP CH440 Kohler engine |
| Chipping Fineness | Granulated Detrital |
| Function | Chipping leaves, branches, crop stray, farming feed, etc. |
| Max Blade Speed | 2530r/min |
| Fuel Type | 87 Octane Unleaded Gas |
| Chipper Weight | 397lbs |
| Shipping Weight | 451lbs |
| Shipping Dimensions | 45”x26”x44” |
Chipper Operation
NOTICE
All branches should not exceed 5in diameter. Fresh cut branches and straw are recommended for best performance. Due to different hardness and moisture content, the engine may struggle but will continue to chip. Proper insertion of branches is large diameter to smaller diameter. It is best to put branches with leaves all together. Small logs are not recommended.
Procedure
- Make sure chipper is on flat dry surface.
- Adjust exit chute to location for processed material.
- Refer to Kohler manual on how to start the engine.
- Adjust throttle to maximum RPM.
- Do not stand directly behind entry chute. Stand to the side of entry chute as material may kick back.
- Load material from large diameter side.
- When machine starts to auto-feed, let go of branch.
- Let it completely process material before adding more.
- If machine does not auto-feed, you may need to slowly load the branches or use other branches to guide it in.
Maintenance
Regular maintenance is the way to ensure the best performance and long life of your machine. Please refer to this manual for proper maintenance procedures.
WARNING
Before performing any maintenance procedure or inspection, stop the motor, unplug the spark plug and wait 5 minutes to allow all parts to cool. Disconnect the spark plug wire to prevent accidental startup.
Important Setup Notes
Our unit does NOT have a GEAR REDUCTION SYSTEM as noted in the Kohler manual.
This engine does not need OIL for a GEAR REDUCTION SYSTEM.
Unit does NOT come with oil. There may be left over residue from factory testing but is not enough to run the engine.
We recommend 10W-30 Motor Oil and the engine holds 1.2quarts.
Both Yellow Oil Fill Holes go to the same reservoir. Use whichever is easiest to reach.
Make sure all bolts are snug before running.
Maintenance Checklist
PROCEDURE | Before each use | Every 5 hours | Every 25 hours | Every 100 hours |
Check engine oil level | Δ | |||
| Check general equipment | Δ | |||
Grease bearings | Δ | |||
| Check belts | Δ | |||
Clean engine exterior and cooling | Δ | |||
| Change engine oil | First time 5hours | Δ | ||
Replace air filter | Δ | |||
| Replace spark plug | Δ |
Engine Service
Refer to the engine manufacturer’s user manual for engine maintenance.
Lubrication
We recommend 1 pump of lithium grease in each flange bearing before each season of use.
Blades
Check blades for any cracks, dullness or chips. If there are any cracks, do not use until they have been replaced. If the blade shows dullness or chips, these blades can be reversed.
The blades can be removed by using the included T-bar wrench or a 17mm Socket with extension and ratchet driver. Make sure to use scrap wood or any soft material in the drum to prevent it from moving. If the drum moves, you may strip the bolts. Also, use rags or paper towel in the entry to prevent bolts or blades from falling into the drum.
Bar Blade
The bar blade is located at the bottom of the drum housing towards the entry chute. It creates a gap for the chipping blades and creates a scissor action. If you have poor chipping performance, we recommend adjusting this by loosening the bolts underneath, adjusting the bar blade to about 1-5mm to the chipping blades, make sure it is parallel to the chipping blades and retighten.
Jams
Stop the machine, remove both entry chute and exit chute. Remove the cap on the bearing and turn the shaft using the included wrench. You can also use a larger adjustable wrench if more force is needed. Try rotating in both directions to loosen jammed material.
Easy Open Chutes
The machine features a latch mechanism for easy opening of the chutes. This provides faster and toolless access to the drum area for clearing out debris or blade changing.
Battery
The included battery is a 12V 9AH Gel type battery. If storing the battery for more than 3 months, we recommend using a 12Volt battery tender. Battery should not have to be charged if the machine is used frequently as the engine will recharge the battery while in use.
Troubleshooting
SYMPTOM | POSSIBLE CAUSE |
| The engine won’t start. (Please refer to the engine user manual for engine-specific procedures.) | Is the ignition switch in the “ON” position? Is the fuel shut-off valve on? Are you using fresh, clean gas? If the gas is old, change it. Use a fuel stabilizer if you keep gas longer than 30 days. Is the spark plug clean? If the spark plug is dirty or cracked, change it. If it’s oily, leave it out, hold a rag over the plug hole and pull the recoil cord several times to blow out any oil in the cylinder, then wipe off the plug and reinsert it. |
| The engine lacks power or is not running smoothly. (Please refer to the engine user manual for engine-specific procedures.) | Check that the Throttle Lever is in the “Run” position. Is the air filter clean? If it’s dirty, change it following the procedure in the engine manufacturer’s owner’s manual. Is the spark plug clean? If it’s fouled or cracked, change it. If it’s oily, leave it out, hold a rag over the plug hole and pull your recoil cord several times to blow out any oil in the cylinder, then wipe off the plug and reinsert it. Are you using fresh, clean unleaded gas? If it’s old, change it. Use a fuel stabilizer if you keep gas longer than 30 days. Does your engine have the right amount of clean oil? If it’s dirty, change it following the procedure in the engine manufacturer’s owner’s manual. Check the oil level and adjust as needed. |
| Engine smokes. (Please refer to the engine user manual for engine-specific procedures.) | Check the oil level and adjust as needed. Check the air filter and clean or replace if needed. You may be using the wrong oil—too light for the temperature. Refer to your Engine Owner’s Manual for detailed information. Clean the cooling fins if they’re dirty. |
| Engine stops while chipping | Check if the engine is stopped by overloading. Check if something is blocked in the chutes. check the emergency stop button and protection switch. |
| Drum is jammed | Stop the machine, remove both entry chute, exit chute, cap on bearing, and turn the shaft to force the material out. You can use the included wrench or use a larger adjustable wrench for more force. |
| Poor chipping performance | Check the gap between bar blade and chipping blades. We recommend 1-5mm of clearance for best performance. |
| Electric Start not turning over engine | Verify battery voltage is above 12.8v. If not, recharge the battery. |
Assembly

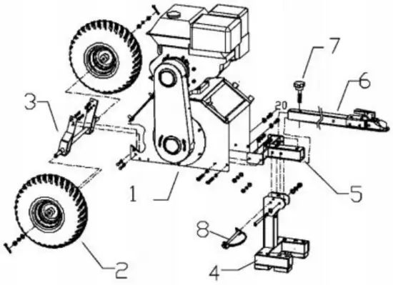
| Number | 1 | 2 | 3 | 4 | 5 | 6 | 7 | 8 |
| Part | Drum Housing | Wheel | Axle Stand | Support Leg | Tow Bar Joint | Tow Bar | Locking Knob | Safety Pin |
Installation Procedure:
- Lay the Drum Housing (1) on a small platform. Make sure it has space on the sides for installation of the wheels (2) and support leg (4).
- Attach wheels (2) to axle stand (3) and use the proper nuts to secure.
- Attach wheels (2) with axle stand (3) to the drum housing (1) using proper bolts and nuts.
- Install the tow bar joint (5) to drum housing (1) using proper bolts and nuts.
- Attach support leg (4) to tow bar joint (5) using bolt and nut and safety pin (8).
- Tow bar (6) attaches to tow bar joint (5) and use locking knob (7) to secure.
- Remove from platform.

Number 9 10 11 12 Part Entry Chute Exit Chute Adjustable diverter Set Knob - Attach the hinge of the entry chute (9) to the hinge on the drum housing (1). Use latch mechanism to secure.
- Attach the hinge of the exit chute (10) to the hinge on the drum housing (1). Use latch mechanism to secure.
- Attach adjustable diverter (11) to top of exit chute (10) and use set knob (12) to secure.

| Number | 13 | 14 | 15 |
| Part | battery cover | Battery pedestal | battery |
- Battery into battery cover first then slide onto battery pedestal under feed chute.
Parts Diagram

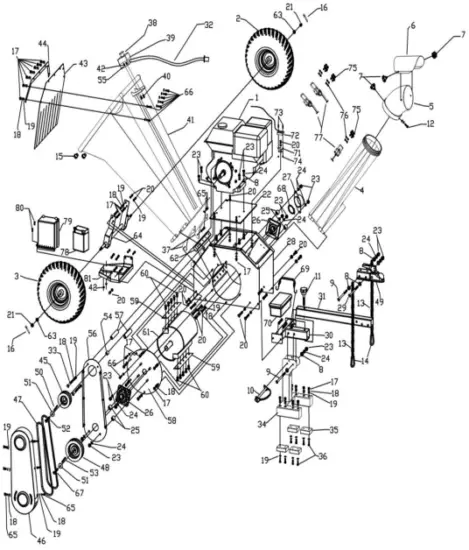
part No. | description | part No. | description |
| 1 | engine | 42 | lock nut |
| 2 | left tire | 43 | protect sheet |
| 3 | right tire | 44 | protect sheet plate |
| 4 | Lower part of exit chute | 45 | small pulley |
| 5 | Upper part of exit chute | 46 | belt cover |
| 6 | exit chute diverter | 47 | belt |
| 7 | knob | 48 | big pulley |
| 8 | washer | 49 | hitch trailer |
| 9 | bolt | 50 | key |
| 10 | D-pin | 51 | washer |
| 11 | knob | 52 | bolt |
| 12 | bolt | 53 | key |
| 13 | chain | 54 | pulley sleeve |
| 14 | Buckle | 55 | washer |
| 15 | plug | 56 | belt plate |
| 16 | D-pin | 57 | bushing |
| 17 | lock nut | 58 | bearing block plate |
| 18 | spring washer | 59 | blade |
| 19 | washer | 60 | bolt |
| 20 | bolt | 61 | drum |
| 21 | lock nut | 62 | bottom blade |
| 22 | plate for engine | 63 | washer |
| 23 | lock nut | 64 | axle |
| 24 | spring washer | 65 | bolt |
| 25 | bushing | 66 | bolt |
| 26 | bearing with block | 67 | bolt |
| 27 | bearing block cap | 68 | Shaft ring |
| 28 | crush room | 69 | rubber binding hook |
| 29 | bolt | 70 | tool box |
| 30 | Connecting Tube | 71 | hour timer plate |
| 31 | tow bar | 72 | hour timer |
| 32 | Wire Harness | 73 | bolt |
| 33 | bolt | 74 | lock nut |
| 34 | support foot | 75 | bolt |
| 35 | rubber | 76 | spring washer |
| 36 | bolt | 77 | faster clip |
| 37 | Baffle plate | 78 | battery |
| 38 | safety switch | 79 | battery cover |
| 39 | switch box | 80 | bolt |
| 40 | bolt | 81 | battery plate |
| 41 | feed chute | ||
WARRANTY POLICY
Thank you for choosing QV TOOLS Products. We’re here to ensure that your experience is perfect. In some rare instances, you may need some help with a warranty claim. Please call us at 1-800-344-3371.
Product must be registered to activate the warranty. Warranty registration is below. Warranty begins from date of purchase.
Engine Warranty
Kohler engines are covered with a 3-year commercial and 3-year residential warranty for Command Pro series. Parts and Labor are covered as well. Power King engines by Lifan are covered with a 1-year residential warranty. QV Power 3pt 40hp gear box warranty 1-year. Visit your engine manufacturer for warranty details or visit www.QVTools.com.
Equipment warranty
Manufactures defects of chassis and component parts are covered for 1 year. Only parts are covered. Shipping cost is not covered.
QV Tools will replace any part that is proven to be defective in material or workmanship. This warranty is not valid for products or parts affected or damaged by accident, collision,normal wear, fuel contamination, abuse, neglect, misuse, alteration and/or unsuitable use or unauthorized parts. Transportation charges to and from service centers, if assigned, is not covered. Shipping cost of product for repair is not covered. Labor to repair equipment is not covered. Consumable parts such as brake pads, tires, racks, splines, grinding teeth, blades, bar blades, etc. are not covered under warranty. Power King has all replacement parts at value pricing.
Damaged Products
You must take the time to inspect the goods before you sign the delivery receipt from the carrier. If you sign the delivery receipt without inspecting the shipment. you will be responsible for filing a freight claim and arranging for a repair or return of the damaged goods. Concealed damage claims must be reported immediately.
Suspected Damage
On occasion, the outer carton may look damaged, but the product inside the box is perfectly fine. If you suspect concealed damage, notate “Possible Freight Damage” on the delivery receipt while the driver is present. This way, if you discover later that the product is damaged, the remedy of a freight claim is less of a hassle.
Obvious Damage
Do not sign for damaged products. If your product arrives damaged, please (a) REFUSE DELIVERY and (b) Call where you purchased the item Immediately so the dealer can process the appropriate claims and coordinate an exchange for you.
Defective Products
We encourage you to test your product within 15 days of receipt so we can quickly remedy any mechanical problems. If you think your product is defective, call QVTools at 1 800-344-3371. In most cases, it’s a simple issue that can be resolved over the phone. We have expert technicians standing by to help resolve your issue. Please have your model number and serial number available and your proof of purchase receipt for faster service.
Original Owner Warranty
Warranty is non-transferable and covers the original owner only who purchased from a QVTOOLS authorized dealer.
![]()




















