hoymiles HM-1000 Single Phase Micro Inverter
introduction
About Microinverter
This system is composed of a group of microinverters that convert direct current (DC) into alternating current (AC) and feed it into the public grid. The system is designed for the incorporation of one microinverter per two PV modules. Each microinverter works independently and guarantees the maximum power generation of each PV module. This setup enables the user to directly control the production of a single PV module, consequently improving the flexibility and reliability of the system.
About the Manual
This manual contains important instructions for the HM-1000/HM-1200/HM-1500 Microinverter and must be read in its entirety before installing or commissioning the equipment. For safety purposes, only a qualified technician who has received training or has demonstrated competence may install and maintain this microinverter under the guidance of this document.
Other Information
Product information is subject to change without notice. This user manual will be frequently updated. Please refer to Hoymiles official website at www.hoymiles.com for the latest version.
Important Notes
Product Range
This manual describes the assembly, installation, commissioning, maintenance and failure search for the following models of Hoymiles Microinverter:
- HM-1000
- HM-1200
- HM-1500
Note: “1000” means 1000 W, “1200” means 1200 W, “1500” means 1500 W.
Target User
For safety purposes, only a qualified technician who has received training or has demonstrated competence may install and maintain this microinverter under the guidance of this document.
Symbols Used
The safety symbols in this user manual are shown below.
| Symbol | Usage |
| Indicates a hazardous situation that can result in deadly electric shock hazards, other serious physical injury, or fire hazards. | |
| Indicates directions which must be fully understood and followed in their entirety to avoid potential safety hazards, including equipment damage or personal injury. | |
| Indicates that the described operation must not be carried out. The reader should stop, use with caution and fully understand the operations explained before proceeding. |
About Safety
- All operations including transport, installation, start-up and maintenance must be carried out by qualified and trained personnel.
- Before installation, check the unit to ensure that it is free of any transport or handling damage, which could affect insulation integrity or safety clearances. Choose an installation location carefully and adhere to the specified cooling requirements. Unauthorized removal of necessary protections, improper use, and incorrect installation and operation may result in serious safety and shock hazards or equipment damage.
- Before connecting the microinverter to the power distribution grid, contact the local power distribution grid company to obtain the appropriate approvals. This connection must be made only by qualified technical personnel. It is the responsibility of the installer to provide external disconnect switches and Overcurrent Protection Devices (OCPD).
- Only one PV module can be connected to one input of the microinverter. Do not connect batteries or other power supply sources. The microinverter can be used only if all the technical characteristics are observed and applied.
- Do not install the equipment in adverse environments, such as environments that are flammable, explosive, corrosive, extremely hot or cold, or humid. Do not use the equipment when the safety devices do not work or are disabled.
- Always use personal protective equipment, including gloves and eye protection, while installing.
- Inform the manufacturer of non-standard installation conditions.
- Do not use the equipment if any anomalies are discovered while operating. Avoid temporary repairs.
- All repairs should be carried out by using only qualified spare parts, which must be installed in accordance with their intended use and by a licensed contractor or authorized Hoymiles service representative.
- Any liability arising from commercial components are delegated to their respective manufacturers.
- Any time the microinverter has been disconnected from the public network, please be extremely cautious, as some components can retain charge sufficient to create a shock hazard. Prior to touching any part of the microinverter, please ensure that surfaces and equipment are under safe touch temperatures and voltage potentials before proceeding
- Hoymiles accepts no liability for damage due to incorrect or improper operation.
- Electrical Installation & Maintenance shall be conducted by a licensed electrician and shall comply with local wiring regulations.
Explanation of Symbols
| Symbol | Usage | |
| Treatment To comply with European Directive 2002/96/EC on Waste Electrical and Electronic Equipment and its implementation as national law, electrical equipment that has reached the end of its life must be separately collected and returned to an approved recycling facility. Any device no longer required must be returned to an authorized dealer or approved collection and recycling facility. | ||
| Caution Do not come within 8 inches of the microinverter for any length of time while it is in operation. | ||
| Danger of high voltages Danger to life due to high voltage in the microinverter. | ||
| Beware of hot surface The microinverter can become hot while operating. Avoid contact with metal surfaces while operating. | ||
|
| CE mark The microinverter complies with the requirements of the Low Voltage Directive for the European Union. | |
| Read manual first Please read the installation manual first before installation, operation and maintenance. | ||
Radio Interference Statement
This microinverter has been tested and found to comply with the limits for CE EMC, which provides reasonable protection against harmful energy. However, if not installed according to the instructions, the microinverter may cause harmful interference to radio equipment. There is no guarantee that such interference will not occur during a particular installation.
To confirm that the radio or television reception is affected by interference from this equipment, turn the equipment off and on to test it. If this equipment causes harmful interference to the radio or television equipment, try to correct the interference through one or more of the following measures:
- Relocate the receiving antenna.
- Increase the separation between the microinverter and the receiving antenna.
- Place a shield between the microinverter and the receiving antenna, such as a metal / concrete roof.
- Contact your dealer or an experienced radio/TV technician for help.
About Product
About 4-in-1 Unit
“Daisy-Chain 4-in-1 Unit Microinverter” with ultra-wide DC input operating voltage range (16 V–60 V) and low start-up voltage (22 V only).
The Hoymiles 4-in-1 Unit Microinverter HM-1000/HM-1200/HM-1500 is a reliable solution for PV systems with an uneven number of panels, and offers high CEC weighted efficiency – 96.50% (peak efficiency 96.70%) in 2015.
Highlights
- Maximum output power up to 1000 W/1200 W/1500 W. Adapted to 60-cell & 72-cell PV panels.
- Peak efficiency 96.70%. CEC weighted efficiency 96.50%.
- Static MPPT efficiency 99.80%. Dynamic MPPT efficiency 99.76% in overcast weather.
- Power factor (adjustable) 0.8 leading…0.8 lagging.
- External antenna for stronger communication with DTU.
- High reliability: NEMA 6 (IP67) enclosure. 6000 V surge protection.
Terminals Introduction
| Object | Description |
| A | AC Connector (Male) |
| B | AC Connector (Female) |
| C | DC Connectors |
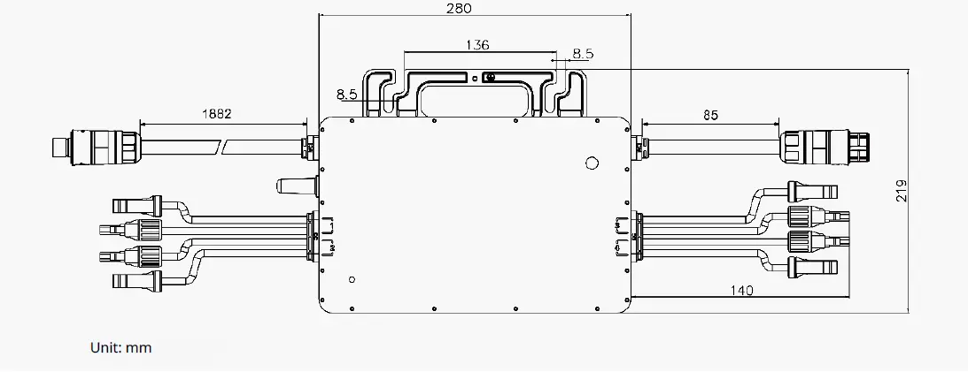
Dimension (mm)
About Function
Work Mode
Normal: In this mode, the microinverter operates normally and converts DC power into AC power to support the household loads and feeds into the public grid. Zero Export Control: In this mode, the microinverter’s generation is limited based on the current household loads, and there is no extra power fed into the public grid. Standby: There are several circumstances in which the microinverter will be in Standby mode:
- The current condition contradicts with the microinverter operating requirements.
- No household loads or the export control value has been set as “0” on the DTU in the Zero Export Control mode.
About Installation
Accessories
| Object | Description | ||
| A | AC End Cable (Female), 2 m 12 AWG Cable | ||
| B | M8 × 25 Screws | ||
| C | DC Extension Cable, 1 m | ||
| D | AC Female End Cap, IP67 | ||
| *Note: All accessories listed above are not included in the package, and need to be purchased separately. Please contact our sales representative for pricing information. (M8 screws need to be prepared by installer-self.) | |||
Installation Precautions
Please install the microinverter and all DC connections under the PV module to avoid direct sunlight, rain exposure, snow pile-up, UV, etc. Allow a minimum of 2 cm of space around the microinverter enclosure to ensure ventilation and heat dissipation.
Note: For some countries, the DTU will be required to meet local grid regulations (e.g. G98/99 for UK).
Required Space Distance
If the microinverters are installed on a concrete roof or steel roof, their communication with the DTU may be slightly affected. Under such installation conditions, it is better for the microinverters to be installed 50 cm above the roof. Otherwise, more DTUs may be required to ensure communication quality between the DTUs and the microinverters.
Grounding Considerations
This microinverter is a Class I equipment with a basic isolation transformer, and this microinverter must be earthed. There is an earth wire inside the AC cable, so usually grounding can be done by directly using this wire. If the utility has any special requirements, grounding can be done by affixing the mounting bracket to the racking.
Preparation
Installation of this equipment is carried out based on the system design and the place in which the equipment is installed.
- Installation must be carried out with the equipment disconnected from the grid (power disconnect switch on) and with the PV modules shaded or isolated.
- Refer to the Technical Data to ensure that the environmental conditions fit the requirements of the microinverter (degree of protection, temperature, humidity, altitude, etc.)
- To avoid power de-rating due to an increase in the internal temperature of the microinverter, do not expose it to direct sunlight.
- To avoid overheating, always make sure that the air flow around the microinverter is not blocked.
- Do not install in places where gases or flammable substances may be present.
- Avoid electromagnetic interference that can compromise the correct operation of electronic equipment.

When choosing the installation position, comply with the following conditions:
- Only install on structures specifically conceived for PV modules (supplied by installation technicians).
- Install the microinverter underneath the PV modules to make sure that it operates in a shaded or shadowed environment. If this condition cannot be met, it may trigger the microinverter production de-rating.
Installation Steps
Step 1. Attach Microinverter on Rail
- Mark the approximate center of each panel on the frame.
- Fix the screw on the rail.
- Hang the microinverter on the screw (as shown in the picture on the right), and tighten the screw. The silver cover side of the microinverter should be facing the panel.

Step 2. Connect AC Cables of Microinverter
- Plug the AC connector of the first microinverter into the connector of the second microinverter to form a continuous AC branch circuit.
- Note: The length of AC cable on microinverter is roughly 2.06 m, if the distance between two microinverters is more than the AC cable, please use an AC extension cable between two microinverters (as shown in the picture on the right).
- Install the AC end cap on the open AC connector of the last microinverter in the AC branch circuit.

Step 3. Connect AC End Cable
- Create the end cable
- Separate the AC port into 3 parts.
- Insert the AC cable from Part 3 to Part 2, and complete the wiring for the L, N and Ground inside the Part 1 AC port accordingly.
Note:
L: Brown wire
N: Blue wire
G: Yellow/Green wire
Please use 12 AWG cable as the AC end cable. - Plug the AC port Part 2 into Part 1 once the wiring is complete, then screw on Part 3 to complete the AC extension cable.

- Connect the AC end cable to the AC male connector of the first microinverter to complete the circuit.
- Connect the other side of the AC end cable to the distribution box, and wire it to the local grid network. Step
Create an Installation Map
- Peel the removable serial number label from each microinverter (the position of the label is shown on the right).
- Affix the serial number label to the respective location on the installation map.

Connect PV Modules
- Mount the PV modules above the microinverter.
- Connect the PV modules’ DC cables to the DC input side of the microinverter.

Energize the System
- Turn on the AC breaker of the branch circuit.
- Turn on the main AC breaker of the house. Your system will start to generate power after about two minutes of waiting time.
Set Up the Monitoring System
Refer to the DTU User Manual or DTU Quick Installation Guide, and Quick Installation Guide for S-Miles Cloud (Hoymiles Monitoring Platform) Online Registration to install the DTU and set up your monitoring system.
Troubleshooting
This microinverter can only work with the new Hoymiles DTU (DTU-Pro, DTU-Lite and DTU-W100/DTU-G100) with the following serial number.
| Model | Serial Number |
| DTU-Pro | 10F7xxxxxxxx |
| 10F8xxxxxxxx | |
| 10FAxxxxxxxx | |
| DTU-G100 | 10D2xxxxxxxx |
| DTU-W100 | 10D3xxxxxxxx |
| DTU-Lite | 10D6xxxxxxxx |
Troubleshooting List
| Alarm Code | Alarm Name | Suggestion |
|
121 |
Over temperature protection | 1. Check the ventilation and ambient temperature at the microinverter installation position. 2. If the ventilation is poor or the ambient temperature exceeds the limit, improve the ventilation and heat dissipation. 3. If both the ventilation and ambient temperature meet the requirements, contact your dealer or Hoymiles Technical Service Center. |
| 125 | Grid configuration parameter error | 1. Check if the grid configuration parameter is correct and upgrade again. 2. If the fault still exists, contact your dealer or Hoymiles Technical Service Center. |
| 126 | Software error code 126 | 1. If the alarm occurs accidentally and the microinverter can still function normally, no special treatment is required. 2. If the alarm occurs frequently and cannot be restored, contact your dealer or Hoymiles Technical Service Center. |
| 127 | Firmware error | 1. Check if the firmware is correct and upgrade again. 2. Check the communication between the DTU and Hoymiles Monitoring System, as well as the communication between the DTU and the microinverter. Then try again. 3. If the fault still exists, contact your dealer or Hoymiles Technical Service Center. |
| 128 | Software error code 128 | 1. If the alarm occurs accidentally and the microinverter can still function normally, no special treatment is required. 2. If the alarm occurs frequently and cannot be restored, contact your dealer or Hoymiles Technical Service Center. |
| 129 | Software error code 129 | 1. If the alarm occurs accidentally and the microinverter can still function normally, no special treatment is required. 2. If the alarm occurs frequently and cannot be restored, contact your dealer or Hoymiles Technical Service Center. |
| 130 | Offline | 1. Please check if the microinverter works normally. 2. Check the communication status between the DTU and Hoymiles Monitoring System, or between the DTU and the microinverter. Try to make improvements if the communication is poor. 3. If the alarm occurs frequently and cannot be restored, contact your dealer or Hoymiles Technical Service Center. |
|
141 |
Grid overvoltage | 1. If the alarm occurs accidentally, the grid voltage may be temporarily abnormal. The microinverter will automatically recover after grid voltage returns to normal. 2. If the alarm occurs frequently, check whether the grid voltage is within the acceptable range. If it is not, contact the local power operator or change the grid overvoltage protection limit via the Hoymiles Monitoring System after obtaining the consent of the local power operator. |
|
142 |
Grid overvoltage (10- minute average value) | 1. If the alarm occurs accidentally, the grid voltage may be temporarily abnormal. The microinverter will automatically recover after grid voltage returns to normal. 2. If the alarm occurs frequently, check whether the grid voltage is within the acceptable range. If it is not, contact the local power operator or change the grid overvoltage protection limit via the Hoymiles Monitoring System after obtaining the consent of the local power operator. |
|
143 |
Grid undervoltage | 1. If the alarm occurs accidentally, the grid voltage may be temporarily abnormal. The microinverter will automatically recover after grid voltage returns to normal. 2. If the alarm occurs frequently, check whether the grid voltage is within the acceptable range. If it is not, contact the local power operator or change the grid undervoltage protection limit via the Hoymiles Monitoring System after obtaining the consent of the local power operator. 3. If the fault still exists, check the AC switch or AC wiring. |
|
144 |
Grid overfrequency | 1. If the alarm occurs accidentally, the grid frequency may be temporarily abnormal. The microinverter will automatically recover after grid frequency returns to normal. 2. If the alarm occurs frequently, check whether the grid frequency is within the acceptable range. If it is not, contact the local power operator or change the grid overfrequency protection limit via the Hoymiles Monitoring System after obtaining the consent of the local power operator. |
|
145 |
Grid underfrequency | 1. If the alarm occurs accidentally, the grid frequency may be temporarily abnormal. The microinverter will automatically recover after grid frequency returns to normal. 2. If the alarm occurs frequently, check whether the grid frequency is within the acceptable range. If it is not, contact the local power operator or change the grid underfrequency protection limit via the Hoymiles Monitoring System after obtaining the consent of the local power operator. |
|
146 |
Rapid grid frequency changes | 1. If the alarm occurs accidentally, the grid frequency may be temporarily abnormal. The microinverter will automatically recover after grid frequency returns to normal. 2. If the alarm occurs frequently, check whether the grid frequency change rate is within the acceptable range. If it is not, contact the local power operator or change the grid frequency change rate limit via the Hoymiles Monitoring System after obtaining the consent of the local power operator. |
| 147 | Power grid outage | Please check whether there is a power grid outage. |
| 148 | Grid disconnection | Please check whether the AC switch or AC wiring functions normally. |
|
149 |
Island detected | 1. If the alarm occurs accidentally, the grid voltage may be temporarily abnormal. The microinverter will automatically recover after grid voltage returns to normal. 2. If the alarms occur frequently on all the microinverters in your station, contact the local power operator to check whether there is a grid island. 3. If the alarm still exists, contact your dealer or Hoymiles Technical Service Center. |
| 205 | Input port 1 & 2 overvoltage | 1. Please make sure that the PV module open-circuit voltage is less than or equal to the maximum input voltage. 2. If the PV module open-circuit voltage is not within the normal range, contact your dealer or Hoymiles Technical Service Center. |
| 206 | Input port 3 & 4 overvoltage | 1. Please make sure that the PV module open-circuit voltage is less than or equal to the maximum input voltage. 2. If the PV module open-circuit voltage is not within the normal range, contact your dealer or Hoymiles Technical Service Center. |
| 207 | Input port 1 & 2 undervoltage | 1. Please make sure that the PV module open-circuit voltage is less than or equal to the maximum input voltage. 2. If the PV module open-circuit voltage is not within the normal range, contact your dealer or Hoymiles Technical Service Center. |
| 208 | Input port 3 & 4 undervoltage | 1. Please make sure that the PV module open-circuit voltage is less than or equal to the maximum input voltage. 2. If the PV module open-circuit voltage is not within the normal range, contact your dealer or Hoymiles Technical Service Center. |
| 209 | Port 1 no input | 1. Please confirm whether this port is connected to the PV module. 2. If the PV module is connected, please check the DC cable connection between this port and the PV module. |
| 210 | Port 2 no input | 1. Please confirm whether this port is connected to the PV module. 2. If the PV module is connected, please check the DC cable connection between this port and the PV module. |
| 211 | Port 3 no input | 1. Please confirm whether this port is connected to the PV module. 2. If the PV module is connected, please check the DC cable connection between this port and the PV module. |
| 212 | Port 4 no input | 1. Please confirm whether this port is connected to the PV module. 2. If the PV module is connected, please check the DC cable connection between this port and the PV module. |
| 213 | PV-1 & PV-2 abnormal wiring | Please check whether the DC connections on Port 1 and 2 are correct. |
| 214 | PV-3 & PV-4 abnormal wiring | Please check whether the DC connections on Port 3 and 4 are correct. |
| 301 | Hardware error code 301 | 1. If the alarm occurs accidentally and the microinverter can still function normally, no special treatment is required. 2. If the alarm occurs frequently and cannot be restored, contact your dealer or Hoymiles Technical Service Center. |
| 302 | Hardware error code 302 | 1. If the alarm occurs accidentally and the microinverter can still function normally, no special treatment is required. 2. If the alarm occurs frequently and cannot be restored, contact your dealer or Hoymiles Technical Service Center. |
| 303 | Hardware error code 303 | 1. If the alarm occurs accidentally and the microinverter can still function normally, no special treatment is required. 2. If the alarm occurs frequently and cannot be restored, contact your dealer or Hoymiles Technical Service Center. |
| 304 | Hardware error code 304 | 1. If the alarm occurs accidentally and the microinverter can still function normally, no special treatment is required. 2. If the alarm occurs frequently and cannot be restored, contact your dealer or Hoymiles Technical Service Center. |
| 305 | Hardware error code 305 | 1. If the alarm occurs accidentally and the microinverter can still function normally, no special treatment is required. 2. If the alarm occurs frequently and cannot be restored, contact your dealer or Hoymiles Technical Service Center. |
| 306 | Hardware error code 306 | 1. If the alarm occurs accidentally and the microinverter can still function normally, no special treatment is required. 2. If the alarm occurs frequently and cannot be restored, contact your dealer or Hoymiles Technical Service Center. |
| 307 | Hardware error code 307 | 1. If the alarm occurs accidentally and the microinverter can still function normally, no special treatment is required. 2. If the alarm occurs frequently and cannot be restored, contact your dealer or Hoymiles Technical Service Center. |
| 308 | Hardware error code 308 | 1. If the alarm occurs accidentally and the microinverter can still function normally, no special treatment is required. 2. If the alarm occurs frequently and cannot be restored, contact your dealer or Hoymiles Technical Service Center. |
Status LED Indicator
The LED flashes five times at startup. All green flashes (1s gap) indicate normal startup.
| (1) Startup Process |
| • Five green flashes (0.3s gap): Startup success |
| • Five red flashes (0.3s gap): Startup failure |
| (2) Running Process |
| • Fast green flashing (1s gap): Producing power. |
| • Slow green flashing (2s gap): Producing power, but one input is abnormal. |
| • Slow green flashing (4s gap): Producing power, but there is no communication with DTU. |
| • Red flashing (1s gap): Not producing power, AC grid fault (voltage or frequency out of range). |
| • Red flashing (0.5s gap): Non-grid abnormality fault. |
| (3) Other Status |
| • Alternating red and green flashing: Firmware is corrupted. |
| *Note: All faults are reported to the DTU, refer to the local DTU app or S-Miles Cloud (Hoymiles Monitoring Platform) for more information. |
Insulation Resistance Detection
Please note that this fault cannot be cleared if the cause of the failure is still present. If the fault persists, contact your installer or Hoymiles for possible replacement.
To troubleshoot an inoperable microinverter, follow the steps mentioned below.
| 1 | Verify that the utility voltage and frequency are within ranges shown in the Technical Data appendix of this microinverter. |
| 2 | Check the connection to the utility grid. Verify that the utility power is present at the microinverter in question by removing AC, then DC power. Never disconnect the DC wires while the microinverter is producing power. Re-connect the DC module connectors and watch for five short LED flashes. |
| 3 | Check the AC branch circuit interconnection between all the microinverters. Verify that each microinverter is energized by the utility grid as described in the previous step. |
| 4 | Make sure that any AC breakers are functioning properly and are closed. |
| 5 | Check the DC connections between the microinverter and the PV module. |
| 6 | Verify that the PV module DC voltage is within the allowable range shown in the Technical Data appendix of this manual. |
| 7 | If the problem persists, please call Hoymiles customer support. |
| Do not try to repair the microinverter. If troubleshooting fails, please return it to the factory for replacement.
|
Routine Maintenance
- Only authorized personnel are allowed to carry out the maintenance operations, and such personnel are responsible for reporting any anomalies.
- Always use the personal protective equipment provided by the employer when carrying out maintenance.
- During normal operation, check that the environmental and logistical conditions are correct. Make sure that these conditions have not changed over time and that the equipment is not exposed to adverse weather conditions and has not been covered with foreign bodies.
- DO NOT use the equipment if any problems are found, and restore the proper conditions after resolving the problems.
- Conduct an annual inspection of the various components, and clean the equipment with a vacuum cleaner or special brushes.
| Do not attempt to dismantle the microinverter or make any internal repairs! In order to preserve the integrity of safety and insulation, the microinverters are not designed to allow internal repairs! | |
| The AC output wiring harness (AC drop cable on the microinverter) cannot be replaced. If the cord is damaged, the equipment should be scrapped. | |
| Maintenance operations must be carried out with the equipment disconnected from the grid (grid power switch on) and the PV modules obscured or isolated, unless otherwise indicated. | |
| For cleaning, do not use rags made of filamentary materials or corrosive products that may corrode parts of the equipment or generate electrostatic charges. | |
| Avoid temporary repairs. All repairs should be carried out by using only genuine spare parts. | |
| If all microinverters connect to the DTU-Pro, the DTU can limit the output power imbalance of all microinverters between phases to below 3.68 kW if required. Please refer to the “Hoymiles Technical Note Limit Phase Balance” for more details. |
| Each branch should provide a 20 A circuit breaker, but a central protection unit is not required. |
Microinverter Replacement
| a. How to remove the microinverter: |
| • De-energize the AC branch circuit breaker. |
| • Remove the PV panel from the racking and cover the panel. |
| • Use a meter to measure and make sure that there is no current flowing in the DC wires between the panel and the microinverter. |
| • Use the DC disconnect tool to remove the DC connectors. |
| • Use the AC disconnect tool to remove the AC connectors. |
| • Unscrew the fixing screw on the top of the microinverter and remove the microinverter from the PV racking. |
| b. How to replace the microinverter: |
| • Please record down the new microinverter’s SN. |
| • Please make sure that the AC branch circuit breaker is off, and follow the microinverter installation steps to install the replacement unit. |
| • Go to the Monitoring Platform (if the customer already registered this station online) and access the “Devices” page to find the device that you just replaced. Click the “Device Maintenance” button to jump to the new page and select “Replace Device”. Enter the new microinverter’s SN and click the “OK” button to complete the replacement.
|

Decommissioning
Decommissioning
Disconnect the microinverter from the DC input and AC output. remove all connection cables from the microinverter. remove the microinverter from the frame. Pack the microinverter in the original packaging, or use a carton box that can support 5 kg of weight and can be fully closed if the original packaging is no longer available.
Storage and Transportation
Hoymiles packages and protects individual components by using suitable means to facilitate the transport and subsequent handling. Transportation of the equipment, especially by road, must be carried out by using means that are suitable for protecting the components (in particular, the electronic components) from violence, shocks, humidity, vibration, etc. Please dispose of the packaging elements in appropriate ways to avoid unforeseeable injury.
It is the customer’s responsibility to examine the condition of the components transported. Upon receiving the microinverter, it is necessary to check the container for any external damage and verify the receipt of all items. Call the delivery carrier immediately if damage is detected or components are missing. If inspection reveals damage to the microinverter, contact the supplier or authorized distributor for a repair/return determination and instructions regarding the process.
The microinverter storage temperature is -40°C to 85°C.
Disposal
- If the equipment is not used immediately or is stored for long periods, ensure that it is correctly packed. The equipment must be stored in well-ventilated indoor areas that do not have characteristics that might damage the components of the equipment.
- Conduct a complete inspection when restarting after a long time or prolonged cessation of use.
- For scrapped equipment which is potentially harmful to the environment, please dispose of the equipment properly and in accordance with the regulations in force in the country of installation.
Technical Data
| Warning: Be sure to verify the following before installing the Hoymiles Microinverter System. | |
| Verify that the voltage and current specifications of the PV module match those of the microinverter. | |
| The maximum open-circuit voltage rating of the PV module must be within the operating voltage range of the microinverter. | |
| The maximum current rating at MPP is recommended to be equal to or less than the maximum input DC current. But the maximum short-circuit current must be equal to or less than the maximum input DC short-circuit current. | |
| The output DC power of the PV module is NOT recommended to exceed 1.35 times the output AC power of the microinverter. Refer to the “Hoymiles Warranty Terms & Conditions” for more information. |
DC Input
| Model | HM-1000 | HM-1200 | HM-1500 |
| Commonly used module power (W) | Up to 310 (single panel) | Up to 380 (single panel) | Up to 470 (single panel) |
| Peak power MPPT voltage range (V) | 27–48 | 29–48 | 36–48 |
| Start-up voltage (V) | 22 | ||
| Operating voltage range (V) | 16–60 | ||
| Maximum input voltage (V) | 60 | ||
| Maximum input current (A) | 4 × 10.5 | 4 × 11.5 | 4 × 11.5 |
| Maximum input short-circuit current (A) | 4 × 15 | ||
| Maximum backfeed current to array (A) | 0
| ||
AC Output
| Model | HM-1000 | HM-1200 | HM-1500 | ||||
| Rated output power (VA) | 1000 | 1200 | 1500 | ||||
| Rated output current (A) | 4.55@220 V 4.35@230 V 4.17@240 V | 5.45@220 V 5.22@230 V 5.00@240 V | 6.82@220 V 6.52@230 V 6.25@240 V | ||||
| Nominal output voltage/range (V) | 220/180–275 230/180–275 240/180–275 | ||||||
| Nominal frequency/range (Hz) | 45–55 (under 50 Hz @ 220 V & 230 V) 55–65 (under 60 Hz @ 220 V & 230 V) | ||||||
| Power factor | > 0.99 default 0.8 leading…0.8 lagging | ||||||
| Output current harmonic distortion | < 3% | ||||||
| Maximum units per branch | 5@220 V 5@230 V 5@240 V | 4@220 V 4@230 V 4@240 V | 3@220 V 3@230 V 3@240 V | ||||
Efficiency, Safety and Protection
| Model | HM-1000 | HM-1200 | HM-1500 |
| Peak microinverter efficiency | 96.70% | ||
| CEC weighted efficiency | 96.50% | ||
| Nominal MPPT efficiency | 99.80% | ||
| Night time power consumption (mW) | < 50 | ||
Mechanical Data
| Model | HM-1000 | HM-1200 | HM-1500 |
| Ambient temperature range (°C) | -40 to +65 | ||
| Storage temperature range (°C) | -40 to +85 | ||
| Dimensions (W × H × D mm) | 280 × 176 × 33 | ||
| Weight (kg) | 3.75 | ||
| Enclosure rating | Outdoor NEMA 6 (IP67) | ||
| Cooling | Natural convection (no fans) | ||
| Pollution degree | PD3 | ||
Features
| Model | HM-1000 | HM-1200 | HM-1500 |
| Topology | High-Frequency Transformers | ||
| Communication | 2.4 GHz Proprietary RF (Nordic) | ||
| Monitoring | Hoymiles Monitoring System (Hoymiles DTU is required) | ||
| Warranty | 12 years standard, 25 years optional | ||
| Compliance | VDE-AR-N 4105:2018, EN 50549-1:2019, VFR2019, AS 4777.2:2015, IEC/EN 62109-1/-2, IEC/EN 61000-3-2/-3, IEC/EN- 61000-6-1/-2/-3/-4 | ||
Note: Voltage and frequency ranges can be extended beyond nominal if required by the utility.
Appendix
Installation Map
WIRING DIAGRAM – 230 VAC SINGLE-PHASE:
WIRING DIAGRAM – 230 VAC / 400 VAC THREE-PHASE:
WIRING DIAGRAM – 120 VAC / 240 VAC SPLIT-PHASE
hoymiles HM-1000 Single Phase Micro Inverter







WIRING DIAGRAM – 230 VAC SINGLE-PHASE:



















