BFT Q.BO PAD Keypad Access Control System Instruction Manual
Caution! Read “Warnings” inside carefully!
GENERAL SAFETY
- Keep adults, children and property out of range of the automated sys- tem, especially while it is moving.
- Do not allow children to play or stand within range of the automa- ted system.
- This automated system is not meant for use by children or by people with impaired mental, physical or sensory capacities, or people who do not have suitable knowledge, unless a person who is responsible for their safety provides them with necessary supervision or instruc- tions on how to use the device.
- Children must be supervised to ensure they do not play with the device. Do not allow children to play with the fixed controls. Keep remote controls out of reach of children.
- Do not work near hinges or moving mechanical parts.
- When cleaning the outside, always cut off mains power.
SCRAPPING
Materials must be disposed of in accordance with the regu- lations in force. Do not throw away your discarded equip- ment or used batteries with house- hold waste. You are responsible for taking all your waste electrical andelectronic equipment to a suitable recycling centre.
INSTALLATION INSTRUCTION





Q.BO PAD in a serial system




INSTALLATION MANUAL
Thank you for buying this product, our company is sure that you will be more than satisfied with the product’s performance. The product is supplied with a “Warnings” leaflet and an “Instruction booklet”. These should both be read carefully as they provide important information about safety, installation, opera- tion and maintenance. This product complies with the recognised technical standards and safety regulations. We declare that this product is in conformity with the following European Directives: 2004/108/EEC and 2006/95/EEC (and subsequent amendments).
GENERAL SAFETY
WARNING! An incorrect installation or improper use of the product can cause damage to persons, animals or things.
- Installation must be carried out by qualified person- nel (professional installer, according to EN 12635), in compliance with Good Practice and current code.
- Before installing the product, make all structural changes required to produce safety gaps and to provide protection from or isolate all crushing, she- aring and dragging hazard areas and danger zones in general in accordance with the provisions of stan- dards EN 12604 and 12453 or any local installation standards. Check that the existing structure meets the necessary strength and stability requirements.
- Scrap packing materials (plastic, cardboard, polystyrene etc) according to the provisions set out by current standards. Keep nylon or polystyrene bags out of children’s reach.
- Keep the instructions together with the technical brochure for future reference.
- This product was exclusively designed and ma- nufactured for the use specified in the present documentation. Any other use not specified in this documentation could damage the product and be dangerous.
- The Company declines all responsibility for any consequences resulting from improper use of the product, or use which is different from that expected and specified in the present documentation.
- Do not install the product in explosive atmosphere.
- Disconnect the electrical power supply before carrying out any work on the installation. Also disconnect any buffer batteries, if fitted.
- Only use original parts for any maintenance or repair operation.
- Instruct the product user about the control systems provided and the manual opening operation in case of emergency.
- The user must avoid any attempt to carry out work or repair on the automation system, and always request the assistance of qualified personnel.
- Anything which is not expressly provided for in the present instructions, is not allowed.
- The power supply must have a very low safety vol- tage and the generator must be protected against short circuit.
- All cables must be stripped close to the terminals only.
GENERAL OUTLINE
Programmable digital pushbutton panel for control- ling pedestrian and vehicle access points using two operating methods:
Serial connection:
Manages control panels provided with serial connection. Up to 16 different codes can be memorised. Each valid code sends a start command through the serial line.
Interfaced with a WIEGAND system:
Manages control panels provided with serial con- nection. he WIEGAND connection can be via expansion board or dedicated connector. Provided with an anti-break-in metal contai- ner, the Q.BO PAD pushbutton panel does not directly control access point opening. Therefore, it can also be safely installed in unprotected areas.
INSTALLATION
Use the box as a drilling template and drill 4 holes. Fix by means of self-tapping screws or expansion plugs, depending on the surface the box is being fixed on. Use the black sponge (H, Fig.A1) between the appliance and the wall (Fig.A1).
- Proceed to wiring and fixing the electronic board by means of the 2 screws supplied as standard, as shown in Fig.B1. Fully tighten the screws, and correct any centring errors using the slots in the board. Correct board positioning is obtained by means of the connection terminal bar, positioned as shown in Fig.B1.
- Position the gasket and ring nut, as shown in Fig. B2, and proceed to fixing using the 4 screws supplied.
- Attach the metal button unit after rotating it by about 30° anticlockwise, as shown in Fig.B3.
- Use the special anti-break-in setscrew wrench supplied and loosen the dowel until it is secured to the bottom of the push-button board (Fig.B4).
CONNECTION DIAGRAM
WARNING! In case the power is supplied by an external generator, it should feature a very low safety voltage and the generator be protected against short-circuit and overloading.
DIP 1
ON – Connected to WIEGAND system
The code is transmitted through outputs 5/6 to a
WIEGAND system for subsequent check and activation.
OFF – Serial operation
The entry of a valid code, programmed in the pushbut- ton panel internal memory, causes a Start signal to be sent through serial output TX1-TX2.
DIP 2 (only for serial operation)
ON – Normal operation, wait for code entry.
OFF – Activates the code programming mode.
JP2
Power supply selection at 12V~/ or 24 V~/
JP2 open Power supply 24V~/ (Fig. C)
JP2 closed Power supply 12V~/ (Fig. D, E).
Q.BO PAD PUSHBUTTON PANEL IN A WIEGAND SYSTEM (DIP1 ON)
Proceed to connect the Q.BO PAD pushbutton panel, with reference to Fig.D and the specific instructions for the WIEGAND system. In this type of installation, the pushbutton panel transmits the code typed by the user to the WIEGAND control logic, which will recognise and control the access point. Therefore, no programming is required for the pu- shbutton panel. Codes are exclusively managed by the WIEGAND system. The limit of the codes recognised depends on the characteristics of the WIEGAND system where the pushbutton panel is incorporated.
Notes:
- When saving, the code must be entered within the time set by the WIEGAND system.
- 12V~/ power can be taken from WIEGAND system outputs 1-4 which can power a maximum of 2 Q.BO PAD keyboards.
- For further information, refer to the specific instruc- tions for WIEGAND use.
SETTING CODE LENGTH
You can determine the length of the codes to be keyed in. Choose a length of no less than 3 digits and no more than 6. To set, switch off “Q.BO PAD” and switch it back on again while holding down a key between 3 and 6 for at least 10 secs. The unit will beep to advise you that the setting has been made.
EXAMPLE FOR ENTERING A CODE INTO A COM- PASS 485 SYSTEM: Enter the required code, i.e. 741258.
- turn ON dip switch n.6 of the COMPASS 485 board.
- type a 6-figure number of your choice, i.e. 123456 (this becomes the master card +).
- turn OFF dip switch n.6.
- type code 123456 (card +) then immediately afterwards the required code 741258 (within the time allowed by Compass 485 (5s).
- now just type code 741258 to energise the opening contact for the COMPASS 485 board. (terminals DOOR 3-4 JP1). Proceed as described in point 2 for entering any further code. For the other functions described in the instructions for COMPASS 485, also produce the MASTER CARD and MASTER CARD JOLLY, repeating from steps 1-2-3 in the example, and turning ON dip switches 7 and 8 respectively.
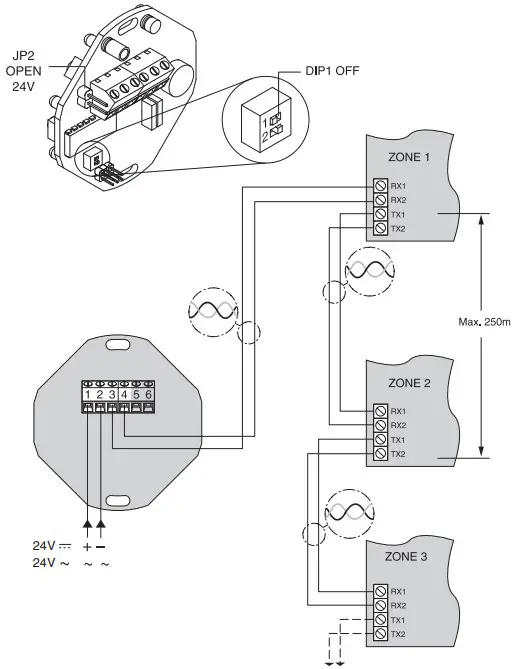
Q.BO PAD PUSHBOTTON PANEL IN A SERIAL SYSTEM (DIP1 OFF)
Preliminary checks
- The access point to be controlled by means of the pushbutton panel must necessarily be provided with a control panel having serial inputs and ou- tputs.
- Moreover, the control panel must be set to SLAVE, and have a Zone address other than 0.
- In the case where it is necessary to control more than one access point by means of the pushbutton panel, connect the other control units, still set to SLAVE and still having a Zone address other than 0, by means of the serial line. Control units with an identical zone address answer to the same code.
- The 24V~/ power supply can be drawn from outputs “24V~/ – Power supply for accessories” on the control panel. Check maximum absorption of the devices con- nected.
- The entry of a valid code causes a START command to be sent along the serial line. Further entries of the same code will cause further START commands to be sent. The operator will behave differently depending on the function logic set on the control panel (2/3/4 steps).
- For further information, refer to the specific instruc- tions for control panel use
Programming of activation codes (DIP2 OFF)
The Enter function is obtained by simultaneously pressing key 0 and key 8. Programming can only be carried out when the pushbutton panel is supplied with power.
- Press Enter (0+8) N times, where N represents the number of figures wanted to make up the activation code (from 3 to 6 figures).
- Type the memory location used by the code (from 0 to 15) and press Enter (0+8). A maximum of 16 different codes are therefore possible.
- Type the number of the serial zone be controlled with the code (from 1 to 127) and press Enter (0+8). Do not enter value 0.
- Enter the activation code, having 3 to 6 figures (see point 1), and press Enter (0+8).
- If Enter (0+8) is pressed again within 10s, the procedure is resumed from point 2 (entering position⇒zone⇒code).
For example. to attribute code 88776 to position 12, in order to activate serial zone address 2, proceed as follows:
- Press Enter (0+8) 5 times
- Type 12 (location number) and press Enter (0+8)
- Type 2 (zone number) and press Enter (0+8)
- Type 88776 (access code) and press Enter (0+8)
- To end programming, press any key or wait for 10s
Making changes to a pushbutton panel already programmed (DIP2 OFF)
Note: To be able to add codes and/or change pu- shbutton panel programming, it is indispensable to know at least one valid code number.
Addition of new codes
- Press Enter (0+8) 3 times.
- Type a valid code number entered in the memory and press Enter (0+8).
- Type the memory location taken up by the code to be added (from 0 to 15) and press Enter (0+8).Using a location already taken up causes the pre- vious code to be cancelled.
- Type the number of the serial zone to be controlled with the code (from 1 to 127) and press Enter (0+8). Do not enter value 0.
- Enter the activation code, having 3 to 6 figures, depending on the number of figures set in the first programming phase (par. 7.2), and press Enter (0+8).
- If Enter is pressed again, the procedure is resumed from point 3 (entering position⇒zone⇒code).
- To end programming, press any key or wait for 10s.
WARNING
- Waiting over 10s between typing one figure and the next causes the entry to be cancelled, and therefore it must be repeated.
- The acoustic signal can emit 3 types of sounds: brief single sound = number entered long sound = Enter (0+8) typed brief continuous sound = error (function not valid)
- After consecutive entry of 5 invalid codes, the acoustic signal emits the error sound for 60s, during which time no other attempts at access can be made. Any further incorrect code causes other error signals to be emitted, with consequent waiting time.
- Record the code numbers entered, especially in the case of installations having numerous access codes. The table in Fig.H can be filled in and given to the user. Keep these instructions and the access codes in a safe place which is only known to authorised persons.
MAINTENANCE
Installation maintenance must exclusively be carried out by qualified personnel.
SCRAPPING
ATTENTION: disposal should only be carried out by qualified personnel.
Materials must be disposed of in accordance with the regulations in force. Do not throw away your discarded equipment or used batteries with household waste. You are responsible for taking all your waste electrical and electronic equipment to a suitable recycling centre. The descriptions and illustrations contained in the present manual are not binding. The Company reserves the right to make any alterations deemed appropriate for the technical, manufacturing and commercial improvement of the product, while leaving its essential features unchanged, at anytime and without undertaking to update the pre- sent publication.

















