Valpes DSBA3200 Electric Actuators

This product meets the European Directive 2012/19/UE about electrical and electronic equipment (DEEE). It mustn’t be mixed with common waste. Please, recycle or dispose of them according to your country laws.
INTRODUCTION
This manual has been made to guide you through the installation and use of our ER PLUS electric actuators. Please, read it carefully before using our products and be sure to keep it.
DESCRIPTION
These electric actuators have been designed to perform the control of a valve with 90° rotation (or 180° in case of 3-position version). We cannot be held responsible for any other use. You can however consult us for any other application.
ATTENTION OWNERS AND USERS
Thank you for purchasing the device. This equipment will provide safe and productive operation as long as it is used in accordance with the instructions in this Manual and is properly maintained. Importantly, unless the user is adequately trained and supervised, there is a possibility of death, serious personal injury, property damage or damage to the equipment.
Owners and users of this equipment bear the responsibility to make certain that this equipment is used properly and safely. READ THIS MANUAL carefully, learn how to use and service this equipment correctly, and strictly follow all of the instructions contained in this Manual and the requirements of local law. Failure to do so could result in death, serious personal injury, property damage or damage to the equipment. This Manual should be considered a permanent part of your machine and should be kept available for easy reference by any user. Owners should not permit anyone to touch this equipment unless they are over 18 years of age, are adequately trained and supervised, and have read and understand this Manual. Owners should also ensure that no unauthorized personnel come in contact with this equipment.
If this equipment, or any of its parts, becomes damaged or needs repair, stop using the equipment and contact an experienced service individual immediately. If the warning labels or this Manual are misplaced, damaged or illegible, or if you require additional copies, please contact us for these items at no charge.
Please remember that this Manual and the warning labels do not replace the need to be alert, to properly train and supervise users, and to use common sense when using this equipment.
If you are ever uncertain about a particular task or the proper method of operating this equipment, don’t hesitate to contact us.
TRANSPORT AND STORAGE
- The forwarding agents being held as responsible for damages and delays of the delivered goods, the consignees are obliged to express if applicable their reserves, prior to accept the goods. The goods delivered directly ex-works are subject to the same conditions.
- The transport to the place of destination is carried out by using rigid packing material.
- The products must be stored in clean, dry, and ventilated places preferably on appropriate palettes or shelves.
MAINTENANCE
- Maintenance is ensured by our factory. If the supplied unit does not work, please check the wiring according to the electric diagram as well as the power supply of the concerned electric actuator.
- For any question, please contact our after-sales service.
- To clean the outside of the actuator, use a lint and soapy water. DO NOT USE CLEANING PRODUCT WITH SOLVENT OR ALCOHOL
WARRANTY
- 100% of the actuators are fully tested and set in the factory.
- These products are 3-year warranty from the delivery date or 50,000 actuations against all types of manufacturing and material faults (operating time and model class according to standard CEI34).
- This guarantee will only be valid if the unit has not been disassembled or self-repaired during its service life. It does not cover any wear and damage caused by shocks or faulty operation neither by the use of the unit under conditions not in accordance with its nominal characteristics. The guarantee is strictly limited to the replacement of original parts found defective on checking by our service personnel. The cost of shipping to our premises, the return of devices to the customer as well as the repair cost will be chargeable. We will not assume the responsibility for any direct or indirect accidents/risks originated by a failure of our products. The guarantee does not cover the consequences of breakdown and excludes any payments for indemnities. The accessories and adaptations are excluded from the guarantee. In the case where a customer has not proceeded to payments within the agreed period, our guarantee will be suspended until the delayed payments have been received and with the consequence that this suspension will not prolong the guarantee period in any case.
RETURN OF GOODS
- The customer is obliged to check the conformity of the goods with regard to their definition at the time of delivery.
- The acceptance of the goods by the purchaser disclaims the supplier of all responsibility if the purchaser discovers any non-conformity after the date of acceptance. In such case, the repair cost will be borne by the purchaser who will also exclusively bear all financial consequences of any resulting damage. Returned goods will only be accepted if our prior agreement has been given to this procedure: the goods must be sent free of all cost and being shipped solely and in their original packing. The returned goods will be credited to the purchaser with a reduction of 40% on the unit’s price charged in accordance with the original invoice of the returned goods.
SAFETY INSTRUCTIONS
- The electric power supply must be switched off before any intervention on the electric actuator (i.e. prior to demounting its cover or manipulating the manual override knob).
- Any intervention must only be carried out by a qualified electrician or other person instructed in accordance with the regulations of electric engineering, safety, and all other applicable directives.
- Strictly observe the wiring and set-up instructions as described in the manual: otherwise, the proper working of the actuator can not be guaranteed any more. Verify that the indications given on the identification label of the actuator fully correspond to the characteristics of the electric supply.
- Respect all safety rules during fitting, dismantling and porting of this apparatus.
- Lifting and carrying through strapping the handwheel is not allowed.
- Do not lift the actuator by the handle (ER10/ER20).
- Do not mount the actuator « upside-down ». Risks:
- Declutching mechanism failure
- Possible flow of the grease on the electronic board
- Do not mount the actuator less than 30 cm of a electromagnetic disturbances source.
- Do not position the equipment so that it is difficult to operate the disconnecting device.
Position indicator
Handle with position indicator for ER10/20 and round indicator for ER 35/60/100
Modular position indicator with three removable position markers (3 yellow + 2 black), adjustable according the type of valve to be actuated


Emergency manual override
The priority functioning mode of this actuator is electric. Be sure than the power supply is switched off before using the manual override

- Turn the knob to position MAN (counter-clockwise) and hold it in position.
- Turn the outgoing drive shaft of the actuator with the help of an adjusting spanner.
- In order to re-engage the reduction, release the knob (spring return).
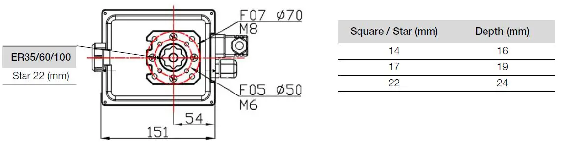
Dimensions


| ISO F flange | Diameter (mm) | M threaded | Depth (mm) | Screws quantity |
| F03 | 36 | M5 | 14.2 | 4 |
| F04 | 42 | M5 | 14.2 | 4 |
| F05 | 50 | M6 | 14.2 / 16.4 | 4 |
| F07 | 70 | M8 | 16.4 | 4 |
Electric wiring
Warnings

- As stipulated in the applicable regulation, the connection to earth contact is compulsory for devices with working voltages exceeding 42V.
- The actuator is always powered, so it must be connected to a disconnection system (switch, circuit breaker) to ensure the actuator power cut, correctly located, easily reached and marked as being the disconnecting device for the equipment.
- An Inrush current may occur when actuators are switched on. Therefore it is necessary to limit the number of actuators on the same line. Alternatively, an inrush current limiter at the output of the circuit breaker may be used.
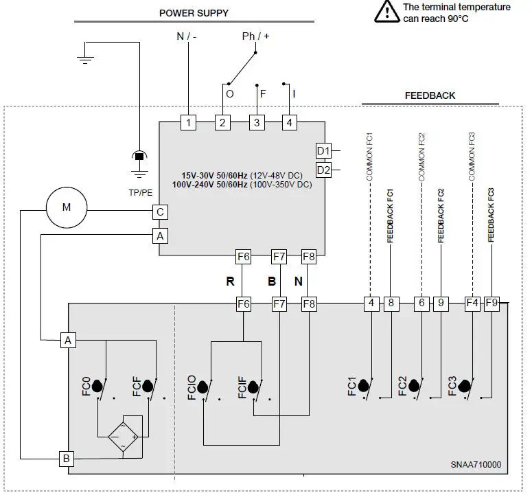
- The terminal temperature can reach 90°C
- For a use with a long power supply wiring, the induction current generated by the wires mustn’t be higher than 1mA
- To optimize the installation security, please connect the failure feedback signal (D1 and D2).
- In order to ensure the IP66 tightness, the cable gland for feedback wiring must be used (7 to 12mm cable). Otherwise, the cable gland must be replaced by a ISO M20 IP66 cap.
Instructions
Our cable glands are designed for cables with a diameter between 7mm and 12mm.
The actuator can support MAINS supply voltage fluctuations up to ±10 % of the nominal voltage.
It is necessary to connect all actuators to an electrical cabinet
- Remove the position indicator, unscrew the four screws and take off the cover.
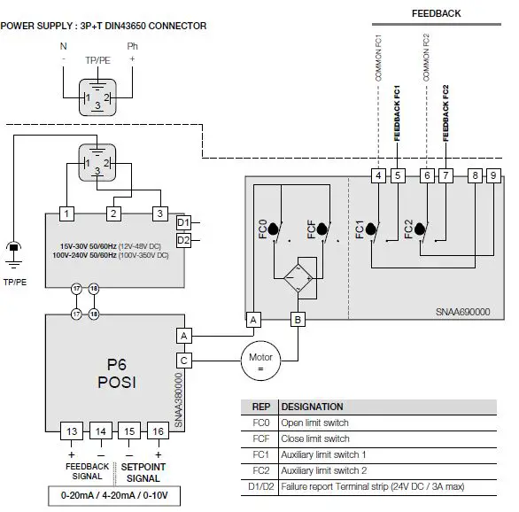
SUPPLY AND CONTROL WIRING
- Ensure that the voltage indicated on the actuator ID label corresponds to the voltage supply.
- Connect the wires to the connector in accordance with the required control mode. (see diagram p.21 (or p.26 for POSI) models )
- To ensure the correct functioning of the anti-condensation heaters, the actuator must be permanently power supplied
WIRING OF THE FEEDBACK SIGNAL (Except POSI: p.25)
Our actuators are equipped with two simple limit switch contacts normally set either in open position, either in closed position (see wiring diagram DSBA0436). As per factory setting, the white cam is used to detect the open position (FC1) and the black cam is used to detect the closed position (FC2).
The auxiliary limit switches must be connect with rigid wires. If the applied voltage is higher than 42V, the user must foresee a fuse in the power supply line.
The voltages applied to each feedback switch (FC1 and FC2, SNAA690000 electronic board) must be exactly the same . The reinforced insulation between the feedback signal and the motor control authorizes voltages up to 250V AC/DC.
- Unscrew the right cable gland and insert the cable.
- Remove 25mm of the cable sheath and strip each wire by 8mm.
- Connect the wires to the terminal strip in accordance with the diagram p.21 (or p.26 for POSI models ).
- Tighten the cable gland (Ensure that it’s well mounted to guaranty the proofness).
SETTING OF END LIMIT SWITCHES
The actuator is pre-set in our factory. Do not touch the two lower cams in order to avoid any malfunctioning or even damage to the actuator.
- To adjust the position of the auxiliary contacts, make rotate the two superior cams by using the appropriate wrench.
- Re-mount the cover, fasten the four screws and attach the position indicator.
The terminal temperature can reach 90°C
The used wires must be rigid (feedback voltages: 4 to 250V AC/DC)
| REP | DESIGNATION | ||
| FCO | Open limit switch | FC1 | Auxiliary limit switch 1 |
| FCF | Close limit switch | FC2 | Auxiliary limit switch 2 |
| D1/D2 | Failure report Terminal strip (24V DC / 3A max) | ||
POWER SUPPLY: 3P+T DIN43650 CONNECTOR

Electronic boards


| REP | DESIGNATION | REP | DESIGNATION |
| A | Earth screw | E** | LED 3 : detected failure |
| B | Power supply and control terminal | F | LED 1 : power supply presence |
| C* | Protection fuses | G | Failure report terminal strip (24V DC – 3A max) |
| D | LED 2 : microprocessor ok |
- Fuses for multivolt boards
- SNAA720100 board: 2A / T 250V (Multicomp MST 2A 250V)
- SNAA720000 board: 500mA / T 250V (Multicomp MST500MA 250V)
- SNAA730100 board: 5A / T 125V (Littelfuse 39615000000)
- SNAA730000 board: 3,15A / T 250V (Multicomp MST 3,15A 250V)
Possible defects: limitation of current, thermic limitation or program error
=> check that the valve torque is not superior to the maximum torque stand by the actuator
=> check that the actuator do not exceed the duty cycle indicated (possible overheat)
To re-start the actuator, reverse the sense of rotation or switch the power off and on.
BBPR model
Following a power failure, the BBPR unit will reset after 5 minutes.
Actuators with security battery unit (on-off wiring mandatory)
BBPR model integrate a battery pack monitored by an electronic board inside the actuator. Its function is to relay in case of power supply failure on terminal PIN 1,2 and 3 of the actuator. The BBPR system can be set on different position like normally open (NO) or normally closed (NC). It depends on the application.
The electronic board monitors the battery pack and check the status of battery (cycle load and failure)
If a battery failure is detected , a contact on PIN 65 and 66 switch off. It’s possible to use this contact to be aware that there is a failure on battery in the actuator without remove cover and plan the replacement.
Fail safe option required ON/OFF mode.

| REP | TERMINALS | DESIGNATION |
| C1 | 17 (-) 18 (+) | power supply connector |
| C2 | F (+) F (-) T (+) | Battery unit connector |
| C3 | A B C | Motor connector |
| C4 1) | D3 D4 | Failure feedback connector |
| C5 1) | 65 66 | Charging feedback connector |
| C6 | A 0 B | RS485 connector |
| J1 | Bluetooth® activation jumper | |
| REP | COLOR | DESIGNATION |
| L1 | Green | Actuator operating into opening |
| L2 | Red | Actuator operating into closing |
| L3 | Orange | Wired functioning mode |
| L4 | Orange | manual / Bluetooth® functioning mode |
| L5 | Orange | Weekly scheduler functioning mode |
| L6 | Red | Error detected |
| L7 | Green | Slow blinking (1s) : battery charged. Rapid blinking (0.5s) : battery charging |
- The auxiliary cables must be connected to inside installation only
BBPR : setup
Thanks to AXMART®, it’s possible to set the Initial security position that the actuator will reach in case of power failure.
it’s also possible to access to battery parameters in real-time.

For any further information, refer to the operation manual with the reference DSBA3304.
The BBPR actuators can be only on-off mode wired.
The factory default configuration is “normally closed”
BBPR: electric diagram

POSI model
Various control types (control signal on terminals N°15 and N°16)
On request, our cards can be set in factory. The consign and the feedback signal can have different forms (current or voltage).
Without any information from the customer, the cards are set for current 4-20mA (control + feedback signal)
Control in modes 0-10V and 0-20mA
In case of outside event, absence of control signal (accidental wires cut for example) but in presence of power, the actuator
will travel to defined position (open or closed valve).
In standard our actuators will close themselves in absence of control signal but there are other possibilities on request.
Control in mode 4-20mA
In case of outside event, absence of control signal (accidental wires cut for example) but in presence of power, the actuator will stay in its position.
In the both cases, when the control signal is restored, the actuator reach automatically the position corresponding to control signal value.
P6 positioning electronic board (0-20mA / 4-20mA / 0-10V)


P6 positioning board wiring (input and output signal)
In order to avoid electromagnetic perturbations, it is compulsory to use shielded cables (cables longer than 3m).
- Unscrew the gland and pass the cable.
- Connect the setpoint signal between terminals 15 and 16.
Terminal 15 is the negative polarity (-) and terminal 16 is the positive polarity (+). - Connect the feedback signal between terminals 13 and 14.
Terminal 13 is the positive polarity (+) and terminal 14 is the negative polarity (-). - Tighten the cable gland (Ensure that it’s well mounted to guaranty the proofness).
Factory setting : by default, 4-20mA input and output signals with normal rotation direction.
To proceed to a new setting of the card : please see page 27, “Parameter selection sequence”.
To check the proper operation of the card : please see page 27, “Normal operating mode”.
POWER SUPPLY : 3P+T DIN43650 CONNECTOR

The card resolution is 1°
10 kOhm input impedance if control with voltage (0-10V)
100 Ohm input impedance if control with current (0-20mA ou 4-20mA)
- The control voltage must be S.E.L.V. (Safety Extra Low Voltage).
- The terminal temperature can reach 90°C.
- The feedback must be connect with rigid wires. If the applied voltage is higher than 42V, the user must foresee a fuse in the power supply line.
- For a use with a long power supply wiring, the induction current generated by the wires mustn’t be higher than 1mA.
- The used wires must be rigid (feedback voltages: 4 to 250V AC/DC).
PARAMETER SELECTION SEQUENCE
1 K1, K2 and K3 shunts positioning
Position the shunts as follows (before modification, switch off the card):

| Setpoint signal | Feedback signal | Shunt K1 | Shunt K2 | Shunt K3 | ||
| A | B | A | B | |||
| 0-10V | 0-10V | ON | OFF | ON | OFF | OFF |
| 0-10V | 0-20mA | ON | OFF | OFF | ON | OFF |
| 0-10V | 4-20mA | ON | OFF | OFF | ON | ON |
| 0-20mA | 0-10V | OFF | ON | ON | OFF | OFF |
| 0-20mA | 0-20mA | OFF | ON | OFF | ON | OFF |
| 0-20mA | 4-20mA | OFF | ON | OFF | ON | ON |
| 4-20mA | 0-10v | OFF | ON | ON | OFF | OFF |
| 4-20mA | 0-20mA | OFF | ON | OFF | ON | OFF |
| 4-20mA | 4-20mA | OFF | ON | OFF | ON | ON |
Selection of the flow direction of the valve
Normal flow direction (by default)
- Press the OPEN button and apply the operating voltage to the card while keeping this button pressed.
- The green LED lights up. Release the OPEN button.
- Disconnect the card.
Inverse flow direction
- Press the CLOSE button and apply the operating voltage to the card while keeping this button pressed.
- The red LED lights up. Release the CLOSE button.
- Disconnect the card.
Selection of the type of input control signal
Voltage control signal 0-10V
- Press the MEM button and apply the operating voltage to the card while keeping this button pressed.
- The red LED will light up 3 times. Release this button.
- Disconnect the card.
Current control signal 0-20mA
- Press the MEM and OPEN buttons and apply the operating voltage to the card while keeping these buttons pressed.
- The red LED will light up 3 times. Release these buttons.
- Disconnect the card.
Current control signal 4-20mA (by default)
- Press the MEM and CLOSE buttons and apply the operating voltage to the card while keeping these buttons pressed.
- The red LED will light up 3 times. Release these buttons.
- Disconnect the card.
Learning mode
- Press the OPEN and CLOSE buttons and apply the operating voltage to the card while keeping these buttons pressed.
- The 2 LEDs will light up. Release these buttons and the 2 LEDs will run out. The card is now in the learning mode.
- Press the CLOSE button to put the valve in its closed position. The red LED will light up.
- Store this selected closed position by pushing MEM + CLOSE, the red LED will light up 2 times as a confirmation of acknowledgment.
- Press the OPEN button to put the valve in its open position. The green LED will light up.
- Store this selected open position by pushing MEM + OPEN, the green LED will light up 2 times as a confirmation of acknowledgment.
- Now, the positions selected have been stored. Disconnect the card.
NORMAL OPERATING MODE
- Apply the operating voltage to the card. The green LED will light up 3 times.
- Under normal operating conditions, the green LED will light up when the drive motor opens the valve, and the red LED will light up when the drive motor closes it.
- If both LEDs remain ran out, it means that the drive motor has not been triggered.
In the case of an over-torque, the motor stops and the 2 LEDS lights then together to indicate the action of the torque limiter. To re-start it, you must either reverse the sense of rotation, either switch the power off and on.
3-position model
Actuator with a third position
GF3 option allow actuator to be drive and stop in 3 positions. These 3 positions could be between 0° to 180°.In standard actuators are setting in our workshop at 0° 90° 180° that’s fit with standard 3 ways ball valve. Others positions still available but customer have to price on the order witch position is request.
These 3 positions are controlled by 4 switches (FCO,FCF,FCIO and FCIF) and 3 switches for feed back signal
Switches FC1,FC2 are NO contact ( close the circuit in extreme position) and FC3 is a NC contact (open the circuit in intermediate position)


| TECHNICAL DATA | ||||||
| Type (1/4 turn electric actuator) | ER10 | ER20 | ER35 | ER35 | ER60 | ER100 |
| Housing type | Small housing (see p.19) | large housing (see p.19) | ||||
| IP protection (EN60529) | IP66 (dusts, water spraying « flow <12.5 L/min ») | |||||
| Corrosion resistance (outdoor and indoor use) | Housing: PA6 UL94V0 + 25% GF and cover: PA6 UL94V0 Raw material : 304L Stainless Steel or Steel + Zn treatment | |||||
| Temperature | -10°C to +55°C (BBPR GS2: -10°C to +40°C) | |||||
| Hygrometry | maximum relative humidity 80 % for temperatures up to 31 °C decreasing linearly to 50 % relative humidity at 40 °C | |||||
| Pollution degree | ||||||
| Altitude | altitude up to 2 000 m | |||||
| Extended environmental conditions | Outdoor use and in WET LOCATION | |||||
| Sound level | 61 dB | |||||
| Weight | 1 Kg | 2.1 Kg | ||||
| MECHANICAL DATA | ||||||
| Nominal torque | 10Nm | 20Nm | 35Nm | 35Nm | 60Nm | 100Nm |
| 1/4 turn travel time (standard ER) | 11s | 11s | 25s | 7s | 12s | 23s |
| 1/4 turn travel time (slow ER) | 41s | 79s | 119s | |||
| 1/4 turn travel time (ER POSI) | 25s | 41s | 79s | 119s | ||
| Mounting actuator base (ISO5211) | Star 14 F03-F04-F05 | Star 22 F05-F07 | ||||
| Swing angle | 90° (others on request) | |||||
| Mechanical end stops | 90° +/- 5° | |||||
| Manual override | Out axle | |||||
| Direction of rotation | Anticlockwise to open | |||||
| ELECTRICAL DATA | ||||||
| Voltage ±10% | 100 V to 240 V AC 50/60 Hz and 100 V to 350 V DC 15 V to 30 V AC 50/60 Hz and 12 V to 48 V DC | |||||
| Voltage ±10% (BBPR GS2) | 100 V to 240 V AC 50/60 Hz and 100 V to 350 V DC 24 V to 30 V AC 50/60 Hz and 24 V to 48 V DC | |||||
| Frequency | 50/60Hz | |||||
| Power consumption | 15W (0.08A) cos j = 0.75 | 45W (0.15A) cos j = 0.75 | ||||
| Overvoltage category | TRANSIENT OVERVOLTAGES up to the levels of OVERVOLTAGE CATEGORY ll TEMPORARY OVERVOLTAGES occurring on the MAINS supply | |||||
| Torque limiter | Electric | |||||
| Duty cycle (CEI34) | 50% | |||||
| Limit switches maximal voltage | 4 to 250V AC/DC (Overvoltage category II) | |||||
| Limit switches maximal current | 1mA to 5A max | |||||
| Electrical wiring | 1 ISO M20 cable gland and 1 DIN43650 3P+T connector | |||||
| Inrush current | Circuit breaker type D, nominal current according the number of actuators (max. 4 actuators) or use a inrush current limiter at the output of the circuit breaker. | |||||




















