GEBERIT Delta 25 Duofix Element For Wall-Hung

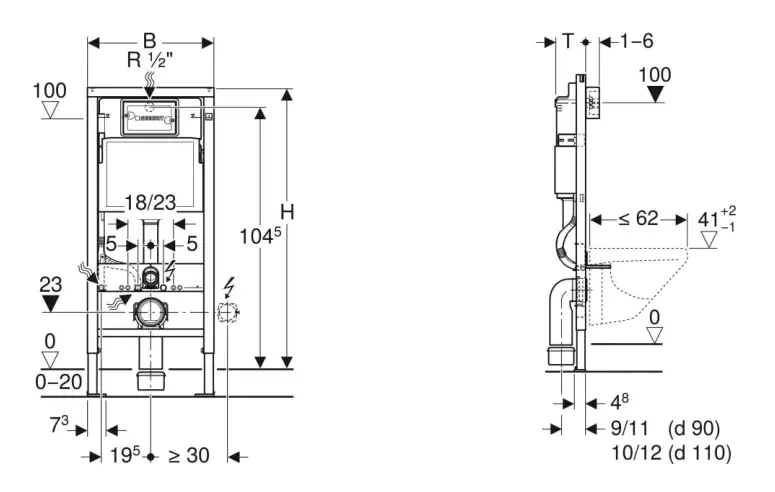
DIMENSIONS

Application purposes
- For drywall construction
- For installation in part or room-height prewall installations
- For installation in room-height installation walls
- For wall-hung WCs with connection dimensions in accordance with EN 33:2011
- For wall-hung WCs with projection up to 62 cm
- For floor constructions 0–20 cm
- Feet adjustable 0–20 cm
- Foot plates made of plastic
- Foot plate depth suitable for installation in U-profiles UW 50 Connection bend can be mounted without tools
- Concealed cistern with front actuation
- Concealed cistern, fully insulated against condensation
- Cistern fulfils standard requirements in accordance with EN 14055, Class II
- Immediate post flush possible with factory setting
- Water supply connection on the rear or top centre
- Equipped with conduit pipe for feed pipe for connection of Geberit AquaClean shower toilets
- With fastening option for electrical connection
Characteristics
- Self-supporting frame, powder-coated
- Frame top open
- Frame with ø 9 mm drilling holes for fastening in wood frame construction
- Frame with holes to receive Geberit Duofix wall anchors for elements with frame top open
- Frame prepared for support brackets for WC ceramic appliances with small contact surfaces
- Galvanized feet
Scope of delivery
- Angle stop valve R 1/2″, with adaptor ring
- Protection box for service opening, made of polystyrene foam 2 distance bolts
- Geberit Delta25 flush plate, for dual flush
- 2 wall anchors
- Connection set for WC, ø 90 mm
- Connection bend 90° made of PE-HD, ø 90 mm
- Adaptor socket made of PE-HD, ø 90 / 110 mm
- 2 protection plugs
- Cup for flush volume reduction 4.0 / 2.6 l
- Crossbar for panelling support
- 2 threaded rods M12
- Fastening material
| Art. no. | Colour / surface | B | H | T |
| 458.118.21.1 | gloss chrome-plated | 50 cm | 112 cm | 12 cm |
Technical data
| Maximum operating temperature, water | 25 °C |
| Flush volume, factory setting | 5.8 and 3 l |
| Flush volume large, adjustment range | 4.5 / 6 / 7.5 l |
| Flush volume small, adjustment range | 3-4 l |
Accessories
- Geberit set of support brackets for WC ceramic appliances with small contact surfaces
IMPORTANT
- New designation Delta25 (Delta21 until 2021)
- Any boarding must be fixed tight up against the face of the Duofix frame and screwed directly to the frame
- Flush valve features settings to enable either a 6 l and 3 l flush or a 4.5 l and 3 l flush. Note: must be used with pans designed for low volume flush The cistern can be operated with used water (rainwater) provided it is passed through a filter system first
Created with Geberit product data – 04/04/2022














