52220 Linear Ballast Bypass LED Light Bulb
User Manual
Product Features:
UL certified
Full glass housing: No Aging, Yellowing, Bending
Designed to work without a ballast
Product Applications:
Widely used in residential buildings, oces, shopping malls, supermarkets, hosptials, assembly lines, warehouses, etc. for energy saving illumination.
Installation Instructions:
Please follow all this instructions and notes, to ensure the product is installed and used in a safe manner.
Safety Precautions:
For your and others safety please read the precaution carefully before installation:
- Product should be installed by a qualied electrician.
- Switch the power supply before commencing work, make sure all connections are secure before you power on.
- Do not use an LED driver with this product.
- NOT FOR USE WITH EMERGENCY LIGHTING.
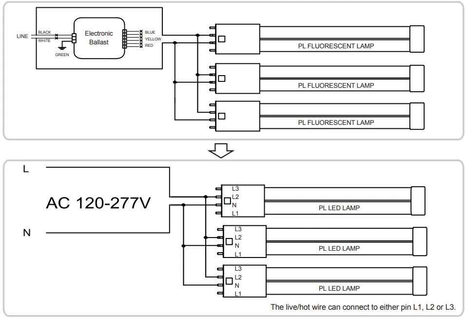
Wiring Instructions – Electronic Ballast
Retrofit luminaire with 1 lamp

Retrofit luminaire with 2 lamps


Retrofit luminaire with 3 lamps
DIMMING FUNCTION
This tube can be achieve 0-10V dimming when installed in combination with dimming module (Westinghouse
Lighting model 502606930). One dimming module can only operate one LED tube.
WARNING:
Only use the control provided with or specified by these instructions to control this lamp. This lamp will not operate properly when connected to a standard (incandescent) dimmer or dimming control. Only operate with specific dimming module 502606930 manufactured by Westinghouse.
Type B LAMP – intended for operation in luminaires with traditional fluorescent-type lamp holders wired directly to the branch circuit. This includes both factory-wired luminaries as well as those converted for this purpose under a retrofit program.
WARNING – Risk of fire or electric shock. LED Retrofit Kit installation requires knowledge of luminaire electrical systems. If not qualified, do not attempt installation. Contact a qualified electrician.
WARNING – Install this kit only in the luminaires that have the construction features and dimensions shown in the photographs and/or drawings and where the input rating of the retrofit kit does not exceed the input rating of the luminaire.
WARNING – To prevent wiring damage or abrasion, do not expose wiring to edges of sheet metal or other sharp objects.
THIS RETROFIT KIT IS ACCEPTED AS A COMPONENT OF A LUMINAIRE WHERE THE SUITABILITY OF THE COMBINATION SHALL BE DETERMINED BY AUTHORITIES HAVING JURISDICTION.
Do not make or alter any open holes in an enclosure of wiring or electrical components during kit installation.
Installers should not disconnect existing wires from lampholder terminals to make new connections at lampholder terminals. Instead installers should cut existing lampholder leads away from the lampholder and make new electrical connections to lampholder lead wires by employing applicable connectors.
This device complies with Part 15 of the FCC Rules. Operation is subject to the following two conditions: (1) this device may not cause harmful interference, and (2) this device must accept any interference received, including interference that may cause undesired operation.
The units covered by this report were intended to retrot surface mount without diuser, Type IC or non-IC recessed mount Listed uorescent luminaires that use maximum three tubular lamps, the minimum lamp compartment dimensions are listed below:
| Model | MINIMUM LAMP COMPARTMENT DIMENSIONS [Length x Width x Height][mm] |
| 52220 | 620 x 600 x 80 |
Westinghouse Lighting, Philadelphia, PA 19154-1029, U.S.A.
Used under license by Westinghouse Lighting.
www.westinghouselighting.com
All Rights Reserved.
Westinghouse are trademarks of Westinghouse Electric Corporation.
Made in China



















