Westinghouse T8 Universal Ballast Bypass LED Lamp

Safety Precautions
For your and others’ safety, please read the precaution carefully before installation:
- Product should be installed by qualified electrician.
- Switch off the power supply before commencing work, make sure all wiring connections are correct before powering on.
Westinghouse T8 Universal Ballast Bypass LED lamps are designed to be installed in two types of wiring configurations. For Double Ended Wiring installations see instructions starting on page 3, and for Single-ended Wiring installations see instructions starting on page 5.ended wiring installation The below ballast wiring represents typical configuration. The actual ballast wiring varies according to ballast model. You do not need to change the socket (if in good condition) to operate double ended lamps, regardless the type of sockets. Please make sure one side of fixture is connected to Line (L) and the other side to Neutral (N).
Wiring Instruction
Retrofit luminaire with 1 lamp
Instant Start

Program Start or Rapid Start

Retrofit luminaire with 2 lamps
Instant start
Program Start or Rapid Start

Retrofit luminaire with 3 lamps
Instant start
Program Start or Rapid Start 
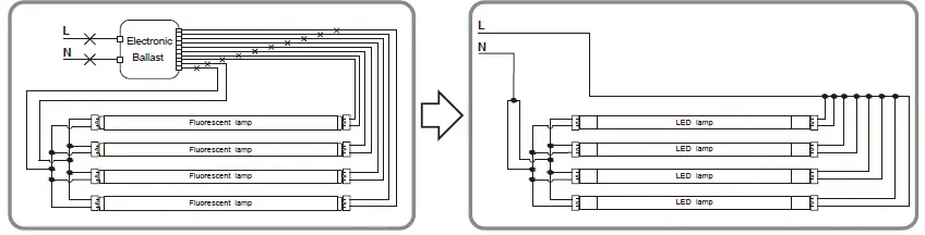
Retrofit luminaire with 4 lamps
Instant start
Program Start or Rapid Start 
Single ended wiring installation
STOP!
DO NOT install this product in a luminaire that uses shunted lamp holders (found in all fixtures with instant start ballasts). Installing this product with shunted lamp holders will cause a short circuit condition in the lamp holder and create a fire or shock hazard. Before continuing, determine if the lamp holders currently installed in the luminaire are shunted or non-shunted. If the current lamp holders are shunted, cut the wires away from the lamp holders and install non-shunted lamp holders, making new connections with the lead wires at terminals indicated here:
NOTE: If using existing non-shunted lamp holders, installer should not disconnect lead wires from lamp holders and make new connections at terminals. Instead, cut lead wires near ballast and make new connections to lead wires using approved connectors.

Removing fluorescent lamp system
NOTE: Westinghouse T8 LED tube is suitable to be installed in T8 standard luminaries.
- Disconnect power from luminaire.
- Remove fluorescent bulb.
- Remove wiring compartment cover.
- Cut all wires which are connected to the ballast and remove it.

Retrofitting fixtures with ONE LAMP
NOTE: Only one end of this LED tube receives power. The “powered” end is indicated by mark with “L” & “N” on the tube itself. Before begining installation, determine which end of the fixture will be the “powered” end and which end will be the “dead” end.
- Make sure AC power to luminaire is OFF
- Make sure ground wire from AC supply is securely connected to ground screw inside luminaire.
- Connect black (live) and white (neutral) lead wires from lamp holders on “powered” end to incoming AC supply black (LIVE) and white (NEUTRAL) wires with approved wire connectors. If only one lamp is being installed, proceed to step 4 below.

Retrofitting luminaire with MULTIPLE LAMPS
After completing steps 1 – 3 above, connect terminals on the “powered” lamp holder for first lamp to matching terminals on “powered” lamp holder for second lamp with black (live) and white (neutral) wires, being sure to maintain polarity. Repeat this “daisy chain” connection for each additional lamp.

- When all connections are complete, place appropriate connectors/wire nuts on the end of any unused wires.
- Replace wiring compartment cover.
- Place sticker that is included with this product on wiring compartment cover or other conspicuous place on or inside of fixture. Sticker reads: “This fixture has been modified. The ballast has been removed. DO NOT install fluorescent lamps in this fixture”.
- Install LED tube(s), matching the end of the lamp that has the “L/N” sticker to the lamp holder that is connected to the Live and Neutral wires.
- Re-connect power to luminaire.
DIMMING FUNCTION
The T8 ballast bypass LED tube can be used with a dimmer or dimming moudle to implement dimming function. Installing with dimming module : This tube can be achieve 0-10V dimming when installed in combination with dimming module (Westinghouse Lighting model 502606930). One dimming module can only operate one LED tube.

Installing with dimmer : Only use the control provided with or specified by these instructions to control this lamp. This lamp will not operate properly when connected to a standard (incandescent) dimmer or dimming control. Only operate with specific dimmer manufactured by Lutron, type NTELV-300.
Follow the wiring connection as shown below, one dimmer can work with a maximum of four tubes.

WARNING
- Type B LAMP – intended for operation in luminaires with traditional fluorescent-type lamp holders wired directly to the branch circuit. This includes both factory-wired luminaries as well as those converted for this purpose under a retrofit program.
- Risk of fire or electric shock. Installation of this Retrofit Kit requires knowledge of electrical systems. If you are not qualified, do not attempt installation and contact a qualified electrician.
- Risk of fire or electric shock. Install this kit only in the luminaires that have the construction features and dimensions shown in the photographs and/or drawings and where the input rating of the retrofit kit does not exceed the input rating of the luminaire.
- Do not make or alter any open holes in an enclosure of wiring or electrical components during kit installation.
- To prevent damage to wiring, do not expose wires to edges of sheet metal or other sharp objects.
- Installers should not disconnect existing wires from lamp holder terminals to make new connections at lamp holder terminals. Instead installers should cut existing lamp holder leads away from the ballast and make new electrical connections to lamp holder lead wires by employing applicable connectors.
- THE RETROFIT ASSEMBLY IS ACCEPTED AS A COMPONENT OF A LUMINAIRE WHERE THE SUITABILITY OF THE COMBINATION SHALL BE DETERMINED BY UL OR AUTHORITIES HAVING JURISDICTION.
- WARNING – RISK OF FIRE OR ELECTIRC SHOCK. DO NOT ALTER, RELOCATE, OR REMOVE WIRING, LAMPHOLDERS, POWER SUPPLY, OR ANY OTHER ELECTRICAL COMPONENT.
- To avoid potential fire or shock hazard, do not use this retrofit kit in luminaires employing shunted bi-pin lampholders. Note: Shunted lamp holders are found only in fluorescent luminaires with Instant-Start ballasts. Instant-start ballasts can be identified by the words “Instant Start” or “I.S.” marked on the ballast. This designation may be in the form of a statement pertaining to the ballast itself, or may be combined with the marking for the lamps with which the ballast is intended to be used, for example F40T12/IS. For more information, contact the LED luminaire retrofit kit manufacturer.
- THERE ARE TUBE, OPERATION INSTRUCTION AND FILED THE DOUBLE-ENDED OR SINGLE-ENDED APPLICATION LABEL IN THIS RETROFIT KIT. The units covered by this report were intended to retrofit surface mount, Type IC or non-IC recessed mount Listed fluorescent luminaires that use maximum 4 tubular lamps, the minimum lamp compartment dimensions are tabulated below:
This device complies with Part 15 of the FCC Rules. Operation is subject to the following two conditions: (1) this device may not cause harmful interference, and (2) this device must accept any interference received, including interference that may cause undesired operation.


















