IAMS21X Iono Uno Module
User Guide
a general-purpose, professional input/output module based on a standard Arduino board
Be sure to always remove the power supply before installing or removing the Arduino board inside Iono Uno.
Iono Uno must be operated with both side covers installed.
Follow all applicable electrical safety standards, guidelines, specifications, and regulations for installation, wiring, and operations of Iono Uno modules.
Carefully and fully read this Iono Uno user guide before installation.
Iono Uno is not authorized for use in safety-critical applications where a failure of the product would reasonably be expected to cause personal injury or death. Safety-critical applications include, without limitation, life support devices, and systems, equipment, or systems for the operation of nuclear facilities and weapons systems. Iono Uno is neither designed nor intended for use in military or aerospace applications or environments and for automotive applications or environments. Customer acknowledges and agrees that NY such use of Iono Uno is solely at Customer’s risk and that Customer is solely responsible for compliance with all legal and regulatory requirements in connection with such use.
Sfera Labs S.r.l. may make changes to specifications and product descriptions at any time, without notice. The product information on the website or materials is subject to change without notice.
Please download and read the Sfera Labs Terms and Conditions document available at: http://www.sferalabs.cc
Iono and Sfera Labs are trademarks of Sfera Labs S.r.l. Other brands and names may be claimed as the property of others.
Copyright © 2015-2020 Sfera Labs S.r.l. All rights reserved.
Safety information
Carefully and fully read this user guide before installation and retain it for future reference.
Qualified personnel
The product described in this manual must be operated only by personnel qualified for the specific task and installation environment, in accordance with all relevant documentation and safety instructions. A qualified person should be capable of fully identifying all installation and operation risks and avoiding potential hazards when working with this product.
Hazard levels
This manual contains information you must observe to ensure your personal safety and prevent damage to property. Safety information in this manual are highlighted by the safety symbols below, graded according to the degree of danger.
Indicates a hazardous situation that, if not avoided, will result in death or serious personal injury.
Indicates a hazardous situation that, if not avoided, may result in death or serious personal injury.
Indicates a hazardous situation that, if not avoided, can result in minor or moderate personal injury.
Indicates a situation that, if not avoided, can result in damage of property.
Safety instructions
General safety instructions
Protect the unit against moisture, dirt, and any kind of damage during transport, storage, and operation. Do not operate the unit outside the specified technical data.
Never open the housing. If not otherwise specified, install in a closed housing (e.g. distribution cabinet). Earth the unit at the terminals provided, if existing, for this purpose.
Do not obstruct the cooling of the unit. Keep out of the reach of children.
Life-threatening voltages are present within and around an open control cabinet.
When installing this product in a control cabinet or any other areas where dangerous voltages are present, always switch off the power supply to the cabinet or equipment.
Risk of fire if not installed and operated properly.
Follow all applicable electrical safety standards, guidelines, specifications, and regulations for installation, wiring, and operations of this product.
Ensure that the product is properly installed and ventilated to prevent overheating.
The connection of expansion devices to this product may damage the product and other connected systems and may violate safety rules and regulations regarding radio interference and electromagnetic compatibility.
Use only appropriate tools when installing this product. Using excessive force with tools may damage the product, alter its characteristics or degrade its safety.
Introduction
Iono Uno combines the ease of use of the Arduino platform with multiple input and output interfaces; the result is a rugged, safe, reliable, and easy to connect module, suited for installation both in industrial and residential environments.
Features
The Iono Uno module’s key features are:
- 12÷24Vdc power supply
- compatible with 5.0V and 3.3V operating voltage Arduino boards with 1.0 pinout
- 4 multi-mode inputs: either to be used as digital or as 0÷10V or 0÷20mA analog signals
- 2 digital inputs for potential-free contacts
- 1 analog output 0÷10V controlled by PWM signal
- redundancy of common terminals for simplified wiring
- 6 power relay outputs rated for 12A at 250V, which can tolerate large peak currents (inrush current) up to 80A
- output relays with the bistable coil, to minimize the current consumption
- standard RS-485 interfaces to the Arduino serial pins with automatic TX/RX switching, and electrostatic discharge protection
- built-in slot for the installation of an Arduino Uno, Arduino Uno WiFi Rev 2, Arduino Ethernet, Arduino Leonardo, Arduino Leonardo Ethernet, Arduino Yún Rev 2, or Arduino Zero board
- removable terminal blocks for easier installation
- inputs protected against electrostatic discharges and temporary overvoltages
- reinforced internal insulation between high voltage areas (relay outputs) and all other components
- standard modular housing 9 units size, suitable for mounting on Omega rail.
Usage and connections
CONNECTION EXAMPLE
Device identification
The device can be identified with the information provided in the rating and identification plate, permanently attached to the side of the case.
www.sferalabs.cc
EXAMPLE RATING AND IDENTIFICATION PLATE
Power supply
Iono Uno can be powered with DC voltage only:
✓ DC: nominal voltage in the range 12V to 24V (MIN=11Vdc, MAX=30Vdc)
Respect the correct polarity shown in the schematic diagram (+ -). The power supply circuit implements reverse polarity protection using an auto-resetting fuse and surge protection up to ±500V/2ohms 1.2/50μs.
Multi-mode inputs
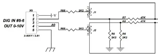
Iono Uno features 4 multi-mode inputs (1, 2, 3, 4). Depending on terminal block wiring, digital (ON-OFF), analog 0÷10V, or analog 0÷20mA signals can be applied.
Analog mode
When using analog inputs, 0÷10V and 0÷20mA are converted to 0÷3.3V levels in order to be compatible with the Arduino platform input pins. Both active and passive 0÷20mA (or 4÷20mA) transmitters can be connected, using the C+ terminal as power supply; the 0÷20mA transmitter shown in the schematic here below is a 2-wire passive type.
Digital mode
In digital mode, an external potential-free contact can be connected between terminals C+ and DI1-DI4; otherwise, the Dix terminal can be connected to an external voltage signal (in the range of 0÷40V) referred to as the GND of the Iono Uno module. Refer to the Technical specifications table for the voltage thresholds for high and low states.
DI5 and DI6 digital inputs
An external potential free contact can be connected between terminals C+ and DI5-DI6; otherwise, the DIx terminal can be connected to an external voltage signal (in the range of 0÷40V) referred to as the GND of the Iono Uno module. Refer to the Technical specifications table for the voltage thresholds for high and low states.
DI5 and DI6 are connected to the Arduino board through a protection network. If you need to bypass the protection network to use DI5 and DI6 as general-purpose input/output lines (e.g. for I2C, 1-Wire, or Wiegand communication), you can move jumpers J1 (DI6) and J2 (DI5) to the BYP position.

NOTICE
Note that, with the jumpers in the BYP position, you should limit the maximum voltage applied to DI5 or DI6 to the voltage levels accepted by the Arduino board installed in Iono Uno. Exceeding the Arduino voltage range will result in damage to the Arduino board and Iono Uno.
Analog output
Iono Uno features a 0÷10V output (AO1) which can be controlled by the PWM function of the Arduino platform; the 0÷100% duty cycle of PWM signal corresponds to a 0÷10V output voltage.
This is a sink/source output (the current direction at this output can be both positive and negative).
Relay digital outputs
Iono Uno features 6 power relay outputs that can withstand high inrush currents thanks to the special contact built.
These relays have bistable coils, which are powered only for the short time needed to move the contact from one position to the other one.
This guarantees very low total current consumption and low power dissipation resulting in lower self-heating. It also maintains ”mechanical memory” in case of module power supply failure.
A dedicated internal circuit manages the relay coils, matching the closed status of each relay to the high state of the related control pin of the Arduino platform.
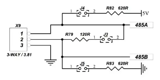
RS-485 serial port
Iono Uno uses the Arduino UART TX/RX pins to implement a standard RS-485 serial port.
Simply connect the RS-485 A, B, and GND to the RS-485 pins of the terminal block.
The RS-485 port is protected from ESD and voltage surges and supports half-duplex communication with automatic TX/RX switching from 1200 to 115200 bps.
The RS-485 TX/RX switching is implemented automatically in the Iono’s micro-controller, based on speed and number of bits detection, and is completely transparent to the
the software controlling the UART on Arduino.
The RS-485 line has 620 Ohm pull-up and pull-down resistors on lines A and B. The biasing resistors ensure that during idle periods the data lines are kept at a stable voltage level and prevent false triggering of receiver input. These resistors can be enabled by installing jumpers J4 and J5 respectively.
A 120 Ohm termination resistor between A and B can be enabled by installing jumper J3.
RS-485 JUMPERS SCHEMATIC
RS-485 JUMPERS POSITION
Mapping
The following table shows the mapping of the inputs and outputs of the Iono Uno module into the related pins of the Arduino platform.
| Iono Uno inputs and outputs | Arduino pins |
| DI1 – AV1 – AI1 | A0 |
| DI2 – AV2 – AI2 | A1 |
| DI3 – AV3 – AI3 | A2 |
| DI4 – AV4 – AI4 | A3 |
| DI5 | 2 |
| DI6 | 3 |
| DO1 | A4 |
| DO2 | A5 |
| DO3 | 5 |
| DO4 | 6 |
| DO5 | 7 |
| DO6 | 8 |
| AO1 | 9 |
| RS-485 | RX (0) / TX (1) |
Working with 5.0V and 3.3V boards
Iono Uno is compatible with both 5.0V and 3.3V operating voltage Arduino boards.
All digital I/O and the PWM-based analog output A01 work transparently with both 5.0V and 3.3V Arduino pins
The 0-10V and 0-20mA analog inputs are translated to a voltage range between 0 and 3.3V to the analog pins of the Arduino boards. If you are using a board with a 5.0V operating voltage, you will have to use the external voltage reference (AREF) for the Arduino analog to-digital converter. The Iono Uno board connects the Arduino AREF pin to 3.3V. If you are using an Arduino board in a way that is incompatible with the 3.3V voltage applied to AREF, you can move the J6 jumper to the “OPEN” position in order to leave the AREF pin unconnected.
AREF JUMPER POSITION
Hardware Installation
NOTICE
Before opening the Iono Uno case, disconnect all power sources and any connection to external devices.
NOTICE
Static electricity can damage the components in your system. To protect your system’s components from static damage during the installation process, touch any of the unpainted metal surfaces on your computer’s frame or wear an ESD wrist strap before handling internal components. Either method will safely discharge static electricity that’s naturally present in your body.
When handling the Arduino board, be sure to hold it along the side edges using your thumb and index finger. Avoid touching the components and pin connectors as damage can occur.
To install the Arduino board in the Iono Uno module or program some versions of Arduino (e.g. Arduino Ethernet) or to change the configuration of internal jumpers, you need to open the plastic DIN rail case by removing the two side covers, sliding them upwards.
REMOVING THE SIDE COVERS
The turrets next to the pins should fit in the corresponding holes on your board. You may want to remove the turrets if they don’t fit your board. It is up to you to determine if the mechanical coupling between Iono Uno and the Arduino board is appropriate for your application.

TURRETS INSTALLED ON THE IONO UNO BOARD
To install the Arduino board, first line up the connectors pins on both sides and also the Arduino board holes with the turrets heads. Visually confirm the alignment, then gently push down on both sides at the same time to lock the board firmly in place.
AN ARDUINO BOARD WITH PINS AND TURRETS PROPERLY ALIGNED
To remove the board, you should apply gentle pressure to separate the turret’s heads from the board. Be very careful to keep the Arduino board parallel to the Iono Uno board at all times, or you will bend the connection pins. You may consider cutting the turrets to simplify the removal of your Arduino board.
Iono Uno Software Development
Since Iono Uno is just a super-sized I/O shield for a standard Arduino, you don’t need any specific library to work on it.
Our libraries and examples, available with source code on GitHub, will provide you with some handy utilities to speed up your development, including functionalities to monitor the inputs (filtering out possible noise) and control the outputs, HTTP APIs, Modbus support, and much more.
Go to https://github.com/sfera-labs/iono/wiki to access the code and documentation.
Programming
Arduino Uno
The Arduino Uno board, when mounted into an Iono Uno module, must be programmed through the USB port.
Arduino Ethernet
The Arduino Ethernet board requires the “USB Serial Light Adapter” for programming, as shown below.
THE USB SERIAL ADAPTER
In order to access the programming connector inside the Iono Uno module, the cover placed on the same side of the power supply terminal block must be removed, gently sliding it outward, and giving access to the programming connector indicated by the red arrow. The yellow arrow indicates the reset button of the Arduino board.
USB ADAPTER CONNECTOR AND RESET BUTTON
Insert the USB Serial Adapter as shown below, with the components side facing down.
SERIAL ADAPTER CONNECTED TO THE ARDUINO BOARD
Connect the adapter to a PC and perform the programming as usual. This operation does not require the Iono Uno module to be connected to a power supply.
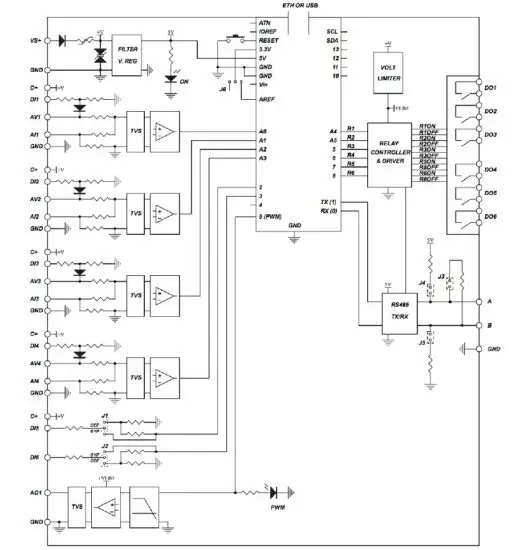
Block diagram
BLOCK DIAGRAM
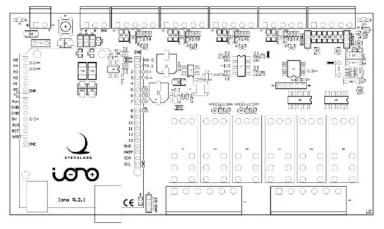
Board layout
BOARD LAYOUT
Technical specifications
| Power supply | 12…24V⎓ nom. (11…30V⎓ ) Reverse polarity and surge protection up to ±500V/2ohms 1.2/50μs using an auto-resetting fuse and diodes |
| Current consumption at VS+ 12V⎓ and unconnected inputs | 13mA w/o Arduino 35mA with Arduino Uno 95mA with Arduino Ethernet |
| Current consumption at VS+ 12V⎓ and digital inputs closed to C+ | 30mA w/o Arduino 55mA with Arduino Uno 115mA with Arduino Ethernet |
| Current consumption at VS+ 24V⎓ and unconnected inputs | 11mA w/o Arduino 22mA with Arduino Uno 52mA with Arduino Ethernet |
| Current consumption at VS+ 24V⎓ and digital inputs closed to C+ | 45mA w/o Arduino 56mA with Arduino Uno 86mA with Arduino Ethernet |
| Arduino platform compatibility | Uno, Uno WiFi Rev2, Ethernet, Zero, Leonardo, Leonardo Ethernet, Yún |
| Inputs | 4 multi-mode (digital or analog 0…10V or 4…20mA) 2 digital |
| Voltage range at digital inputs (1-6) | 0…40V⎓ |
| Current for each digital input (1-6) | 2,7mA at VS+ 12V⎓ 5,5mA at VS+ 24V⎓ |
| Voltage threshold digital inputs 1-4 (typ.) | VIH: 7.3V VIL: 6.5V |
| Voltage threshold digital inputs 5-6 (typ.) | VIH: 4.8V VIL: 4.7V |
| Impedance for analog 0…10V inputs (1-4) | 143kΩ |
| Impedance for analog 0…20mA inputs (1-4) | 165Ω |
| Conversion error for analog 0…10V inputs (1-4) | 2% of full scale |
| Conversion error for analog 0…20mA inputs (1-4) | 2% of full scale |
| Max cable length for digital inputs (1-6) | 30 meters |
| Max cable length for analog inputs (1-4) | 15 meters |
| Digital outputs | 6 power relays with bistable coil |
| MAX output contact rating (each output) | Resistive load (cos φ = 1): 12A at 250V~ (3000VA) Inductive load (cos φ = 0.5): 3.6A at 250V~ (900VA) Incandescent lamps: 8A at 250V~ (2000VA) Fluorescent lamps: 350W with 42uF MAX power factor correction capacitor Resistive load (DC): 12A at 24Vdc / 1A at 60Vdc |
| Analog output | 0…10V PWM controlled by Arduino PWM out max 10 mA source/sink current |
| The suggested minimum PWM frequency for analog output | 120 Hz |
| Duty cycle to voltage error for analog output | 2% of full scale |
| Communication ports | RS-485 half-duplex with automatic data direction management |
| Baud Rates on COMM ports | 1200 to 115200 |
| ESD-Protection Voltage on RS-485 A/B | ±15kV human body model ±8kV contact discharge |
| Surge protection on RS-485 A/B | Surge protection up to ±500V/2ohms 1.2/50μs; 600W peak pulse power capability at 10/1000μs waveform |
| Fail safe feature on RS-485 | Yes |
| Housing | standard 9M for DIN rail |
| Operating temperature | 0…+50 °C |
| Storage temperature | -20…+70 °C |
| Protection degree | IP20 |
| Weight | 275 g (Iono Uno) 295 g (Iono Uno + Arduino Uno) 300 g (Iono Uno + Arduino Ethernet) |
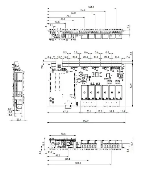
Dimensions


Disposal
(Waste Electrical & Electronic Equipment)
(Applicable in the European Union and other European countries with separate collection systems). This marking on the product, accessories, or literature indicates that the product should not be disposed of with other household waste at the end of their working life. To prevent possible harm to the environment or human health from uncontrolled waste disposal, please separate these items from other types of waste and recycle them responsibly to promote the sustainable reuse of material resources. Household users should contact either the retailer where they purchased this product, or their local government office, for details of where and how they can take these items for environmentally safe recycling. This product and its electronic accessories should not be mixed with other commercial wastes for disposal.
Installation and use restrictions
Standards and regulations
The design and the setting up of electrical systems must be performed according to the relevant standards, guidelines, specifications, and regulations of the relevant country. The installation, configuration, and programming of the devices must be carried out by trained personnel.
The installation and wiring of connected devices must be performed according to the recommendations of the manufacturers (reported on the specific data sheet of the product) and according to the applicable standards.
All the relevant safety regulations, e.g. accident prevention regulations, and law on technical work equipment, must also be observed.
Safety instructions
Carefully read the safety information section at the beginning of this document.
Set-up
For the first installation of the device proceed according to the following procedure:
- make sure all power supplies are disconnected
- install and wire the device according to the schematic diagrams on the specific data sheet of the product
- after completing the previous steps, switch on the 230 Vac supplying the power supply and the other related circuits.
Conformity Information
EU
This device complies with the essential requirements of the following directives and harmonized standards:
- 2014/35/EU (Low Voltage)
- 2014/30/EU (EMC)
- EN61000-6-2:2005 (EMC Immunity)
- EN60664-1:2007 (Electrical safety)
- EN61000-6-3:2007 (Emission for residential, commercial, and light-industrial environments)
- 2011/65/EU and 2015/863/EU (RoHS)
The declaration of conformity is available on the internet at: https://www.sferalabs.cc/



















