EVB-LAN7801
Ethernet Development System
User’s Guide
EVB-LAN7801 Ethernet Development System
Note the following details of the code protection feature on Microchip products:
- Microchip products meet the specifications contained in their particular Microchip Data Sheet.
- Microchip believes that its family of products is secure when used in the intended manner, within operating specifications, and under normal conditions.
- Microchip values and aggressively protects its intellectual property rights. Attempts to breach the code protection features of Microchip product is strictly prohibited and may violate the Digital Millennium Copyright Act.
- Neither Microchip nor any other semiconductor manufacturer can guarantee the security of its code. Code protection does not mean that we are guaranteeing the product is “unbreakable”. Code protection is constantly evolving. Microchip is committed to continuously improving the code protection features of our products.
This publication and the information herein may be used only with Microchip products, including to design, test, and integrate Microchip products with your application. Use of this information in any other manner violates these terms. Information regarding device applications is provided only for your convenience and may be superseded by updates. It is your responsibility to ensure that your application meets with your specifications. Contact your local Microchip sales office for additional support or, obtain additional support at https://www.microchip.com/en-us/support/designhelp/client-support-services.
THIS INFORMATION IS PROVIDED BY MICROCHIP “AS IS”. MICROCHIP MAKES NO REPRESENTATIONS OR WAR- RANTIES OF ANY KIND WHETHER EXPRESS OR IMPLIED, WRITTEN OR ORAL, STATUTORY OR OTHERWISE, RELATED TO THE INFORMATION INCLUDING BUT NOT LIMITED TO ANY IMPLIED WARRANTIES OF NON- INFRINGEMENT, MERCHANTABILITY, AND FITNESS FOR A PARTICULAR PURPOSE, OR WARRANTIES RELATED TO ITS CONDITION, QUALITY, OR PERFORMANCE.
IN NO EVENT WILL MICROCHIP BE LIABLE FOR ANY INDI- RECT, SPECIAL, PUNITIVE, INCIDENTAL, OR CONSEQUENTIAL LOSS, DAMAGE, COST, OR EXPENSE OF ANY KIND WHATSOEVER RELATED TO THE INFORMATION OR ITS USE, HOWEVER CAUSED, EVEN IF MICROCHIP HAS BEEN ADVISED OF THE POSSIBILITY OR THE DAMAGES ARE FORESEEABLE. TO THE FULLEST EXTENT ALLOWED BY LAW, MICROCHIP’S TOTAL LIABILITY ON ALL CLAIMS IN ANY WAY RELATED TO THE INFORMATION OR ITS USE WILL NOT EXCEED THE AMOUNT OF FEES, IF ANY, THAT YOU HAVE PAID DIRECTLY TO MICROCHIP FOR THE INFORMATION.
Use of Microchip devices in life support and/or safety applications is entirely at the buyer’s risk, and the buyer agrees to defend, indemnify and hold harmless Microchip from any and all damages, claims, suits, or expenses resulting from such use. No licenses are conveyed, implicitly or otherwise, under any Microchip intellectual property rights unless otherwise stated.
Trademarks
The Microchip name and logo, the Microchip logo, Adaptec, AnyRate, AVR, AVR logo, AVR Freaks, BesTime, BitCloud, CryptoMemory, CryptoRF, dsPIC, flexPWR, HELDO, IGLOO, JukeBlox, KeeLoq, Kleer, LANCheck, LinkMD, maXStylus, maXTouch, MediaLB, megaAVR, Microsemi, Microsemi logo, MOST, MOST logo, MPLAB, OptoLyzer, PIC, picoPower, PICSTART, PIC32 logo, PolarFire, Prochip Designer, QTouch, SAM-BA, SenGenuity, SpyNIC, SST, SST Logo, SuperFlash, Symmetricom, SyncServer, Tachyon, TimeSource, tinyAVR, UNI/O, Vectron, and XMEGA are registered trademarks of Microchip Technology Incorporated in the U.S.A. and other countries.
AgileSwitch, APT, ClockWorks, The Embedded Control Solutions Company, EtherSynch, Flashtec, Hyper Speed Control, HyperLight Load, IntelliMOS, Libero, motorBench, mTouch, Powermite 3, Precision Edge, ProASIC, ProASIC Plus, ProASIC Plus logo, Quiet- Wire, SmartFusion, SyncWorld, Temux, TimeCesium, TimeHub, TimePictra, TimeProvider, TrueTime, WinPath, and ZL are registered trademarks of Microchip Technology Incorporated in the U.S.A.
Adjacent Key Suppression, AKS, Analog-for-the-Digital Age, Any Capacitor, AnyIn, AnyOut, Augmented Switching, BlueSky, BodyCom, CodeGuard, CryptoAuthentication, CryptoAutomotive, CryptoCompanion, CryptoController, dsPICDEM, dsPICDEM.net, Dynamic Average Matching, DAM, ECAN, Espresso T1S, EtherGREEN, GridTime, IdealBridge, In-Circuit Serial Programming, ICSP, INICnet, Intelligent Paralleling, Inter-Chip Connectivity, JitterBlocker, Knob-on-Display, maxCrypto, maxView, memBrain, Mindi, MiWi, MPASM, MPF, MPLAB Certified logo, MPLIB, MPLINK, MultiTRAK, NetDetach, NVM Express, NVMe, Omniscient Code Generation, PICDEM, PICDEM.net, PICkit, PICtail, PowerSmart, PureSilicon, QMatrix, REAL ICE, Ripple Blocker, RTAX, RTG4, SAM-ICE, Serial Quad I/O, simpleMAP, SimpliPHY, SmartBuffer, SmartHLS, SMART-I.S., storClad, SQI, SuperSwitcher, SuperSwitcher II, Switchtec, SynchroPHY, Total Endurance, TSHARC, USBCheck, VariSense, VectorBlox, VeriPHY, ViewSpan, WiperLock, XpressConnect, and ZENA are trademarks of Microchip Technology Incorporated in the U.S.A. and other countries.
SQTP is a service mark of Microchip Technology Incorporated in the U.S.A.
The Adaptec logo, Frequency on Demand, Silicon Storage Technology, Symmcom, and Trusted Time are registered trademarks of Microchip Technology Inc. in other countries.
GestIC is a registered trademark of Microchip Technology Germany II GmbH & Co. KG, a subsidiary of Microchip Technology Inc., in other countries.
All other trademarks mentioned herein are property of their respective companies.
© 2021, Microchip Technology Incorporated and its subsidiaries.
All Rights Reserved.
ISBN: 978-1-5224-9352-5
For information regarding Microchip’s Quality Management Systems, please visit www.microchip.com/quality.
NOTES: .
Preface
NOTICE TO CUSTOMERS
All documentation becomes dated, and this manual is no exception. Microchip tools and documentation are constantly evolving to meet customer needs, so some actual dialogs and/or tool descriptions may differ from those in this document. Please refer to our web site (www.microchip.com) to obtain the latest documentation available.
Documents are identified with a “DS” number. This number is located on the bottom of each page, in front of the page number. The numbering convention for the DS number is “DSXXXXXA”, where “XXXXX” is the document number and “A” is the revision level of the document.
For the most up-to-date information on development tools, see the MPLAB® IDE online help.
Select the Help menu, and then Topics to open a list of available online help files.
INTRODUCTION
This chapter contains general information that will be useful to know before using the Microchip EVB-LAN7801-EDS (Ethernet Development System). Items discussed in this chapter include:
- Document Layout
- Conventions Used in this Guide
- Warranty Registration
- The Microchip Website
- Development Systems Customer Change Notification Service
- Customer Support
- Document Revision History
DOCUMENT LAYOUT
This document features the EVB-LAN7801-EDS as a development tool for Microchip LAN7801 in its Ethernet development system. The manual layout is as follows:
- Chapter 1. “Overview” – This chapter shows a brief description of the EVB-LAN7801-EDS.
- Chapter 2. “Board Details and Configuration” – This chapter includes details and instructions for using the EVB-LAN7801-EDS.
- Appendix A. “EVB-LAN7801-EDS Evaluation Board”– This appendix shows the EVB-LAN7801-EDS evaluation board image.
- Appendix B. “Schematics” – This appendix shows the EVB-LAN7801-EDS schematic diagrams.
- Appendix C. “Bill of Materials”– This appendix includes the EVB-LAN7801-EDS Bill of Materials.
CONVENTIONS USED IN THIS GUIDE
This manual uses the following documentation conventions:
DOCUMENTATION CONVENTIONS
| Description | Represents | Examples |
| Arial font: | ||
| Italic characters | Referenced books | MPLAB® IDE User’s Guide |
| Emphasized text | …is the only compiler… | |
| Initial caps | A window | the Output window |
| A dialog | the Settings dialog | |
| A menu selection | select Enable Programmer | |
| Quotes | A field name in a window or dialog | “Save project before build” |
| Underlined, italic text with right angle bracket | A menu path | File>Save |
| Bold characters | A dialog button | Click OK |
| A tab | Click the Power tab | |
| N‘Rnnnn | A number in verilog format, where N is the total number of digits, R is the radix and n is a digit. | 4‘b0010, 2‘hF1 |
| Text in angle brackets < > | A key on the keyboard | Press <Enter>, <F1> |
| Courier New font: | ||
| Plain Courier New | Sample source code | #define START |
| Filenames | autoexec.bat | |
| File paths | c:\mcc18\h | |
| Keywords | _asm, _endasm, static | |
| Command-line options | -Opa+, -Opa- | |
| Bit values | 0, 1 | |
| Constants | 0xFF, ‘A’ | |
| Italic Courier New | A variable argument | file.o, where file can be any valid filename |
| Square brackets [ ] | Optional arguments | mcc18 [options] file [options] |
| Curly brackets and pipe character: { | } | Choice of mutually exclusive arguments; an OR selection | errorlevel {0|1} |
| Ellipses… | Replaces repeated text | var_name [, var_name…] |
| Represents code supplied by user | void main (void) { … } | |
WARRANTY REGISTRATION
Please complete the enclosed Warranty Registration Card and mail it promptly. Sending the Warranty Registration Card entitles users to receive new product updates. Interim software releases are available at the Microchip website.
THE MICROCHIP WEBSITE
Microchip provides online support via our website at www.microchip.com. This website is used as a means to make files and information easily available to customers. Accessible by using your favorite Internet browser, the website contains the following information:
- Product Support – Data sheets and errata, application notes and sample programs, design resources, user’s guides and hardware support documents, latest software releases and archived software
- General Technical Support – Frequently Asked Questions (FAQs), technical support requests, online discussion groups, Microchip consultant program member listing
- Business of Microchip – Product selector and ordering guides, latest Microchip press releases, listing of seminars and events, listings of Microchip sales offices, distributors and factory representatives
DEVELOPMENT SYSTEMS CUSTOMER CHANGE NOTIFICATION SERVICE
Microchip’s customer notification service helps keep customers current on Microchip products. Subscribers will receive e-mail notification whenever there are changes, updates, revisions, or errata related to a specified product family or development tool of interest.
To register, access the Microchip web site at www.microchip.com, click on Customer
Change Notification and follow the registration instructions.
The Development Systems product group categories are:
- Compilers – The latest information on Microchip C compilers, assemblers, linkers
and other language tools. These include all MPLABCC compilers; all MPLAB™ assemblers (including MPASM™ assembler); all MPLAB linkers (including MPLINK™ object linker); and all MPLAB librarians (including MPLIB™ object
librarian). - Emulators – The latest information on Microchip in-circuit emulators. This includes the MPLAB™ REAL ICE and MPLAB ICE 2000 in-circuit emulators.
- In-Circuit Debuggers – The latest information on the Microchip in-circuit debuggers. This includes MPLAB ICD 3 in-circuit debuggers and PICkit™ 3 debug express.
- MPLAB® IDE – The latest information on Microchip MPLAB IDE, the Windows Integrated Development Environment for development systems tools. This list is focused on the MPLAB IDE, MPLAB IDE Project Manager, MPLAB Editor and MPLAB SIM simulator, as well as general editing and debugging features.
- Programmers – The latest information on Microchip programmers. These include production programmers such as MPLAB® REAL ICE in-circuit emulator, MPLAB ICD 3 in-circuit debugger and MPLAB PM3 device programmers. Also included are non-production development programmers such as PICSTART Plus and PICkit™ 2 and 3.
CUSTOMER SUPPORT
Users of Microchip products can receive assistance through several channels:
- Distributor or Representative
- Local Sales Office
- Field Application Engineer (FAE)
- Technical Support
Customers should contact their distributor, representative or field application engineer (FAE) for support. Local sales offices are also available to help customers. A listing of sales offices and locations is included in the back of this document.
Technical support is available through the web site at: http://www.microchip.com/support
DOCUMENT REVISION HISTORY
| Revisions | Section/Figure/Entry | Correction |
| DS50003225A (11-22-21) | Initial release | |
Overview
1.1 INTRODUCTION
The EVB-LAN7801 Ethernet Development System is a USB Bridge-based platform for evaluating Ethernet switch and PHY products. Compatible switch and PHY evaluation boards connect to the EDS board via an RGMII connector. These daughter boards are available separately. The EDS board is not intended for stand-alone use and has no Ethernet capabilities when no daughter board is connected. See Figure 1-1. The board is built around a LAN7801 Super Speed USB3 Gen1 to 10/100/1000 Ethernet Bridge.
The bridge device has support for external switch and PHY devices via RGMII. In addition, there are configuration jumpers to evaluate different power schemes, as well as the MIIM and GPIO options of the LAN7801. The EVB-LAN7801-EDS board comes with an EEPROM preloaded with firmware to support the EVB-KSZ9131RNX evaluation board out of the box. Users can access registers and configure for a different daughter board by using the MPLAB® Connect Con-figurator tool. The EEPROM bin files and the configurator are available for download on the product page of this board. Users may modify bin files for their needs.
1.2 BLOCK DIAGRAM
Refer to Figure 1-1 for the EVB-LAN7801-EDS Block Diagram.

1.3 REFERENCES
Concepts and materials available in the following document may be helpful when reading this user’s guide. Visit www.microchip.com for the latest documentation.
- LAN7801 SuperSpeed USB 3.1 Gen 1 to 10/100/1000 Data Sheet
1.4 TERMS AND ABBREVIATIONS
- EVB – Evaluation Board
- MII – Media Independent Interface
- MIIM – Media Independent Interface Management (also known as MDIO/MDC)
- RGMII – Reduced Gigabit Media Independent Interface
- I² C – Inter Integrated Circuit
- SPI – Serial Protocol Interface
- PHY – Physical Transceiver
Board Details and Configuration
2.1 INTRODUCTION
This chapter describes the power, Reset, clock, and configuration details of the EVB-LAN7801 Ethernet Development System.
2.2 POWER
2.2.1 VBUS Power
The evaluation board can be powered by the connected host via the USB cable. The appropriate jumpers must be set to VBUS SEL. (See Section 2.5 “Configuration” for details.) In this mode, operation is limited to 500 mA for USB 2.0 and 900 mA for USB 3.1 by the USB host. (See LAN7801 Data Sheet for more details). In most cases, this will be sufficient for operation even with attached daughter boards.
2.2.2 +12V Power
A 12V/2A power supply may be connected to J14 on the board. The F1 fuse is provided on the board for overvoltage protection. The appropriate jumpers must be set to BARREL JACK SEL. (See Section 2.5 “Configuration” for details.) The SW2 switch must be in the ON position to power the board.
2.3 RESETS
2.3.1 SW1
The SW1 push button can be used to reset the LAN7801. If a jumper is installed at J4, SW1 will also reset the connected daughter board.
2.3.2 PHY_RESET_N
The LAN7801 can reset the daughter board via the PHY_RESET_N line.
2.4 CLOCK
2.4.1 External Crystal
The evaluation board utilizes an external crystal, which provides the 25 MHz clock to the LAN7801.
2.4.2 125 MHz Reference Input
By default, the CLK125 line on the LAN7801 is tied to ground as there is no 125 MHz reference on board to operate from. To test this functionality and for the connected daughter board to supply a 125 MHz reference, remove R8 and populate R29 with a 0 ohm resistor.
2.4.3 25 MHz Reference Output
The LAN7801 outputs a 25 MHz reference to the daughter board. To use this reference for a different off-board device, the RF connector at J8 can be populated.
2.5 CONFIGURATION
This section describes the different board features and configuration settings of the EVB-LAN7801 Ethernet Development System.
A top view of the EVB-LAN7801-EDS is shown in Figure 2-1.

2.5.1 Jumper Settings
Table 2-1, Table 2-2, Table 2-3, Table 2-4, and Table 2-5 describe the jumper settings.
The recommended initial configuration is indicated by the term, “(default),” listed in the tables.
TABLE 2-1: INDIVIDUAL TWO-PIN JUMPERS
| Jumper | Label | Description | Open | Closed |
| J1 | EEPROM CS | Enables external EEPROM for LAN7801 | Disabled | Enabled (Default) |
| J4 | Reset | Enables SW1 Reset button to reset daughter board device | Disabled | Enabled (Default) |
TABLE 2-2: RGMII POWER SELECT JUMPERS
| Jumper | Label | Description | Open | Closed |
| J9 | 12V | Enables 12V to be passed to the daughter board | Disabled (Default) | Enabled |
| J10 | 5V | Enables 5V to be passed to the daughter board | Disabled (Default) | Enabled |
| J11 | 3V3 | Enables 3.3V to be passed to the daughter board | Disabled | Enabled (Default) |
Note 1: Check which voltages your connected daughter board needs to operate and connect accordingly.
TABLE 2-2: RGMII POWER SELECT JUMPERS
| Jumper | Label | Description | Open | Closed |
| J12 | 2V5 | Enables 2.5V to be passed to the daughter board | Disabled (Default) | Enabled |
Note 1: Check which voltages your connected daughter board needs to operate and connect accordingly.
TABLE 2-3: INDIVIDUAL THREE-PIN JUMPERS
| Jumper | Label | Description | Jumper 1-2 | Jumper 2-3 | Open |
| J3 | PME Mode Sel | PME mode pull-up/ pull-down selection | 10K Pull-down | 10K Pull-up | No Resistor (Default) |
Note 1: PME_Mode pin can be accessed from GPIO5.
TABLE 2-4: VARIO SELECT SIX-PIN JUMPER
| Jumper | Label | Description | Jumper 1-2 “1V8” | Jumper 3-4 “2V5” | Jumper 5-6 “Default 3V3” |
| J18 | VARIO Sel | Selects the VARIO level for the board and daughter board | 1.8V VARIO voltage | 2.5V VARIO voltage | 3.3V VARIO voltage (Default) |
Note 1: Only one VARIO voltage can be selected at a time.
TABLE 2-5: BUS/SELF-POWER SELECT JUMPERS
| Jumper | Label | Description | Jumper 1-2* | Jumper 2-3* |
| J6 | VBUS Det Sel | Determines source for LAN7801 VBUS_- DET pin | Bus-Powered mode | Self-Powered mode (Default) |
| J7 | 5V Pwr Sel | Determines source for board 5V power rail | Bus-Powered mode | Self-Powered mode (Default) |
| J17 | 3V3 EN Sel | Determines the source for the 3V3 regulator enable pin | Bus-Powered mode | Self-Powered mode (Default) |
Note 1: Jumper settings between J6, J7, and J17 should always match.
2.6 USING THE EVB-LAN7801-EDS
The EVB-LAN7801-EDS evaluation board is connected to the PC through a USB cable. The LAN7801 device supports Windows® and Linux® operating system. The drivers are provided on the LAN7801 device’s product page for both operating systems.
A ‘readme’ file that describes the driver installation process in detail is also provided with the drivers. For example, once the drivers are installed correctly for Windows 10, the board can be detected in the Device Manager as shown in Figure 2-2.

The EVB-LAN7801-EDS can be used to evaluate the LAN7801 USB Ethernet Bridge alongside various other Microchip PHY and switch devices.
For example, with the EVB-KSZ9131RNX evaluation board installed, the EVB can be tested as a simple bridge device by connecting the USB port to the PC and Network cable to the daughter board. Using the network cable, the PC can be connected to a network to perform a ping test.
EVB-LAN7801-EDS Evaluation Board
A.1 INTRODUCTION
This appendix shows the top view of the EVB-LAN7801-EDS evaluation board.

NOTES:
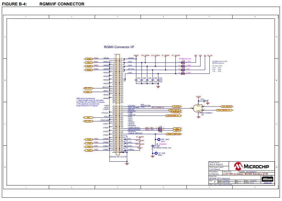
Schematics
B.1 INTRODUCTION
This appendix shows the EVB-LAN7801-EDS schematics.





Bill of Materials
C.1 INTRODUCTION
This appendix contains the EVB-LAN7801-EDS evaluation board Bill of Materials (BOM).
TABLE C-1:BILL OF MATERIALS
| Item | Qty | Reference | Description | Populated | Manufacturer | Manufacturer Part Number |
| 1 | 1 | C1 | CAP CER 0.1 μF 25V 10% X7R SMD 0603 | Yes | Murata | GRM188R71E104KA01D |
| 2 | 31 | C2, C3, C5, C8, C9, C11, C12, C13, C15, C17, C19, C22, C23, C24, C25, C26, C27, C28, C29, C30, C31, C47, C48, C51, C54, C62, C64, C65, C67, C74, C75 | CAP CER 0.1 μF 50V 10% X7R SMD 0402 | Yes | TDK | C1005X7R1H104K050BB |
| 3 | 2 | C4, C10 | CAP CER 2.2 μF 6.3V 10% X7R SMD 0603 | Yes | TDK | C1608X7R0J225K080AB |
| 4 | 3 | C6, C7, C63 | CAP CER 15 pF 50V 5% NP0 SMD 0402 | Yes | Murata | GRM1555C1H150JA01D |
| 5 | 3 | C14, C16, C18 | CAP CER 1 μF 35V 10% X5R SMD 0402 | Yes | Murata | GRM155R6YA105KE11D |
| 6 | 1 | C20 | CAP CER 22 μF 10V 20% X5R SMD 0805 | Yes | Taiyo Yuden | LMK212BJ226MGT |
| 7 | 1 | C21 | CAP CER 4.7 μF 6.3V 20% X5R SMD 0603 | Yes | Panasonic | ECJ-1VB0J475M |
| 8 | 2 | C32, C66 | CAP CER 10 μF 25V 20% X5R SMD 0603 | Yes | Murata | GRM188R61E106MA73D |
| 9 | 8 | C33, C34, C35, C44, C46, C55, C56, C61 | CAP CER 4.7 μF 6.3V 20% X5R SMD 0402 | Yes | Murata | GRM155R60J475ME47D |
| 10 | 4 | C36, C57, C58, C59 | CAP CER 10 μF 6.3V 20% X5R SMD 0603 | Yes | Kyocera AVX | 06036D106MAT2A |
| 11 | 1 | C52 | CAP CER 10000 pF 16V 10% X7R SMD 0402 | Yes | KEMET | C0402C103K4RACTU |
| 12 | 1 | C53 | CAP CER 1 μF 16V 10% X5R SMD 0402 | Yes | TDK | C1005X5R1C105K050BC |
| 13 | 1 | C60 | CAP CER 33 pF 50V 5% NP0 SMD 0402 | Yes | Murata | GRM1555C1H330JA01D |
| 14 | 1 | C68 | CAP CER 2200 pF 25V 5% C0G SMD 0402 | Yes | KEMET | C0402C222J3GACTU |
| 15 | 2 | C69, C70 | CAP CER 47 μF 10V 20% X5R SMD 1206 | DNP | KEMET | C1206C476M8PACTU |
| 16 | 1 | C71 | CAP ALU 120 μF 20V 20% SMD C6 | DNP | Panasonic | 20SVPF120M |
| 17 | 2 | C72, C73 | CAP CER 47 μF 10V 20% X5R SMD 1206 | Yes | KEMET | C1206C476M8PACTU |
| 18 | 1 | C76 | CAP CER 0.1 μF 50V 10% X7R SMD 0402 | DNP | TDK | C1005X7R1H104K050BB |
| 19 | 8 | D1, D2, D3, D4, D5, D6, D7, D9 | DIO LED GREEN 2V 30 mA 35 mcd Clear SMD 0603 | Yes | Vishay Lite-On | LTST-C191KGKT |
| 20 | 1 | D8 | DIO RECT MMBD914-7-F 1.25V 200 mA 75V SMD SOT-23-3 | Yes | Diodes | MMBD914-7-F |
| 21 | 1 | F1 | RES FUSE 4A 125 VAC/VDC FAST SMD 2-SMD | Yes | Littelfuse | 0154004.DR |
| 22 | 1 | FB1 | FERRITE 220R@100 MHz 2A SMD 0603 | Yes | Murata | BLM18EG221SN1D |
| 23 | 1 | FB3 | FERRITE 500 mA 220R SMD 0603 | Yes | Murata | BLM18AG221SN1D |
| 24 | 8 | J1, J4, J9, J10, J11, J12, J15, J16 | CON HDR-2.54 Male 1×2 AU 5.84 MH TH VERT | Yes | Samtec | TSW-102-07-G-S |
| 25 | 1 | J2 | CON HDR-2.54 Male 1×8 Gold 5.84 MH TH | Yes | AMPHENOL ICC (FCI) | 68001-108HLF |
| 26 | 4 | J3, J6, J7, J17 | CON HDR-2.54 Male 1×3 AU 5.84 MH TH VERT | Yes | Samtec | TSW-103-07-G-S |
| 27 | 1 | J5 | CON USB3.0 STD B Female TH R/A | Yes | Wurth Electronics | 692221030100 |
| 28 | 1 | J8 | CON RF Coaxial MMCX Female 2P TH VERT | DNP | Bel Johnson | 135-3701-211 |
TABLE C-1:BILL OF MATERIALS (CONTINUED)
| 29 | 1 | J13 | CON STRIP High Speed Stacker 6.36mm Female 2×50 SMD VERT | Yes | Samtec | QSS-050-01-L-D-A-GP |
| 30 | 1 | J14 | CON JACK Power Barrel Black Male TH RA | Yes | CUI Inc. | PJ-002BH |
| 31 | 1 | J18 | CON HDR-2.54 Male 2×3 Gold 5.84 MH TH VERT | Yes | Samtec | TSW-103-08-L-D |
| 32 | 1 | L1 | INDUCTOR 3.3 μH 1.6A 20% SMD ME3220 | Yes | Coilcraft | ME3220-332MLB |
| 33 | 1 | L3 | INDUCTOR 470 nH 4.5A 20% SMD 1008 | Yes | ICE Components | IPC-2520AB-R47-M |
| 34 | 1 | LABEL1 | LABEL, ASSY w/Rev Level (small modules) Per MTS-0002 | MECH | — | — |
| 35 | 4 | PAD1, PAD2, PAD3, PAD4 | MECH HW Rubber Pad Cylindrical D7.9 H5.3 Black | MECH | 3M | 70006431483 |
| 36 | 7 | R1, R2, R5, R7, R11, R25, R27 | RES TKF 10k 5% 1/10W SMD 0603 | Yes | Panasonic | ERJ-3GEYJ103V |
| 37 | 1 | R3 | RES TKF 1k 5% 1/10W SMD 0603 | Yes | Panasonic | ERJ-3GEYJ102V |
| 38 | 8 | R4, R9, R28, R35, R36, R44, R46, R59 | RES TKF 1k 1% 1/10W SMD 0603 | Yes | Panasonic | ERJ3EKF1001V |
| 39 | 1 | R6 | RES TKF 2k 1% 1/10W SMD 0603 | Yes | Panasonic | ERJ-3EKF2001V |
| 40 | 5 | R8, R13, R22, R53, R61 | RES TKF 0R 1/10W SMD 0603 | Yes | Panasonic | ERJ-3GEY0R00V |
| 41 | 2 | R10, R55 | RES TKF 100k 1% 1/10W SMD 0603 | Yes | Vishay | CRCW0603100KFKEA |
| 42 | 1 | R12 | RES MF 330R 5% 1/16W SMD 0603 | Yes | Panasonic | ERA-V33J331V |
| 43 | 7 | R14, R15, R16, R17, R18, R19, R21 | RES TKF 22R 1% 1/20W SMD 0402 | Yes | Panasonic | ERJ-2RKF22R0X |
| 44 | 1 | R20 | RES TKF 12k 1% 1/10W SMD 0603 | Yes | Yageo | RC0603FR-0712KL |
| 45 | 1 | R23 | RES TKF 10k 5% 1/10W SMD 0603 | DNP | Panasonic | ERJ-3GEYJ103V |
| 46 | 1 | R24 | RES TKF 40.2k 1% 1/16W SMD 0603 | Yes | Panasonic | ERJ-3EKF4022V |
| 47 | 1 | R26 | RES TKF 20k 5% 1/10W SMD 0603 | Yes | Panasonic | ERJ-3GEYJ203V |
| 48 | 2 | R29, R52 | RES TKF 0R 1/10W SMD 0603 | DNP | Panasonic | ERJ-3GEY0R00V |
| 49 | 3 | R31, R40, R62 | RES TKF 20k 1% 1/10W SMD 0603 | Yes | Panasonic | ERJ3EKF2002V |
| 50 | 5 | R33, R42, R49, R57, R58 | RES TKF 10k 1% 1/10W SMD 0603 | Yes | Panasonic | ERJ-3EKF1002V |
| 51 | 1 | R34 | RES TKF 68k 1% 1/10W SMD 0603 | Yes | Stackpole Electronics | RMCF0603FT68K0 |
| 52 | 1 | R41 | RES TKF 107k 1% 1/10W SMD 0603 | Yes | Panasonic | ERJ-3EKF1073V |
| 53 | 1 | R43 | RES TKF 102k 1/10W 1% SMD 0603 | Yes | Stackpole Electronics | RMCF0603FT102K |
| 54 | 1 | R45 | RES TKF 464k 1% 1/10W SMD 0603 | Yes | Panasonic | ERJ-3EKF4643V |
| 55 | 1 | R47 | RES TKF 10k 1% 1/10W SMD 0603 | DNP | Panasonic | ERJ-3EKF1002V |
| 56 | 1 | R48 | RES TKF 10R 1% 1/10W SMD 0603 | Yes | Stackpole Electronics | RMCF0603FT10R0 |
| 57 | 1 | R50 | RES TKF 1.37k 1% 1/10W SMD 0603 | Yes | Yageo | RC0603FR-071K37L |
| 58 | 1 | R51 | RES TKF 510k 1% 1/10W SMD 0603 | Yes | Panasonic | ERJ-3EKF5103V |
| 59 | 1 | R54 | RES TKF 1.91k 1% 1/10W SMD 0603 | Yes | Panasonic | ERJ-3EKF1911V |
| 60 | 1 | R56 | RES TKF 22R 1% 1/10W SMD 0603 | Yes | Yageo | RC0603FR-0722RL |
| 61 | 1 | R60 | RES TKF 2.2k 1% 1/10W SMD 0603 | Yes | Panasonic | ERJ-3EKF2201V |
TABLE C-1:BILL OF MATERIALS (CONTINUED)
| 62 | 1 | SW1 | SWITCH TACT SPST-NO 16V 0.05A PTS810 SMD | Yes | ITT C&K | PTS810SJM250SMTRLFS |
| 63 | 1 | SW2 | SWITCH SLIDE SPDT 120V 6A 1101M2S3CQE2 TH | Yes | ITT C&K | 1101M2S3CQE2 |
| 64 | 1 | TP1 | MISC, TEST POINT MULTI PURPOSE MINI BLACK | DNP | Terminal | 5001 |
| 65 | 1 | TP2 | MISC, TEST POINT MULTI PURPOSE MINI WHITE | DNP | Keystone Electronics | 5002 |
| 66 | 1 | U1 | MCHP MEMORY SERIAL EEPROM 4k Microwire 93AA66C-I/SN SOIC-8 | Yes | Microchip | 93AA66C-I/SN |
| 67 | 3 | U2, U4, U7 | 74LVC1G14GW,125 SCHMITT-TRG INVERTER | Yes | Philips | 74LVC1G14GW,125 |
| 68 | 1 | U3 | MCHP INTERFACE ETHERNET LAN7801-I/9JX QFN-64 | Yes | Microchip | LAN7801T-I/9JX |
| 69 | 1 | U5 | IC LOGIC 74AHC1G08SE-7 SC-70-5 | Yes | Diodes | 74AHC1G08SE-7 |
| 70 | 1 | U6 | IC LOGIC 74AUP1T04 SINGLE SCHMITT TRIGGER INVERTER SOT-553 | Yes | Nexperia USA Inc. | 74AUP1T04GWH |
| 71 | 2 | U8, U10 | MCHP ANALOG LDO ADJ MCP1826T-ADJE/DC SOT-223-5 | Yes | Microchip | MCP1826T-ADJE/DC |
| 72 | 1 | U11 | MCHP ANALOG SWITCHER ADJ MIC23303YML DFN-12 | Yes | Microchip | MIC23303YML-T5 |
| 73 | 1 | U12 | MCHP ANALOG SWITCHER Buck 0.8-5.5V MIC45205-1YMP-T1 QFN-52 | Yes | Microchip | MIC45205-1YMPT1 |
| 74 | 1 | Y1 | CRYSTAL 25MHz 10pF SMD ABM8G | Yes | Abracon | ABM8G-25.000MHZ-B4Y-T |
Worldwide Sales and Service
| AMERICAS Corporate Office 2355 West Chandler BlvdChandler, AZ 85224-6199 Tel: 480-792-7200 Fax: 480-792-7277 Technical Support: http://www.microchip.comsupport Web Address: www.microchip.com Atlanta Duluth, GA Tel: 678-957-9614 Fax: 678-957-1455 Austin, TX Tel: 512-257-3370 Boston Westborough, MA Tel: 774-760-0087 Fax: 774-760-0088 Chicago Itasca, IL Tel: 630-285-0071 Fax: 630-285-0075 Dallas Addison, TX Tel: 972-818-7423 Fax: 972-818-2924 Detroit Novi, MI Tel: 248-848-4000 Houston, TX Tel: 281-894-5983 Indianapolis Noblesville, IN Tel: 317-773-8323 Fax: 317-773-5453 Tel: 317-536-2380 Los Angeles Mission Viejo, CA Tel: 949-462-9523 Fax: 949-462-9608 Tel: 951-273-7800 Raleigh, NC Tel: 919-844-7510 New York, NY Tel: 631-435-6000 San Jose, CA Tel: 408-735-9110 Tel: 408-436-4270 Canada – Toronto Tel: 905-695-1980 Fax: 905-695-2078 | ASIA/PACIFIC Australia – Sydney Tel: 61-2-9868-6733 China – Beijing Tel: 86-10-8569-7000 China – Chengdu Tel: 86-28-8665-5511 China – Chongqing Tel: 86-23-8980-9588 China – Dongguan Tel: 86-769-8702-9880 China – Guangzhou Tel: 86-20-8755-8029 China – Hangzhou Tel: 86-571-8792-8115 China – Hong Kong SATel: 852-2943-5100 China – Nanjing Tel: 86-25-8473-2460 China – Qingdao Tel: 86-532-8502-7355 China – Shanghai Tel: 86-21-3326-8000 China – Shenyang Tel: 86-24-2334-2829 China – Shenzhen Tel: 86-755-8864-2200 China – Suzhou Tel: 86-186-6233-1526 China – Wuhan Tel: 86-27-5980-5300 China – Xian Tel: 86-29-8833-7252 China – Xiamen Tel: 86-592-2388138 China – Zhuhai Tel: 86-756-3210040 | ASIA/PACIFIC India – Bangalore Tel: 91-80-3090-4444 India – New Delhi Tel: 91-11-4160-8631 India – Pune Tel: 91-20-4121-0141 Japan – Osaka Tel: 81-6-6152-7160 Japan – Tokyo Tel: 81-3-6880- 3770 Korea – Daegu Tel: 82-53-744-4301 Korea – Seoul Tel: 82-2-554-7200 Malaysia – Kuala LumpuTel: 60-3-7651-7906 Malaysia – Penang Tel: 60-4-227-8870 Philippines – Manila Tel: 63-2-634-9065 Singapore Tel: 65-6334-8870 Taiwan – Hsin Chu Tel: 886-3-577-8366 Taiwan – Kaohsiung Tel: 886-7-213-7830 Taiwan – Taipei Tel: 886-2-2508-8600 Thailand – Bangkok Tel: 66-2-694-1351 Vietnam – Ho Chi Minh Tel: 84-28-5448-2100 | EUROPE Austria – Wels Tel: 43-7242-2244-39 Fax: 43-7242-2244-393 Denmark – Copenhagen Tel: 45-4485-5910 Fax: 45-4485-2829 Finland – Espoo Tel: 358-9-4520-820 France – Paris Tel: 33-1-69-53-63-20 Fax: 33-1-69-30-90-79 Germany – Garching Tel: 49-8931-9700 Germany – Haan Tel: 49-2129-3766400 Germany – Heilbronn Tel: 49-7131-72400 Germany – Karlsruhe Tel: 49-721-625370 Germany – Munich Tel: 49-89-627-144-0 Fax: 49-89-627-144-44 Germany – Rosenheim Tel: 49-8031-354-560 Israel – Ra’anana Tel: 972-9-744-7705 Italy – Milan Tel: 39-0331-742611 Fax: 39-0331-466781 Italy – Padova Tel: 39-049-7625286 Netherlands – Drunen Tel: 31-416-690399 Fax: 31-416-690340 Norway – Trondheim Tel: 47-7288-4388 Poland – Warsaw Tel: 48-22-3325737 Romania – Bucharest Tel: 40-21-407-87-50 Spain – Madrid Tel: 34-91-708-08-90 Fax: 34-91-708-08-91 Sweden – Gothenberg Tel: 46-31-704-60-40 Sweden – Stockholm Tel: 46-8-5090-4654 UK – Wokingham Tel: 44-118-921-5800 Fax: 44-118-921-5820 |
DS50003225A-page 28
© 2021 Microchip Technology Inc. and its subsidiaries
09/14/21


















