AEQ TH-03 Digital Hybrid with Frequency Extender
INTRODUCTION.
General description.
The AEQ TH-03 is a digital hybrid with one or two lines of communication (TH-03.1 and TH-03.2 respectively) that allows to work with analog or digital AES/EBU audio signals (this last option by means of an additional board). The system allows you to use the frequency extension function in order to improve the audio quality on the communications through the analogue telephone line.
In the case of the hybrid with 2 lines (TH-03.2), the user can take advantage of the built-in Mix-Minus bus. Through this bus is possible to establish a multiplex communication between the user and the two communication lines connected to the hybrid.
General precautions.
The following precautions should be observed for safety reasons during all operation and maintenance of this unit. Failure to comply with all instructions may seriously alter the functions and performance of the equipment. AEQ will not be responsible for any damage or loss due to the improper handling of the equipment.
Read all instructions.
Before connecting the equipment to mains and start-up, it is absolutely necessary to read carefully all the instructions in this manual, in the established order. If these basic rules are respected, you will obtain the maximum performance of the equipment from the very start, and, at the same time, you will avoid incorrect or improper operation that could cause damage to the equipment or personnel.
Protection against water and humidity.
The operation of the equipment in humid environments, near water or wet floors must be avoided. Nor should it be used in environments where the atmospheric humidity is so high it will produce regular condensation inside the equipment.
Ventilation, fire and flammable vapors.
The equipment should never be placed near or over a heat source. The use of electrical or electronic equipment close to fire or flammable vapors is a risk that has to be avoided. All ventilation grids must be uncovered to allow hot air out and make sure a proper ventilation of the equipment.
Maintenance.
Any maintenance of this equipment should be carried out by qualified technical service personnel. AEQ will not be responsible for any damage caused by unauthorized maintenance operations, nor for any damage caused to other equipment or persons due to such unauthorized maintenance. Always bear in mind that inside the equipment there is high voltage and there exists the risk of an electrical shock. The installation of this unit must be carried out by qualified technical personnel.
How to proceed in case of feedback.
In case you find any feedback reaction in the TH-03 after installation and connection, the technician should check in the mixing console that there is no signal sent from the TH-03 talkback module to the console module that sends signal to the hybrid.
PHYSICAL DESCRIPTION OF THE UNIT.
Physical description of the 2 lines hybrid: TH-03.2.
Description of the TH-03.2 front panel and controls. 
- “LOC/REM” key of LINE 1: allows you to change between local (without pressing) or remote control (pressed) of line 1. Both modes are exclusive between them.
When remote control is activated, the control keys “XTND”, “WAIT” and “ON AIR” of that line are no longer active and their functions are managed through remote control connector (in order to activate any of these functions, only is required to connect to ground the corresponding remote signal). - “XTND” key of LINE 1: allows you to activate the frequency extension function.
The typical telephone circuits have a limited bandwith between 300 and 4000Hz. Unfortunately, the most part of the voice energy is contained in frequencies lower than 300Hz, which are lost during transmision through the telephone line. For this reason, the audio signal has the typical telephone sound, being this loss the most representative aspect.
The frequency extension function allows to transmit the bandwith between 50 and 300Hz through the telephone line. In order to achieve this, the signal sent undergoes a 250Hz frequency shift, improving the quality of the received signal in its lower frequencies at the expense of the higher band. The transmitted bandwith is, thus, between 50 and 3750Hz. The lost 250Hz from the higher frequencies are not very significant, due to the logarithmic nature of the audio frequency response.
The translation of frequencies takes place by encoding the audio signal before it is sent to the telephone line. Decoding, i.e., the reverse frequency shift, takes place at the receiving end, that must be done by the appropriate equipment with the frequency extension function also activated (another TH-03 hybrid, a TLE-02D communications unit, a TH-03 EX hybrid, an hybrid module of the COURSE system or a FR33 module of the FORUM console). The decoded signal has the original bandwith (between 50 and 3750Hz) without having suffered any alteration. Thus, greater depth and clarity is achieved in the voice signal, even in those communications that take Place under the worst conditions. - “WAIT” key of LINE 1: allows you to select WAIT mode (on hold) for the incoming call: line is connected to the digital hybrid and the signal of the corresponding “PROG. IN” input is sent to the line. The correspondent hears the program but can not take part in it. When the key is released, the line returns to the telephone set (if not hung up previously) or the call is disconected (unless the “ON AIR” key is pressed).
- “ON AIR” key of LINE 1: allows you to select ON AIR mode for the incoming call: line is connected to the digital hybrid, the signal of the corresponding “PROG. IN” input is sent to the line and the signal coming from the line is conducted to the corresponding “PROG. OUT” connector. The correspondent hears the program and takes part in it. When “ON AIR” and “WAIT” keys are pressed at the same time, ON AIR mode prevails over WAIT mode.
- “LEVEL” VUmeters of LINE 1: a pair of 10 segments precision VUmeters that allows you to monitor the output (“SND” VUmeter) and input signal (“RCV” VUmeter) of the link established through line 1.
- “RING” LED of LINE 1: this LED will blink when an incoming call is detected on line 1.
- “LOC/REM” key of LINE 2: equivalent functionality that the one described for the line 1 key.
- “XTND” key of LINE 2: equivalent functionality that the one described for the line 1 key.
- “WAIT” key of LINE 2: equivalent functionality that the one described for the line 1 key.
- “ON AIR” key of LINE 2: equivalent functionality that the one described for the line 1 key.
- “LEVEL” VUmeters of LINE 2: equivalent functionality that the one described for the line 1 VUmeters.
- “RING” LED of LINE 2: equivalent functionality that the one described for the line 1 LED.
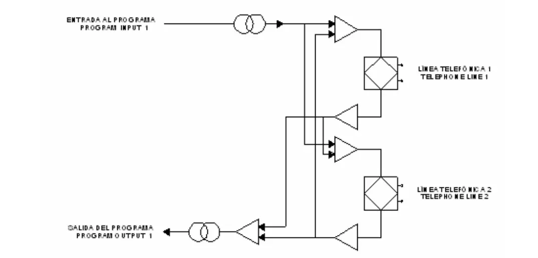
- “MPX” key: allows you to activate the Multiplex function and perform a cross-talk between lines 1 and 2 and the unit. In this working mode, the user of AEQ TH-03.2 and two more participants at the ends of each line can establish a communication in full duplex mode, that is, everyone talks to everyone and hear each other at all times. When Multiplex function is activated, only the “PROG. IN” input and “PROG. OUT” output of line 1 are available; the input and output of line 2 are disabled. Thus, the signal of the line 1 “PROG. IN” input is sent to both phone lines and the signals coming from both lines are conducted to the line 1 program output; on the other hand, the signal from the telephone line 1 is also sent to the telephone line 2 and vice versa.
The operating diagram of this mode is as follows:
- “POWER” LED: Power On LED indicator.
Description of the TH-03.2 rear panel and connections. 
- AC power supply connector.
The TH-03 is prepared to operate with supply voltages from 90 to 250 VAC (50/60Hz). The unit’s mains connector socket has a fuse box, located at the bottom of the plug, and it’s supplied with a 1A fuse and a spare one.
NOTE: The power cord of TH-03 is supplied with a European-stardard plug mains connector. In some countries it may be necessary to replace the plug to fit the current regulations on them. - Power ON/OFF switch.
- “GPIO” connector for remote control of the unit.
The physical connector used is a DB15 female, with the following pinout:
DB15 connector pinout identification
- Pin 1: CALL IN LINE 1 – RING 1
- Pin 2: CALL ON WAIT LINE 2 – WAIT 2
- Pin 3: CALL ON AIR LINE 2 – ON AIR 2
- Pin 4: CALL ON WAIT LINE 1 – WAIT 1
- Pin 5: CALL ON AIR LINE 1 – ON AIR 1
- Pin 6: CALL IN LINE 2 – RING 2
- Pin 7: FREQUENCY EXTENSION LINE 1
- Pin 8: FREQUENCY EXTENSION LINE 2
- Pin 9: COMMON GROUND
- Pin 10: Not connected
- Pin 11: Not connected
- Pin 12: Not connected
- Pin 13: Not connected
- Pin 14: Not connected
- Pin 15: Not connected
These connections, when required, must be carried out only by qualified technical personnel. In order to control remotely any of the two lines of the unit, you must press previously the “LOC/REM” key of the corresponding key on the front panel. To activate any of the available functions the only requirement is to connect the respective remote signal to ground.
The RING 1 and RING 2 signals allow to recognize the incoming call tone on each telephone line and can be used to feed two separate LEDs (when the ring signal is detected on a line, the connected LED lights blinking). The electrical features of this signal are as follows:
- When the incoming call tone is connected:

- When the incoming call tone is disconnected:
NOTE: some telephone swithcboards can generate exceptionally low incoming call signals, much lower than 75 VRMS, which the equipment will not detect. In this case, please contact our Technical Service, which will give you advice about the required modification for solving the problem.
- “TEL. SET” connector (RJ11 type) for line 2 telephone set. Allows you to connect an external telephone terminal in order to do the dial or take a call.
- “TEL. LINE” connector (RJ11 type) for telephone line 2.
- “PROG. OUT” connector (XLR-3p male type) for analogue or digital output (see section 3.1.1) of the line 2 program. This output is disabled when Multiplex function is activated (see section 2.1.1). The connector pinout is as follows:

When using the digital option, only the L channel of the stereo digital output will carry audio signal.
IMPORTANT NOTE: If you want to connect the output configured as analog to an unbalanced input, you must unbalance the output, using the corresponding positive and GND (ground) pins and leaving the negative pin unconnected. Also keep in mind that unbalancing the output will reduce its level by 6dB. - LED indicator for optional digital AES/EBU input/output board installed and operative for line 2.
- “PROG. IN” connector (XLR-3p female type) for analogue or digital input (see section 3.1.1) of the line 2 program. This input is disabled when Multiplex function is activated (see section 2.1.1). The connector pinout is as follows:

When using the digital option, only the L channel of the stereo digital input will be sent to the line. - “TEL. SET” connector (RJ11 type) for line 1 telephone set. Allows you to connect an external telephone terminal in order to do the dial or take a call.
- “TEL. LINE” connector (RJ11 type) for telephone line 1.
- “PROG. OUT” connector (XLR-3p male type) for analogue or digital output (see section 3.1.1) of the line 1 program (or both lines in Multiplex mode). The connector pinout is as follows:

When using the digital option, only the L channel of the stereo digital output will carry audio signal.
IMPORTANT NOTE: If you want to connect the output configured as analog to an unbalanced input, you must unbalance the output, using the corresponding positive and GND (ground) pins and leaving the negative pin unconnected. Also keep in mind that unbalancing the output will reduce its level by 6dB. - LED indicator for optional digital AES/EBU input/output board installed and operative for line 1.
- “PROG. IN” connector (XLR-3p female type) for analogue or digital input (see section 3.1.1) of the line 1 program (or both lines in Multiplex mode). The connector pinout is as follows:

When using the digital option, only the L channel of the stereo digital input will be sent to the line.
Physical description of the 1 line hybrid: TH-03.1.
Description of the TH-03.1 front panel and controls. 
- “LOC/REM” key: allows you to change between local (without pressing) or remote control (pressed). Both modes are exclusive between them.
When remote control is activated, the control keys “XTND”, “WAIT” and “ON AIR” are no longer active and their functions are managed through remote control connector (in order to activate any of these functions, only is required to connect to ground the corresponding remote signal). - “XTND” key of LINE 1: allows you to activate the frequency extension function.
The typical telephone circuits have a limited bandwith between 300 and 4000Hz. Unfortunately, the most part of the voice energy is contained in frequencies lower than 300Hz, which are lost during transmision through the telephone line. For this reason, the audio signal has the typical telephone sound, being this loss the most representative aspect.
The frequency extension function allows to transmit the bandwith between 50 and 300Hz through the telephone line. In order to achieve this, the signal sent undergoes a 250Hz frequency shift, improving the quality of the received signal in its lower frequencies at the expense of the higher band. The transmitted bandwith is, thus, between 50 and 3750Hz. The lost 250Hz from the higher frequencies are not very significant, due to the logarithmic nature of the audio frequency response.
The translation of frequencies takes place by encoding the audio signal before it is sent to the telephone line. Decoding, i.e., the reverse frequency shift, takes place at the receiving end, that must be done by the appropriate equipment with the frequency extension function also activated (another TH-03 hybrid, a TLE-02D communications unit, a TH-03 EX hybrid, an hybrid module of the COURSE system or a FR33 module of the FORUM console). The decoded signal has the original bandwith (between 50 and 3750Hz) without having suffered any alteration. Thus, greater depth and clarity is achieved in the voice signal, even in those communications that take place under the worst conditions. - “WAIT” key: allows you to select WAIT mode (on hold) for the incoming call: line is connected to the digital hybrid and the signal of the corresponding “PROG. IN” input is sent to the line. The correspondent hears the program but can not take part in it. When the key is released, the line returns to the telephone set (if not hung up previously) or the call is disconected (unless the “ON AIR” key is pressed)
- “ON AIR” key: allows you to select ON AIR mode for the incoming call: line is connected to the digital hybrid, the signal of the corresponding “PROG. IN” input is sent to the line and the signal coming from the line is conducted to the corresponding “PROG. OUT” connector. The correspondent hears the program and takes part in it. When “ON AIR” and “WAIT” keys are pressed at the same time, ON AIR mode prevails over WAIT mode.
- “LEVEL” VUmeters: a pair of 10 segments precision VUmeters that allows you to monitor the output (“SND” VUmeter) and input signal (“RCV” VUmeter) of the established link.
- “RING” LED: this LED will blink when an incoming call is detected.
- “POWER” LED: Power On LED indicator.
Description of the TH-03.1 rear panel and connections. 
- AC power supply connector.
The TH-03 is prepared to operate with supply voltages from 90 to 250 VAC (50/60Hz). The unit’s mains connector socket has a fuse box, located at the bottom of the plug, and it’s supplied with a 1A fuse and a spare one.
NOTE: The power cord of TH-03 is supplied with a European-stardard plug mains connector. In some countries it may be necessary to replace the plug to fit the current regulations on them. - Power ON/OFF switch.
- “GPIO” connector for remote control of the unit. The physical connector used is a DB15 female, with the following pinout:

DB15 connector pinout indentification
- Pin 1: CALL IN LINE – RING
- Pin 2: Not connected
- Pin 3: Not connected
- Pin 4: CALL ON WAIT
- Pin 5: CALL ON AIR
- Pin 6: Not connected
- Pin 7: FREQUENCY EXTENSION
- Pin 8: Not connected
- Pin 9: COMMON GROUND
- Pin 10: Not connected
- Pin 11: Not connected
- Pin 12: Not connected
- Pin 13: Not connected
- Pin 14: Not connected
- Pin 15: Not connected
These connections, when required, must be carried out only by qualified technical personnel. In order to control remotely any of the two lines of the unit, you must press previously the “LOC/REM” key of the corresponding key on the front panel. To activate any of the available functions the only requirement is to connect the respective remote signal to ground.
The RING signal allows to recognize the incoming call tone on the telephone line and can be used to feed a LED (when the ring signal is detected on the line, the connected LED lights blinking). The electrical features of this signal are as follows:
- When the incoming call tone is connected:

- When the incoming call tone is disconnected:
NOTE: some telephone swithcboards can generate exceptionally low incoming call signals, much lower than 75 VRMS, which the equipment will not detect. In this case, please contact our Technical Service, which will give you advice about the required modification for solving the problem.
- “TEL. SET” connector (RJ11 type) for telephone set. Allows you to connect an external telephone terminal in order to do the dial or take a call.
- “TEL. LINE” connector (RJ11 type) for telephone line.
- “PROG. OUT” connector (XLR-3p male type) for program analogue or digital output (see section 3.1.1). The connector pinout is as follows:

When using the digital option, only the L channel of the stereo digital output will carry audio signal.
IMPORTANT NOTE: If you want to connect the output configured as analog to an unbalanced input, you must unbalance the output, using the corresponding positive and GND (ground) pins and leaving the negative pin unconnected. Also keep in mind that unbalancing the output will reduce its level by 6dB. - LED indicator for optional digital AES/EBU input/output board installed and operative.
- “PROG. IN” connector (XLR-3p female type) for program analogue or digital input (see section 3.1.1). The connector pinout is as follows:
When using the digital option, only the L channel of the stereo digital input will be sent to the line.
AUDIO CONNECTIONS.
General.
The audio connections of the TH-03 have been made in accordance to the recommendations of AES 14-1.992 (ANSIS 4.48-1.992). This recommendation is based upon the IEC 268-12 of 1.987 (Audio Systems Equipment Part 12, Connector application for Radio Broadcasting and similar use). Make sure that the audio cables that you are connecting to the equipment follow this standard. Otherwise, they have to be replaced or modified, since they can cause problems in the phase of the audio signal.
Connection of audio inputs and outputs.
The TH-03 can work with analogue or digital AES/EBU signals. These last ones are optionals and use the same XLR connectors than the analogue ones. Therefore, in the case of the TH-03.1 it is possible to use only one of the two types of signal; in the case of the TH-03.2 one line can be configurated with analog input/output and the other line with digital input/output, or both of them with only analogue or only digital inputs/outputs.
The TH-03 is provided by default (unless specific request) with analogue inputs and outputs, allthough these can be converted into digital by means of the insertion of an additional board (or two, in the case of the TH-03.2) in the main base board and changing some PDP’s on that board. This operation requires opening the unit, so that must be done by specialized personnel and the equipment must be disconnected from electrical power and telephone line.
In order to find out if the equipment is configured with digital inputs and outputs, it has a LED indicator (two LEDs in the case of the TH-03.2) on the rear part, between the “PROG.OUT” and “PROG. IN” connectors (see sections 2.1.2 and 2.2.2). If you need to convert the TH-03 from analogue to digital, please consult the Technical Assistance Service of AEQ.
CONTROL FUNCTIONS.
The TH-03 has a number of control functions to select the operating mode of each connected line. All functions are independent for each line. In local mode, the control functions are activated/desactivated by means of the keys on the front panel (see sections 2.1.1 and 2.2.1). In remote mode, those functions can be activated/desactivated by remote control through the corresponding “GPIO” connector (see sections 2.1.2 and 2.2.2). You can select the operating mode by pressing the “LOC/REM” key on the front panel. Both modes are exclusive between them.
TECHNICAL SPECIFICATIONS.
| Audio Inputs and Outputs | |
| Analog program input | XLR female Input impedance: >6KΩ Electronic balancing Nominal input level: 0dBu |
| Analog program output | XLR male Output impedance: <66Ώ Electronic balancing Nominal output level: 0dBu |
| Digital program input (optional by means of additional board) | XLR female AES3/SPDIF Nominal input level: -22dBFS |
| Digital program output (optional by means of additional board) | XLR male AES3/SPDIF Nominal output level: -22dBFS |
| Telephone line interface | |
| Input/output | By transformer Impedance: 600Ω Nominal input level: -10dBm Nominal output level: -14.8dBm |
| Bandwith (telephone line output) | With frequency extension desactivated: 300 – 3400 Hz, +/-3dB With frequency extension activated: 50 – 3150 Hz, +/-3dB |
| Bandwith (program line output) | With frequency extension desactivated: 300 – 3400 Hz, +/-3dB With frequency extension activated: 50 – 3150 Hz, +/-3dB |
| THD+N (nominal I/O levels) | Telephone line output: 0.12% @ 1KHz <0.4% @ 300 – 3400 Hz Program output: 0.03% @ 1KHz <0.15 @ 300 – 3400 Hz |
| Absolute noise | Telephone line output: -82dBu Program output: -78dBu |
| SNR (signal-to-noise ratio) | Telephone line output: 67.2dB Program output: 78dB |
| Frequency extension | Tx: +250Hz Rx: -250Hz |
| Cross-talk | In any case, lower than absolute noise |
| Supression of electrical echo | |
| Program output level | <-63dBu (line impedance 600Ω, signal source at 1KHz, nominal input and output levels) |
| AC Power Supply | 90 / 250 VAC (50 / 60Hz) |
| Dimensions | W x D x H (mm): 486 x 238 x 44 |
A.E.Q. WARRANTY.
AEQ warrants that this product has been designed and manufactured under a certified Quality Assurance System. AEQ therefore warrants that the necessary test protocols to assure the proper operation and the specified technical characteristics of the product have been followed and accomplished.
This includes that the general protocols for design and production and the particular ones for this product are conveniently documented.
- The present guarantee does not exclude or limit in any way any legally recognized right of the client.
- The period of guarantee is defined to be twelve natural months starting from the date of purchase of the product by the first client. To be able to apply to the established in this guarantee, it is compulsory condition to inform the authorized distributor or –to its effect- an AEQ Sales office or the Technical Service of AEQ within thirty days of the appearance of the defect and within the period of guarantee, as well as to facilitate a copy of the purchase invoice and serial number of the product. It will be equally necessary the previous and expressed conformity from the AEQ Technical Service for the shipment to AEQ of products for their repair or substitution in application of the present guarantee. In consequence, return of equipment that does not comply with these conditions will not be accepted.
- AEQ will at its own cost repair the faulty product once returned, including the necessary labour to carry out such repair, whenever the failure is caused by defects of the materials, design or workmanship. The repair will be carried out in any of the AEQ authorized Technical Service Centre. This guarantee does not include the freight charges of the product to or from such Authorized Technical Service Centre.
- No Extension of the Guarantee Period for repaired product shall be applied. Nor shall a Substituted Products in application of this Guarantee be subject to Guarantee Period Extension.
- The present guarantee will not be applicable in the following situations:
improper use or Contrary use of the product as per the User or Instruction Manual; violent manipulation; exhibition to humidity or extreme thermal or environmental conditions or sudden changes of such conditions; electrical discharges or lightning; oxidation; modifications or not authorized connections; repairs or non-authorized disassembly of the product; spill of liquids or chemical products. - Under no circumstances, whether based upon this Limited Guarantee or otherwise, shall AEQ, S.A. be liable for incidental, special, or consequential damages derived from the use or from the impossibility of using the product.
AEQ shall not be liable for loss of information in the disks or data support that have been altered or found to be inexact, neither for any accidental damage caused by the user or other persons manipulating the product.
ADDITIONAL INFORMATION.
NOTE: This equipment complies with the limits for a Class A digital device, pursuant to part 15 of the FCC Rules. These limits are designed to provide reasonable protection against harmful interference when the equipment is operated in a commercial environment. This equipment generates, uses, and can radiate radio frequency energy and, if not installed and used in accordance with the instruction manual, may cause harmful interference to radio communications. Operation of this equipment in a residential area is likely to cause harmful interference in which case the user will be required to correct the interference at his own expense.









When using the digital option, only the L channel of the stereo digital input will be sent to the line.


















